INFINITI QX4 2005 Factory Service Manual
QX4 2005
INFINITI
INFINITI
https://www.carmanualsonline.info/img/42/57035/w960_57035-0.png
INFINITI QX4 2005 Factory Service Manual
Trending: buttons, fuse diagram, windshield wipers, height, width, instrument cluster, clock reset
Page 431 of 3419

ATC-36
TROUBLE DIAGNOSIS
Revision: October 20052005 QX56
CONSULT-II Function (BCM)EJS003XE
CONSULT-II can display each diagnostic item using the diagnostic test modes shown following.
CONSULT-II BASIC OPERATION
CAUTION:
If CONSULT-II is used with no connection of CONSULT-II CONVERTER, malfunctions might be
detected in self-diagnosis depending on control unit which carries out CAN communication.
1. With the ignition switch OFF, connect CONSULT-II and “CON-
SULT-II CONVERTER” to the data link connector, and turn the
ignition switch ON.
2. Touch “START (NISSAN BASED VHCL)”.
3. Touch “BCM” on “SELECT SYSTEM” screen. If “BCM” is not
indicated, go to GI-39, "
CONSULT-II Data Link Connector (DLC)
Circuit" .
BCM diagnostic
test itemDiagnostic mode Description
Inspection by partWORK SUPPORTSupports inspections and adjustments. Commands are transmitted to the BCM
for setting the status suitable for required operation, input/output signals are
received from the BCM and received data is displayed.
DATA MONITOR Displays BCM input/output data in real time.
ACTIVE TEST Operation of electrical loads can be checked by sending drive signal to them.
SELF-DIAG RESULTS Displays BCM self-diagnosis results.
CAN DIAG SUPPORT MNTR The result of transmit/receive diagnosis of CAN communication can be read.
ECU PART NUMBER BCM part number can be read.
CONFIGURATION Performs BCM configuration read/write functions.
BBIA0369E
BCIA0029E
BCIA0030E
Page 432 of 3419

TROUBLE DIAGNOSIS
ATC-37
C
D
E
F
G
H
I
K
L
MA
B
AT C
Revision: October 20052005 QX56
DATA MONITOR
Operation Procedure
1. Touch “AIR CONDITIONER” on “SELECT TEST ITEM” screen.
2. Touch “DATA MONITOR” on “SELECT DIAG MODE” screen.
3. Touch either “ALL SIGNALS” or “SELECTION FROM MENU” on
“DATA MONITOR” screen.
4. When “SELECTION FROM MENU” is selected, touch items to
be monitored. When “ALL SIGNALS” is selected, all the items
will be monitored.
5. Touch “START”.
6. Touch “RECORD” while monitoring, then the status of the moni-
tored item can be recorded. To stop recording, touch “STOP”.
Display Item List
WJIA0468E
BCIA0031E
All signals Monitors all the items.
Selection from menu Selects and monitors the individual item selected.
WJIA0469E
Monitor item name “operation or
unit”Contents
IGN ON SW “ON/OFF” Displays “IGN Position (ON)/OFF, ACC Position (OFF)” status as judged from ignition switch signal.
COMP ON SIG “ON/OFF” Displays “COMP (ON)/COMP (OFF)” status as judged from air conditioner switch signal.
FAN ON SIG “ON/OFF” Displays “FAN (ON)/FAN (OFF)” status as judged from blower motor switch signal.
Page 433 of 3419

ATC-38
TROUBLE DIAGNOSIS
Revision: October 20052005 QX56
How to Perform Trouble Diagnosis for Quick and Accurate RepairEJS003XF
WORK FLOW
SYMPTOM TABLE
*1AT C - 5 7 , "Operational Check (Front)"
or ATC-60, "
Operational Check
(Rear)" .
SHA9 00 E
Symptom Reference Page
A/C system does not come on. Go to Trouble Diagnosis Procedure for A/C System.AT C - 6 1
A/C system display is malfunctioning. Go to Navigation SystemAV- 6 1
A/C system cannot be controlled. Go to Self-diagnosis Function.AT C - 5 5
Air outlet does not change.
Go to Trouble Diagnosis Procedure for Mode Door Motor.AT C - 6 4
Mode door motor is malfunctioning.
Discharge air temperature does not change.
Go to Trouble Diagnosis Procedure for Air Mix Door Motor.AT C - 7 0
Air mix door motor is malfunctioning.
Intake door does not change.
Go to Trouble Diagnosis Procedure for Intake Door Motor.AT C - 8 3
Intake door motor is malfunctioning.
Defroster door motor is malfunctioning. Go to Trouble Diagnosis Procedure for Defroster Door Motor.AT C - 8 7
Front blower motor operation is malfunction-
ing.Go to Trouble Diagnosis Procedure for Front Blower Motor.AT C - 9 3
Rear blower motor operation is malfunction-
ing.Go to Trouble Diagnosis Procedure for Rear Blower Motor.AT C - 1 0 1
Rear discharge air temperature and/or air
outlet does not change.Go to Trouble Diagnosis Procedure for Rear Air Control circuit.AT C -11 2
Magnet clutch does not engage. Go to Trouble Diagnosis Procedure for Magnet Clutch.AT C -11 5
Insufficient cooling Go to Trouble Diagnosis Procedure for Insufficient Cooling.AT C - 1 2 1
Insufficient heating Go to Trouble Diagnosis Procedure for Insufficient Heating.AT C - 1 2 8
Noise Go to Trouble Diagnosis Procedure for Noise.AT C - 1 2 9
Self-diagnosis cannot be performed. Go to Trouble Diagnosis Procedure for Self-diagnosis.AT C - 1 3 2
Memory function does not operate. Go to Trouble Diagnosis Procedure for Memory Function.AT C - 1 3 3
Page 434 of 3419
TROUBLE DIAGNOSIS
ATC-39
C
D
E
F
G
H
I
K
L
MA
B
AT C
Revision: October 20052005 QX56
Component Parts and Harness Connector LocationEJS003XG
ENGINE COMPARTMENT
WJIA1398E
Page 435 of 3419
ATC-40
TROUBLE DIAGNOSIS
Revision: October 20052005 QX56
FRONT PASSENGER COMPARTMENT
1. Front air control M49, M50 2. Rear blower switch (front) M52 3. In-vehicle sensor M32
4. Intake sensor M146 5. Intake door motor M58 6. Variable blower control M122
7. Air mix door motor (driver) M147 8. Mode door motor M142 9. Defroster door motor M144
10. Air mix door motor (passenger)
M14311. Optical sensor M402⇐: Front
WJIA1969E
Page 436 of 3419
TROUBLE DIAGNOSIS
ATC-41
C
D
E
F
G
H
I
K
L
MA
B
AT C
Revision: October 20052005 QX56
REAR PASSENGER COMPARTMENT
WJIA1345E
Page 437 of 3419
ATC-42
TROUBLE DIAGNOSIS
Revision: October 20052005 QX56
SchematicEJS003XH
WJWA0235E
Page 438 of 3419
TROUBLE DIAGNOSIS
ATC-43
C
D
E
F
G
H
I
K
L
MA
B
AT C
Revision: October 20052005 QX56
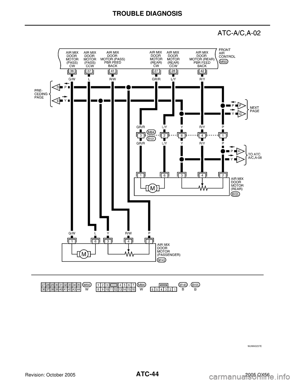
Wiring Diagram — A/C,A —EJS003XI
WJWA0236E
Page 439 of 3419
ATC-44
TROUBLE DIAGNOSIS
Revision: October 20052005 QX56
WJWA0237E
Page 440 of 3419
TROUBLE DIAGNOSIS
ATC-45
C
D
E
F
G
H
I
K
L
MA
B
AT C
Revision: October 20052005 QX56
WJWA0238E
Trending: remote control, tow bar, oil additives, cooling, dimensions, ECO mode, oil dipstick