NISSAN 350Z 2007 Z33 Brake Control System Manual Online

NISSAN 350Z 2007 Z33 Brake Control System Manual Online 350Z 2007 Z33 NISSAN NISSAN https://www.carmanualsonline.info/img/5/758/w960_758-0.png NISSAN 350Z 2007 Z33 Brake Control System Manual Online
Trending: wheel torque, maintenance, transmission, brake light, brakes, lock, brake fluid

Page 81 of 134

NISSAN 350Z 2007 Z33 Brake Control System Manual Online SYSTEM DESCRIPTION
BRC-81
[VDC/TCS/ABS]
C
D
E
G
H
I
J
K
L
MA
B
BRC
Revision: 2006 November2007 350Z
ABS FunctionNFS00040
The Anti-Lock Braking System is a function that detects wheel revolution while

Page 82 of 134

NISSAN 350Z 2007 Z33 Brake Control System Manual Online BRC-82
[VDC/TCS/ABS]
TROUBLE DIAGNOSIS
Revision: 2006 November2007 350Z
TROUBLE DIAGNOSISPFP:00004
Fail-Safe FunctionNFS000IK
VDC/TCS SYSTEM
In case of Throttle Control System trouble, the VDC OFF ind

Page 83 of 134

NISSAN 350Z 2007 Z33 Brake Control System Manual Online TROUBLE DIAGNOSIS
BRC-83
[VDC/TCS/ABS]
C
D
E
G
H
I
J
K
L
MA
B
BRC
Revision: 2006 November2007 350Z
DIAGNOSIS FLOWCHART
SFIA3407E

Page 84 of 134

NISSAN 350Z 2007 Z33 Brake Control System Manual Online BRC-84
[VDC/TCS/ABS]
TROUBLE DIAGNOSIS
Revision: 2006 November2007 350Z
ASKING COMPLAINTS
Complaints against malfunction vary depending on each person.
It is important to clarify customer complaints.

Page 85 of 134

NISSAN 350Z 2007 Z33 Brake Control System Manual Online TROUBLE DIAGNOSIS
BRC-85
[VDC/TCS/ABS]
C
D
E
G
H
I
J
K
L
MA
B
BRC
Revision: 2006 November2007 350Z
Component Parts LocationNFS000TL
SFIA3386E

Page 86 of 134

NISSAN 350Z 2007 Z33 Brake Control System Manual Online BRC-86
[VDC/TCS/ABS]
TROUBLE DIAGNOSIS
Revision: 2006 November2007 350Z
SchematicNFS00047
TFWT0296E

Page 87 of 134

NISSAN 350Z 2007 Z33 Brake Control System Manual Online TROUBLE DIAGNOSIS
BRC-87
[VDC/TCS/ABS]
C
D
E
G
H
I
J
K
L
MA
B
BRC
Revision: 2006 November2007 350Z
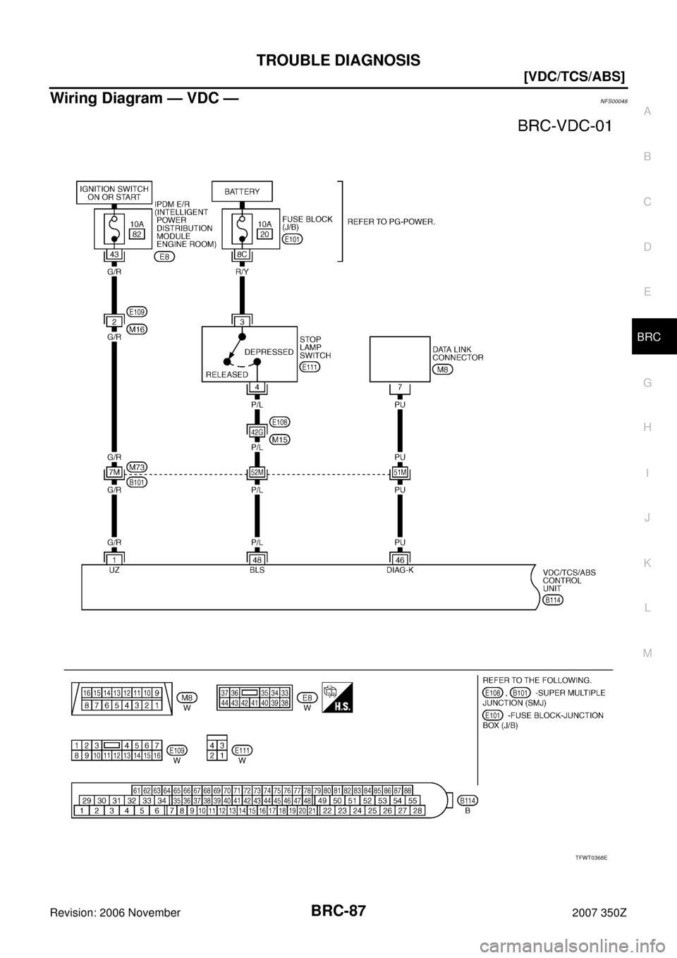
Wiring Diagram — VDC —NFS00048
TFWT0368E

Page 88 of 134

NISSAN 350Z 2007 Z33 Brake Control System Manual Online BRC-88
[VDC/TCS/ABS]
TROUBLE DIAGNOSIS
Revision: 2006 November2007 350Z
TFWT0379E

Page 89 of 134

NISSAN 350Z 2007 Z33 Brake Control System Manual Online TROUBLE DIAGNOSIS
BRC-89
[VDC/TCS/ABS]
C
D
E
G
H
I
J
K
L
MA
B
BRC
Revision: 2006 November2007 350Z
TFWT0370E

Page 90 of 134

NISSAN 350Z 2007 Z33 Brake Control System Manual Online BRC-90
[VDC/TCS/ABS]
TROUBLE DIAGNOSIS
Revision: 2006 November2007 350Z
TFWT0380E
Trending: turn signal, tow, light, transmission fluid, steering wheel adjustment, wheel size, wiring