NISSAN 350Z 2007 Z33 Engine Control Workshop Manual

NISSAN 350Z 2007 Z33 Engine Control Workshop Manual 350Z 2007 Z33 NISSAN NISSAN https://www.carmanualsonline.info/img/5/762/w960_762-0.png NISSAN 350Z 2007 Z33 Engine Control Workshop Manual
Trending: fuel pump, steering wheel, coolant, service reset, EC-77, coolant temperature, stop start

Page 541 of 720

NISSAN 350Z 2007 Z33 Engine Control Workshop Manual DTC P1211 TCS CONTROL UNIT
EC-541
C
D
E
F
G
H
I
J
K
L
MA
EC
Revision: 2006 November2007 350Z
DTC P1211 TCS CONTROL UNITPFP:47850
DescriptionNBS000D6
The malfunction information related to TCS is trans

Page 542 of 720

NISSAN 350Z 2007 Z33 Engine Control Workshop Manual EC-542
DTC P1212 TCS COMMUNICATION LINE
Revision: 2006 November2007 350Z
DTC P1212 TCS COMMUNICATION LINEPFP:47850
DescriptionNBS000DA
NOTE:
If DTC P1212 is displayed with DTC U1000 or U1001, first p

Page 543 of 720

NISSAN 350Z 2007 Z33 Engine Control Workshop Manual DTC P1217 ENGINE OVER TEMPERATURE
EC-543
C
D
E
F
G
H
I
J
K
L
MA
EC
Revision: 2006 November2007 350Z
DTC P1217 ENGINE OVER TEMPERATUREPFP:00000
DescriptionNBS000DE
SYSTEM DESCRIPTION
NOTE:
If DTC P121

Page 544 of 720

NISSAN 350Z 2007 Z33 Engine Control Workshop Manual EC-544
DTC P1217 ENGINE OVER TEMPERATURE
Revision: 2006 November2007 350Z
Cooling Fan Relay Operation
The ECM controls cooling fan relays in the IPDM E/R through CAN communication line.
COMPONENT DESC

Page 545 of 720

NISSAN 350Z 2007 Z33 Engine Control Workshop Manual DTC P1217 ENGINE OVER TEMPERATURE
EC-545
C
D
E
F
G
H
I
J
K
L
MA
EC
Revision: 2006 November2007 350Z
CAUTION:
When a malfunction is indicated, be sure to replace the coolant. Refer to CO-10, "
Changing

Page 546 of 720

NISSAN 350Z 2007 Z33 Engine Control Workshop Manual EC-546
DTC P1217 ENGINE OVER TEMPERATURE
Revision: 2006 November2007 350Z
6. Make sure that cooling fans operates at low speed.
If NG, go to EC-549, "
Diagnostic Procedure" .
If OK, go to the followin

Page 547 of 720

NISSAN 350Z 2007 Z33 Engine Control Workshop Manual DTC P1217 ENGINE OVER TEMPERATURE
EC-547
C
D
E
F
G
H
I
J
K
L
MA
EC
Revision: 2006 November2007 350Z
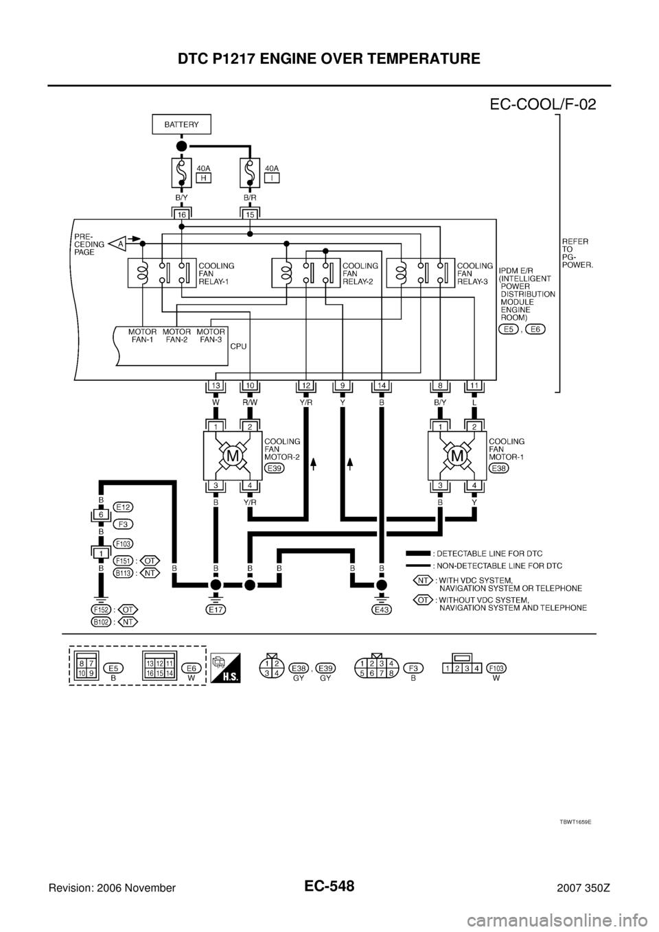
Wiring DiagramNBS000DI
TBWT1658E

Page 548 of 720

NISSAN 350Z 2007 Z33 Engine Control Workshop Manual EC-548
DTC P1217 ENGINE OVER TEMPERATURE
Revision: 2006 November2007 350Z
TBWT1659E

Page 549 of 720

NISSAN 350Z 2007 Z33 Engine Control Workshop Manual DTC P1217 ENGINE OVER TEMPERATURE
EC-549
C
D
E
F
G
H
I
J
K
L
MA
EC
Revision: 2006 November2007 350Z
Diagnostic ProcedureNBS000DJ
1. INSPECTION START
Do you have CONSULT-III?
Ye s  o r  N o
Ye s > > G

Page 550 of 720

NISSAN 350Z 2007 Z33 Engine Control Workshop Manual EC-550
DTC P1217 ENGINE OVER TEMPERATURE
Revision: 2006 November2007 350Z
5. CHECK COOLING FAN HIGH SPEED OPERATION
 Without CONSULT-III
1. Turn ignition switch OFF.
2. Turn air conditioner switch and
Trending: spark plugs replace, weight, EC-77, automatic transmission, P2A00, OBD port, oil level