NISSAN 350Z 2007 Z33 Power Supply, Ground And Circuit Workshop Manual
Manufacturer: NISSAN, Model Year: 2007, Model line: 350Z, Model: NISSAN 350Z 2007 Z33Pages: 86, PDF Size: 4.35 MB
Page 1 of 86

PG-1
POWER SUPPLY, GROUND & CIRCUIT ELEMENTS
K ELECTRICAL
CONTENTS
C
D
E
F
G
H
I
J
L
M
SECTION PG
A
B
PG
Revision: 2006 November2007 350Z
POWER SUPPLY, GROUND & CIRCUIT ELEMENTS
PRECAUTIONS .......................................................... 3
Precautions for Battery Service ................................ 3
POWER SUPPLY ROUTING CIRCUIT ...................... 4
Schematic ................................................................ 4
Wiring Diagram — POWER — ................................. 5
BATTERY POWER SUPPLY — IGNITION SW.
IN ANY POSITION ................................................ 5
ACCESSORY POWER SUPPLY — IGNITION
SW. IN “ACC” OR “ON” ....................................... 10
IGNITION POWER SUPPLY — IGNITION SW.
IN “ON” AND/OR “START” ................................... 11
Fuse ....................................................................... 15
Fusible Link ............................................................ 15
Circuit Breaker ....................................................... 15
IPDM E/R (INTELLIGENT POWER DISTRIBUTION
MODULE ENGINE ROOM) ...................................... 16
System Description ................................................ 16
SYSTEMS CONTROLLED BY IPDM E/R ........... 16
CAN COMMUNICATION LINE CONTROL ......... 16
IPDM E/R STATUS CONTROL ........................... 17
CAN Communication System Description .............. 17
CAN Communication Unit ...................................... 17
Function of Detecting Ignition Relay Malfunction ... 17
CONSULT-III Function (IPDM E/R) ........................ 18
SELF-DIAG RESULTS ........................................ 18
DATA MONITOR ................................................. 18
ACTIVE TEST ..................................................... 19
Auto Active Test ..................................................... 20
DESCRIPTION .................................................... 20
OPERATION PROCEDURE ............................... 20
INSPECTION IN AUTO ACTIVE TEST MODE ... 20
Schematic .............................................................. 22
IPDM E/R Terminal Arrangement ........................... 23
IPDM E/R Power/Ground Circuit Inspection .......... 24
Inspection With CONSULT-III (Self-Diagnosis) ...... 25
Removal and Installation of IPDM E/R ................... 26
REMOVAL ........................................................... 26
INSTALLATION ................................................... 26GROUND ................................................................... 27
Ground Distribution ................................................. 27
MAIN HARNESS ................................................. 27
ENGINE ROOM HARNESS ................................ 29
ENGINE CONTROL HARNESS .......................... 32
BODY HARNESS ................................................ 34
BODY NO. 2 HARNESS ..................................... 37
TAIL HARNESS ................................................... 38
BACK DOOR HARNESS .................................... 40
HARNESS ................................................................. 41
Harness Layout ...................................................... 41
HOW TO READ HARNESS LAYOUT ................. 41
OUTLINE ............................................................. 42
MAIN HARNESS ................................................. 43
ENGINE ROOM HARNESS ................................ 46
ENGINE CONTROL HARNESS .......................... 50
BODY HARNESS ................................................ 53
BODY NO. 2 HARNESS ..................................... 58
TAIL HARNESS ................................................... 59
TAIL NO. 2 HARNESS ........................................ 62
ROOM LAMP HARNESS .................................... 63
DOOR HARNESS ............................................... 65
Wiring Diagram Codes (Cell Codes) ...................... 67
ELECTRICAL UNITS LOCATION ............................ 70
Electrical Units Location ......................................... 70
ENGINE COMPARTMENT .................................. 70
PASSENGER COMPARTMENT ......................... 71
LUGGAGE COMPARTMENT .............................. 74
HARNESS CONNECTOR ......................................... 76
Description .............................................................. 76
HARNESS CONNECTOR (TAB-LOCKING
TYPE) .................................................................. 76
HARNESS CONNECTOR (SLIDE-LOCKING
TYPE) .................................................................. 77
HARNESS CONNECTOR (LEVER LOCKING
TYPE) .................................................................. 78
ELECTRICAL UNITS ................................................ 79
Terminal Arrangement ............................................ 79
SMJ (SUPER MULTIPLE JUNCTION) ..................... 81
Terminal Arrangement ............................................ 81
Page 2 of 86

PG-2Revision: 2006 November2007 350Z STANDARDIZED RELAY .......................................... 83
Description .............................................................. 83
NORMAL OPEN, NORMAL CLOSED AND
MIXED TYPE RELAYS ........................................ 83
TYPE OF STANDARDIZED RELAYS .................. 83FUSE BLOCK - JUNCTION BOX (J/B) .................... 85
Terminal Arrangement ............................................. 85
FUSE, FUSIBLE LINK AND RELAY BOX ................ 86
Terminal Arrangement ............................................. 86
Page 3 of 86

PRECAUTIONS
PG-3
C
D
E
F
G
H
I
J
L
MA
B
PG
Revision: 2006 November2007 350Z
PRECAUTIONSPFP:00001
Precautions for Battery ServiceNKS0054E
Before disconnecting the battery, lower both the driver and passenger windows. This will prevent any interfer-
ence between the window edge and the vehicle when the door is opened/closed. During normal operation, the
window slightly raises and lowers automatically to prevent any window to vehicle interference. The automatic
window function will not work with the battery disconnected.
Page 4 of 86

PG-4
POWER SUPPLY ROUTING CIRCUIT
Revision: 2006 November2007 350Z
POWER SUPPLY ROUTING CIRCUITPFP:24110
SchematicNKS004SX
TKWT5812E
Page 5 of 86

POWER SUPPLY ROUTING CIRCUIT
PG-5
C
D
E
F
G
H
I
J
L
MA
B
PG
Revision: 2006 November2007 350Z
Wiring Diagram — POWER —NKS004SY
BATTERY POWER SUPPLY — IGNITION SW. IN ANY POSITION
TKWT5813E
Page 6 of 86

PG-6
POWER SUPPLY ROUTING CIRCUIT
Revision: 2006 November2007 350Z
TKWT5814E
Page 7 of 86

POWER SUPPLY ROUTING CIRCUIT
PG-7
C
D
E
F
G
H
I
J
L
MA
B
PG
Revision: 2006 November2007 350Z
TKWT5815E
Page 8 of 86

PG-8
POWER SUPPLY ROUTING CIRCUIT
Revision: 2006 November2007 350Z
TKWT5816E
Page 9 of 86

POWER SUPPLY ROUTING CIRCUIT
PG-9
C
D
E
F
G
H
I
J
L
MA
B
PG
Revision: 2006 November2007 350Z
TKWT5817E
Page 10 of 86

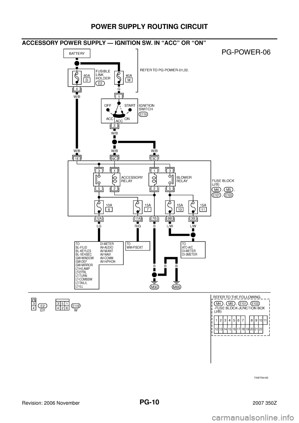
PG-10
POWER SUPPLY ROUTING CIRCUIT
Revision: 2006 November2007 350Z
ACCESSORY POWER SUPPLY — IGNITION SW. IN “ACC” OR “ON”
TKWT5818E