NISSAN PATROL 1998 Y61 / 5.G Engine Control Workshop Manual
Manufacturer: NISSAN, Model Year: 1998, Model line: PATROL, Model: NISSAN PATROL 1998 Y61 / 5.GPages: 192, PDF Size: 4.28 MB
Page 181 of 192

TEC439
TROUBLE DIAGNOSES FOR NON-DETECTABLE ITEMS
Charge Air Cooler Fan Control (Cont'd)
EC-179
Page 182 of 192

DIAGNOSTIC PROCEDURE
INSPECTION START
CHECK OVERALL FUNCTION.
1. Turn ignition switch ``OFF''.
2. Disconnect charge air temperature sen-
sor harness connector.
3. Connect 150Wresistor to charge air
temperature sensor harness connector.
4. Start engine and keep engine speed at
2,000 rpm.
5. Make sure that charge air cooler fan
operates.
NG
cOK
INSPECTION END
CHECK POWER SUPPLY.
1. Stop engine.
2. Disconnect charge air cooler fan relay.
3. Turn ignition switch ``ON''.
4. Check voltage between terminals
V2,
V5and ground with CONSULT or
tester.
Voltage: Battery voltage
OK
cNG
Check the following.
+Harness connectors
M21,E127
+10A fuse
+15A fuse
+Fuse block
M2
+Harness for open or
short between charge air
cooler fan relay and
fuses
If NG, repair harness or
connectors.
CHECK GROUND CIRCUIT.
1. Turn ignition switch ``OFF''.
2. Disconnect charge air cooler fan motor
harness connector.
3. Check harness continuity between relay
terminal
V3and motor terminalV1,
motor terminal
V2and engine ground.
Continuity should exist.
If OK, check harness for short to
ground and short to power.
OK
cNG
Check the following.
+Harness connectors
E127,M21
+Harness connectors
M50,F5
+Harness for open or
short between charge air
cooler fan relay and
charge air cooler fan
motor
+Harness for open or
short between charge air
cooler fan motor and
engine ground
If NG, repair open circuit or
short to ground or short to
power in harness or con-
nectors.
jA
SEF710V
SEF798V
SEF712V
SEF799V
SEF711V
.
.
.
.
TROUBLE DIAGNOSES FOR NON-DETECTABLE ITEMS
Charge Air Cooler Fan Control (Cont'd)
EC-180
Page 183 of 192

jA
CHECK OUTPUT SIGNAL CIRCUIT.
1. Disconnect ECM harness connector.
2. Check harness continuity between ECM
terminal
V8and relay terminalV1.
Continuity should exist.
If OK, check harness for short to
ground and short to power.
OK
cNG
Check the following.
+Harness connectors
E127,M21
+Harness connectors
M52,F7
+Harness for open or
short between ECM and
charge air cooler fan
relay
If NG, repair open circuit or
short to ground or short to
power in harness or con-
nectors.
CHECK COMPONENT
(Charge air cooler fan relay).
Refer to ``COMPONENT INSPECTION''
on next page.
OK
cNG
Replace charge air cooler
fan relay.
CHECK COMPONENT
(Charge air cooler fan motor).
Refer to ``COMPONENT INSPECTION''
on next page.
OK
cNG
Replace charge air cooler
fan motor.
Disconnect and reconnect harness con-
nectors in the circuit. Then retest.
Trouble is not ®xed.
Check ECM pin terminals for damage and
check the connection of ECM harness
connector. Reconnect ECM harness con-
nector and retest.
INSPECTION END
SEF800V
SEF801V
.
.
.
.
.
.
TROUBLE DIAGNOSES FOR NON-DETECTABLE ITEMS
Charge Air Cooler Fan Control (Cont'd)
EC-181
Page 184 of 192

COMPONENT INSPECTION
Charge air cooler fan relay
Check continuity between terminalsV3andV5.
Conditions Continuity
12V direct current supply between
terminals
V1andV2Ye s
No current supply No
If NG, replace relay.
Charge air cooler fan motor
1. Disconnect charge air cooler fan motor harness connector.
2. Supply charge air cooler fan motor terminals with battery volt-
age and check operation.
Charge air cooler fan motor should operate.
If NG, replace charge air cooler fan motor.
SEF511P
SEF802V
TROUBLE DIAGNOSES FOR NON-DETECTABLE ITEMS
Charge Air Cooler Fan Control (Cont'd)
EC-182
Page 185 of 192

Heat Up Switch
The heat up switch is located on the lower side of the instrument
panel. This switch is used to speed up the heater's operation when
the engine is cold.
When the ECM received the heat up switch ``ON'' signal, the ECM
increases the engine idle speed to 1,100 - 1,200 rpm to warm up
engine quickly.
This system works when all conditions listed below are met.
Heat up switch ON
Engine coolant temperature Below 70ÉC (158ÉF)
Shift lever ``P'' or ``N''
Accelerator pedal Fully released
Vehicle speed Below 4 km/h (2 MPH)
CONSULT REFERENCE VALUE IN DATA MONITOR MODE
Remarks: Speci®cation data are reference values.
MONITOR ITEM CONDITION SPECIFICATION
WARM UP SW+Ignition switch: ONHeat up switch: ON ON
Heat up switch: OFF OFF
ECM TERMINALS AND REFERENCE VALUE
Remarks: Speci®cation data are reference values and are measured between each terminal andV43(ECCS
ground) with a voltmeter.
TER-
MINAL
NO.WIRE
COLORITEM CONDITIONDATA
(DC Voltage and Pulse
Signal)
59 BR/W Heat up switchIgnition switch ``ON''
Heat up switch is ``OFF''.0V
Ignition switch ``ON''
Heat up switch is ``ON''.BATTERY VOLTAGE
(11 - 14V)
SEF803V
TROUBLE DIAGNOSES FOR NON-DETECTABLE ITEMS
EC-183
Page 186 of 192

TEC447
TROUBLE DIAGNOSES FOR NON-DETECTABLE ITEMS
Heat Up Switch (Cont'd)
EC-184
Page 187 of 192

DIAGNOSTIC PROCEDURE
INSPECTION START
CHECK OVERALL FUNCTION.
1. Turn ignition switch ``ON''.
2. Check ``WARM UP SW'' signal
in ``DATA MONITOR'' mode with
CONSULT.
Heat up switch is ``ON'': ON
Heat up switch is ``OFF'': OFF
--------------------------------------------------------------------------------------------------------------------------------------OR--------------------------------------------------------------------------------------------------------------------------------------
2. Check voltage between ECM
terminal
V59and ground under
the following condition.
Voltage:
Heat up switch is ``ON''
Battery voltage
Heat up switch is ``OFF''
Approximately 0V
NG
cOK
INSPECTION END
CHECK POWER SUPPLY.
1. Turn heat up switch ``OFF''.
2. Turn ignition switch ``OFF''.
3. Disconnect heat up switch harness con-
nector.
4. Turn ignition switch ``ON''.
5. Check voltage between terminal
V6
and ground with CONSULT or tester.
Voltage: Battery voltage
OK
cNG
Check the following.
+Fuse block
M3
+10A fuse
+Harness for open or
short between heat up
switch and fuse
If NG, repair harness or
connectors.
CHECK INPUT SIGNAL CIRCUIT.
1. Turn ignition switch ``OFF''.
2. Disconnect ECM harness connector.
3. Check harness continuity between ECM
terminal
V59and terminalV5.
Continuity should exist.
If OK, check harness for short to
ground and short to power.
OK
cNG
Check the following.
+Harness connectors
M51,F6
+Harness for open or
short between heat up
switch and ECM
If NG, repair open circuit or
short to ground or short to
power in harness or con-
nectors.
jA
SEF804V
SEF805V
SEF806V
SEF807V
.
.
.
.
TROUBLE DIAGNOSES FOR NON-DETECTABLE ITEMS
Heat Up Switch (Cont'd)
EC-185
Page 188 of 192

jA
CHECK COMPONENT
(Heat up switch).
Refer to ``COMPONENT INSPECTION''
below.
OK
cNG
Replace heat up switch.
Disconnect and reconnect harness con-
nectors in the circuit. Then retest.
Trouble is not ®xed.
Check ECM pin terminals for damage or
the connection of ECM harness connector.
Reconnect ECM harness connector and
retest.
INSPECTION END
COMPONENT INSPECTION
Heat up switch
1. Disconnect heat up switch harness connector.
2. Check continuity between terminals
V5andV6.
Condition Continuity
Heat up switch ``ON'' Yes
Heat up switch ``OFF'' No
If NG, replace heat up switch.SEF808V
.
.
.
.
TROUBLE DIAGNOSES FOR NON-DETECTABLE ITEMS
Heat Up Switch (Cont'd)
EC-186
Page 189 of 192

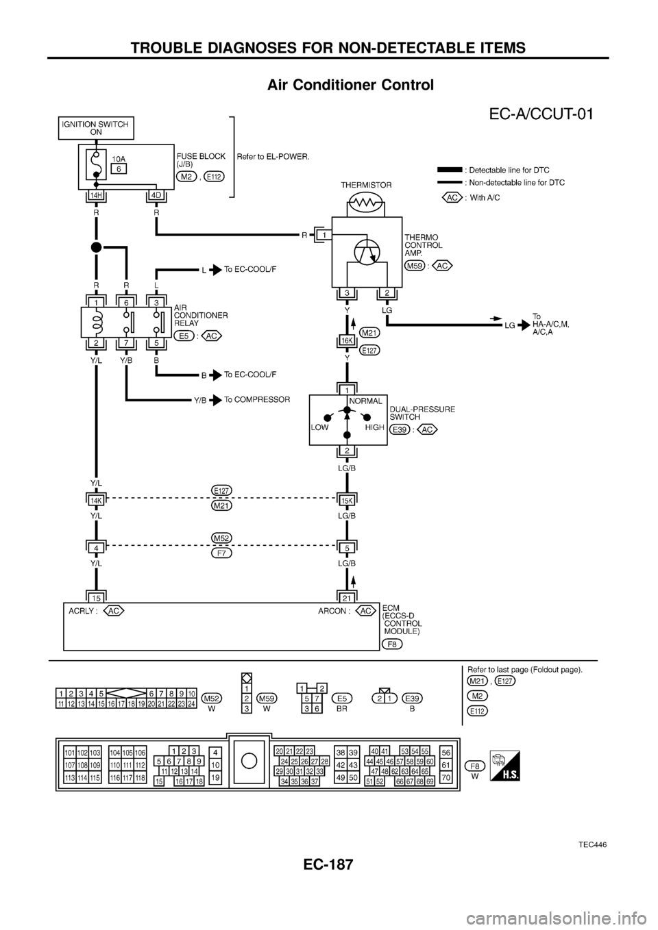
Air Conditioner Control
TEC446
TROUBLE DIAGNOSES FOR NON-DETECTABLE ITEMS
EC-187
Page 190 of 192

MIL & Data Link Connectors
TEC448
TROUBLE DIAGNOSES FOR NON-DETECTABLE ITEMS
EC-188