CITROEN JUMPER 2017 Kasutusjuhend (in Estonian)
Manufacturer: CITROEN, Model Year: 2017, Model line: JUMPER, Model: CITROEN JUMPER 2017Pages: 292, PDF Size: 9.03 MB
Page 211 of 292

209
Jumper_et_Chap10_Particularites_ed01-2016
● Veenduge, et kasti tühjendamise ajal keegi või miski seda ei takistaks (maapinnal ja kõrgemal).
●
Ärge jätke kunagi kasti ülestõstetud asendisse, kui te seda ei
kasuta.
●
Kasti liigutamise ajal peab tagumise redeli ülaosa olema
lukustatud.
●
Pidage kinni sõiduki tühimassi sildil olevast kandevõimest.
●
Kontrollige regulaarselt, kas vedrustus on korras ja rehvirõhk
vastab soovitatud rõhule.
●
Jaotage koormus kastis ühtlaselt.
●
T
ransportige tooteid, mis on ühtlased ja mida on lihtne jaotada.
OhutuSjuhiSeD
Tühjendage kasti tasasel ja kõval pinnal : kaldus
või liikuv pind võib põhjustada raskuskeskme
nihkumist ja mõjutada sõiduki stabiilsust.
●
Ärge kunagi sõitke ülestõstetud kastiga, isegi madalal kiirusel
.
ERIOMADUSED
Kast
10
Page 212 of 292

210
Jumper_et_Chap10_Particularites_ed01-2016
OMaDuSeD
VarustusDetailid
Kast Kasti põhjas on kaks tugevast terasest plaati paksusega 2,5
mm, mis on kaetud tsingiga ning
keskelt ja külgedelt laserkeevitatud.
Kast on kerevärvi.
Kasti konstruktsioon 2
tugevast galvaniseeritud terasest pikitala.
1
terastoru amordi ülaosas.
Tugevast galvaniseeritud terasest põiktalad. Selline konstruktsioon on\
kaitstud rooste eest
pulbervärviga.
a
biraam 2
"C" pikitala tugevast terasest paksusega 2,5 mm, sisemine tosestus laiendatud tiiva allosa poolt.
Kinnitatud sõiduki külge tugevast terasest konsoolidega.
1
plekist põiktala amordi allosas, keevitatud toru, kuumgalvaniseeritud\
.
1
liigendi tagumine põiktala galvaniseeritud plekist.
Toed pikitalade otstes.
Tagatulede kaitsevõre.
Jalgratturikaitse ja tiivatoed galvaniseeritud plekist.
Kasti küljed Tugevast terasest kasti küljed paksusega 15/10, külmprofileeritud, \
kinnitatud laser-joonkeevitusega.
Pulbervärvimine tagab roostekaitse. Kasti külje õõnsustes on\
tugevdatud tsingitud lukustushoovad.
Kasti ääre süvendisse integreeritud tugevdatud tsingitud lukust\
uskäepidemed.
Redelihoidja Galvaniseeritud plekist postid. Paneelid ja põiktalad lakitud plekist\
koos poltidega.
e
lektriline pumbasüsteem 12
Volti / 2 kW
Töötemperatuur : -20
kuni +70°C.
h
üdraulika amort Paisumisel, nitreeritud varras, 3
korpust, diam : 107 mm
Maksimumrõhk : 20
baari.
h
üdraulikaõli ISO HV 46
või sarnaste omadustega mineraalõli.
Kast
Page 213 of 292

2 11
Jumper_et_Chap10_Particularites_ed01-2016
Kast (mm)
Kasutatav pikkus3 200
Kogupikkus 3 248
Kasutatav laius 2 000
Kogulaius 2 100
Kasti külgede kõrgus 350
Ümberehitusmass (kg) 550
MÕÕtMeD
See adaptatsioon kehtib ainult tavalise kabiiniga L2 versioonide puhul, kasti andmed leiate allolevast tabelist.
L2 šassii andmed leiate madelauto teemast "Mõõtmed".
ERIOMADUSED
Kast
10
Page 214 of 292

212
Jumper_et_Chap10_Particularites_ed01-2016
MaSSiD ja PuKSeeRitaVaD KOORM u S e D ( KG )
Täpsemat informatsiooni leiate sõiduki registreerimistunnistusest.\
Igas riigis tuleb täita kohalikke pukseeritavate koormuste kohta
kehtivaid seadusi. Oma sõiduki pukseerimisvõimaluste ja lubatud
täismassiga tutvumiseks pöörduge müügivõrku.
Pukseeriva sõiduki lubatud kiirus on väiksem (vastavalt antud rii\
gis
kehtivale seadusele).
Piduritega haagise massi võib registrimassi piires tõsta juhul,
kui vähendada samavõrra pukseeriva sõiduki koormust ; vähe
koormatud pukseeriv sõiduk võib nõrgendada teelpüsivust.
Käesolevas tabelis antud täismass ja haagise lubatud massid
kehtivad kõrgusel kuni 1 000
meetrit merepinnast ; iga lisanduva
1
000 meetri kohta tuleb haagise massi 10 % vähendada.
Väga kõrge välistemperatuuri korral võib sõiduki võims\
us mootori
kaitsmiseks väheneda ; kui välistemperatuur on üle 37
°C, piirake
haagise koormust.
Sõiduki mass (MOM) tähendab tühimass + juht (75
kg) + 90 % täis
kütusepaak.Enne pukseerimist kontrollige, et :
- kuulpeale mõjuv
vertikaaljõud ei oleks
suurem, kui haagise sildil
oleva tühimass (S),
-
pukseeritav mass (M.R)
oleks väiksem haagise
sildil olevast tühimassist
ja täismass (P.T.A.C.) ei
ületa sõiduki sildil olevat
tühimassi.
-
järelkäru korral ei tohi
registrimass (P.T.R.A.)
ületada sõiduki sildil olevat
tühimassi.
Üldandmed
Kast
Page 215 of 292

213
Jumper_et_Chap10_Particularites_ed01-2016
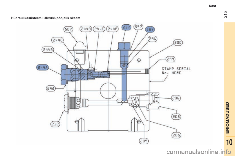
hÜDRauLiKaSÜSteeM
Neid ettevaatusabinõusid tuleb rakendada alati, kui
hüdraulikasüsteemi juures töid teostate.
●
Kasti all tööde teostamise ajaks viige toestage kast tugivardag
a
(kasti põhjas punase noolega näidatud asend).
●
Ärge tehke kunagi töid toestamata kasti all.
●
Lülitage süsteemi elektritoide katkesti abil välja.
●
Sõiduk peab seisma, mootor peab olema välja lülitatud.T
urvalisuse tagamiseks ei tohi teostada kasti all töid kasti
liikumise või hooldustööde ajal.
ERIOMADUSED
Kast
10
Page 216 of 292

214
Jumper_et_Chap10_Particularites_ed01-2016
hOOLDuS
Paak
Kontrollige ja reguleerige õlitaset regulaarselt. Vahetage õli kord
aastas. Kui õli sisaldab vett, vahetage õli välja.
Kontrollige regulaarselt vooliku seisukorda ja hüdraulikasüsteemi
hermeetilisust.
Pump ja mootor
Ei vaja hooldust, kuullaagrid on määritud eluajaks ja pumba laagre\
id
määrib pumbatav õli.
Määrimine
Kasti ja amordi vardad ei sisalda määrimissüsteemi. Määri\
ge
regulaarselt kasti külgede hingi ja käepidemeid ning tagumise sein\
a
konkse.
abiraam ja kast
Maksimaalse vastupidavuse tagamiseks soovitame kasti sageli
voolikuga pesta.
Tehke värviparandusi võimalikult kiiresti, et vältiga rooste lev\
ikut.Kui olete sõidukit 8
kuud kasutanud, kontrollige raami ja põhja
ühendusi (olenevalt tootja soovitustest).
Klapivarda puhastamine
● Vabastage kork 244 a , olles ettevaatlik kuuliga ja hoidke kork
alles.
●
Keerake kruvikeeraja abil lahti padrunpeapolt / kolb.
●
Kontrollige kolvi liikumist ja eemaldage mustus. Metallitolmu
korral kasutage magnetit.
●
Paigaldage komponendid tagasi ja veenduge, et kolb liigub
korralikult. Tagasiasetamiseks hoidke määritud kuuli korgil.
●
Tühjendage hüdraulikasüsteem.
hüdraulikasüsteemi tühjendamine
● Võtke lahti kuuskantkruvi 257.
●
Keerake sisemine kruvi
587
pool pööret lahti, kasutades 6
mm
kuuskantvõtit.
●
Laske hüdraulikasüsteemil mõnda aega töötada, vajutades kasti
tõstmise nupule.
●
Kast ei tõuse või tõuseb väga aeglaselt. Kui õli sellest avast
välja ei voola, on süsteem tühjendatud.
●
Keerake kruvi
587
kinni ja paigaldage kork
257, kontrollige, kas
kast laskub korralikult alla.
Kast
Page 217 of 292

215
Jumper_et_Chap10_Particularites_ed01-2016
hüdraulikasüsteemi uD2386 põhjalik skeem
ERIOMADUSED
Kast
10
Page 218 of 292

216
Jumper_et_Chap10_Particularites_ed01-2016
DiaGNOStiKa
Sümptomidelekterh üdraulikaÜlevaatus / Kontrollimine
Hüdraulikasüsteem ei
tööta. X
Toitejuhe ja süsteemi relee.
X Juhe (plokk).
X Katkesti.
Süsteem teeb müra,
kast tõuseb aeglaselt. X
Sissevõtu sõel on ummistunud või paagi põhjas purunenud.
Uus süsteem teeb
suurt müra, kast tõuseb
kiiresti. X
Pumba asend, vahetage süsteem välja.
Amort laskub
iseenesest. X
Allalaskmise klapp on purunenud või blokeerunud.
Amort ei lasku. X
Jah, kontrollige klapivart ja vahetage õli.
Vt. teema "Hooldus".
X Ei, kontrollige pooli ja klapi elektriühendusi.
X Ei, vahetage elektromagnetklapp välja.
X Ei, kontrollige amordi asendit.
Kast
Page 219 of 292

217
Jumper_et_Chap10_Particularites_ed01-2016
Sümptomidelekterh üdraulikaÜlevaatus / Kontrollimine
Süsteem töötab, aga
rõhk ei tõuse. X
Klapi vars on blokeerunud, kui süsteemis ei ole elektromagnetklappi.
Vt. teema "Hooldus".
X Rõhu piiraja, seadistus, mustus.
X Pumba tihend ei toimi.
X Mootori / pumba ühendus.
X Pump on aluse küljest lahti tulnud.
Hüdraulikasüsteem ei
tööta. XElektromagnetklapp on blokeerunud, vahetage see välja või keerake
sõela taga olev mutter kinni.
Plokk ei tööta. XKontrollige ühendusi ja kontakte.
Emulsioon paagis. X
Tagasivoolutoru on vales asendis.
X Õlitase on liiga madal.
Õli ülevool õhutusava
kaudu. X
Õli on liiga palju.
X Õhutusava membraani tolerants on natuke liiga lai, vahetage välja.\
Kehtib ainult UD2386
süsteemide puhul.
Kasti allalaskmisel
põleb kaitse läbi. X
Vahetage allalaskmise pool välja.
ERIOMADUSED
Kast
10
Page 220 of 292

218
Jumper_et_Chap10_Particularites_ed01-2016