INFINITI FX35 2004 Service Manual

INFINITI FX35 2004 Service Manual FX35 2004 INFINITI INFINITI https://www.carmanualsonline.info/img/42/57021/w960_57021-0.png INFINITI FX35 2004 Service Manual
Trending: battery schematic, fuse diagram, lights, tank, Engine power steering, tow bar, Door lock control unit

Page 1271 of 4449

INFINITI FX35 2004  Service Manual DI-28
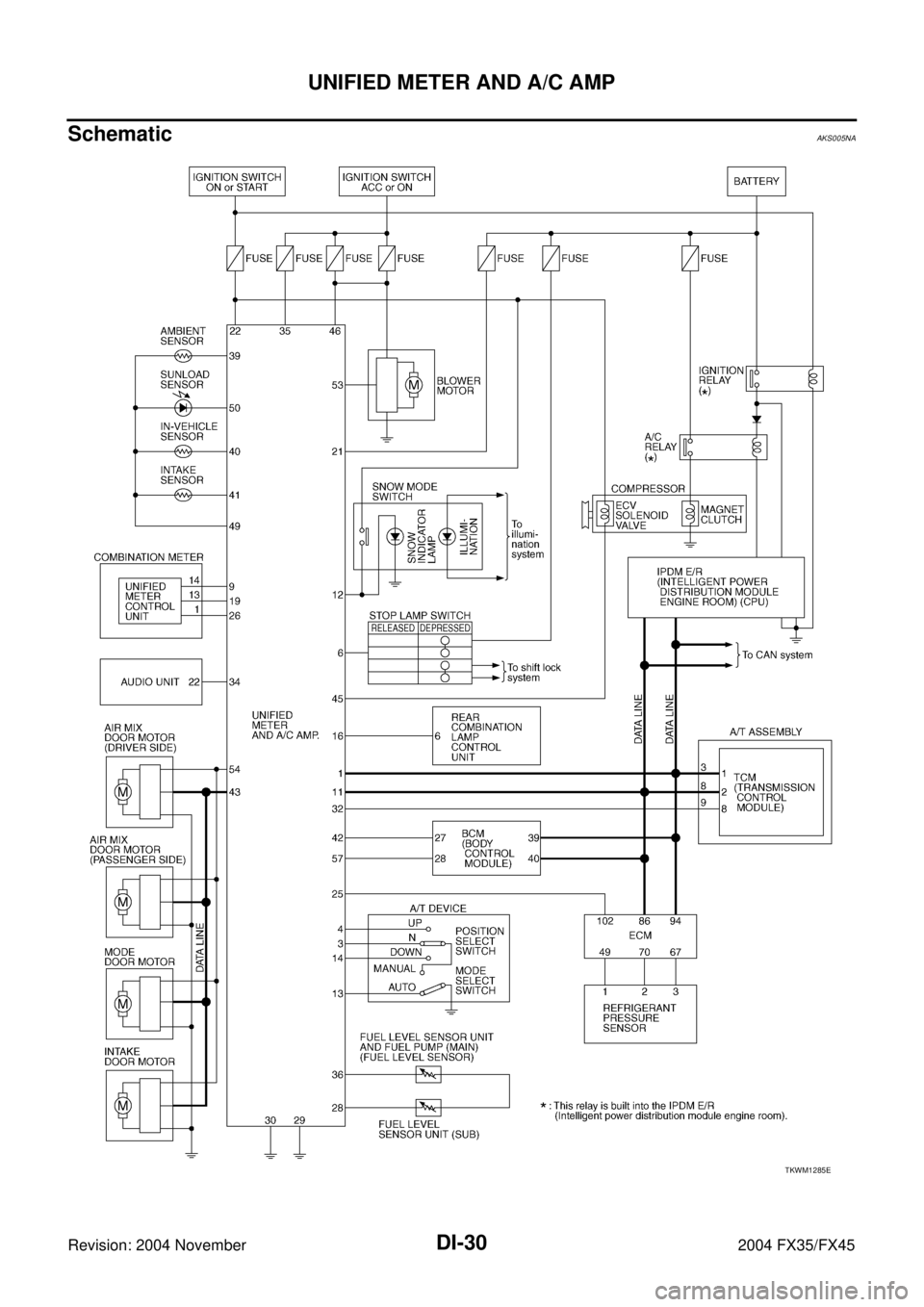
UNIFIED METER AND A/C AMP
Revision: 2004 November 2004 FX35/FX45
UNIFIED METER AND A/C AMPPFP:27760
System DescriptionAKS005N8
For the unified meter and A/C amp., the signal required for contro

Page 1272 of 4449

INFINITI FX35 2004  Service Manual UNIFIED METER AND A/C AMP
DI-29
C
D
E
F
G
H
I
J
L
MA
B
DI
Revision: 2004 November 2004 FX35/FX45
FA I L - S A F E
Solution When Communication Error Between the Unified Meter & A/C Amp. and the Combi-

Page 1273 of 4449

INFINITI FX35 2004  Service Manual DI-30
UNIFIED METER AND A/C AMP
Revision: 2004 November 2004 FX35/FX45
SchematicAKS005NA
TKWM1285E

Page 1274 of 4449

INFINITI FX35 2004  Service Manual UNIFIED METER AND A/C AMP
DI-31
C
D
E
F
G
H
I
J
L
MA
B
DI
Revision: 2004 November 2004 FX35/FX45
CONSULT-II FunctionAKS005NB
CONSULT-II performs the following functions communicating with the unified

Page 1275 of 4449

INFINITI FX35 2004  Service Manual DI-32
UNIFIED METER AND A/C AMP
Revision: 2004 November 2004 FX35/FX45
SELF-DIAGNOSTIC RESULTS
Operation Procedure
1. Touch “SELF-DIAG RESULTS” on “SELECT DIAG MODE” screen.
2. Self-diagnosis

Page 1276 of 4449

INFINITI FX35 2004  Service Manual UNIFIED METER AND A/C AMP
DI-33
C
D
E
F
G
H
I
J
L
MA
B
DI
Revision: 2004 November 2004 FX35/FX45
4. Touch “START”.
5. Touch “RECORD” while monitoring, then the status of the moni-
tored item c

Page 1277 of 4449

INFINITI FX35 2004  Service Manual DI-34
UNIFIED METER AND A/C AMP
Revision: 2004 November 2004 FX35/FX45
NOTE:
Any monitored item that does not match the vehicle being diagnosed is deleted from the display automatically.
*: Monitor ke

Page 1278 of 4449

INFINITI FX35 2004  Service Manual COMPASS
DI-35
C
D
E
F
G
H
I
J
L
MA
B
DI
Revision: 2004 November 2004 FX35/FX45
COMPASSPFP:24835
System DescriptionAKS007AO
This unit displays earth magnetism and heading direction of vehicle.
DIRECTIO

Page 1279 of 4449

INFINITI FX35 2004  Service Manual DI-36
COMPASS
Revision: 2004 November 2004 FX35/FX45
“C” is Displayed in the Compass Window.
The compass needs to be calibrated. Drive the vehicle in 3 circles at
8km/h (5 MPH) or less until the d

Page 1280 of 4449

INFINITI FX35 2004  Service Manual COMPASS
DI-37
C
D
E
F
G
H
I
J
L
MA
B
DI
Revision: 2004 November 2004 FX35/FX45
Wiring Diagram – COMPAS –AKS007AP
TKWM0683E
Trending: diagnostic menu, exh, window wiring, CD player, CD changer, headlights, check engine light