INFINITI FX35 2004 Service Manual
Manufacturer: INFINITI, Model Year: 2004, Model line: FX35, Model: INFINITI FX35 2004Pages: 4449, PDF Size: 99.66 MB
Page 1251 of 4449

DI-8
COMBINATION METERS
Revision: 2004 November 2004 FX35/FX45
Circuit DiagramAKS005MK
TKWM1052E
Page 1252 of 4449

COMBINATION METERS
DI-9
C
D
E
F
G
H
I
J
L
MA
B
DI
Revision: 2004 November 2004 FX35/FX45
Wiring Diagram — METER —AKS005ML
TKWH0238E
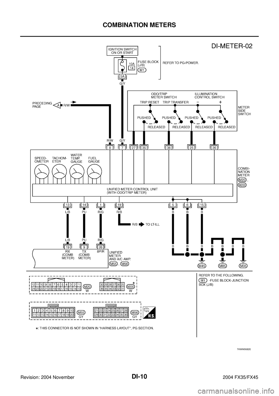
Page 1253 of 4449

DI-10
COMBINATION METERS
Revision: 2004 November 2004 FX35/FX45
TKWM0682E
Page 1254 of 4449

COMBINATION METERS
DI-11
C
D
E
F
G
H
I
J
L
MA
B
DI
Revision: 2004 November 2004 FX35/FX45
Terminals and Reference Value for Combination MeterAKS005MM
Te r m i n a l
No.Wire
colorItemCondition
Reference value
Ignition
switchOperation or condition
1R/GVehicle speed signal
(8-pulse)ONSpeedometer operated
[When vehicle speed is
approx. 40 km/h (25 MPH)]
5 B Ground ON — Approx. 0V
6 B Ground ON — Approx. 0V
7 G/Y Ignition switch ON or START ON — Battery voltage
8 R/W Battery power supply OFF — Battery voltage
13 L/BTX communication line (To
unified meter and A/C amp.)ON —
14 PURX communication line (From
unified meter and A/C amp.)ON —
15 B Ground ON — Approx. 0V
19 R/B Illumination signal ONLighting switch ON, then oper-
ate the illumination control
switch.
midway.
Lighting switch OFF Approx. 0V
25 — Illumination control switch (-) OFFIllumination control switch (-) is
pushed.Approx. 0V
Illumination control switch (-) is
released.Approx. 5V
26 — Illumination control switch (+) OFFIllumination control switch (+)
is pushed.Approx. 0V
Illumination control switch (+)
is released.Approx. 5V
27 —Odo/trip meter and illumina-
tion control switch groundOFF — Approx. 0V
35 — Trip reset switch OFFTrip reset switch is pushed Approx. 0V
Trip reset switch is released Approx. 5V
PKIA1935E
SKIA3361E
SKIA3362E
SKIA8970E
Page 1255 of 4449

DI-12
COMBINATION METERS
Revision: 2004 November 2004 FX35/FX45
Terminals and Reference Value for Unified Meter and A/C Amp.AKS005MN
Meter/Gauge Operation and Odo/Trip MeterAKS005MO
SELF-DIAGNOSIS FUNCTION
Odo/trip meter segment, A/T indicator segment and ICC system display segment operation can be
checked in self-diagnosis mode.
Meters/gauges can be checked in self-diagnosis mode.
HOW TO ALTERNATE DIAGNOSIS MODE
1. Turn ignition switch ON, and switch the odo/trip meter to “trip A” or “trip B”.
NOTE:
If the diagnosis function is activated with the trip meter A displayed, the mileage on the trip meter A will
indicate 0000.0, but the actual trip mileage will be retained. (Trip B operates the same way.)
2. Turn ignition switch OFF.
36 — Trip transfer switch OFFTrip transfer switch is pushed Approx. 0V
Trip transfer switch is released Approx. 5V Terminal
No.Wire
colorItemCondition
Reference value
Ignition
switchOperation or condition
Terminal
No.Wire
colorItemCondition
Reference value
Ignition
switchOperation or condition
1 L CAN H — — —
9PUTX communication line (To
combination meter)ON —
11 R C A N L — — —
19 L/BRX communication line (From
combination meter)ON —
21 R/W Battery power supply OFF — Battery voltage
22 G/R Ignition switch ON or START ON — Battery voltage
26 R/GVehicle speed signal
(8-pulse)ONSpeedometer operated
[When vehicle speed is
approx. 40 km/h (25 MPH)]
28 W/B Fuel level sensor signal — —Refer to DI-25, "
CHECK FUEL
LEVEL SENSOR UNIT" .
29 B Ground (for power) ON — Approx. 0V
30 B Ground ON — Approx. 0V
36 B/W Fuel level sensor ground ON — Approx. 0V
46 L/W Ignition switch ACC or ON ACC — Battery voltage
SKIA3362E
SKIA3361E
PKIA1935E
Page 1256 of 4449

COMBINATION METERS
DI-13
C
D
E
F
G
H
I
J
L
MA
B
DI
Revision: 2004 November 2004 FX35/FX45
3. Turn ignition switch ON while pressing trip transfer switch and
trip reset switch at the same time.
4. After ignition switch is turned ON, release trip transfer switch
and trip reset switch. (With 7 seconds after the ignition switch is
turned ON.)
5. All the segments on the odo/trip meter, A/T indicator and ICC
system display illuminates, and simultaneously the low-fuel
warning lamp indicator illuminates. At this time, the unified meter
control unit is turned to diagnosis mode.
NOTE:
If any of the segments is not displayed, replace combination
meter.
6. Push the odo/trip meter switch. Each meter/gauge should indi-
cate as shown in the figure while pushing odo/trip meter switch.
(At this time, the low-fuel warning lamp goes off.)
CONSULT-II FunctionAKS005MP
Refer to DI-31, "CONSULT-II Function" in “UNIFIED METER AND A/C AMP”.
How to Proceed With Trouble DiagnosisAKS005MQ
1. Confirm the symptom or customer complaint.
2. Perform diagnosis according to diagnosis flow. Refer to DI-13, "
Diagnosis Flow" .
3. According to the symptom chart, repair or replace the cause of the symptom.
4. Does the meter operate normally? If so, go to 5. If not, go to 2.
5. INSPECTION END
Diagnosis FlowAKS005MR
1. CHECK SELF-DIAGNOSTIC RESULTS OF UNIFIED METER AND A/C AMP.
1. Start engine.
2. Select “METER A/C AMP” on CONSULT-II, and perform self-diagnosis of unified meter and A/C amp.
Refer to DI-31, "
CONSULT-II Function" .
3. After erasing the self-diagnostic results, perform self-diagnosis again.
Self-diagnostic results content
No malfunction detected>>GO TO 2.
Malfunction detected>> Go to DI-16, "
Symptom Chart 2" .
SKIA4817E
SKIA6170E
SKIA4831E
Page 1257 of 4449

DI-14
COMBINATION METERS
Revision: 2004 November 2004 FX35/FX45
2. CHECK WARNING LAMP ILLUMINATION
Turn ignition switch ON. (Engine stopped)
Do warning lamps (such as malfunction indicator lamp and oil pressure warning lamp) illuminate?
YES >> GO TO 3.
NO >> Check ignition power supply system of combination meter. Refer to DI-15, "
Power Supply and
Ground Circuit Inspection" .
3. CHECK SELF-DIAGNOSIS OPERATION OF COMBINATION METER
Perform combination meter self-diagnosis. Refer to DI-12, "
SELF-DIAGNOSIS FUNCTION" .
Does self-diagnosis function operate?
YES >> GO TO 4.
NO >> Check battery power supply of combination meter and ground system. Refer to DI-15, "
Power
Supply and Ground Circuit Inspection" .
4. CHECK ODO/TRIP METER OPERATION
Check odo/trip meter segment, A/T indicator or ICC system display segment.
Do all segments illuminate?
YES >> GO TO 5.
NO >> Replace combination meter.
5. CHECK LOW-FUEL WARNING LAMP ILLUMINATION CONFIRMATION
During low-fuel warning lamp check, confirm illumination of low-fuel warning lamp.
OK or NG
OK >> GO TO 6.
NG >> Replace combination meter.
6. CHECK COMBINATION METER CIRCUIT
Check indication of each meter/gauge in self-diagnosis mode.
OK or NG
OK >> Go to DI-16, "Symptom Chart 1" .
NG >> Replace combination meter.
SKIA6170E
Condition of odo/trip meter switch Low-fuel warning lamp
Pushed Does not illuminate.
Released Illuminates.
SKIA4831E
Page 1258 of 4449

COMBINATION METERS
DI-15
C
D
E
F
G
H
I
J
L
MA
B
DI
Revision: 2004 November 2004 FX35/FX45
Power Supply and Ground Circuit InspectionAKS005MS
1. CHECK FUSE
Check for blown combination meter and unified meter and A/C amp. fuses.
Refer to DI-9, "Wiring Diagram — METER —" .
OK or NG
OK >> GO TO 2.
NG >> If fuse is blown, be sure to eliminate cause of malfunction before installing new fuse. Refer to PG-
3, "POWER SUPPLY ROUTING CIRCUIT" .
2. CHECK POWER SUPPLY CIRCUIT
1. Disconnect the combination meter connector and the unified meter and A/C amp. connector.
2. Check voltage between combination meter harness connector
terminals and ground.
3. Check voltage between unified meter and A/C amp. harness
connector terminals and ground.
OK or NG
OK >> GO TO 3.
NG >> Check the following.
Harness for open between combination meter and fuse
Harness for open between unified meter and A/C amp. and fuse
Unit Power source Fuse No.
Combination meter
Battery 19
Unified meter and A/C amp.
Unified meter and A/C amp Ignition switch ACC or ON 10, 11
Combination meter Ignition switch ON or START 14
Unified meter and A/C amp. Ignition switch ON or START 12
Terminals Ignition switch position
(+)
(–) OFF ON
ConnectorTe r m i n a l
(Wire color)
M208 (R/W)
GroundBattery voltage Battery voltage
7 (G/Y) 0V Battery voltage
SKIA4832E
Terminals Ignition switch position
(+)
(–) OFF ACC ON
ConnectorTerminal
(Wire color)
M5621 (R/W)
GroundBattery
voltageBattery
voltageBattery
voltage
22 (G/R) 0V 0VBattery
voltage
M57 46 (L/W) 0VBattery
voltageBattery
voltage
SKIA5201E
Page 1259 of 4449

DI-16
COMBINATION METERS
Revision: 2004 November 2004 FX35/FX45
3. CHECK GROUND CIRCUIT
1. Turn ignition switch OFF.
2. Check continuity between combination meter harness connector
terminals and ground.
3. Check continuity between unified meter and A/C amp. harness
connector terminals and ground.
OK or NG
OK >> INSPECTION END
NG >> Repair harness or connector.
Symptom Chart 1 AKS005MT
Symptom Chart 2AKS005MU
Terminals
Continuity (+)
(–)
ConnectorTerminal
(Wire color)
M205 (B)
Ground Yes 6 (B)
15 (B)
SKIA4833E
Terminals
Continuity (+)
(–)
ConnectorTerminal
(Wire color)
M5629 (B)
Ground Yes
30 (B)
SKIA5202E
Trouble phenomenon Possible cause
Indication is irregular for the speedometer and odo/trip meter. Refer to DI-17, "
Vehicle Speed Signal Inspection" .
Tachometer indication is malfunction. Refer to DI-18, "
Engine Speed Signal Inspection" .
Water temperature gauge indication is malfunction. Refer to DI-19, "
Water Temperature Signal Inspection" .
Fuel gauge indication is malfunction. Refer to DI-20, "
Fuel Level Sensor Signal Inspection 1" .
Low-fuel warning lamp indication is irregular. Refer to DI-21, "
Fuel Level Sensor Signal Inspection 2" .
Indications are irregular for more than one gauge. Replace combination meter.
A/T position indicator is malfunction. Refer to DI-53, "
A/T Indicator Is Malfunction" .
Illumination control does not operate.Refer to DI-24, "
Odo/Trip Meter and Illumination Control Switch
Inspection" .
Displayed item [Code] Inspection contents Possible cause
CAN COMM CIRC [U1000] Inspect the CAN communication.Refer to DI-22, "
CAN Communication System Inspection" .
CAUTION:
Even when there is no malfunction on CAN communica-
tion system, malfunction may be misinterpreted when bat-
tery has low voltage (when maintaining 7-8V for about 2
seconds) or 10A fuse [No. 19, located in the fuse block (J/
B)] is disconnected.
Page 1260 of 4449

COMBINATION METERS
DI-17
C
D
E
F
G
H
I
J
L
MA
B
DI
Revision: 2004 November 2004 FX35/FX45
Vehicle Speed Signal InspectionAKS005MV
1. CHECK ABS ACTUATOR AND ELECTRIC UNIT (CONTROL UNIT) SELF-DIAGNOSIS
Preform the ABS actuator and electric unit (control unit) self-diagnosis. Refer to BRC-25, "
CONSULT-II Func-
tions" .
OK or NG
OK >> GO TO 2.
NG >> Check the applicable parts.
2. CHECK UNIFIED METER AND A/C AMP. OUTPUT SIGNAL
1. Start engine and drive vehicle at approximately 40 km/h (25 MPH).
2. Check voltage signal between combination meter harness con-
nector M20 terminal 1 (R/G) and ground with simple oscillo-
scope of CONSULT-II.
OK or NG
OK >> Replace combination meter.
NG >> GO TO 3.
3. CHECK VOLTAGE OF COMBINATION METER
1. Turn ignition switch OFF.
2. Disconnect unified meter and A/C amp. connector and display control unit connector (with navigation sys-
tem) or display unit connector (without navigation system).
3. Turn ignition switch ON.
4. Check voltage between combination meter harness connector
M20 terminal 1 (R/G) and ground.
OK or NG
OK >> GO TO 4.
NG >> Replace combination meter.
METER COMM CIRC [B2202]Inspect the communication line
between combination meter and
unified meter and A/C amp.Refer to DI-22, "Communication Line Inspection" .
VEHICLE SPEED CIRC [B2205]Inspect the vehicle speed input
signal.Perform the ABS actuator and electric unit (control unit) self-
diagnosis. Refer to BRC-25, "
CONSULT-II Functions" .
CAUTION:
Even when there is no malfunction on speed signal sys-
tem, malfunction may be misinterpreted when battery has
low voltage (when maintaining 7-8V for about 2 seconds). Displayed item [Code] Inspection contents Possible cause
1 (R/G) - Ground:
SKIA4889EPKIA1935E
Approx. 12V
SKIA6730E