INFINITI FX35 2008 Service Manual
Manufacturer: INFINITI, Model Year: 2008, Model line: FX35, Model: INFINITI FX35 2008Pages: 3924, PDF Size: 81.37 MB
Page 1921 of 3924
![INFINITI FX35 2008 Service Manual
TROUBLE DIAGNOSISEC-681
< SERVICE INFORMATION > [VK45DE]
C
D
E
F
G H
I
J
K L
M A
EC
NP
O
: Vehicle front
1. Fuel pump fuse 2. IPDM E/R 3. ICC brake hold relay (ICC models only)
4. Crankshaft position INFINITI FX35 2008 Service Manual
TROUBLE DIAGNOSISEC-681
< SERVICE INFORMATION > [VK45DE]
C
D
E
F
G H
I
J
K L
M A
EC
NP
O
: Vehicle front
1. Fuel pump fuse 2. IPDM E/R 3. ICC brake hold relay (ICC models only)
4. Crankshaft position](/img/42/57017/w960_57017-1920.png)
TROUBLE DIAGNOSISEC-681
< SERVICE INFORMATION > [VK45DE]
C
D
E
F
G H
I
J
K L
M A
EC
NP
O
: Vehicle front
1. Fuel pump fuse 2. IPDM E/R 3. ICC brake hold relay (ICC models only)
4. Crankshaft position sensor (POS) 5. Power steering pressure sensor 6. EVAP canister vent control valve
7. EVAP canister 8. EVAP control system pressure sensor
PBIB3228E
3AA93ABC3ACD3AC03ACA3AC03AC63AC53A913A773A893A873A873A8E3A773A983AC73AC93AC03AC3
3A893A873A873A8F3A773A9D3AAF3A8A3A8C3A863A9D3AAF3A8B3A8C
Page 1922 of 3924
![INFINITI FX35 2008 Service Manual
EC-682
< SERVICE INFORMATION >[VK45DE]
TROUBLE DIAGNOSIS
PBIB2710E
: Vehicle front
1. Air fuel ratio (A/F) sensor 1 (Bank 1) 2. Heated oxygen sensor 2 (Bank 1) 3. Heated oxygen sensor 2 (Bank 1) harn INFINITI FX35 2008 Service Manual
EC-682
< SERVICE INFORMATION >[VK45DE]
TROUBLE DIAGNOSIS
PBIB2710E
: Vehicle front
1. Air fuel ratio (A/F) sensor 1 (Bank 1) 2. Heated oxygen sensor 2 (Bank 1) 3. Heated oxygen sensor 2 (Bank 1) harn](/img/42/57017/w960_57017-1921.png)
EC-682
< SERVICE INFORMATION >[VK45DE]
TROUBLE DIAGNOSIS
PBIB2710E
: Vehicle front
1. Air fuel ratio (A/F) sensor 1 (Bank 1) 2. Heated oxygen sensor 2 (Bank 1) 3. Heated oxygen sensor 2 (Bank 1) harness connector
4. Heated oxygen sensor 2 (Bank 2) harness connector 5. Heated oxygen sensor 2 (Bank 2) 6. Air fuel ratio (A/F) sensor 1 (Bank 2)
PBIB3239E
3AA93ABC3ACD3AC03ACA3AC03AC63AC53A913A773A893A873A873A8E3A773A983AC73AC93AC03AC3
3A893A873A873A8F3A773A9D3AAF3A8A3A8C3A863A9D3AAF3A8B3A8C
Page 1923 of 3924
![INFINITI FX35 2008 Service Manual
TROUBLE DIAGNOSISEC-683
< SERVICE INFORMATION > [VK45DE]
C
D
E
F
G H
I
J
K L
M A
EC
NP
O
1. ECM 2. Accelerator pedal position sensor 3. Stop lamp switch
4. ICC brake switch
(models with ICC)
ASCD bra INFINITI FX35 2008 Service Manual
TROUBLE DIAGNOSISEC-683
< SERVICE INFORMATION > [VK45DE]
C
D
E
F
G H
I
J
K L
M A
EC
NP
O
1. ECM 2. Accelerator pedal position sensor 3. Stop lamp switch
4. ICC brake switch
(models with ICC)
ASCD bra](/img/42/57017/w960_57017-1922.png)
TROUBLE DIAGNOSISEC-683
< SERVICE INFORMATION > [VK45DE]
C
D
E
F
G H
I
J
K L
M A
EC
NP
O
1. ECM 2. Accelerator pedal position sensor 3. Stop lamp switch
4. ICC brake switch
(models with ICC)
ASCD brake switch
(models with ASCD) 5. Fuel level sensor unit and fuel pump
harness connector 6. ICC steering switch
(models with ICC)
ASCD steering switch
(models with ASCD)
7. MAIN switch 8. DISTANCE switch (ICC models only)9. CANCEL switch
10. SET/COAST switch 11. RESUME/ACCELERATE switch
PBIB3229E
3AA93ABC3ACD3AC03ACA3AC03AC63AC53A913A773A893A873A873A8E3A773A983AC73AC93AC03AC3
3A893A873A873A8F3A773A9D3AAF3A8A3A8C3A863A9D3AAF3A8B3A8C
Page 1924 of 3924
![INFINITI FX35 2008 Service Manual
EC-684
< SERVICE INFORMATION >[VK45DE]
TROUBLE DIAGNOSIS
Vacuum Hose Drawing
INFOID:0000000001326528
Refer to EC-609, "Schematic" for Vacuum Control System.
: Vehicle front : To EVAP canister purge INFINITI FX35 2008 Service Manual
EC-684
< SERVICE INFORMATION >[VK45DE]
TROUBLE DIAGNOSIS
Vacuum Hose Drawing
INFOID:0000000001326528
Refer to EC-609, "Schematic" for Vacuum Control System.
: Vehicle front : To EVAP canister purge](/img/42/57017/w960_57017-1923.png)
EC-684
< SERVICE INFORMATION >[VK45DE]
TROUBLE DIAGNOSIS
Vacuum Hose Drawing
INFOID:0000000001326528
Refer to EC-609, "Schematic" for Vacuum Control System.
: Vehicle front : To EVAP canister purge volume control solenoid valve
1. Intake manifold collector 2. Vacuum tank 3. VIAS control solenoid valve
4. Power valve actuator
NOTE:
Do not use soapy water or any type of solvent while installing vacuum hoses or purge hoses.
PBIB3222E
3AA93ABC3ACD3AC03ACA3AC03AC63AC53A913A773A893A873A873A8E3A773A983AC73AC93AC03AC3
3A893A873A873A8F3A773A9D3AAF3A8A3A8C3A863A9D3AAF3A8B3A8C
Page 1925 of 3924
![INFINITI FX35 2008 Service Manual
TROUBLE DIAGNOSISEC-685
< SERVICE INFORMATION > [VK45DE]
C
D
E
F
G H
I
J
K L
M A
EC
NP
O
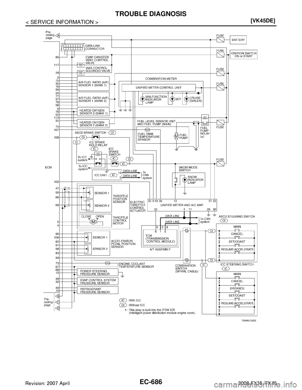
Circuit DiagramINFOID:0000000001326529
TBWM1319E
3AA93ABC3ACD3AC03ACA3AC03AC63AC53A913A773A893A873A873A8E3A773 INFINITI FX35 2008 Service Manual
TROUBLE DIAGNOSISEC-685
< SERVICE INFORMATION > [VK45DE]
C
D
E
F
G H
I
J
K L
M A
EC
NP
O
Circuit DiagramINFOID:0000000001326529
TBWM1319E
3AA93ABC3ACD3AC03ACA3AC03AC63AC53A913A773A893A873A873A8E3A773](/img/42/57017/w960_57017-1924.png)
TROUBLE DIAGNOSISEC-685
< SERVICE INFORMATION > [VK45DE]
C
D
E
F
G H
I
J
K L
M A
EC
NP
O
Circuit DiagramINFOID:0000000001326529
TBWM1319E
3AA93ABC3ACD3AC03ACA3AC03AC63AC53A913A773A893A873A873A8E3A773A983AC73AC93AC03AC3
3A893A873A873A8F3A773A9D3AAF3A8A3A8C3A863A9D3AAF3A8B3A8C
Page 1926 of 3924
![INFINITI FX35 2008 Service Manual
EC-686
< SERVICE INFORMATION >[VK45DE]
TROUBLE DIAGNOSIS
TBWM1320E
3AA93ABC3ACD3AC03ACA3AC03AC63AC53A913A773A893A873A873A8E3A773A983AC73AC93AC03AC3
3A893A873A873A8F3A773A9D3AAF3A8A3A8C3A863A9D3AAF3A INFINITI FX35 2008 Service Manual
EC-686
< SERVICE INFORMATION >[VK45DE]
TROUBLE DIAGNOSIS
TBWM1320E
3AA93ABC3ACD3AC03ACA3AC03AC63AC53A913A773A893A873A873A8E3A773A983AC73AC93AC03AC3
3A893A873A873A8F3A773A9D3AAF3A8A3A8C3A863A9D3AAF3A](/img/42/57017/w960_57017-1925.png)
EC-686
< SERVICE INFORMATION >[VK45DE]
TROUBLE DIAGNOSIS
TBWM1320E
3AA93ABC3ACD3AC03ACA3AC03AC63AC53A913A773A893A873A873A8E3A773A983AC73AC93AC03AC3
3A893A873A873A8F3A773A9D3AAF3A8A3A8C3A863A9D3AAF3A8B3A8C
Page 1927 of 3924
![INFINITI FX35 2008 Service Manual
TROUBLE DIAGNOSISEC-687
< SERVICE INFORMATION > [VK45DE]
C
D
E
F
G H
I
J
K L
M A
EC
NP
O
ECM Harness Connector Terminal LayoutINFOID:0000000001326530
ECM Terminal and Reference ValueINFOID:0000000001 INFINITI FX35 2008 Service Manual
TROUBLE DIAGNOSISEC-687
< SERVICE INFORMATION > [VK45DE]
C
D
E
F
G H
I
J
K L
M A
EC
NP
O
ECM Harness Connector Terminal LayoutINFOID:0000000001326530
ECM Terminal and Reference ValueINFOID:0000000001](/img/42/57017/w960_57017-1926.png)
TROUBLE DIAGNOSISEC-687
< SERVICE INFORMATION > [VK45DE]
C
D
E
F
G H
I
J
K L
M A
EC
NP
O
ECM Harness Connector Terminal LayoutINFOID:0000000001326530
ECM Terminal and Reference ValueINFOID:0000000001326531
PREPARATION
ECM (1) is located behind the passenger side instrument lower
panel. For this inspection, remove passenger side instrument lower
panel.
ECM INSPECTION TABLE
Specification data are reference values
and are measured between each terminal and ground.
Pulse signal is measured by CONSULT-III.
CAUTION:
Do not use ECM ground terminals wh en measuring input/output voltage. Doing so may result in dam-
age to the ECMs transistor. Use a ground ot her than ECM terminals, such as the ground.
PBIB3368E
PBIB3240E
TER-
MI-
NAL
NO. WIRE
COLOR ITEM CONDITION DATA (DC Voltage)
1 B ECM ground [Engine is running]
Idle speed Body ground
2P A/F sensor 1 heater
(Bank 1) [Engine is running]
Warm-up condition
Idle speed Approximately 5V
3P Throttle contro
l motor relay
power supply [Ignition switch: ON] BATTERY VOLTAGE
(11 - 14V)
4L/W Throttle control motor
(Close) [Ignition switch: ON]
Engine stopped
Selector lever: D
Accelerator pedal: Fully released 0 - 14V
PBIB1584E
PBIB1104E
3AA93ABC3ACD3AC03ACA3AC03AC63AC53A913A773A893A873A873A8E3A773A983AC73AC93AC03AC3
3A893A873A873A8F3A773A9D3AAF3A8A3A8C3A863A9D3AAF3A8B3A8C
Page 1928 of 3924
![INFINITI FX35 2008 Service Manual
EC-688
< SERVICE INFORMATION >[VK45DE]
TROUBLE DIAGNOSIS
5L/BThrottle control motor
(Open) [Ignition switch: ON]
Engine stopped
Selector lever: D
Accelerator pedal: Fully depressed 0 - 14V
6R INFINITI FX35 2008 Service Manual
EC-688
< SERVICE INFORMATION >[VK45DE]
TROUBLE DIAGNOSIS
5L/BThrottle control motor
(Open) [Ignition switch: ON]
Engine stopped
Selector lever: D
Accelerator pedal: Fully depressed 0 - 14V
6R](/img/42/57017/w960_57017-1927.png)
EC-688
< SERVICE INFORMATION >[VK45DE]
TROUBLE DIAGNOSIS
5L/BThrottle control motor
(Open) [Ignition switch: ON]
Engine stopped
Selector lever: D
Accelerator pedal: Fully depressed 0 - 14V
6R Heated oxygen sensor 2
heater (Bank 1) [Engine is running]
Engine speed: Below 3,600 rpm after the fol-
lowing conditions are met
- Engine: After warming up
- Keeping the engine speed between 3,500
and 4,000 rpm for 1 minute and at idle for 1
minute under no load 0 - 1.0V
[Ignition switch: ON]
Engine stopped
[Engine is running]
Engine speed: Above 3,600 rpm BATTERY VOLTAGE
(11 - 14V)
10 OR Intake valve timing control
solenoid valve (Bank 1) [Engine is running]
Warm-up condition
Idle speed BATTERY VOLTAGE
(11 - 14V)
[Engine is running]
Warm-up condition
Engine speed: 2,000rpm 7 - 12V
11 B R Intake valve timing control
solenoid valve (Bank 2) [Engine is running]
Warm-up condition
Idle speed BATTERY VOLTAGE
(11 - 14V)
[Engine is running]
Warm-up condition
Engine speed: 2,000rpm 7 - 12V
12 R/G Power steering pressure
sensor [Engine is running]
Steering wheel: Being turned
0.5 - 4.5V
[Engine is running]
Steering wheel: Not being turned 0.4 - 0.8V
TER-
MI-
NAL NO. WIRE
COLOR ITEM CONDITION DATA (DC Voltage)
PBIB1105E
PBIB1790E
PBIB1790E
3AA93ABC3ACD3AC03ACA3AC03AC63AC53A913A773A893A873A873A8E3A773A983AC73AC93AC03AC3
3A893A873A873A8F3A773A9D3AAF3A8A3A8C3A863A9D3AAF3A8B3A8C
Page 1929 of 3924
![INFINITI FX35 2008 Service Manual
TROUBLE DIAGNOSISEC-689
< SERVICE INFORMATION > [VK45DE]
C
D
E
F
G H
I
J
K L
M A
EC
NP
O
13 Y
Crankshaft position sensor
(POS) [Engine is running]
Warm-up condition
Idle speed NOTE:
The pulse cy INFINITI FX35 2008 Service Manual
TROUBLE DIAGNOSISEC-689
< SERVICE INFORMATION > [VK45DE]
C
D
E
F
G H
I
J
K L
M A
EC
NP
O
13 Y
Crankshaft position sensor
(POS) [Engine is running]
Warm-up condition
Idle speed NOTE:
The pulse cy](/img/42/57017/w960_57017-1928.png)
TROUBLE DIAGNOSISEC-689
< SERVICE INFORMATION > [VK45DE]
C
D
E
F
G H
I
J
K L
M A
EC
NP
O
13 Y
Crankshaft position sensor
(POS) [Engine is running]
Warm-up condition
Idle speed NOTE:
The pulse cycle changes depending on rpm
at idle 1.0 - 2.0V
[Engine is running]
Engine speed: 2,000 rpm 1.0 - 2.0V
14 W Camshaft position sensor
(PHASE) [Engine is running]
Warm-up condition
Idle speed NOTE:
The pulse cycle changes depending on rpm
at idle 1.0 - 4.0V
[Engine is running]
Engine speed: 2,000 rpm 1.0 - 4.0V
15 W Knock sensor (Bank 1) [Engine is running]
Idle speedApproximately 2.5V
16 R
A/F sensor 1 (Bank 1) [Engine is running]
Warm-up condition
Idle speed Approximately 3.1V
35 G Approximately 2.6V
56 B Approximately 2.3V
75 OR Approximately 2.3V
TER-
MI-
NAL NO. WIRE
COLOR ITEM CONDITION DATA (DC Voltage)PBIB1041E
PBIB1042E
PBIB1039E
PBIB1040E
3AA93ABC3ACD3AC03ACA3AC03AC63AC53A913A773A893A873A873A8E3A773A983AC73AC93AC03AC3
3A893A873A873A8F3A773A9D3AAF3A8A3A8C3A863A9D3AAF3A8B3A8C
Page 1930 of 3924
![INFINITI FX35 2008 Service Manual
EC-690
< SERVICE INFORMATION >[VK45DE]
TROUBLE DIAGNOSIS
21
22
23
40
41
42
44
63W
R
P
PU
BR
B
OR
G Fuel injector No. 5
Fuel injector No. 3
Fuel injector No. 1
Fuel injector No. 6
Fuel injector No. 4 INFINITI FX35 2008 Service Manual
EC-690
< SERVICE INFORMATION >[VK45DE]
TROUBLE DIAGNOSIS
21
22
23
40
41
42
44
63W
R
P
PU
BR
B
OR
G Fuel injector No. 5
Fuel injector No. 3
Fuel injector No. 1
Fuel injector No. 6
Fuel injector No. 4](/img/42/57017/w960_57017-1929.png)
EC-690
< SERVICE INFORMATION >[VK45DE]
TROUBLE DIAGNOSIS
21
22
23
40
41
42
44
63W
R
P
PU
BR
B
OR
G Fuel injector No. 5
Fuel injector No. 3
Fuel injector No. 1
Fuel injector No. 6
Fuel injector No. 4
Fuel injector No. 2
Fuel injector No. 7
Fuel injector No. 8 [Engine is running]
Warm-up condition
Idle speed
NOTE:
The pulse cycle changes depending on rpm
at idle BATTERY VOLTAGE
(11 - 14V)
[Engine is running]
Warm-up condition
Engine speed: 2,000 rpm BATTERY VOLTAGE
(11 - 14V)
24 P A/F sensor 1 heater
(Bank 2) [Engine is running]
Warm-up condition
Idle speed Approximately 5V
25 P Heated oxygen sensor 2
heater (Bank 2) [Engine is running]
Engine speed: Below 3,600 rpm after the fol-
lowing conditions are met
- Engine: After warming up
- Keeping the engine speed between 3,500
and 4,000 rpm for 1 minute and at idle for 1
minute under no load 0 - 1.0V
[Ignition switch: ON]
Engine stopped
[Engine is running]
Engine speed: Above 3,600 rpm BATTERY VOLTAGE
(11 - 14V)
29 GY VIAS control solenoid valve [Engine is running]
Selector lever: P or N
0 - 1.0V
[Engine is running]
Selector lever: D
Engine speed: Below 5,000 rpm BATTERY VOLTAGE
(11 - 14V)
[Engine is running]
Engine speed: Above 5,000 rpm 0 - 1.0V
32 OR EVAP control system pres-
sure sensor
[Ignition switch: ON]
Approximately 1.8 - 4.8V
34 Y Intake air temperature sen-
sor
[Engine is running] Approximately 0 - 4.8V
Output voltage varies with intake
air temperature.
36 W Knock sensor (Bank 2) [Engine is running]
Idle speed
Approximately 2.5V
TER-
MI-
NAL NO. WIRE
COLOR ITEM CONDITION DATA (DC Voltage)
PBIB0042E
PBIB0043E
PBIB1584E
3AA93ABC3ACD3AC03ACA3AC03AC63AC53A913A773A893A873A873A8E3A773A983AC73AC93AC03AC3
3A893A873A873A8F3A773A9D3AAF3A8A3A8C3A863A9D3AAF3A8B3A8C