INFINITI M35 2006 Factory Service Manual
Manufacturer: INFINITI, Model Year: 2006, Model line: M35, Model: INFINITI M35 2006Pages: 5621, PDF Size: 65.56 MB
Page 1801 of 5621
![INFINITI M35 2006 Factory Service Manual EC-258
[VQ35DE]
DTC P0131, P0151 A/F SENSOR 1
Revision: 2006 January2006 M35/M45
Wiring DiagramNBS004WK
BANK 1
TBWT0979E INFINITI M35 2006 Factory Service Manual EC-258
[VQ35DE]
DTC P0131, P0151 A/F SENSOR 1
Revision: 2006 January2006 M35/M45
Wiring DiagramNBS004WK
BANK 1
TBWT0979E](/img/42/57023/w960_57023-1800.png)
EC-258
[VQ35DE]
DTC P0131, P0151 A/F SENSOR 1
Revision: 2006 January2006 M35/M45
Wiring DiagramNBS004WK
BANK 1
TBWT0979E
Page 1802 of 5621
![INFINITI M35 2006 Factory Service Manual DTC P0131, P0151 A/F SENSOR 1
EC-259
[VQ35DE]
C
D
E
F
G
H
I
J
K
L
MA
EC
Revision: 2006 January2006 M35/M45
Specification data are reference values and are measured between each terminal and ground.
Pu INFINITI M35 2006 Factory Service Manual DTC P0131, P0151 A/F SENSOR 1
EC-259
[VQ35DE]
C
D
E
F
G
H
I
J
K
L
MA
EC
Revision: 2006 January2006 M35/M45
Specification data are reference values and are measured between each terminal and ground.
Pu](/img/42/57023/w960_57023-1801.png)
DTC P0131, P0151 A/F SENSOR 1
EC-259
[VQ35DE]
C
D
E
F
G
H
I
J
K
L
MA
EC
Revision: 2006 January2006 M35/M45
Specification data are reference values and are measured between each terminal and ground.
Pulse signal is measured by CONSULT-II.
CAUTION:
Do not use ECM ground terminals when measuring input/output voltage. Doing so may result in dam-
age to the ECM's transistor. Use a ground other than ECM terminals, such as the ground.
: Average voltage for pulse signal (Actual pulse signal can be confirmed by oscilloscope.) TER-
MINAL
NO.WIRE
COLORITEM CONDITION DATA (DC Voltage)
2SBA/F sensor 1 heater
(bank 1)[Engine is running]
Warm-up condition
Idle speedApproximately 5V
16 G/W
A/F sensor 1 (bank 1)[Engine is running]
Warm-up condition
Idle speedApproximately 3.1V
35 BR/WApproximately 2.6V
56 GApproximately 2.3V
75 GRApproximately 2.3V
PBIB1584E
Page 1803 of 5621
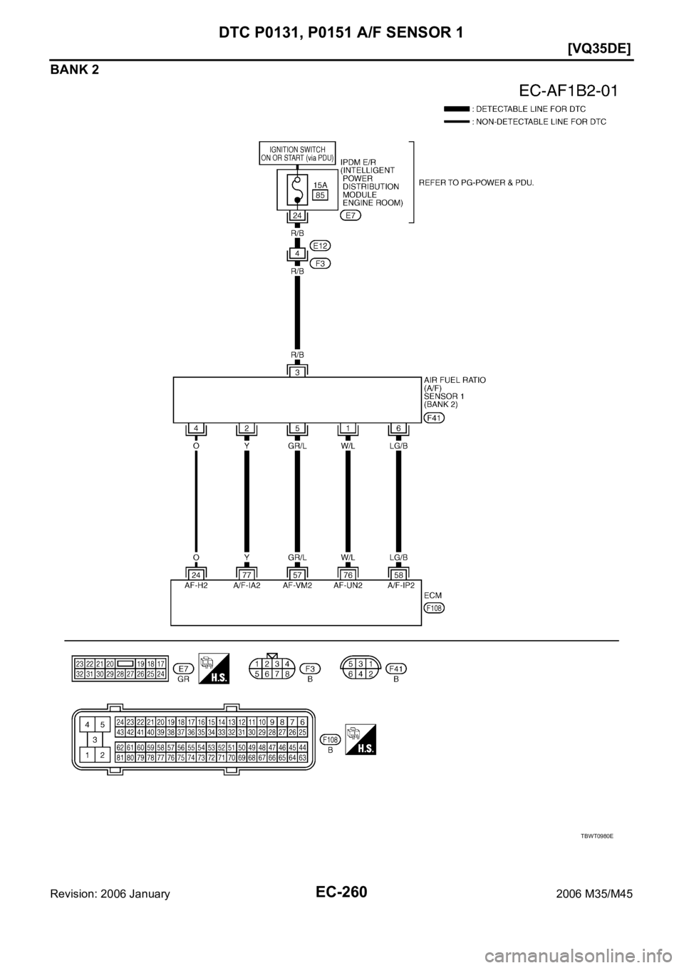
![INFINITI M35 2006 Factory Service Manual EC-260
[VQ35DE]
DTC P0131, P0151 A/F SENSOR 1
Revision: 2006 January2006 M35/M45
BANK 2
TBWT0980E INFINITI M35 2006 Factory Service Manual EC-260
[VQ35DE]
DTC P0131, P0151 A/F SENSOR 1
Revision: 2006 January2006 M35/M45
BANK 2
TBWT0980E](/img/42/57023/w960_57023-1802.png)
EC-260
[VQ35DE]
DTC P0131, P0151 A/F SENSOR 1
Revision: 2006 January2006 M35/M45
BANK 2
TBWT0980E
Page 1804 of 5621
![INFINITI M35 2006 Factory Service Manual DTC P0131, P0151 A/F SENSOR 1
EC-261
[VQ35DE]
C
D
E
F
G
H
I
J
K
L
MA
EC
Revision: 2006 January2006 M35/M45
Specification data are reference values and are measured between each terminal and ground.
Pu INFINITI M35 2006 Factory Service Manual DTC P0131, P0151 A/F SENSOR 1
EC-261
[VQ35DE]
C
D
E
F
G
H
I
J
K
L
MA
EC
Revision: 2006 January2006 M35/M45
Specification data are reference values and are measured between each terminal and ground.
Pu](/img/42/57023/w960_57023-1803.png)
DTC P0131, P0151 A/F SENSOR 1
EC-261
[VQ35DE]
C
D
E
F
G
H
I
J
K
L
MA
EC
Revision: 2006 January2006 M35/M45
Specification data are reference values and are measured between each terminal and ground.
Pulse signal is measured by CONSULT-II.
CAUTION:
Do not use ECM ground terminals when measuring input/output voltage. Doing so may result in dam-
age to the ECM's transistor. Use a ground other than ECM terminals, such as the ground.
: Average voltage for pulse signal (Actual pulse signal can be confirmed by oscilloscope.)
Diagnostic ProcedureNBS004WL
1. CHECK GROUND CONNECTIONS
1. Turn ignition switch OFF.
2. Loosen and retighten two ground screws on the body.
Refer to EC-172, "
Ground Inspection" .
OK or NG
OK >> GO TO 2.
NG >> Repair or replace ground connections.
TER-
MINAL
NO.WIRE
COLORITEM CONDITION DATA (DC Voltage)
24 OA/F sensor 1 heater
(bank 2)[Engine is running]
Warm-up condition
Idle speedApproximately 5V
57 GR/L
A/F sensor 1 (bank 2)[Engine is running]
Warm-up condition
Idle speedApproximately 2.6V
58 LG/BApproximately 2.3V
76 W/LApproximately 3.1V
77 YApproximately 2.3V
PBIB1584E
1. Body ground M70 2. Body ground M16
PBIB2782E
Page 1805 of 5621
![INFINITI M35 2006 Factory Service Manual EC-262
[VQ35DE]
DTC P0131, P0151 A/F SENSOR 1
Revision: 2006 January2006 M35/M45
2. CHECK AIR FUEL RATIO (A/F) SENSOR 1 POWER SUPPLY CIRCUIT
1. Disconnect A/F sensor 1 harness connector.
2. Turn ignit INFINITI M35 2006 Factory Service Manual EC-262
[VQ35DE]
DTC P0131, P0151 A/F SENSOR 1
Revision: 2006 January2006 M35/M45
2. CHECK AIR FUEL RATIO (A/F) SENSOR 1 POWER SUPPLY CIRCUIT
1. Disconnect A/F sensor 1 harness connector.
2. Turn ignit](/img/42/57023/w960_57023-1804.png)
EC-262
[VQ35DE]
DTC P0131, P0151 A/F SENSOR 1
Revision: 2006 January2006 M35/M45
2. CHECK AIR FUEL RATIO (A/F) SENSOR 1 POWER SUPPLY CIRCUIT
1. Disconnect A/F sensor 1 harness connector.
2. Turn ignition switch ON.
3. Check voltage between A/F sensor 1 terminal 3 and ground with
CONSULT-II or tester.
OK or NG
OK >> GO TO 4.
NG >> GO TO 3.
3. DETECT MALFUNCTIONING PART
Check the following.
Harness connectors E12, F3
IPDM E/R harness connector E7
15A fuse
Harness for open or short between A/F sensor 1 and fuse
>> Repair or replace harness or connectors. Voltage: Battery voltage
PBIB2794E
PBIB1683E
Page 1806 of 5621
![INFINITI M35 2006 Factory Service Manual DTC P0131, P0151 A/F SENSOR 1
EC-263
[VQ35DE]
C
D
E
F
G
H
I
J
K
L
MA
EC
Revision: 2006 January2006 M35/M45
4. CHECK A/F SENSOR 1 INPUT SIGNAL CIRCUIT FOR OPEN AND SHORT
1. Turn ignition switch OFF.
2. INFINITI M35 2006 Factory Service Manual DTC P0131, P0151 A/F SENSOR 1
EC-263
[VQ35DE]
C
D
E
F
G
H
I
J
K
L
MA
EC
Revision: 2006 January2006 M35/M45
4. CHECK A/F SENSOR 1 INPUT SIGNAL CIRCUIT FOR OPEN AND SHORT
1. Turn ignition switch OFF.
2.](/img/42/57023/w960_57023-1805.png)
DTC P0131, P0151 A/F SENSOR 1
EC-263
[VQ35DE]
C
D
E
F
G
H
I
J
K
L
MA
EC
Revision: 2006 January2006 M35/M45
4. CHECK A/F SENSOR 1 INPUT SIGNAL CIRCUIT FOR OPEN AND SHORT
1. Turn ignition switch OFF.
2. Disconnect ECM harness connector.
3. Check harness continuity between A/F sensor 1 terminal and ECM terminal as follows.
Refer to Wiring Diagram.
4. Check harness continuity between the following terminals and ground.
Refer to Wiring Diagram.
5. Also check harness for short to power.
OK or NG
OK >> GO TO 5.
NG >> Repair open circuit or short to ground or short to power in harness or connectors.
5. CHECK INTERMITTENT INCIDENT
Perform EC-165, "
TROUBLE DIAGNOSIS FOR INTERMITTENT INCIDENT" .
OK or NG
OK >> GO TO 6.
NG >> Repair or replace.
6. REPLACE AIR FUEL RATIO (A/F) SENSOR 1
Replace air fuel ratio (A/F) sensor 1.
CAUTION:
Discard any A/F sensor which has been dropped from a height of more than 0.5 m (19.7 in) onto a
hard surface such as a concrete floor; use a new one.
Before installing new A/F sensor, clean exhaust system threads using Oxygen Sensor Thread
Cleaner tool J-43897-18 or J-43897-12 and approved anti-seize lubricant.
>>INSPECTION END
A/F sensor 1 terminal ECM terminal
Bank1116
275
535
656
Bank 2176
277
557
658
Continuity should exist.
Bank 1 Bank 2
A/F sensor 1 terminal ECM terminal A/F sensor 1 terminal ECM terminal
116176
275277
535557
656658
Continuity should not exist.
Page 1807 of 5621
![INFINITI M35 2006 Factory Service Manual EC-264
[VQ35DE]
DTC P0131, P0151 A/F SENSOR 1
Revision: 2006 January2006 M35/M45
Removal and InstallationNBS004WM
AIR FUEL RATIO (A/F) SENSOR 1
Refer to EM-26, "EXHAUST MANIFOLD" . INFINITI M35 2006 Factory Service Manual EC-264
[VQ35DE]
DTC P0131, P0151 A/F SENSOR 1
Revision: 2006 January2006 M35/M45
Removal and InstallationNBS004WM
AIR FUEL RATIO (A/F) SENSOR 1
Refer to EM-26, "EXHAUST MANIFOLD" .](/img/42/57023/w960_57023-1806.png)
EC-264
[VQ35DE]
DTC P0131, P0151 A/F SENSOR 1
Revision: 2006 January2006 M35/M45
Removal and InstallationNBS004WM
AIR FUEL RATIO (A/F) SENSOR 1
Refer to EM-26, "EXHAUST MANIFOLD" .
Page 1808 of 5621
![INFINITI M35 2006 Factory Service Manual DTC P0132, P0152 A/F SENSOR 1
EC-265
[VQ35DE]
C
D
E
F
G
H
I
J
K
L
MA
EC
Revision: 2006 January2006 M35/M45
DTC P0132, P0152 A/F SENSOR 1PFP:22693
Component DescriptionNBS004WN
The air fuel ratio (A/F) INFINITI M35 2006 Factory Service Manual DTC P0132, P0152 A/F SENSOR 1
EC-265
[VQ35DE]
C
D
E
F
G
H
I
J
K
L
MA
EC
Revision: 2006 January2006 M35/M45
DTC P0132, P0152 A/F SENSOR 1PFP:22693
Component DescriptionNBS004WN
The air fuel ratio (A/F)](/img/42/57023/w960_57023-1807.png)
DTC P0132, P0152 A/F SENSOR 1
EC-265
[VQ35DE]
C
D
E
F
G
H
I
J
K
L
MA
EC
Revision: 2006 January2006 M35/M45
DTC P0132, P0152 A/F SENSOR 1PFP:22693
Component DescriptionNBS004WN
The air fuel ratio (A/F) sensor 1 is a planar dual-cell limit current sen-
sor. The sensor element of the A/F sensor 1 is the combination of a
Nernst concentration cell (sensor cell) with an oxygen-pump cell,
which transports ions. It has a heater in the element.
The sensor is capable of precise measurement = 1, but also in the
lean and rich range. Together with its control electronics, the sensor
outputs a clear, continuous signal throughout a wide range (0.7 <
< air).
The exhaust gas components diffuse through the diffusion gap at the
electrode of the oxygen pump and Nernst concentration cell, where
they are brought to thermodynamic balance.
An electronic circuit controls the pump current through the oxygen-
pump cell so that the composition of the exhaust gas in the diffusion
gap remains constant at = 1. Therefore, the A/F sensor 1 is able to
indicate air/fuel ratio by this pumping of current. In addition, a heater
is integrated in the sensor to ensure the required operating tempera-
ture of 700 - 800
C (1,292 - 1,472F).
CONSULT-II Reference Value in Data Monitor ModeNBS004WO
Specification data are reference values.
On Board Diagnosis LogicNBS004WP
To judge the malfunction, the diagnosis checks that the A/F signal computed by ECM from the A/F sensor 1
signal is not inordinately high.
DTC Confirmation ProcedureNBS004WQ
NOTE:
If DTC Confirmation Procedure has been previously conducted, always turn ignition switch OFF and wait at
least 10 seconds before conducting the next test.
TESTING CONDITION:
Before performing the following procedure, confirm that battery voltage is more than 10.5V at idle.
WITH CONSULT-II
1. Start engine and warm it up to normal operating temperature.
2. Select “A/F SEN1 (B1)” or “A/F SEN1 (B2)” in “DATA MONITOR” mode with CONSULT-II.
SEF579Z
SEF580Z
MONITOR ITEM CONDITION SPECIFICATION
A/F SEN1 (B1)
A/F SEN1 (B2)
Engine: After warming up Maintaining engine speed at 2,000 rpm Fluctuates around 1.5 V
DTC No. Trouble diagnosis name DTC detecting condition Possible Cause
P0132
0132
(Bank 1)
Air fuel ratio (A/F) sensor 1
circuit high voltage
The A/F signal computed by ECM from the A/F
sensor 1 signal is constantly approx. 5V.
Harness or connectors
(The A/F sensor 1 circuit is open or
shorted.)
A/F sensor 1 P0152
0152
(Bank 2)
Page 1809 of 5621
![INFINITI M35 2006 Factory Service Manual EC-266
[VQ35DE]
DTC P0132, P0152 A/F SENSOR 1
Revision: 2006 January2006 M35/M45
3. Check “A/F SEN1 (B1)” or “A/F SEN1 (B2)” indication.
If the indication is constantly approx. 5V, go INFINITI M35 2006 Factory Service Manual EC-266
[VQ35DE]
DTC P0132, P0152 A/F SENSOR 1
Revision: 2006 January2006 M35/M45
3. Check “A/F SEN1 (B1)” or “A/F SEN1 (B2)” indication.
If the indication is constantly approx. 5V, go](/img/42/57023/w960_57023-1808.png)
EC-266
[VQ35DE]
DTC P0132, P0152 A/F SENSOR 1
Revision: 2006 January2006 M35/M45
3. Check “A/F SEN1 (B1)” or “A/F SEN1 (B2)” indication.
If the indication is constantly approx. 5V, go to EC-270, "
Diag-
nostic Procedure" .
If the indication is not constantly approx. 5V, go to next step.
4. Turn ignition switch OFF, wait at least 10 seconds and then
restart engine.
5. Drive and accelerate vehicle to more than 40 km/h (25 MPH)
within 20 seconds after restarting engine.
6. Maintain the following conditions for about 20 consecutive sec-
onds.
NOTE:
Keep the accelerator pedal as steady as possible during the cruising.
If this procedure is not completed within 1 minute after restarting engine at step 4, return to step
4.
7. If 1st trip DTC is displayed, go to EC-270, "
Diagnostic Procedure" .
WITH GST
Follow the procedure “WITH CONSULT-II” above.
ENG SPEED 1,000 - 3,200 rpm
VHCL SPEED SE More than 40 km/h (25 MPH)
B/FUEL SCHDL 1.5 - 9.0 msec
Selector lever Suitable position
SEF581Z
Page 1810 of 5621
![INFINITI M35 2006 Factory Service Manual DTC P0132, P0152 A/F SENSOR 1
EC-267
[VQ35DE]
C
D
E
F
G
H
I
J
K
L
MA
EC
Revision: 2006 January2006 M35/M45
Wiring DiagramNBS004WR
BANK 1
TBWT0979E INFINITI M35 2006 Factory Service Manual DTC P0132, P0152 A/F SENSOR 1
EC-267
[VQ35DE]
C
D
E
F
G
H
I
J
K
L
MA
EC
Revision: 2006 January2006 M35/M45
Wiring DiagramNBS004WR
BANK 1
TBWT0979E](/img/42/57023/w960_57023-1809.png)
DTC P0132, P0152 A/F SENSOR 1
EC-267
[VQ35DE]
C
D
E
F
G
H
I
J
K
L
MA
EC
Revision: 2006 January2006 M35/M45
Wiring DiagramNBS004WR
BANK 1
TBWT0979E