INFINITI M35 2006 Factory Service Manual
Manufacturer: INFINITI, Model Year: 2006, Model line: M35, Model: INFINITI M35 2006Pages: 5621, PDF Size: 65.56 MB
Page 1841 of 5621
![INFINITI M35 2006 Factory Service Manual EC-298
[VQ35DE]
DTC P0138, P0158 HO2S2
Revision: 2006 January2006 M35/M45
DTC Confirmation ProcedureNBS004XD
Perform PROCEDURE FOR MALFUNCTION A first.
If DTC cannot be confirmed, perform PROCEDURE FO INFINITI M35 2006 Factory Service Manual EC-298
[VQ35DE]
DTC P0138, P0158 HO2S2
Revision: 2006 January2006 M35/M45
DTC Confirmation ProcedureNBS004XD
Perform PROCEDURE FOR MALFUNCTION A first.
If DTC cannot be confirmed, perform PROCEDURE FO](/img/42/57023/w960_57023-1840.png)
EC-298
[VQ35DE]
DTC P0138, P0158 HO2S2
Revision: 2006 January2006 M35/M45
DTC Confirmation ProcedureNBS004XD
Perform PROCEDURE FOR MALFUNCTION A first.
If DTC cannot be confirmed, perform PROCEDURE FOR MALFUNCTION B.
NOTE:
If DTC Confirmation Procedure has been previously conducted, always turn ignition switch OFF and wait at
least 10 seconds before conducting the next test.
PROCEDURE FOR MALFUNCTION A
With CONSULT-II
1. Turn ignition switch ON and select “DATA MONITOR” mode with
CONSULT-II.
2. Start engine and warm it up to the normal operating tempera-
ture.
3. Turn ignition switch OFF and wait at least 10 seconds.
4. Start engine and keep the engine speed between 3,500 and
4,000 rpm for at least 1 minute under no load.
5. Let engine idle for 2 minutes.
6. If 1st trip DTC is detected, go to EC-303, "
PROCEDURE FOR
MALFUNCTION A" .
With GST
Follow the procedure “With CONSULT-II” above.
PROCEDURE FOR MALFUNCTION B
With CONSULT-II
TESTING CONDITION:
For better results, perform “DTC WORK SUPPORT” at a temperature of 0 to 30
C (32 to 86 F).
1. Turn ignition switch ON and select “DATA MONITOR” mode with
CONSULT-II.
2. Start engine and warm it up to the normal operating tempera-
ture.
3. Turn ignition switch OFF and wait at least 10 seconds.
4. Start engine and keep the engine speed between 3,500 and
4,000 rpm for at least 1 minute under no load.
5. Let engine idle for 1 minute.
6. Make sure that “COOLAN TEMP/S” indicates more than 70
C
(158
F).
If not, warm up engine and go to next step when “COOLAN
TEMP/S” indication reaches to 70
C (158F).
7. Open engine hood.
8. Select “HO2S2 (B1) P1146” (for DTC P0138) or “HO2S2 (B2) P1166” (for DTC P0158) of “HO2S2” in
“DTC WORK SUPPORT” mode with CONSULT-II.
DTC No. Trouble diagnosis name DTC detecting condition Possible cause
P0138
0138
(Bank 1)
Heated oxygen sensor
2 circuit high voltageA)An excessively high voltage from the sen-
sor is sent to ECM.
Harness or connectors
(The sensor circuit is open or shorted)
Heated oxygen sensor 2
P0158
0158
(Bank 2)B)The minimum voltage from the sensor is
not reached to the specified voltage.
Harness or connectors
(The sensor circuit is open or shorted)
Heated oxygen sensor 2
Fuel pressure
Fuel injector
SEF174Y
SEF174Y
Page 1842 of 5621
![INFINITI M35 2006 Factory Service Manual DTC P0138, P0158 HO2S2
EC-299
[VQ35DE]
C
D
E
F
G
H
I
J
K
L
MA
EC
Revision: 2006 January2006 M35/M45
9. Start engine and following the instruction of CONSULT-II.
NOTE:
It will take at most 10 minutes u INFINITI M35 2006 Factory Service Manual DTC P0138, P0158 HO2S2
EC-299
[VQ35DE]
C
D
E
F
G
H
I
J
K
L
MA
EC
Revision: 2006 January2006 M35/M45
9. Start engine and following the instruction of CONSULT-II.
NOTE:
It will take at most 10 minutes u](/img/42/57023/w960_57023-1841.png)
DTC P0138, P0158 HO2S2
EC-299
[VQ35DE]
C
D
E
F
G
H
I
J
K
L
MA
EC
Revision: 2006 January2006 M35/M45
9. Start engine and following the instruction of CONSULT-II.
NOTE:
It will take at most 10 minutes until “COMPLETED” is displayed.
10. Make sure that “OK” is displayed after touching “SELF-DIAG RESULTS”.
If “NG” is displayed, refer to EC-305, "
PROCEDURE FOR MALFUNCTION B" .
If “CAN NOT BE DIAGNOSED” is displayed, perform the following.
a. Turn ignition switch OFF and leave the vehicle in a cool place (soak the vehicle).
b. Return to step 1.
Overall Function CheckNBS004XE
PROCEDURE FOR MALFUNCTION B
Use this procedure to check the overall function of the heated oxygen sensor 2 circuit. During this check, a 1st
trip DTC might not be confirmed.
With GST
1. Start engine and warm it up to the normal operating temperature.
2. Turn ignition switch OFF and wait at least 10 seconds.
3. Start engine and keep the engine speed between 3,500 and 4,000 rpm for at least 1 minute under no load.
4. Let engine idle for 1 minute.
5. Set voltmeter probes between ECM terminal 55 [HO2S2 (B2) signal] or 74 [HO2S2 (B1) signal] and
ground.
6. Check the voltage when revving up to 4,000 rpm under no load
at least 10 times.
(Depress and release accelerator pedal as soon as possible.)
The voltage should be below 0.18V at least once during this
procedure.
If the voltage can be confirmed in step 6, step 7 is not nec-
essary.
7. Keep vehicle at idling for 10 minutes, then check the voltage. Or
check the voltage when coasting from 80 km/h (50 MPH) in D
position.
The voltage should be below 0.18V at least once during this
procedure.
8. If NG, go to EC-305, "
PROCEDURE FOR MALFUNCTION B" .
PBIB2372E
PBIB1607E
Page 1843 of 5621
![INFINITI M35 2006 Factory Service Manual EC-300
[VQ35DE]
DTC P0138, P0158 HO2S2
Revision: 2006 January2006 M35/M45
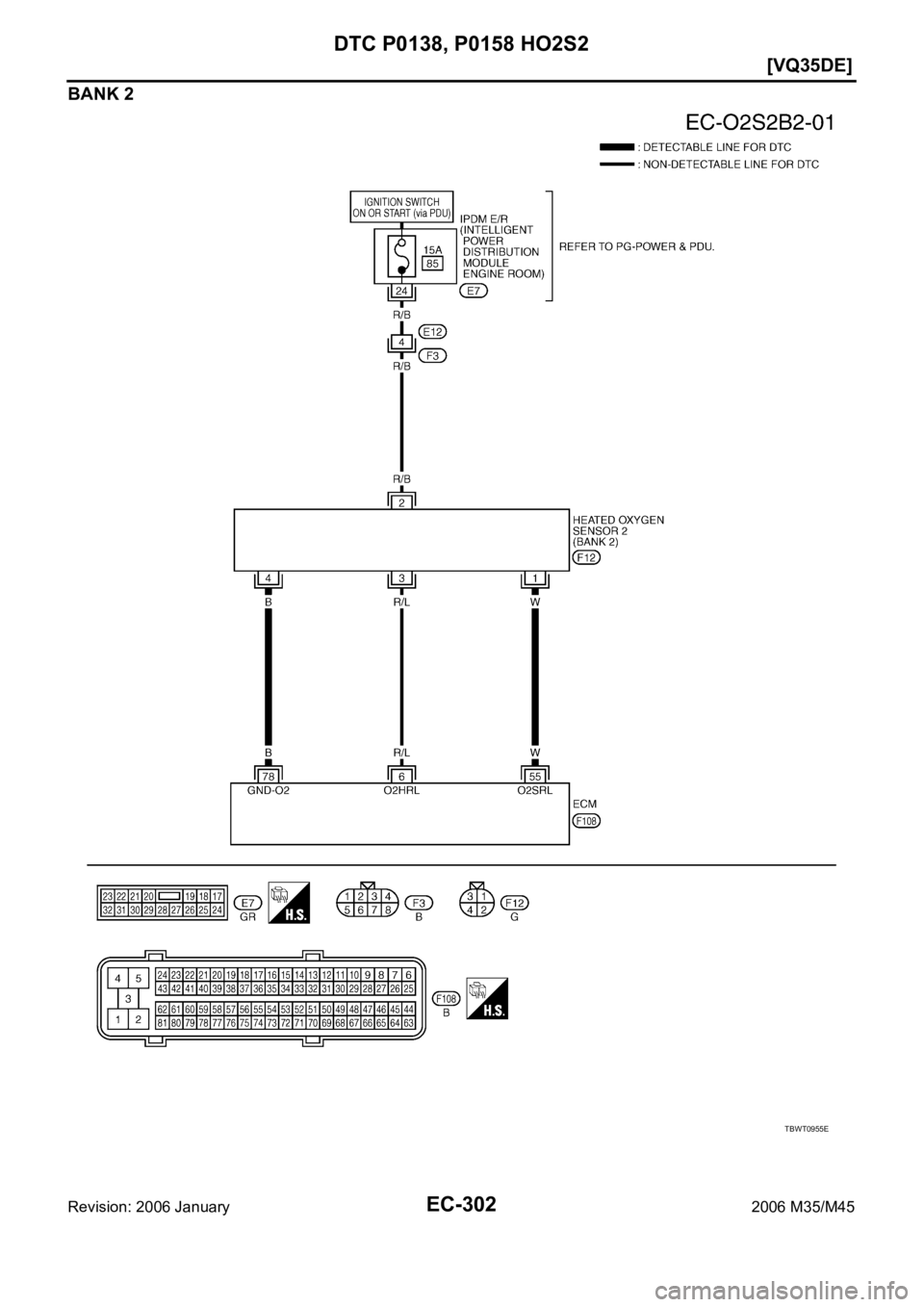
Wiring DiagramNBS004XF
BANK 1
TBWT0954E INFINITI M35 2006 Factory Service Manual EC-300
[VQ35DE]
DTC P0138, P0158 HO2S2
Revision: 2006 January2006 M35/M45
Wiring DiagramNBS004XF
BANK 1
TBWT0954E](/img/42/57023/w960_57023-1842.png)
EC-300
[VQ35DE]
DTC P0138, P0158 HO2S2
Revision: 2006 January2006 M35/M45
Wiring DiagramNBS004XF
BANK 1
TBWT0954E
Page 1844 of 5621
![INFINITI M35 2006 Factory Service Manual DTC P0138, P0158 HO2S2
EC-301
[VQ35DE]
C
D
E
F
G
H
I
J
K
L
MA
EC
Revision: 2006 January2006 M35/M45
Specification data are reference values and are measured between each terminal and ground.
CAUTION:
INFINITI M35 2006 Factory Service Manual DTC P0138, P0158 HO2S2
EC-301
[VQ35DE]
C
D
E
F
G
H
I
J
K
L
MA
EC
Revision: 2006 January2006 M35/M45
Specification data are reference values and are measured between each terminal and ground.
CAUTION:](/img/42/57023/w960_57023-1843.png)
DTC P0138, P0158 HO2S2
EC-301
[VQ35DE]
C
D
E
F
G
H
I
J
K
L
MA
EC
Revision: 2006 January2006 M35/M45
Specification data are reference values and are measured between each terminal and ground.
CAUTION:
Do not use ECM ground terminals when measuring input/output voltage. Doing so may result in dam-
age to the ECM's transistor. Use a ground other than ECM terminals, such as the ground.
TER-
MINAL
NO.WIRE
COLORITEM CONDITION DATA (DC Voltage)
25 P/BHeated oxygen sensor 2
heater (bank 1)[Engine is running]
Engine speed: Below 3,600 rpm after the
following conditions are met
–Engine: after warming up
–Keeping the engine speed between 3,500
and 4,000 rpm for 1 minute and at idle for 1
minute under no load0 - 1.0V
[Ignition switch: ON]
Engine stopped
[Engine is running]
Engine speed: Above 3,600 rpmBATTERY VOLTAGE
(11 - 14V)
74 WHeated oxygen sensor 2
(bank 1)[Engine is running]
Warm-up condition
Revving engine from idle to 3,000 rpm
quickly after the following conditions are met
–After keeping the engine speed between
3,500 and 4,000 rpm for 1 minute and at idle
for 1 minute under no load0 - Approximately 1.0V
78 BSensor ground
(Heated oxygen sensor)[Engine is running]
Warm-up condition
Idle speedApproximately 0V
Page 1845 of 5621
![INFINITI M35 2006 Factory Service Manual EC-302
[VQ35DE]
DTC P0138, P0158 HO2S2
Revision: 2006 January2006 M35/M45
BANK 2
TBWT0955E INFINITI M35 2006 Factory Service Manual EC-302
[VQ35DE]
DTC P0138, P0158 HO2S2
Revision: 2006 January2006 M35/M45
BANK 2
TBWT0955E](/img/42/57023/w960_57023-1844.png)
EC-302
[VQ35DE]
DTC P0138, P0158 HO2S2
Revision: 2006 January2006 M35/M45
BANK 2
TBWT0955E
Page 1846 of 5621
![INFINITI M35 2006 Factory Service Manual DTC P0138, P0158 HO2S2
EC-303
[VQ35DE]
C
D
E
F
G
H
I
J
K
L
MA
EC
Revision: 2006 January2006 M35/M45
Specification data are reference values and are measured between each terminal and ground.
CAUTION:
INFINITI M35 2006 Factory Service Manual DTC P0138, P0158 HO2S2
EC-303
[VQ35DE]
C
D
E
F
G
H
I
J
K
L
MA
EC
Revision: 2006 January2006 M35/M45
Specification data are reference values and are measured between each terminal and ground.
CAUTION:](/img/42/57023/w960_57023-1845.png)
DTC P0138, P0158 HO2S2
EC-303
[VQ35DE]
C
D
E
F
G
H
I
J
K
L
MA
EC
Revision: 2006 January2006 M35/M45
Specification data are reference values and are measured between each terminal and ground.
CAUTION:
Do not use ECM ground terminals when measuring input/output voltage. Doing so may result in dam-
age to the ECM's transistor. Use a ground other than ECM terminals, such as the ground.
Diagnostic ProcedureNBS004XG
PROCEDURE FOR MALFUNCTION A
1. CHECK GROUND CONNECTIONS
1. Turn ignition switch OFF.
2. Loosen and retighten two ground screws on the body.
Refer to EC-172, "
Ground Inspection" .
OK or NG
OK >> GO TO 2.
NG >> Repair or replace ground connections.
TER-
MINAL
NO.WIRE
COLORITEM CONDITION DATA (DC Voltage)
6R/LHeated oxygen sensor 2
heater (bank 2)[Engine is running]
Engine speed: Below 3,600 rpm after the
following conditions are met
–Engine: after warming up
–Keeping the engine speed between 3,500
and 4,000 rpm for 1 minute and at idle for 1
minute under no load0 - 1.0V
[Ignition switch: ON]
Engine stopped
[Engine is running]
Engine speed: Above 3,600 rpmBATTERY VOLTAGE
(11 - 14V)
55 WHeated oxygen sensor 2
(bank 2)[Engine is running]
Warm-up condition
Revving engine from idle to 3,000 rpm
quickly after the following conditions are met
–After keeping the engine speed between
3,500 and 4,000 rpm for 1 minute and at idle
for 1 minute under no load0 - Approximately 1.0V
78 BSensor ground
(Heated oxygen sensor)[Engine is running]
Warm-up condition
Idle speedApproximately 0V
1. Body ground M70 2. Body ground M16
PBIB2782E
Page 1847 of 5621
![INFINITI M35 2006 Factory Service Manual EC-304
[VQ35DE]
DTC P0138, P0158 HO2S2
Revision: 2006 January2006 M35/M45
2. CHECK HO2S2 GROUND CIRCUIT FOR OPEN AND SHORT
1. Disconnect heated oxygen sensor 2 harness connector.
2. Disconnect ECM har INFINITI M35 2006 Factory Service Manual EC-304
[VQ35DE]
DTC P0138, P0158 HO2S2
Revision: 2006 January2006 M35/M45
2. CHECK HO2S2 GROUND CIRCUIT FOR OPEN AND SHORT
1. Disconnect heated oxygen sensor 2 harness connector.
2. Disconnect ECM har](/img/42/57023/w960_57023-1846.png)
EC-304
[VQ35DE]
DTC P0138, P0158 HO2S2
Revision: 2006 January2006 M35/M45
2. CHECK HO2S2 GROUND CIRCUIT FOR OPEN AND SHORT
1. Disconnect heated oxygen sensor 2 harness connector.
2. Disconnect ECM harness connector.
3. Check harness continuity between ECM terminal 78 and HO2S2
terminal 4.
Refer to Wiring Diagram.
4. Also check harness for short to ground and short to power.
OK or NG
OK >> GO TO 3.
NG >> Repair open circuit or short to ground or short to power
in harness or connectors.
3. CHECK HO2S2 INPUT SIGNAL CIRCUIT FOR OPEN AND SHORT
1. Check harness continuity between ECM terminal and HO2S2 terminal as follows.
Refer to Wiring Diagram.
2. Check harness continuity between the following terminals and ground.
Refer to Wiring Diagram.
3. Also check harness for short to power.
OK or NG
OK >> GO TO 4.
NG >> Repair open circuit or short to ground or short to power in harness or connectors.
4. CHECK HO2S2 CONNECTOR FOR WATER
Check connectors for water.
OK or NG
OK >> GO TO 5.
NG >> Repair or replace harness or connectors.
5. CHECK HEATED OXYGEN SENSOR 2
Refer to EC-307, "
Component Inspection" .
OK or NG
OK >> GO TO 6.
NG >> Replace malfunctioning heated oxygen sensor 2.Continuity should exist.
PBIB1576E
DTCTerminals
Bank
ECM Sensor
P0138 74 1 1
P0158 55 1 2
Continuity should exist.
DTCTerminals
Bank
ECM Sensor
P0138 74 1 1
P0158 55 1 2
Continuity should not exist.
Water should not exist.
Page 1848 of 5621
![INFINITI M35 2006 Factory Service Manual DTC P0138, P0158 HO2S2
EC-305
[VQ35DE]
C
D
E
F
G
H
I
J
K
L
MA
EC
Revision: 2006 January2006 M35/M45
6. CHECK INTERMITTENT INCIDENT
Refer to EC-165, "
TROUBLE DIAGNOSIS FOR INTERMITTENT INCIDENT INFINITI M35 2006 Factory Service Manual DTC P0138, P0158 HO2S2
EC-305
[VQ35DE]
C
D
E
F
G
H
I
J
K
L
MA
EC
Revision: 2006 January2006 M35/M45
6. CHECK INTERMITTENT INCIDENT
Refer to EC-165, "
TROUBLE DIAGNOSIS FOR INTERMITTENT INCIDENT](/img/42/57023/w960_57023-1847.png)
DTC P0138, P0158 HO2S2
EC-305
[VQ35DE]
C
D
E
F
G
H
I
J
K
L
MA
EC
Revision: 2006 January2006 M35/M45
6. CHECK INTERMITTENT INCIDENT
Refer to EC-165, "
TROUBLE DIAGNOSIS FOR INTERMITTENT INCIDENT" .
>>INSPECTION END
PROCEDURE FOR MALFUNCTION B
1. CHECK GROUND CONNECTIONS
1. Turn ignition switch OFF.
2. Loosen and retighten two ground screws on the body.
Refer to EC-172, "
Ground Inspection" .
OK or NG
OK >> GO TO 2.
NG >> Repair or replace ground connections.
1. Body ground M70 2. Body ground M16
PBIB2782E
Page 1849 of 5621
![INFINITI M35 2006 Factory Service Manual EC-306
[VQ35DE]
DTC P0138, P0158 HO2S2
Revision: 2006 January2006 M35/M45
2. CLEAR THE SELF-LEARNING DATA
With CONSULT-II
1. Start engine and warm it up to normal operating temperature.
2. Select INFINITI M35 2006 Factory Service Manual EC-306
[VQ35DE]
DTC P0138, P0158 HO2S2
Revision: 2006 January2006 M35/M45
2. CLEAR THE SELF-LEARNING DATA
With CONSULT-II
1. Start engine and warm it up to normal operating temperature.
2. Select](/img/42/57023/w960_57023-1848.png)
EC-306
[VQ35DE]
DTC P0138, P0158 HO2S2
Revision: 2006 January2006 M35/M45
2. CLEAR THE SELF-LEARNING DATA
With CONSULT-II
1. Start engine and warm it up to normal operating temperature.
2. Select “SELF-LEARNING CONT” in “WORK SUPPORT” mode
with CONSULT-II.
3. Clear the self-learning control coefficient by touching “CLEAR”.
4. Run engine for at least 10 minutes at idle speed.
Is the 1st trip DTC P0172 or P0175 detected?
Is it difficult to start engine?
Without CONSULT-II
1. Start engine and warm it up to normal operating temperature.
2. Turn ignition switch OFF.
3. Disconnect mass air flow sensor (1) harness connector, and
restart and run engine for at least 5 seconds at idle speed.
4. Stop engine and reconnect mass air flow sensor harness con-
nector.
5. Make sure DTC P0102 is displayed.
6. Erase the DTC memory. Refer to EC-67, "
HOW TO ERASE
EMISSION-RELATED DIAGNOSTIC INFORMATION" .
7. Make sure DTC P0000 is displayed.
8. Run engine for at least 10 minutes at idle speed.
Is the 1st trip DTC P0172 or P0175 detected?
Is it difficult to start engine?
Ye s o r N o
Yes >> Perform trouble diagnosis for DTC P0172, P0175. Refer to EC-332, "DTC P0172, P0175 FUEL
INJECTION SYSTEM FUNCTION" .
No >> GO TO 3.
3. CHECK HO2S2 GROUND CIRCUIT FOR OPEN AND SHORT
1. Turn ignition switch OFF.
2. Disconnect heated oxygen sensor 2 harness connector.
3. Disconnect ECM harness connector.
4. Check harness continuity between ECM terminal 78 and HO2S2
terminal 4.
Refer to Wiring Diagram.
5. Also check harness for short to ground and short to power.
OK or NG
OK >> GO TO 4.
NG >> Repair open circuit or short to ground or short to power
in harness or connectors.
SEF968Y
PBIB2783E
Continuity should exist.
PBIB1576E
Page 1850 of 5621
![INFINITI M35 2006 Factory Service Manual DTC P0138, P0158 HO2S2
EC-307
[VQ35DE]
C
D
E
F
G
H
I
J
K
L
MA
EC
Revision: 2006 January2006 M35/M45
4. CHECK HO2S2 INPUT SIGNAL CIRCUIT FOR OPEN AND SHORT
1. Check harness continuity between ECM termi INFINITI M35 2006 Factory Service Manual DTC P0138, P0158 HO2S2
EC-307
[VQ35DE]
C
D
E
F
G
H
I
J
K
L
MA
EC
Revision: 2006 January2006 M35/M45
4. CHECK HO2S2 INPUT SIGNAL CIRCUIT FOR OPEN AND SHORT
1. Check harness continuity between ECM termi](/img/42/57023/w960_57023-1849.png)
DTC P0138, P0158 HO2S2
EC-307
[VQ35DE]
C
D
E
F
G
H
I
J
K
L
MA
EC
Revision: 2006 January2006 M35/M45
4. CHECK HO2S2 INPUT SIGNAL CIRCUIT FOR OPEN AND SHORT
1. Check harness continuity between ECM terminal and HO2S2 terminal as follows.
Refer to Wiring Diagram.
2. Check harness continuity between the following terminals and ground.
Refer to Wiring Diagram.
3. Also check harness for short to power.
OK or NG
OK >> GO TO 5.
NG >> Repair open circuit or short to ground or short to power in harness or connectors.
5. CHECK HEATED OXYGEN SENSOR 2
Refer to EC-307, "
Component Inspection" .
OK or NG
OK >> GO TO 6.
NG >> Replace malfunctioning heated oxygen sensor 2.
6. CHECK INTERMITTENT INCIDENT
Refer to EC-165, "
TROUBLE DIAGNOSIS FOR INTERMITTENT INCIDENT" .
>>INSPECTION END
Component InspectionNBS004XH
HEATED OXYGEN SENSOR 2
With CONSULT-II
1. Turn ignition switch ON and select “DATA MONITOR” mode with
CONSULT-II.
2. Start engine and warm it up to the normal operating tempera-
ture.
3. Turn ignition switch OFF and wait at least 10 seconds.
4. Start engine and keep the engine speed between 3,500 and
4,000 rpm for at least 1 minute under no load.
5. Let engine idle for 1 minute.
DTCTe r m i n a l s
Bank
ECM Sensor
P0138 74 1 1
P0158 55 1 2
Continuity should exist.
DTCTe r m i n a l s
Bank
ECM Sensor
P0138 74 1 1
P0158 55 1 2
Continuity should not exist.
SEF174Y