INFINITI M35 2006 Factory Service Manual
M35 2006
INFINITI
INFINITI
https://www.carmanualsonline.info/img/42/57023/w960_57023-0.png
INFINITI M35 2006 Factory Service Manual
Trending: turn signal, crankshaft, oil capacity, Intake Manifold, recommended oil, ESP inoperative, navigation
Page 2371 of 5621
EC-828
[VK45DE]
TROUBLE DIAGNOSIS
Revision: 2006 January2006 M35/M45
: Vehicle front
1. VIAS control solenoid valve 2. Power valve actuator 3. Vacuum tank
4. ICC brake hold relay
(ICC models only)5. Cooling fan motor-1 6. Cooling fan motor-2
7. Cooling fan control module 8. Cooling fan relay
PBIB2678E
Page 2372 of 5621
TROUBLE DIAGNOSIS
EC-829
[VK45DE]
C
D
E
F
G
H
I
J
K
L
MA
EC
Revision: 2006 January2006 M35/M45
: Vehicle front
1. EVAP canister purge volume control
solenoid valve2. EVAP service port 3. EVAP canister vent control valve
4. EVAP control system pressure sensor 5. EVAP canister 6. Crankshaft position sensor (POS)
7. Power steering pressure sensor
PBIB2679E
Page 2373 of 5621
EC-830
[VK45DE]
TROUBLE DIAGNOSIS
Revision: 2006 January2006 M35/M45
PBIB2710E
1. Air fuel ratio (A/F) sensor 1 (bank 1) 2. Heated oxygen sensor 2 (bank 1) 3. Heated oxygen sensor 2 (bank 1)
harness connector
4. Heated oxygen sensor 2 (bank 2)
harness connector5. Heated oxygen sensor 2 (bank 2) 6. Air fuel ratio (A/F) sensor 1 (bank 2)
PBIB2711E
Page 2374 of 5621
TROUBLE DIAGNOSIS
EC-831
[VK45DE]
C
D
E
F
G
H
I
J
K
L
MA
EC
Revision: 2006 January2006 M35/M45
1. ECM 2. Data link connector 3. Accelerator pedal position sensor
4. Stop lamp switch 5. ICC brake switch
(models with ICC)
ASCD brake switch
(models with ASCD)6. ICC steering switch
(models with ICC)
ASCD steering switch
(models with ASCD)
7. RESUME/ACCELERATE switch 8. SET/COAST switch 9. CANCEL switch
10. DISTANCE switch
(ICC models only)11 . M A I N s w i t c h
PBIB2680E
Page 2375 of 5621
EC-832
[VK45DE]
TROUBLE DIAGNOSIS
Revision: 2006 January2006 M35/M45
: Vehicle front
1. Fuel level sensor unit and fuel pump
harness connector2. Fuel level sensor unit and fuel pump 3. Fuel pressure regulator
4. Fuel tank temperature sensor 5. FPCM 6. Dropping resistor
PBIB2681E
Page 2376 of 5621
TROUBLE DIAGNOSIS
EC-833
[VK45DE]
C
D
E
F
G
H
I
J
K
L
MA
EC
Revision: 2006 January2006 M35/M45
Vacuum Hose DrawingNBS005AJ
Refer to EC-740, "System Diagram" for Vacuum Control System.
: Vehicle front : To EVAP canister purge volume control solenoid valve
1. Intake manifold collector 2. Vacuum tank 3. VIAS control solenoid valve
4. Power valve actuator
NOTE:
Do not use soapy water or any type of solvent while installing vacuum hoses or purge hoses.
PBIB2732E
Page 2377 of 5621
EC-834
[VK45DE]
TROUBLE DIAGNOSIS
Revision: 2006 January2006 M35/M45
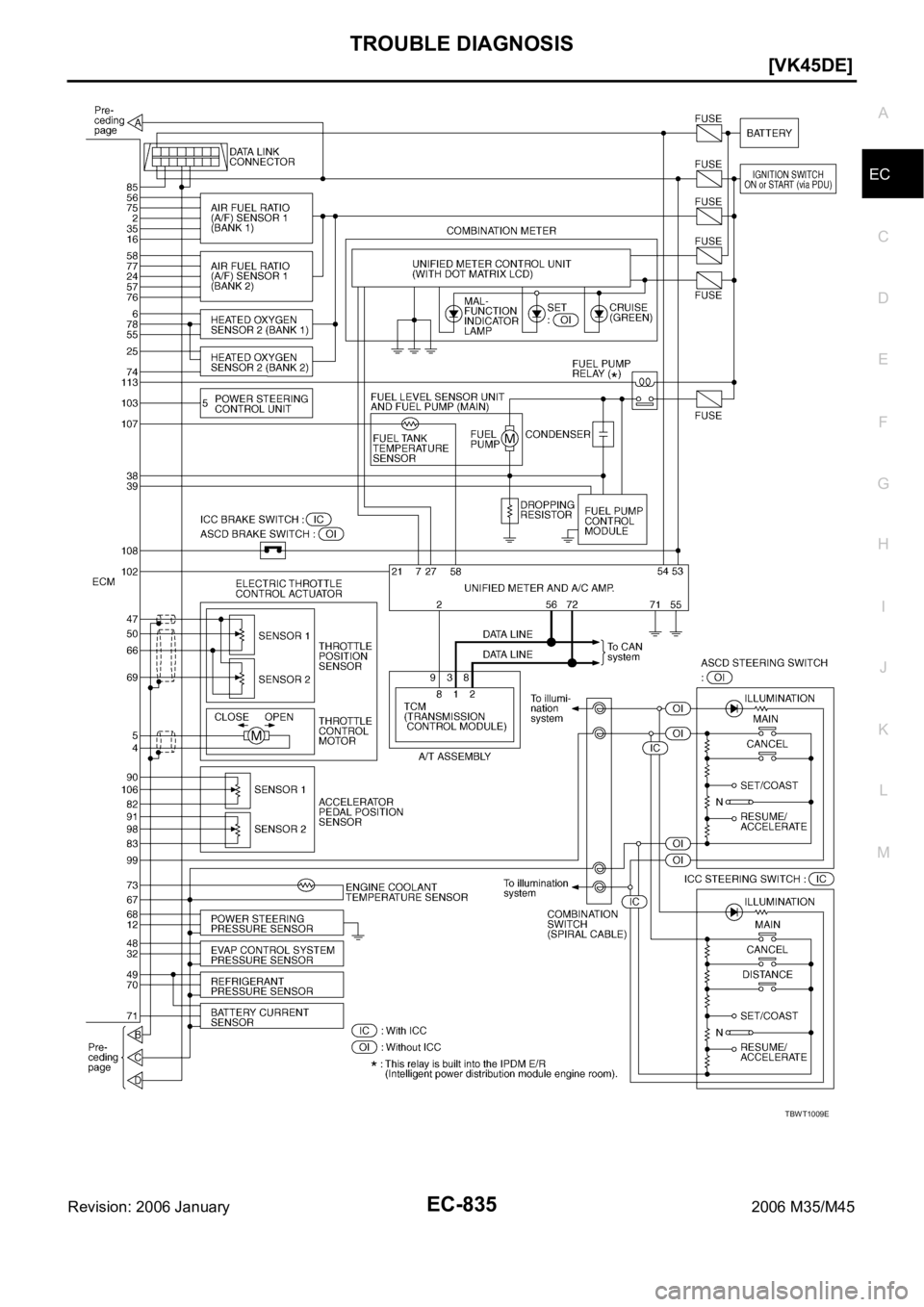
Circuit DiagramNBS005AK
TBWT1008E
Page 2378 of 5621
TROUBLE DIAGNOSIS
EC-835
[VK45DE]
C
D
E
F
G
H
I
J
K
L
MA
EC
Revision: 2006 January2006 M35/M45
TBWT1009E
Page 2379 of 5621
![INFINITI M35 2006 Factory Service Manual EC-836
[VK45DE]
TROUBLE DIAGNOSIS
Revision: 2006 January2006 M35/M45
ECM Harness Connector Terminal LayoutNBS005AL
ECM Terminals and Reference ValueNBS005AM
PREPARATION
1. ECM (1) is located behind t INFINITI M35 2006 Factory Service Manual EC-836
[VK45DE]
TROUBLE DIAGNOSIS
Revision: 2006 January2006 M35/M45
ECM Harness Connector Terminal LayoutNBS005AL
ECM Terminals and Reference ValueNBS005AM
PREPARATION
1. ECM (1) is located behind t](/img/42/57023/w960_57023-2378.png)
EC-836
[VK45DE]
TROUBLE DIAGNOSIS
Revision: 2006 January2006 M35/M45
ECM Harness Connector Terminal LayoutNBS005AL
ECM Terminals and Reference ValueNBS005AM
PREPARATION
1. ECM (1) is located behind the passenger side instrument lower
panel. For this inspection, remove passenger side instrument
lower panel.
2. Remove ECM harness connector.
3. When disconnecting ECM harness connector, loosen (A) it with
levers (2) as far as they will go as shown in the figure.
ECM (1)
Fasten (B)
4. Connect a break-out box (SST) and Y-cable adapter (SST)
between the ECM and ECM harness connector.
Use extreme care not to touch 2 pins at one time.
Data is for comparison and may not be exact.
ECM INSPECTION TABLE
Specification data are reference values and are measured between each terminal and ground.
Pulse signal is measured by CONSULT-II.
CAUTION:
Do not use ECM ground terminals when measuring input/output voltage. Doing so may result in dam-
age to the ECMs transistor. Use a ground other than ECM terminals, such as the ground.
PBIB1192E
PBIB2703E
PBIB2714E
TER-
MINAL
NO.WIRE
COLORITEM CONDITION DATA (DC Voltage)
1 B ECM ground[Engine is running]
Idle speedBody ground
2SBA/F sensor 1 heater
(bank 1)[Engine is running]
Warm-up condition
Idle speedApproximately 5V
PBIB1584E
Page 2380 of 5621
![INFINITI M35 2006 Factory Service Manual TROUBLE DIAGNOSIS
EC-837
[VK45DE]
C
D
E
F
G
H
I
J
K
L
MA
EC
Revision: 2006 January2006 M35/M453RThrottle control motor relay
power supply[Ignition switch: ON]BATTERY VOLTAGE
(11 - 14V)
4L/WThrottle c INFINITI M35 2006 Factory Service Manual TROUBLE DIAGNOSIS
EC-837
[VK45DE]
C
D
E
F
G
H
I
J
K
L
MA
EC
Revision: 2006 January2006 M35/M453RThrottle control motor relay
power supply[Ignition switch: ON]BATTERY VOLTAGE
(11 - 14V)
4L/WThrottle c](/img/42/57023/w960_57023-2379.png)
TROUBLE DIAGNOSIS
EC-837
[VK45DE]
C
D
E
F
G
H
I
J
K
L
MA
EC
Revision: 2006 January2006 M35/M453RThrottle control motor relay
power supply[Ignition switch: ON]BATTERY VOLTAGE
(11 - 14V)
4L/WThrottle control motor
(Close)[Ignition switch: ON]
Engine stopped
Selector lever: D
Accelerator pedal: Released0 - 14V
5L/BThrottle control motor
(Open)[Ignition switch: ON]
Engine stopped
Selector lever: D
Accelerator pedal: Fully depressed0 - 14V
6R/LHeated oxygen sensor 2
heater (bank 1)[Engine is running]
Engine speed: Below 3,600 rpm after the
following conditions are met
–Engine: after warming up
–Keeping the engine speed between 3,500
and 4,000 rpm for 1 minute and at idle for 1
minute under no load0 - 1.0V
[Ignition switch: ON]
Engine stopped
[Engine is running]
Engine speed: Above 3,600 rpmBATTERY VOLTAGE
(11 - 14V)
10 W/GIntake valve timing control
solenoid valve (bank 1)[Engine is running]
Warm-up condition
Idle speedBATTERY VOLTAGE
(11 - 14V)
[Engine is running]
Warm-up condition
Engine speed: 2,000rpm7 - 12V
11 G / OIntake valve timing control
solenoid valve (bank 2)[Engine is running]
Warm-up condition
Idle speedBATTERY VOLTAGE
(11 - 14V)
[Engine is running]
Warm-up condition
Engine speed: 2,000rpm7 - 12V TER-
MINAL
NO.WIRE
COLORITEM CONDITION DATA (DC Voltage)
PBIB1104E
PBIB1105E
PBIB1790E
PBIB1790E
Trending: Center console wiring, tire type, satellite, interior lights, clutch, ESP inoperative, washer fluid