INFINITI M35 2006 Factory Service Manual
M35 2006
INFINITI
INFINITI
https://www.carmanualsonline.info/img/42/57023/w960_57023-0.png
INFINITI M35 2006 Factory Service Manual
Trending: fluids, child restraint, parking brake, checking brake fluid, adding oil, power windows, check oil
Page 4091 of 5621
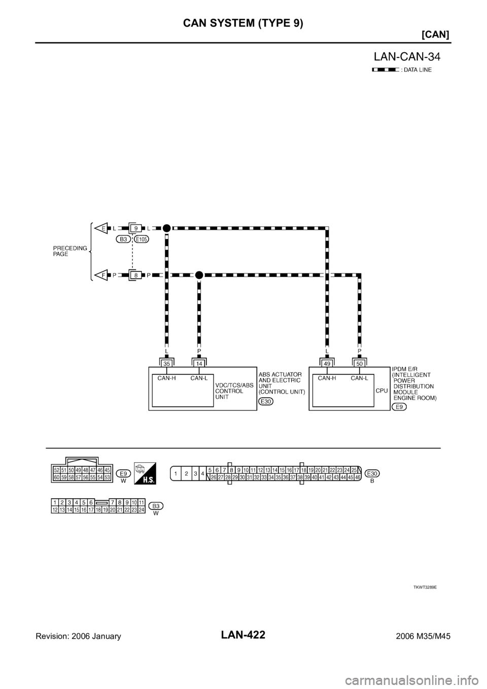
LAN-422
[CAN]
CAN SYSTEM (TYPE 9)
Revision: 2006 January2006 M35/M45
TKWT3289E
Page 4092 of 5621
CAN SYSTEM (TYPE 9)
LAN-423
[CAN]
C
D
E
F
G
H
I
J
L
MA
B
LAN
Revision: 2006 January2006 M35/M45
Check SheetNKS0043B
NOTE:
If a check mark is put on “NG” on “INITIAL DIAG (Initial diagnosis)”, replace the control unit.
PKIB8468E
Page 4093 of 5621
LAN-424
[CAN]
CAN SYSTEM (TYPE 9)
Revision: 2006 January2006 M35/M45
PKIB9563E
Page 4094 of 5621
CAN SYSTEM (TYPE 9)
LAN-425
[CAN]
C
D
E
F
G
H
I
J
L
MA
B
LAN
Revision: 2006 January2006 M35/M45
PKIB9564E
Page 4095 of 5621
LAN-426
[CAN]
CAN SYSTEM (TYPE 9)
Revision: 2006 January2006 M35/M45
CHECK SHEET RESULTS (EXAMPLE)
NOTE:
If a check mark is put on “NG” on “INITIAL DIAG (Initial diagnosis)”, replace the control unit.
Case 1
Check harness between TCM and data link connector. Refer to LAN-447, "Inspection Between TCM and Data
Link Connector Circuit" .
PKIB8469E
SKIB4323E
Page 4096 of 5621
CAN SYSTEM (TYPE 9)
LAN-427
[CAN]
C
D
E
F
G
H
I
J
L
MA
B
LAN
Revision: 2006 January2006 M35/M45
Case 2
Check harness between data link connector and RAS control unit. Refer to LAN-448, "Inspection Between
Data Link Connector and RAS Control Unit Circuit" .
PKIB8470E
SKIB4324E
Page 4097 of 5621
LAN-428
[CAN]
CAN SYSTEM (TYPE 9)
Revision: 2006 January2006 M35/M45
Case 3
Check harness between RAS control unit and pre-crash seat belt control unit. Refer to LAN-449, "Inspection
Between RAS Control Unit and Pre-Crash Seat Belt Control Unit Circuit" .
PKIB8471E
SKIB4325E
Page 4098 of 5621
CAN SYSTEM (TYPE 9)
LAN-429
[CAN]
C
D
E
F
G
H
I
J
L
MA
B
LAN
Revision: 2006 January2006 M35/M45
Case 4
Check harness between pre-crash seat belt control unit and driver seat control unit. Refer to LAN-449,
"Inspection Between Pre-Crash Seat Belt Control Unit and Driver Seat Control Unit Circuit" .
PKIB8472E
SKIB4326E
Page 4099 of 5621
LAN-430
[CAN]
CAN SYSTEM (TYPE 9)
Revision: 2006 January2006 M35/M45
Case 5
Check harness between driver seat control unit and ABS actuator and electric unit (control unit). Refer to LAN-
450, "Inspection Between Driver seat control unit and ABS Actuator and Electric Unit (Control Unit) Circuit" .
PKIB8473E
SKIB4327E
Page 4100 of 5621
CAN SYSTEM (TYPE 9)
LAN-431
[CAN]
C
D
E
F
G
H
I
J
L
MA
B
LAN
Revision: 2006 January2006 M35/M45
Case 6
Check ECM circuit. Refer to LAN-450, "ECM Circuit Inspection" .
PKIB8474E
SKIB4328E
Trending: turn signals, Rear suspension, radiator, wheel bolt torque, engine cooling, glove box, Crankshaft Position Sensor A