INFINITI M35 2006 Factory Service Manual
M35 2006
INFINITI
INFINITI
https://www.carmanualsonline.info/img/42/57023/w960_57023-0.png
INFINITI M35 2006 Factory Service Manual
Trending: buttons, four wheel drive, cam sensor, change key battery, check engine light, hood open, lights
Page 4321 of 5621
LAN-652
[CAN]
CAN SYSTEM (TYPE 13)
Revision: 2006 January2006 M35/M45
14. CHECK HARNESS FOR SHORT CIRCUIT
1. Disconnect following connectors.
–Pre-crash seat belt control unit connector
–Harness connector B15
–Harness connector B3
2. Check continuity between harness connector terminals.
OK or NG
OK >> GO TO 15.
NG >> Replace harness.
15. CHECK HARNESS FOR SHORT CIRCUIT
Check continuity between harness connector terminals and ground.
OK or NG
OK >> GO TO 16.
NG >> Replace harness.
16. CHECK HARNESS FOR SHORT CIRCUIT
1. Disconnect driver seat control unit connector.
2. Check continuity between driver seat control unit harness con-
nector terminals.
OK or NG
OK >> GO TO 17.
NG >> Repair harness between driver seat control unit and har-
ness connector B202.
Harness connector Terminal Continuity
B15 3 19 No
PKIC0292E
Harness connector Terminal
GroundContinuity
B153No
19 No
PKIC0293E
Driver seat control
unit connectorTerminal Continuity
B204 3 19 No
PKIA6842E
Page 4322 of 5621
![INFINITI M35 2006 Factory Service Manual CAN SYSTEM (TYPE 13)
LAN-653
[CAN]
C
D
E
F
G
H
I
J
L
MA
B
LAN
Revision: 2006 January2006 M35/M45
17. CHECK HARNESS FOR SHORT CIRCUIT
Check continuity between driver seat control unit harness connector INFINITI M35 2006 Factory Service Manual CAN SYSTEM (TYPE 13)
LAN-653
[CAN]
C
D
E
F
G
H
I
J
L
MA
B
LAN
Revision: 2006 January2006 M35/M45
17. CHECK HARNESS FOR SHORT CIRCUIT
Check continuity between driver seat control unit harness connector](/img/42/57023/w960_57023-4321.png)
CAN SYSTEM (TYPE 13)
LAN-653
[CAN]
C
D
E
F
G
H
I
J
L
MA
B
LAN
Revision: 2006 January2006 M35/M45
17. CHECK HARNESS FOR SHORT CIRCUIT
Check continuity between driver seat control unit harness connector
terminals and ground.
OK or NG
OK >> GO TO 18.
NG >> Repair harness between driver seat control unit and har-
ness connector B202.
18. CHECK HARNESS FOR SHORT CIRCUIT
1. Disconnect ABS actuator and electric unit (control unit) connector and IPDM E/R connector.
2. Check continuity between IPDM E/R harness connector termi-
nals.
OK or NG
OK >> GO TO 19.
NG >> Check the following harnesses. If any harness is dam-
aged, repair the harness.
Harness between IPDM E/R and harness connector
E105
Harness between IPDM E/R and ABS actuator and electric unit (control unit)
19. CHECK HARNESS FOR SHORT CIRCUIT
Check continuity between IPDM E/R harness connector terminals
and ground.
OK or NG
OK >> GO TO 20.
NG >> Check the following harnesses. If any harness is dam-
aged, repair the harness.
Harness between IPDM E/R and harness connector E105
Harness between IPDM E/R and ABS actuator and electric unit (control unit)
Driver seat control
unit connectorTerminal
GroundContinuity
B2043No
19 No
SKIA5025E
IPDM E/R
connectorTerminal Continuity
E9 49 50 No
PKIC0290E
IPDM E/R
connectorTerminal
GroundContinuity
E949 No
50 No
PKIC0294E
Page 4323 of 5621
![INFINITI M35 2006 Factory Service Manual LAN-654
[CAN]
CAN SYSTEM (TYPE 13)
Revision: 2006 January2006 M35/M45
20. CHECK ECM AND IPDM E/R INTERNAL CIRCUIT
1. Remove ECM and IPDM E/R from vehicle.
2. Check resistance between ECM terminals.
3. INFINITI M35 2006 Factory Service Manual LAN-654
[CAN]
CAN SYSTEM (TYPE 13)
Revision: 2006 January2006 M35/M45
20. CHECK ECM AND IPDM E/R INTERNAL CIRCUIT
1. Remove ECM and IPDM E/R from vehicle.
2. Check resistance between ECM terminals.
3.](/img/42/57023/w960_57023-4322.png)
LAN-654
[CAN]
CAN SYSTEM (TYPE 13)
Revision: 2006 January2006 M35/M45
20. CHECK ECM AND IPDM E/R INTERNAL CIRCUIT
1. Remove ECM and IPDM E/R from vehicle.
2. Check resistance between ECM terminals.
3. Check resistance between IPDM E/R terminals.
OK or NG
OK >> GO TO 21.
NG >> Replace ECM and/or IPDM E/R.
21. CHECK SYMPTOM
1. Fill in described symptoms on the column “Symptom” in the check sheet.
2. Connect all connectors, and then make sure that the symptom is reproduced.
OK or NG
OK >> GO TO 22.
NG >> Refer to LAN-18, "
Example of Filling in Check Sheet When Initial Conditions Are Not Reproduced"
.
22. CHECK UNIT REPRODUCIBILITY
Performs the following procedure for each unit, and then perform reproducibility test.
1. Turn ignition switch OFF.
2. Disconnect the battery cable from the negative terminal.
3. Disconnect the unit connector.
4. Connect the battery cable to the negative terminal.
5. Make sure that the symptom filled in the “Symptom” of the check sheet is reproduced. (Do not confuse it
with the symptom related to removed unit.)
6. Make sure that the same symptom is reproduced.
–A/T assembly
–AWD control unit
–AFS control unit
–BCM
–Low tire pressure warning control unit
–Steering angle sensor
–Intelligent Key unit
–Unified meter and A/C amp.
–AV control unit
–Pre-crash seat belt control unit
–Driver seat control unit
–ABS actuator and electric unit (control unit)
–ECM
–IPDM E/R
Check results
Reproduce>>Install removed unit, and then check the other unit.
Not reproduced>>Replace removed unit.
TerminalResistance
(Approx.)
94 86 108 – 132
TerminalResistance
(Approx.)
49 50 108 – 132
LKIA0037E
Page 4324 of 5621
CAN SYSTEM (TYPE 13)
LAN-655
[CAN]
C
D
E
F
G
H
I
J
L
MA
B
LAN
Revision: 2006 January2006 M35/M45
IPDM E/R Ignition Relay Circuit InspectionNKS0046N
Check the following. If no malfunction is found, replace the IPDM E/R.
IPDM E/R power supply circuit. Refer to PG-30, "Check IPDM E/R Power Supply and Ground Circuit" .
Ignition power supply circuit. Refer to PG-12, "IGNITION POWER SUPPLY — IGNITION SW. IN “ON”
AND/OR “START”" .
Page 4325 of 5621
LAN-656
[CAN]
CAN SYSTEM (TYPE 14)
Revision: 2006 January2006 M35/M45
CAN SYSTEM (TYPE 14)PFP:23710
Component Parts and Harness Connector LocationNKS0046O
PKIC0612E
Page 4326 of 5621
CAN SYSTEM (TYPE 14)
LAN-657
[CAN]
C
D
E
F
G
H
I
J
L
MA
B
LAN
Revision: 2006 January2006 M35/M45
SchematicNKS0046P
TKWT3308E
Page 4327 of 5621
LAN-658
[CAN]
CAN SYSTEM (TYPE 14)
Revision: 2006 January2006 M35/M45
Wiring Diagram — CAN —NKS0046Q
TKWT3309E
Page 4328 of 5621
CAN SYSTEM (TYPE 14)
LAN-659
[CAN]
C
D
E
F
G
H
I
J
L
MA
B
LAN
Revision: 2006 January2006 M35/M45
TKWT3310E
Page 4329 of 5621
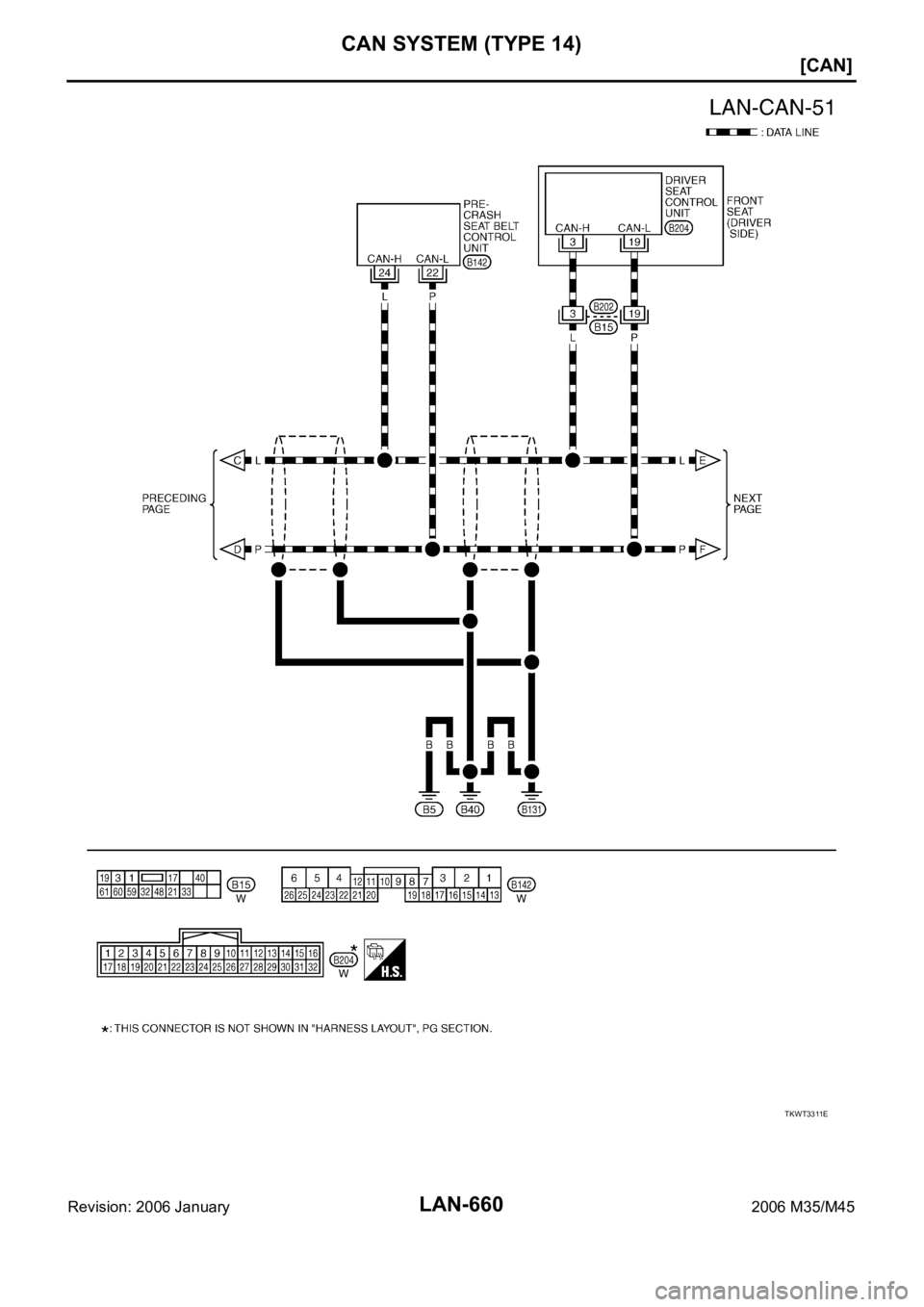
LAN-660
[CAN]
CAN SYSTEM (TYPE 14)
Revision: 2006 January2006 M35/M45
TKWT3311E
Page 4330 of 5621
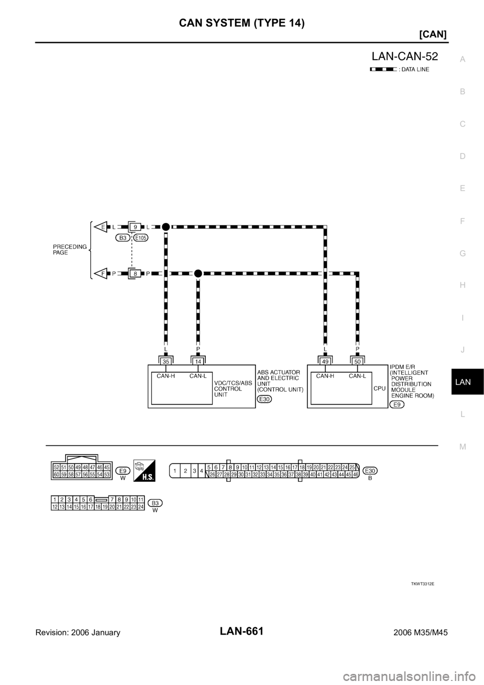
CAN SYSTEM (TYPE 14)
LAN-661
[CAN]
C
D
E
F
G
H
I
J
L
MA
B
LAN
Revision: 2006 January2006 M35/M45
TKWT3312E
Trending: lug pattern, sensor, cabin filter, oil temperature, key, width, turn signals