INFINITI M35 2006 Factory Service Manual
M35 2006
INFINITI
INFINITI
https://www.carmanualsonline.info/img/42/57023/w960_57023-0.png
INFINITI M35 2006 Factory Service Manual
Trending: release fuel pressure, camshaft position sensor, radio, diagnostic menu, navigation update, jump cable, spare tire
Page 4281 of 5621
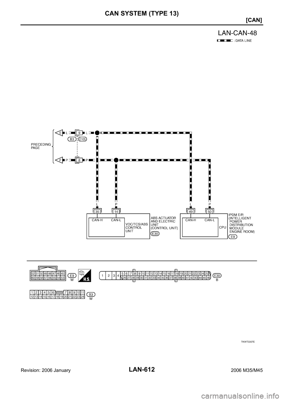
LAN-612
[CAN]
CAN SYSTEM (TYPE 13)
Revision: 2006 January2006 M35/M45
TKWT3307E
Page 4282 of 5621
CAN SYSTEM (TYPE 13)
LAN-613
[CAN]
C
D
E
F
G
H
I
J
L
MA
B
LAN
Revision: 2006 January2006 M35/M45
Check SheetNKS00462
NOTE:
If a check mark is put on “NG” on “INITIAL DIAG (Initial diagnosis)”, replace the control unit.
PKIB8539E
Page 4283 of 5621
LAN-614
[CAN]
CAN SYSTEM (TYPE 13)
Revision: 2006 January2006 M35/M45
PKIB9569E
Page 4284 of 5621
CAN SYSTEM (TYPE 13)
LAN-615
[CAN]
C
D
E
F
G
H
I
J
L
MA
B
LAN
Revision: 2006 January2006 M35/M45
PKIB9570E
Page 4285 of 5621
LAN-616
[CAN]
CAN SYSTEM (TYPE 13)
Revision: 2006 January2006 M35/M45
CHECK SHEET RESULTS (EXAMPLE)
NOTE:
If a check mark is put on “NG” on “INITIAL DIAG (Initial diagnosis)”, replace the control unit.
Case 1
Check harness between TCM and data link connector. Refer to LAN-636, "Inspection Between TCM and Data
Link Connector Circuit" .
PKIB8540E
SKIB4439E
Page 4286 of 5621
CAN SYSTEM (TYPE 13)
LAN-617
[CAN]
C
D
E
F
G
H
I
J
L
MA
B
LAN
Revision: 2006 January2006 M35/M45
Case 2
Check harness between data link connector and pre-crash seat belt control unit. Refer to LAN-637, "Inspec-
tion Between Data Link Connector and Pre-Crash Seat Belt Control Unit Circuit" .
PKIB8541E
SKIB4440E
Page 4287 of 5621
LAN-618
[CAN]
CAN SYSTEM (TYPE 13)
Revision: 2006 January2006 M35/M45
Case 3
Check harness between pre-crash seat belt control unit and driver seat control unit. Refer to LAN-638,
"Inspection Between Pre-Crash Seat Belt Control Unit and Driver Seat Control Unit Circuit" .
PKIB8542E
SKIB4441E
Page 4288 of 5621
CAN SYSTEM (TYPE 13)
LAN-619
[CAN]
C
D
E
F
G
H
I
J
L
MA
B
LAN
Revision: 2006 January2006 M35/M45
Case 4
Check harness between driver seat control unit and ABS actuator and electric unit (control unit). Refer to LAN-
638, "Inspection Between Driver Seat Control Unit and ABS Actuator and Electric Unit (Control Unit) Circuit" .
PKIB8543E
SKIB4442E
Page 4289 of 5621
LAN-620
[CAN]
CAN SYSTEM (TYPE 13)
Revision: 2006 January2006 M35/M45
Case 5
Check ECM circuit. Refer to LAN-639, "ECM Circuit Inspection" .
PKIB8544E
SKIB4443E
Page 4290 of 5621
CAN SYSTEM (TYPE 13)
LAN-621
[CAN]
C
D
E
F
G
H
I
J
L
MA
B
LAN
Revision: 2006 January2006 M35/M45
Case 6
Check TCM circuit. Refer to LAN-640, "TCM Circuit Inspection" .
PKIB8545E
SKIB4444E
Trending: warning light, tire pressure reset, shifter, engine oil capacity, oil reset, wiper blades, wheel alignment