INFINITI M35 2006 Factory Service Manual
Manufacturer: INFINITI, Model Year: 2006, Model line: M35, Model: INFINITI M35 2006Pages: 5621, PDF Size: 65.56 MB
Page 4561 of 5621

LT-134
ACTIVE AFS
Revision: 2006 January2006 M35/M45
ACTIVE AFSPFP:253C0
Component Parts and Harness Connector LocationNKS003QE
SKIB4767E
Page 4562 of 5621

ACTIVE AFS
LT-135
C
D
E
F
G
H
I
J
L
MA
B
LT
Revision: 2006 January2006 M35/M45
System DescriptionNKS003QF
AFS control unit controls AFS and headlamp auto aiming.
The following signals are input to AFS control unit via CAN communication:
Steering angle sensor signal
A/T position indicator signal
Low beam status signal
Vehicle speed signal
Engine speed signal
Other signals are input as follows:
AFS switch signal from AFS switch connected to AFS control unit
Height sensor signal from height sensor connected to AFS control unit
Swivel position sensor signal from swivel position sensor built into both right and left swivel actuators con-
nected to AFS control unit
In response to the state of control, AFS control unit switches commands of AFS off indicator signal sent to uni-
fied meter and A/C amp. via CAN communication; and then turns on/off or blinks AFS off indicator lamp built in
the combination meter.
AFS (ADAPTIVE FRONT-LIGHTING SYSTEM)
AFS increases viewability of cornering direction by changing light axis automatically to the direction of travel
with low beam headlamps during vehicle's cornering.
AFS switch allows AFS function to be stopped.
AFS control unit determines the current vehicle conditions by each received signals, and sends commands to
the low beam headlamp to swivel. With the headlamps (HIGH/LOW) illuminated, the AFS switch on, engine
running and the A/T select lever in any position but range P or range R, the low beam headlamps are opera-
tive by AFS control unit commands.
As the steering wheel is turned to the left (right), the left (right) low beam headlamp will automatically swivel
angle in accordance with the steering angle and vehicle speed, and stop the operation when the steering
wheel is returned to the straight-ahead position.
Swivel operation allows drive signal to be sent to the swivel actuator on the side that AFS control unit is actu-
ated. Step motor built in swivel actuator adjusts low beam projector of headlamp to swivel angle that matches
drive signal. Swivel position sensor built in swivel actuator detects swivel angle and transmits a swivel position
sensor signal to the AFS control unit. AFS control unit monitors if swivel operation is performed normally via
swivel position sensor signal.
Swivel operation
*1: Included high beam illuminated.
*2: The swivel operates when running at approx. 25 km/h (15.5 MPH). When swivel operation is started, it works on until vehicle
stops.
*3: The low beam headlamps perform small movements when AFS control unit detects start of the engine. This is normal with ini-
tialization of swivel actuator by AFS control unit.Low beam
statusA/T selector
lever positionVehicle speed AFS switch Engine speed Low beam
headlamp LH
(swivel)Low beam
headlamp RH
(swivel)
Left turn
Illuminated*
1Except P, R
Running*2ONWhile engine
running*3
Right turn
Illuminated*1Except P, R Irrespective ONWhile engine
running*3
Page 4563 of 5621

LT-136
ACTIVE AFS
Revision: 2006 January2006 M35/M45
HEADLAMP AUTO AIMING
Headlamp auto aiming control automatically corrects vertical deviation of light axis that is brought by the
change of vehicle height with changing number of passenger and laden weight, and relieves dazzle to oncom-
ing vehicles.
AFS control unit determines the current vehicle conditions by each received signals, and sends commands to
the low beam headlamps to auto aiming. With the headlamps (HIGH/LOW) illuminated and engine running,
the low beam headlamps are operative by AFS control unit commands.
The height sensor is located on the left side of the rear suspension member and detects rear vehicle height
change by sensing the displacement of the rear suspension arm. And transmits a height sensor signal to the
AFS control unit.
With reference to the rear vehicle height under the empty condition, light axis of low beam with low rear vehi-
cle height is relatively higher than that with the empty condition. AFS control unit switches drive signal corrects
height of low beam axis to maintain height of light axis with empty condition.
Light axis of low beam with high rear vehicle height is relatively lower than that with empty condition. Light axis
of low beam with empty condition is set as upper limit of headlamp auto aiming control operation. Control to
correct deviation is not performed when light axis of low beam gets relatively higher than that with empty con-
dition. Timing of control is switched in accordance with driving conditions.
Headlamp auto aiming operation
*1: Included high beam illuminated
*2: Control timing of drive signal is switched by vehicle speed and accelerating/decelerating vehicle.
*3: Control is performed without regard to the condition of AFS switch. Headlamp auto aiming control function cannot be cancelled.
OUTLINE
Power is supplied
When the ignition switch is ON or START position, power is supplied
through 10A fuse [No.12, located in fuse block (J/B)]
to AFS control unit terminal 1
to front combination lamp LH and RH terminal 13
to AFS switch terminal 1.
Ground is supplied
to AFS control unit terminal 25
through grounds M16 and M70,
to front combination lamp LH and RH terminal 11
through grounds E22 and E43.
SKIB4707E
Operating range With 18-inch wheel (Reference value) With 19-inch wheel (Reference value) Vehicle height
A 0 mm (Standard position) 0 mm (Standard position) Unloaded vehicle position
B Approx. 200 mm (7.9 in) Approx.180 mm (7.1 in) Low
Low beam status Vehicle speed Engine speed AFS switch
Illuminated*
1Control switch by driving conditions*2While engine running
Irrespective*3
Page 4564 of 5621

ACTIVE AFS
LT-137
C
D
E
F
G
H
I
J
L
MA
B
LT
Revision: 2006 January2006 M35/M45
AFS OPERATION
When The Steering Wheel Is Turned To The Left
Swivel motor driving signal (1-phase) is transmitted when the steer-
ing wheel is turned to left approximately more than 10* degrees
(predetermined), with vehicle speed at approximately 25 km/h (15.5
MPH) or more, headlamps (HIGH/LOW) illuminated, AFS switch ON
and the engine running and the A/T select lever in any position
except range P or R.
* : Slightly different from the case when it is turned to the right.
Swivel motor driving signal (1-phase) is sent
to front combination lamp LH terminal 17
through AFS control unit terminal 15,
to AFS control unit terminal 38
through front combination lamp LH terminal 21.
And swivel motor driving signal (2-phase) is sent:
to front combination lamp LH terminal 16
through AFS control unit terminal 17,
to AFS control unit terminal 36
through front combination lamp LH terminal 20.
Swivel position sensor detects swivel angle during ignition switch ON, and transmits swivel position sensor
signals to the AFS control unit:
When ignition switch is turn to ON position, power is supplied
to front combination lamp LH terminal 15
through AFS control unit terminal 24.
When ignition switch is turn to ON position, swivel position sensor signal input is supplied
to AFS control unit terminal 29
through front combination lamp LH terminal 14.
Ground is supplied
to front combination lamp LH terminal 19
through AFS control unit terminal 27.
The low beam headlamp LH starts to swivel to the left.
The swivel motor driving signals are blocked and the swivel motion stops when the steering angle reaches
approximately more than 80 degrees (predetermined). The low beam headlamp will not swivel any further no
matter how further left. As the steering wheel is turned back to the right, the swivel motor driving signals (both
1-phase and 2-phase) will be reversed, causing low beam headlamp LH to start swiveling to the right. When
steering angle becomes smaller than predetermined value, the low beam headlamp is set in the straight-
ahead position, swivel motor driving signals are blocked and low beam headlamps stop swiveling.
When The Steering Wheel Is Turned To The Right
Swivel motor driving signal (1-phase) is transmitted when the steer-
ing wheel is turned to right approximately more than 10* degrees
(predetermined), with headlamps (HIGH/LOW) illuminated, AFS
switch ON, the engine running and the A/T select lever in any posi-
tion except range P or R.
* : Slightly different from the case when it is turned to the left.
Swivel motor driving signal (1-phase) is sent
to front combination lamp RH terminal 16
through AFS control unit terminal 34,
to AFS control unit terminal 11
through front combination lamp RH terminal 20.
And swivel motor driving signal (2-phase) is sent
to front combination lamp RH terminal 17
through AFS control unit terminal 32,
to AFS control unit terminal 13
SKIB4705E
SKIB4706E
Page 4565 of 5621

LT-138
ACTIVE AFS
Revision: 2006 January2006 M35/M45
through front combination lamp RH terminal 21.
Swivel position sensor detects swivel angle during ignition switch ON, and transmits swivel position sensor
signals to the AFS control unit:
When ignition switch is turn to ON position, power is supplied
to front combination lamp RH terminal 15
through AFS control unit terminal 4.
When ignition switch is turn to ON position, swivel position sensor input signal is supplied
to AFS control unit terminal 9
through front combination lamp RH terminal 14.
Ground is supplied
to front combination lamp RH terminal 19
through AFS control unit terminal 2.
The low beam headlamp RH starts to swivel to the right.
The swivel motor driving signals are blocked and the swivel motion stops when the steering angle reaches
approximately more than 80 degrees (predetermined). The low beam headlamp will not swivel any further no
matter how further right. As the steering wheel is turned back to the left, the swivel motor driving signals (both
1-phase and 2-phase) will be reversed, causing low beam headlamp RH to start swiveling to the left. When
steering angle becomes smaller than predetermined value, the low beam headlamp is set in the straight-
ahead position, swivel motor driving signals are blocked and low beam headlamps stop swiveling.
AFS OFF INDICATOR OPERATION
In response to the state of control, AFS control unit switches com-
mands of AFS off indicator signal sent to unified meter and A/C amp.
via CAN communication; and then turns on/off or blinks AFS off indi-
cator lamp built in the combination meter depending on the following
condition.
Bulb check operation
AFS off indicator lamp is turned off after illuminating for one sec-
ond as a bulb check for AFS off indicator lamp when turn ignition
switch ON is detected.
NOTE:
AFS off indicator lamp is turned off without a lapse of one sec-
ond when start of the engine is detected.
AFS switch operation
AFS off indicator lamp is illuminated while AFS switch is OFF.
AFS off indicator lamp is turned off while AFS switch is ON.
System warning operation
AFS off indicator lamp illuminates at intervals of approximately one second when AFS control unit detects
any specific DTC (diagnosis trouble code), or when unified meter and A/C amp. cannot receive AFS off
indicator signals.
NOTE:
Unified meter and A/C amp. transmits a command to combination meter to blink AFS off indicator lamp
when they cannot receive AFS off indicator signal.
SWIVEL ACTUATOR INITIALIZATION
AFS control unit performs swivel operation to initialize swivel actuator when start of the engine is detected.
Straight-ahead position of low beam headlamps is adjusted by turning low beam headlamps to outside vehicle
with specified swivel angle after turning it to the center of vehicle and making sure that it reaches the stopper.
Swivel actuator initialization shall be performed every time when start of the engine is detected.
SKIB4765E
Page 4566 of 5621

ACTIVE AFS
LT-139
C
D
E
F
G
H
I
J
L
MA
B
LT
Revision: 2006 January2006 M35/M45
HEADLAMP AUTO AIMING OPERATION
The height sensor detects a change in height of rear vehicle with ignition switch ON, and transmits signals to
the AFS control unit:
When ignition switch is turn to ON position, power is supplied
to height sensor terminal 1
through AFS control unit terminal 6.
When ignition switch is turned to ON position, height sensor input signal is supplied
to AFS control unit terminal 28
through height sensor terminal 2.
Ground is supplied
to height sensor terminal 3
through AFS control unit terminal 8.
Aiming motor driving signal (voltage signal that corresponds to the vehicle height) is transmitted depending on
the height sensor signal at the start of the engine
to front combination lamp LH terminal 12
through AFS control unit terminal 40,
to front combination lamp RH terminal 12
through AFS control unit terminal 19.
Output of aiming motor driving signal is maintained unless headlamp (HIGH/LOW) illuminate detected.
Auto aiming control operation starts when headlamps (HIGH/LOW) illuminate detected.
When headlamps (HIGH/LOW) illuminate, output of aiming motor driving signal is changed according to the
height sensor signal. After the change, it is changed according to height sensor signals with predetermined
timing based on driving condition while headlamps are ON.
Auto Aiming Operation
AFS control unit starts outputting aiming motor drive signal when the engine starts, and continues to output it
until the engine stops. Aiming motor drive signal changes output when the specified conditions described
below are met.
Headlamp aiming motors set the low beam projectors according to aiming motor drive signals received from
AFS control unit, both headlamp aiming motors cause the low beam projectors to move to the position com-
manded by the signal.
The aiming motor drive signal level retains when the following conditions are not met.
AFS control unit operation when the vehicle is stopped (low beam headlamps illuminated)
Headlamp aiming motor drive signal is changed when vehicle height is stabilized with a parked condition,
depending on the height sensor signal detected with height sensor signal by AFS control unit.
AFS control unit operation when the vehicle is running (low beam headlamps illuminated)
When vehicle is running, headlamp aiming motor drive signal is changed depending on the height sensor
signal which is detected when AFS control unit detects constant steady speed of vehicle.
When the vehicle is accelerating or decelerating, AFS control unit keeps headlamp aiming motor drive sig-
nal voltage level rather than changing it, so that the low beam projectors of both headlamps do not oper-
ate.
CAN COMMUNICATION SYSTEM DESCRIPTION
CAN (Controller Area Network) is a serial communication line for real time application. It is an on-vehicle mul-
tiplex communication line with high data communication speed and excellent error detection ability. Many elec-
tronic control units are equipped onto a vehicle, and each control unit shares information and links with other
control units during operation (not independent). In CAN communication, control units are connected with 2
communication lines (CAN H line, CAN L line) allowing a high rate of information transmission with less wiring.
Each control unit transmits/receives data but selectively reads required data only.
CAN COMMUNICATION UNIT
Refer to LAN-34, "CAN Communication Unit" .
Page 4567 of 5621

LT-140
ACTIVE AFS
Revision: 2006 January2006 M35/M45
Component Parts DescriptionNKS003QG
AFS CONTROL UNIT
AFS control unit determines current vehicle conditions by received signals and controls AFS and headlamp
auto aiming.
SWIVEL ACTUATOR
Swivel actuator is configured with swivel motor and swivel position
sensor and is built in headlamps.
Swivel motor (step motor)
Swivel motor is a two
phase step motor. It is driven according to drive signals from AFS control unit when
two drive windings are energized in set sequences, and adjusts low beam projector of headlamp.
The direction of actuator rotation can be changed as desired by selecting appropriate energizing
sequences.
Swivel position sensor
Swivel position sensor detects swivel angle and transmits a swivel position sensor signal to the AFS con-
trol unit.
AIMING MOTOR
Aiming motor is installed outside the headlamps. Headlamp aiming
motors set the low beam projectors according to headlamp aiming
motor drive signals received from AFS control unit.
SKIB4688E
SKIB4690E
SKIB4688E
Page 4568 of 5621

ACTIVE AFS
LT-141
C
D
E
F
G
H
I
J
L
MA
B
LT
Revision: 2006 January2006 M35/M45
AFS SWITCH
AFS switch transmits state of ON/OFF as AFS switch signals to AFS
control unit.
AFS control unit performs AFS operation when AFS switch is
ON and turns off AFS off indicator lamp.
AFS control unit does not perform AFS operation when AFS
switch is OFF, and turns on AFS off indicator lamp.
HEIGHT SENSOR
The height sensor is located on the left side of the rear suspension
member and detects rear vehicle height change by sensing the dis-
placement of the rear suspension arm. And transmits a height sen-
sor signal to the AFS control unit.
STEERING ANGLE SENSOR
The steering angle sensor is located combination switch and detects
steering angle. And transmits a steering angle sensor signal to the
AFS control unit.
IPDM E/R
IPDM E/R detects ON/OFF state of low beam headlamps. It transmits a low beam state signal to the AFS con-
trol unit.
ECM
ECM transmits an engine speed signal to the AFS control unit.
TCM
TCM transmits an A/T position indicator signal to the AFS control unit.
UNIFIED METER AND A/C AMP.
Unified meter and A/C amp. transmits vehicle speed signals to the AFS control unit.
Unified meter and A/C amp. transmits AFS off indicator signals received from the AFS control unit to the
combination meter.
COMBINATION METER
Combination meter turns on/off or blinks built-in AFS off indicator lamp depending on AFS off indicator signal
received from unified meter and A/C amp.
SKIB4709E
Sensor angle Vehicle height
A Approx. –103
(Link stopper angle) Low side
B0
(Standard position)Approx. unloaded
vehicle position
C Approx. 46
(Link stopper angle) High side SKIB4689E
SKIB4708E
Page 4569 of 5621

LT-142
ACTIVE AFS
Revision: 2006 January2006 M35/M45
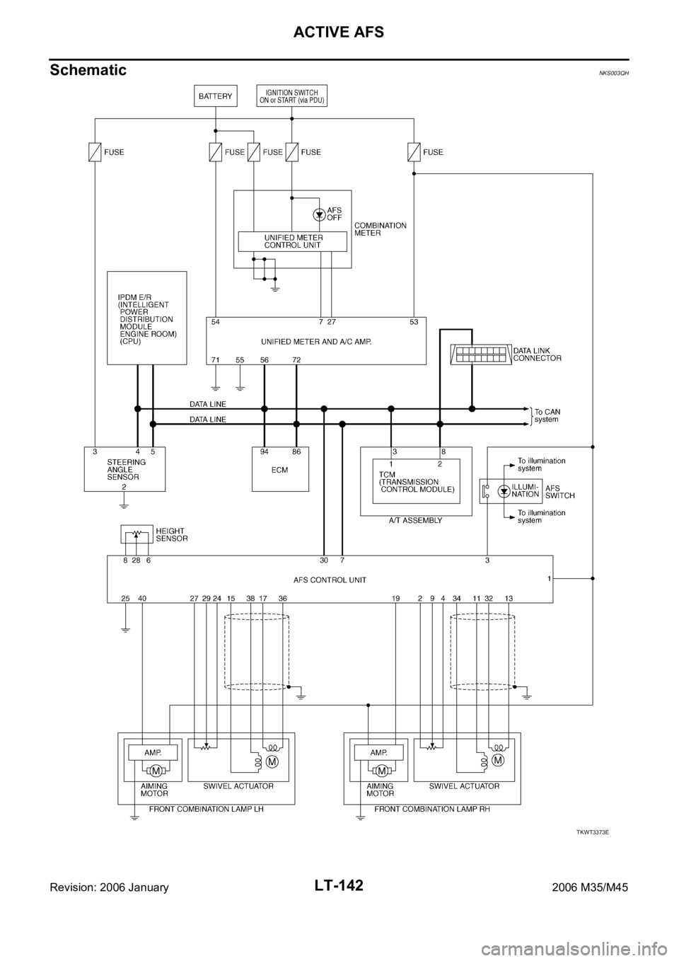
SchematicNKS003QH
TKWT3373E
Page 4570 of 5621

ACTIVE AFS
LT-143
C
D
E
F
G
H
I
J
L
MA
B
LT
Revision: 2006 January2006 M35/M45
Wiring Diagram — AFS —NKS003QI
TKWT3374E