INFINITI M35 2006 Factory Service Manual
Manufacturer: INFINITI, Model Year: 2006, Model line: M35, Model: INFINITI M35 2006Pages: 5621, PDF Size: 65.56 MB
Page 4571 of 5621

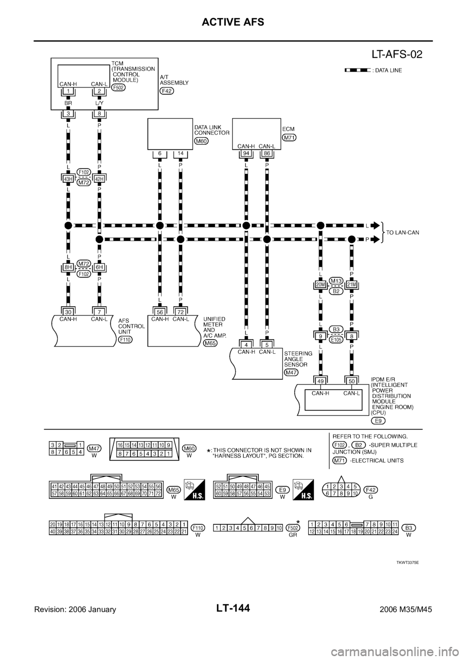
LT-144
ACTIVE AFS
Revision: 2006 January2006 M35/M45
TKWT3375E
Page 4572 of 5621

ACTIVE AFS
LT-145
C
D
E
F
G
H
I
J
L
MA
B
LT
Revision: 2006 January2006 M35/M45
TKWT3376E
Page 4573 of 5621

LT-146
ACTIVE AFS
Revision: 2006 January2006 M35/M45
TKWT3377E
Page 4574 of 5621

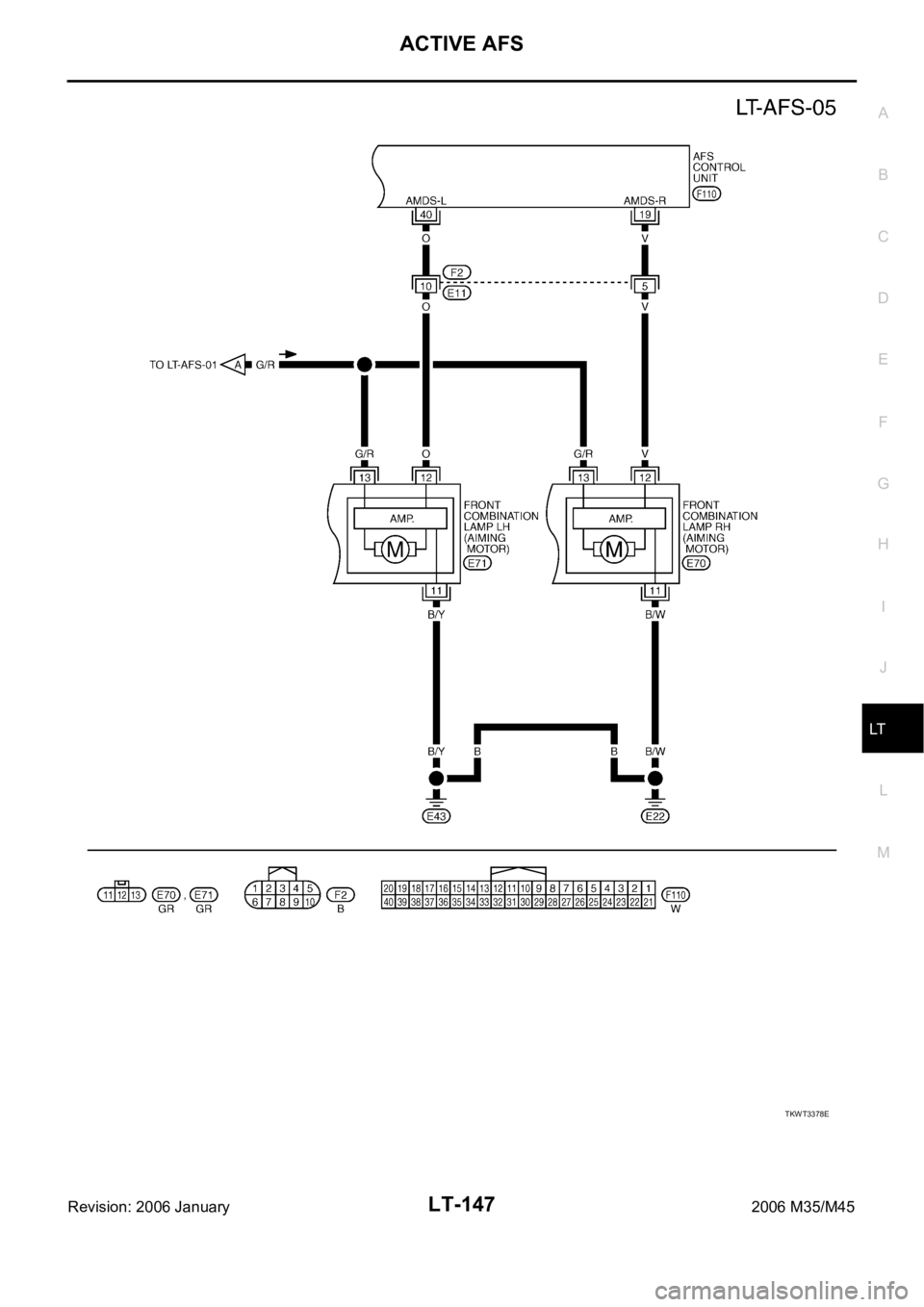
ACTIVE AFS
LT-147
C
D
E
F
G
H
I
J
L
MA
B
LT
Revision: 2006 January2006 M35/M45
TKWT3378E
Page 4575 of 5621

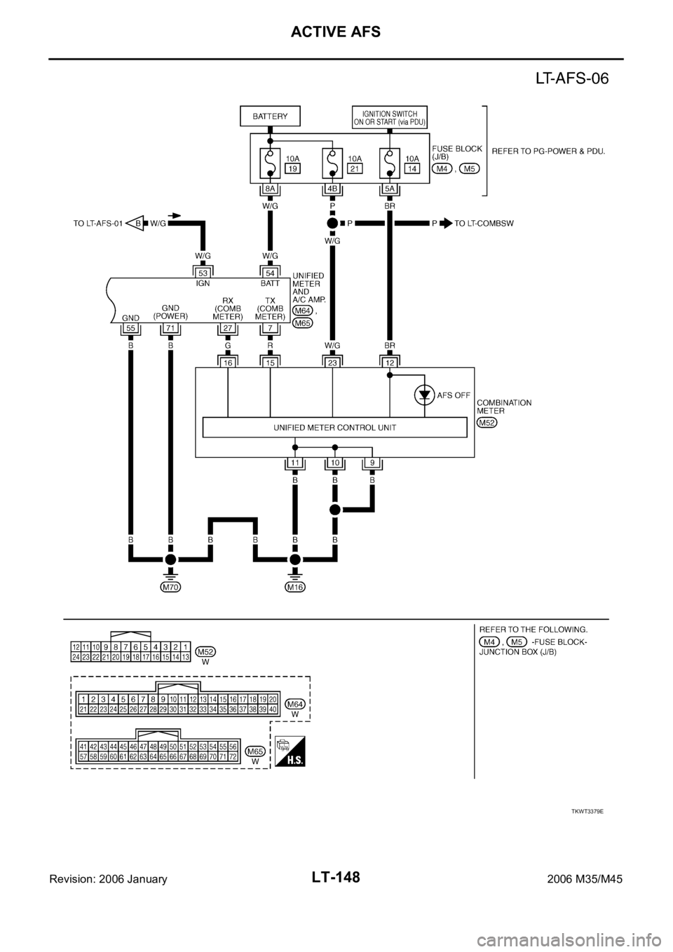
LT-148
ACTIVE AFS
Revision: 2006 January2006 M35/M45
TKWT3379E
Page 4576 of 5621

ACTIVE AFS
LT-149
C
D
E
F
G
H
I
J
L
MA
B
LT
Revision: 2006 January2006 M35/M45
Terminals and Reference Values for AFS Control UnitNKS003QJ
Te r -
minal
No.Wire
colorItemMeasuring condition
Reference value
Ignition
switchOperation or condition
1 B/R IGN power supply ON — Battery voltage
2W/RSwivel position sensor ground
(right)ON — Approx. 0 V
3 GR AFS switch signal ON AFS switchON Approx. 0 V
OFF Battery voltage
4YSwivel position sensor power
supply (right)ON — Approx. 5 V
6 V/W Height sensor power supply ON — Approx. 5 V
7 P CAN-L — — —
8 B/R Height sensor ground ON — Approx. 0 V
9W/BSwivel position sensor signal
(right)ONLow beam headlamp
(right) swivel angle0
Approx. 1.5 V
Maximum
angleApprox. 2.5 V
11 R Swivel motor 1 phase
(right) ON
Low beam headlamp
(right) swivelONReference waveform
Approx. 8 - 12 V
13 B Swivel motor 2 phase
(right) ON OFF Approx. 9.5 - 11.5 V
15 BR/L Swivel motor 1 phase+ (left) ON
Low beam headlamp
(left) swivelONReference waveform
Approx. 8 - 12 V
17 Y/G Swivel motor 2 phase+ (left) ON OFF Approx. 9.5 - 11.5 V
19 V Aiming motor drive signal (right) ONLow beam headlamp
(right) auto aimingUnloaded
vehicle posi-
tionApprox. 9 V
Maximum
laden condi-
tion Approx. 4.8 V
(With 18- inch wheel)
Approx. 5.2 V
(With 19 -inch wheel)
24 V/RSwivel position sensor power
supply (left)ON — Approx. 5 V
25 B Ground ON — Approx. 0 V
27 R/WSwivel position sensor ground
(left)ON — Approx. 0 V
SKIB2408J
SKIB2408J
Page 4577 of 5621

LT-150
ACTIVE AFS
Revision: 2006 January2006 M35/M45
28 BR Height sensor signal ON Vehicle heightUnloaded
vehicle posi-
tionApprox. 2.5 V
Maximum
laden condi-
tion Approx. 1.0 V
(With 18- inch wheel)
Approx. 1.3 V
(With 19- inch wheel)
29 L/YSwivel position sensor signal
(left)ONLow beam headlamp
(left) swivel angle0
Approx. 1.5 V
Maximum
angleApprox. 3.5 V
30 L CAN-H — — —
32 W Swivel motor 2 phase+ (right) ON
Low beam headlamp
(right) swivelONReference waveform
Approx. 8 - 12 V
34 G Swivel motor 1phase+ (right) ON OFF Approx. 9.5 - 11.5V
36 Y/L Swivel motor 2 phase
(left) ON
Low beam headlamp
(left) swivelONReference waveform
Approx. 8 - 12 V
38 W/L Swivel motor 1 phase
(left) ON OFF Approx. 9.5 - 11.5 V
40 O Aiming motor drive signal (left) ONLow beam headlamp
(left) auto aimingUnloaded
vehicle posi-
tionApprox. 9 V
Maximum
laden condi-
tion Approx. 4.8 V
(With 18 -inch wheel)
Approx. 5.2 V
(With 19 -inch wheel) Te r -
minal
No.Wire
colorItemMeasuring condition
Reference value
Ignition
switchOperation or condition
SKIB2408J
SKIB2408J
Page 4578 of 5621

ACTIVE AFS
LT-151
C
D
E
F
G
H
I
J
L
MA
B
LT
Revision: 2006 January2006 M35/M45
How to Proceed with Trouble DiagnosisNKS003QK
1. Confirm the symptom or customer complaint.
2. Understand operation description and function description. Refer to LT-135, "
System Description" .
3. Perform the preliminary check. Refer to LT- 1 5 1 , "
Preliminary Check" .
4. Perform self-diagnosis by CONSULT-II. Refer to LT-154, "
SELF-DIAG RESULTS" .
5. Check symptom and repair or replace the cause of malfunction.
6. Does the swivel control operate normally? If YES: GO TO 7. If NO: GO TO 4.
7. INSPECTION END
Preliminary CheckNKS003QL
1. CHECK FUSE
Check for blown fuses.
Refer to LT-143, "Wiring Diagram — AFS —" .
OK or NG
OK >> GO TO 2.
NG >> If the fuse is brown be sure to eliminate cause of malfunction before installing new fuse. Refer to
PG-3, "
POWER SUPPLY ROUTING CIRCUIT" .
2. CHECK AFS CONTROL UNIT VOLTAGE
1. Turn ignition switch ON.
2. Check voltage between AFS control unit harness connector
F110 terminal 1 and ground.
OK or NG
OK >> GO TO 3.
NG >> Repair harness or connector.
3. CHECK GROUND CIRCUIT
1. Turn ignition switch OFF.
2. Check continuity between AFS control unit harness connector
F110 terminal 25 and ground.
OK or NG
OK >> INSPECTION END
NG >> Repair harness or connector.
Unit Power source Fuse No.
AFS control unit Ignition switch ON or START 12
1 - Ground : Battery voltage
SKIB4776E
25 - Ground : Continuity should exist.
SKIB4775E
Page 4579 of 5621

LT-152
ACTIVE AFS
Revision: 2006 January2006 M35/M45
CONSULT-II Function (ADAPTIVE LIGHT)NKS003QM
CONSULT-II can display each diagnostic item using diagnostic test modes shown following.
CONSULT-II BASIC OPERATION
CAUTION:
If CONSULT-II is used with no connection of CONSULT-II CONVERTER, malfunctions might be
detected in self-diagnosis depending on control unit which carry out CAN communication.
1. With the ignition switch OFF, connect “CONSULT-II” and “CON-
SULT-II CONVERTER” to the data link connector, and then turn
ignition switch ON.
2. Touch “START (NISSAN BASED VHCL)”.
3. Touch “ADAPTIVE LIGHT” on “SELECT SYSTEM” screen. If
“ADAPTIVE LIGHT” is not indicated, check power supply and
ground of AFS control unit. If it is normal, refer to GI-40, "
CON-
SULT-II Data Link Connector (DLC) Circuit" in “GI section”.
System part Check item, diagnosis mode Description
ADAPTIVE LIGHTWORK SUPPORTAdjusts steering angle sensor (Never use this function but on VDC side) and
adjusts levelizer.
SELF-DIAG RESULTS Displays self-diagnosis
DATA MONITOR Displays AFS control unit inputs and outputs in real time.
CAN DIAG SUPPORT MNTR The result of transmit/receive diagnosis of CAN communication can be read.
ACTIVE TESTAFS control unit sends a drive signal to electronic components to check their
operation.
ECU PART NUMBER AFS control unit part number can be read.
SKIB3794E
BCIA0029E
BCIA0030E
Page 4580 of 5621

ACTIVE AFS
LT-153
C
D
E
F
G
H
I
J
L
MA
B
LT
Revision: 2006 January2006 M35/M45
4. Select the desired part to be diagnosed on the“ SELECT DIAG
MODE” screen.
WORK SUPPORT (STEERING ANGLE SENSOR ADJUSTMENT)
Work Support Item List
CAUTION:
Never use this function but on VDC side.
Notes on Steering Angle Sensor (Neutral Point) Adjustment
Be sure to adjust steering angle sensor neutral point before driving if any of the following has been
removed/installed or replaced: Steering angle sensor; Steering system part, Suspension system part.
On vehicle with VDC, perform steering angle sensor neutral point adjustment only on VDC side. Never
perform the adjustment on ADAPTIVE LIGHT side as this may lead to VDC malfunctions. If the adjust-
ment has been performed on AFS side, readjust on VDC side. For steering angle sensor neutral point
adjustment procedures on VDC side, refer to BRC-6, "
Adjustment of Steering Angle Sensor Neutral Posi-
tion" in “ON-VEHICLE SERVICE”.
When replaced steering angle sensor, AFS control unit detects “DTC B2515 ST ANG SEN SIG”. Delete
the malfunction history after adjust steering angle sensor on VDC side.
Steering angle sensor neutral point adjustment should be performed using CONSULT-II. (The adjustment
will not be possible without CONSULT-II.)
Operation Procedure
Refer to BRC-6, "Adjustment of Steering Angle Sensor Neutral Position" in BRC section.
WORK SUPPORT (LEVELIZER ADJUSTMENT)
Work Support Item List
Operation Procedure
1. Set the vehicle in unload condition. (Removal all loads in driver, passenger and trunk rooms.)
2. Touch “ADAPTIVE LIGHT” on “SELECT SYSTEM” screen.
3. Touch “WORK SUPPORT” on “SELECT DIAG MODE” screen.
4. Touch “LEVELIZER ADJUSTMENT”.
5. Touch “START”.
6. “ADJUSTMENT COMPLETE” will be displayed.
CAUTION:
When “CAN NOT BE TESTED” is displayed, AFS control unit stops levelizer adjustment as it
detected the change of height sensor signal. AFS control unit detects “DTC B2519 LEVELIZER
CALIB”.
Turn ignition switch OFF not to change the vehicle height. Then turn ignition switch ON and per-
form levelizer adjustment again.
When “ADJUSTMENT COMPLETE” is displayed, and “NO DTC IS DETECTED” is displayed on
self-diagnosis results, levelizer adjustment is completed.
When “ADJUSTMENT COMPLETE” is displayed, and “B2514 HI SEN UNUSUAL” is displayed on
self-diagnosis results, refer to LT-174, "
DTC B2514 HI SEN UNUSUAL RR" .
BCIA0031E
Item Description
ST ANGLE SENSOR ADJUSTMENT Adjust steering angle sensor neutral point (straight-ahead position).
Item Description
LEVELIZER ADJUSTMENT Adjust the height sensor signal value at unloaded vehicle position recognized by AFS control unit.