NISSAN ALMERA N15 1995 Service Manual
Manufacturer: NISSAN, Model Year: 1995, Model line: ALMERA N15, Model: NISSAN ALMERA N15 1995Pages: 1701, PDF Size: 82.27 MB
Page 1001 of 1701
![NISSAN ALMERA N15 1995 Service Manual TROUBLEDIAGNOSIS -General Description
[![]
ECM Terminals andReference Value(Cont'd)
ECM inspection table
*Dataarereference
values.
TERMINAL WIRE
ITEM
NO. COLOR CONDITION
'DATA
[Engine isr NISSAN ALMERA N15 1995 Service Manual TROUBLEDIAGNOSIS -General Description
[![]
ECM Terminals andReference Value(Cont'd)
ECM inspection table
*Dataarereference
values.
TERMINAL WIRE
ITEM
NO. COLOR CONDITION
'DATA
[Engine isr](/img/5/57349/w960_57349-1000.png)
TROUBLEDIAGNOSIS -General Description
[![]
ECM Terminals andReference Value(Cont'd)
ECM inspection table
*Dataarereference
values.
TERMINAL WIRE
ITEM
NO. COLOR CONDITION
'DATA
[Engine isrunninQ]
0.2-0.3V
L Idle speed
1
W/B
Ignitionsignal
IEngineisrunning.1
L Engine speedis2,000 rpm. Approximately
0.7V
2 LlOR Tachometer IEngine
isrunning]
Approximately0.9V
L Idle speed
3 GY/R
Ignitioncheck !Engine
isrunning.1
Approximately13V
L Idle speed
IEngine isrunning.1
I
Ilgnition switch"OFF"I
0-1V
ECCS relay(Self-shut- L
For afew seconds afterturning ignition
4
WIG
switch"OFF"
off)
Ilgnitionswitch"OFF"I
BATTERYVOLTAGE
L Afew seconds afterturning ignition switch
(11-14V)
"OFF" andthereafter
6
B/W
ECCSground IEngine
isrunning.1
Engineground
L Idle speed
7
G/B
Approximately13.5V
14
G/W
Datalinkconnector forIEngine
isrunning.1
ApproximatelyOV
15 GY/L CONSULT
LIdle speed Approximately
2.5V
23
G/R
ApproximatelyOV
IEngine isrunning.1
BATTERYVOLTAGE
Cooling fanrelay (Low L
Cooling fanisnot operating. (11
-14V)
9 LG/R
speed) IEngineisrunning.1
L Cooling fanisoperating. Approximately
OV
IEngine isrunning.1
BATTERYVOLTAGE
Cooling fanrelay
t
Cooling fanisnot operating.
(11-14V)
10 LG Cooling
fanisoperating atlow speed.
(High speed)
IEngineisrunning.1
L Cooling fanisoperating athigh speed. Approximately
OV
IEngine isrunning.1
L Both
A/C
switch andblower fanswitch areApproximately
OV
11 Y Airconditioner relay "ON".
IEngine isrunning.1
BATTERYVOLTAGE
LAIC switchis"OFF". (11
-14V)
13
B/W
ECCSground IEngine
isrunning.1
Engineground
L Idle speed
EC-282
Page 1002 of 1701

TROUBLEDIAGNOSIS -General Description
[ill
ECM Terminals andReference Value(Conl'd)
*Data arereference values.
TERMINAL WIRE
NO. COLOR ITEM
CONDITION *DATA
IEngine isrunning.1 (Warm-up condition)
1.3-1.7V
L
Idle speed
16 OR Mass
airflow sensor
IEngineisrunning.1 (Warm-up condition)
1.7-2.1V
L
Engine speedis2,000 rpm.
17 W Mass
airflow sensor IEngine
isrunning.!
ApproximatelyOV
ground
L
Idle speed
0-5.0V
18 BRIY Engine
coolant tem-
IEngineisrunning.! Output
voltage varies
perature sensor with
engine coolant
temperature.
19 W
Heatedoxygen sensor IEngine
isrunning.1
0-Approximately 1.OV
L
After warming upsufficiently
Ilgnition switch"ON"I(Warm-up condition)
0.35-0.65V
Throttle position sen-
L
Accelerator pedalreleased
20 Y
sor Ilgnitionswitch"ON"I
L
Approximately
4V
Accelerator pedalfullydepressed
21 B Sensor'sground IEngine
isrunning.1
ApproximatelyOV
L
Idle speed
22 Camshaft
position
30 L
sensor
(Reference IEngineisrunning.1 0.1
-O.4V
signal)
jlgnitionswitch"ON"!
Approximately1.5V
24 ORIL Malfunction
indicator
lamp IEngineisrunning.1 BATTERY
VOLTAGE
(11 -14V)
27 W Knock
sensor IEngine
isrunning.1
Approximately2.5V
L
Idle speed
29 B Sensor's
ground IEngine
isrunning.1
ApproximatelyOV
L
Idle speed
31 Camshaft
position
40
S/W
sensor
(Position sig-
IEngineisrunning.! 2.0
-3.0V
nal)
Ilgnitionswitch"ON"I
32 PUIR
Vehiclespeedsensor
t
Eng;ne "opped andge., po,;!;on ;,"Neo-
Variesfrom0to 5V
tral position".
While rotating drivewheel byhand
Ilgnition switch"ON"!
ApproximatelyOV
34
BIY
Start
signal
Ilgnitionswitch"START"I SA
TTERY VOLTAGE
(11 -14V)
EC-283
•
Page 1003 of 1701
![NISSAN ALMERA N15 1995 Service Manual TROUBLEDIAGNOSIS -General Description
[]:KJ
ECM Terminals andReference Value(Cont'd)
*Data arereference values.
TERMINAL WIRE
ITEM CONDITION *
DATA
NO. COLOR
/Ignitionswitch"ON'"
t NISSAN ALMERA N15 1995 Service Manual TROUBLEDIAGNOSIS -General Description
[]:KJ
ECM Terminals andReference Value(Cont'd)
*Data arereference values.
TERMINAL WIRE
ITEM CONDITION *
DATA
NO. COLOR
/Ignitionswitch"ON'"
t](/img/5/57349/w960_57349-1002.png)
TROUBLEDIAGNOSIS -General Description
[]:KJ
ECM Terminals andReference Value(Cont'd)
*Data arereference values.
TERMINAL WIRE
ITEM CONDITION *
DATA
NO. COLOR
/Ignitionswitch"ON'"
t
"N" or"P" position
(A/T)
OV
35
G/OR
Neutral
position
Neutralposition
(M/T)
switch/lnhibitor switch
I'gnitionswitch"ON"I
BATTERYVOLTAGE
L
Except theabove gearposition (11
-14V)
I'gnition switch"OFF"I
OV
36 B/R Ignition
switch
Ilgnitionswitch"ON"I BATTERY
VOLTAGE
(11 -14V)
37 P/L Throttle
position sen-
pgnition switch"ON"I
Approximately5V
sor power supply
38 Powersupply forECM
Ilgnition switch"ON"I BATTERY
VOLTAGE
47 W/R
(11-14V)
39 B ECCSground IEngine
isrunning.1
Engineground
L
Idle speed
IEngine isrunning.!
L
Both airconditioner switchandblower fanApproximately
OV
41 G Air
conditioner switch switch
are"ON".
IEngine isrunning.1
BATTERYVOLTAGE
L
Airconditioner switchis"OFF". (11
-14V)
IEngine isrunning.1
OV
Power steering oil
L
Steering wheelisbeing turned.
43 PUlW
pressureswitch
IEngineisrunning.1
L
Steering wheelisnot being turned. 7
-9V
46 W/L Power
supply
I'gnitionswitch
"0FFj
BATTERY
VOLTAGE
(Back-up) (11-14V)
48 B ECCSground IEngine
isrunning.1
Engineground
L
Idle speed
109 W/L Currentreturn
Ilgnitionswitch"OFF"I BATTERY
VOLTAGE
(11 -14V)
101 RIB InjectorNo.1
103
G/B
InjectorNo.3
BATTERYVOLTAGE
110 Y/B InjectorNO.2 IEngine
isrunning.1
(11-14V)
112 LIB InjectorNO.4
EC-284
Page 1004 of 1701
![NISSAN ALMERA N15 1995 Service Manual TROUBLEDIAGNOSIS -General Description
[]K]
ECM Terminals andReference Value(Cont'd)
'Data arereference values.
TERMINAL WIRE
ITEM CONDITION
'DATA
NO. COLOR
Ilgnitionswitch"ON"I
NISSAN ALMERA N15 1995 Service Manual TROUBLEDIAGNOSIS -General Description
[]K]
ECM Terminals andReference Value(Cont'd)
'Data arereference values.
TERMINAL WIRE
ITEM CONDITION
'DATA
NO. COLOR
Ilgnitionswitch"ON"I](/img/5/57349/w960_57349-1003.png)
TROUBLEDIAGNOSIS -General Description
[]K]
ECM Terminals andReference Value(Cont'd)
'Data arereference values.
TERMINAL WIRE
ITEM CONDITION
'DATA
NO. COLOR
Ilgnitionswitch"ON"I
L
For 5seconds afterturning ignition switch
"ON" Approximately
OV
104 B/P Fuelpump relay !Engine
isrunning.1
Ilgnition switch"ON"I
BATTERY VOLTAGE
L
5seconds afterturning ignitionswitch
(11-14V)
"ON" andthereafter
IEngine isrunning.1
0.6-0.8V
EGR valve
&
EVAP
.L
Engine speedis4,000 rpm.
105 P canisterpurgecontrol
solenoid valve IEngine
isrunning.1
BATTERYVOLTAGE
L
Idle speed (11
-14V)
107 IEngine
isrunning.j
B/Y ECCSground
L
Engine
ground
108 Idlespeed
!Engine isrunning.1
Approximately0.2V
L
Engine speedisbelow 3,200rpm.
Heated oxygen sensor
111 OR
heater IEngineisrunning.1
BATTERY VOLTAGE
L
Engine speedisabove 3,200rpm. (11
-14V)
IEngine isrunning.\
11-14V
L
Idle speed
113 SB IACV-AAC
valve lEngine
isrunning.1
~ Sle«;ng wheel;,be;ng I"med
2-11V
Air conditioner isoperating.
Rear window defogger switchis"ON".
Lighting switchis"ON".
!Engine isrunning.1
ApproximatelyOV
Torque converter
L
Idle speed
115 P/B clutch
solenoid valve
IEngineisrunning.1 (Warm-up condition)
(A/T
models)
L
Vehicle speedis60 km/h (37MPH) or BA
TTERY VOLTAGE
(11 -14V)
more in"D" position
116 BIY ECCS
ground IEngine
isrunning.1
Engineground
L
Idle speed
EC-285
•
Page 1005 of 1701

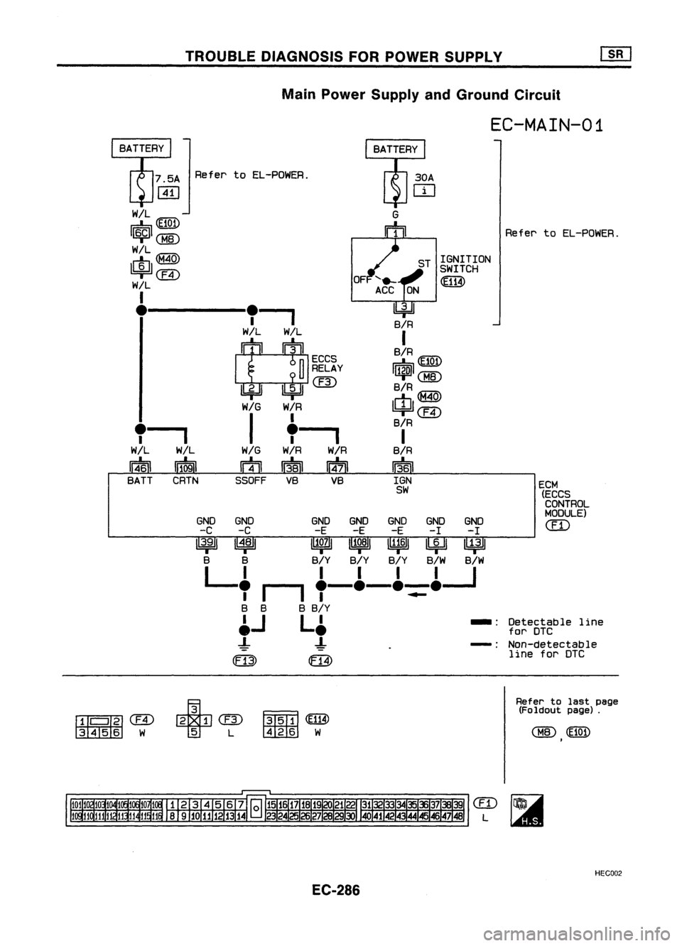
TROUBLEDIAGNOSIS FORPOWER SUPPLV
Main Power Supply andGround Circuit
EC-MAIN-01
GNO GNO GNDGND GNDGNDGND
-C -C -E-E -E-I -I
13.91 I~SI 11~71
1I1~1 11~61~~
B B B/YB/Y B/YB/W B/W
LI II II I
, I--i
'-e-e-=e----l
B B BB/Y
.~ L, -:
+
* -:
CF13)
ill
Refer
toEL-POWER.
ECM
(ECCS
CONTROL
MODULE)
em
Detectable line
for DTC
Non-detectable line forDTC
Refer
toEL-POWER.
ST IGNITION
SWITCH
~
30A
OJ
~
B/R
I
B/R
d:::.(llii)
I~I(]ID
B/R
ICDI@
=r@
B/R
I
B/R
~
IGN
SW
7.5A
[ill
W!L
d:::.
(E10n
I~I (MS)
W!L
*@
~@
W!L
I
e----'--,
W/LW/L
IT
]1
ECCS
~ RELAY
Ibi=Jl Ibi=Jl
@
WIG W/R
I
+--~
WIG W/R W/R
m
';sl \171
SSOFF VBVB
'--I
W/L W/L
14'61
h1~1
BATT CRTN
~II
Illij
@
3456 W
Acrn
T
L
~
(E114)
[mJID
W
Refer
tolast page
(Foldout page).
em
L
HEC002
EC-286
Page 1006 of 1701
![NISSAN ALMERA N15 1995 Service Manual TROUBLEDIAGNOSIS FORPOWER SUPPLY
[]K]
Main Power Supply andGround Circuit(Cont'd)
II Il
~i)
ECM
Er
CONNECTOR
II
36
~i)
ECM
EfCONNECTORI!
~$
Lwt
INSPECTION
START
Start engine.
Is engin NISSAN ALMERA N15 1995 Service Manual TROUBLEDIAGNOSIS FORPOWER SUPPLY
[]K]
Main Power Supply andGround Circuit(Cont'd)
II Il
~i)
ECM
Er
CONNECTOR
II
36
~i)
ECM
EfCONNECTORI!
~$
Lwt
INSPECTION
START
Start engine.
Is engin](/img/5/57349/w960_57349-1005.png)
TROUBLEDIAGNOSIS FORPOWER SUPPLY
[]K]
Main Power Supply andGround Circuit(Cont'd)
II Il
~i)
ECM
Er
CONNECTOR
II
36
~i)
ECM
EfCONNECTORI!
~$
Lwt
INSPECTION
START
Start engine.
Is engine running?
Yes
MEC746B
No
--+
CHECK
POWER SUP-
PL V-I.
1. Turn ignition switch
"ON".
2. Check voltage between
ECM terminal @and
ground withCONSULT
or tester.
Voltage: Batteryvolt-
age
If NG, check thefollow-
ing .
• Harness connectors
@,@
• Harness connectors
OO,@l)
• Harness foropen or
short between ECM
and ignition switch
If NG, repair harness or
connectors.
•
MEC714B
~OK
Go to
III
"CHECK
GROUND CIRCUIT" on
next page.
Check thefollowing.
• Harness connectors
@,@
• Harness connectors
OO,@l)
• 7.5A fuse
• Harness foropen or
short between ECM
and battery
If NG, repair harness or
connectors.
Case-1: Batteryvoltage
does notexist.
Case-2: Batteryvoltage
exists formore than
a few seconds.
OK
--+
Goto
III
"CHECK
GROUND CIRCUIT" on
next page.
NG
--+
CHECK POWER SUPPLV-III.
1. Turn ignition switch"ON"andthen
"OFF".
2. Check voltage between ECMterminals
@,
@
and ground withCONSULT
or tester.
Voltage:
After turning ignition switch"OFF",
battery voltage willexist forafew
seconds, thendrop toapproximately
QV.
CHECK
POWER SUPPLV.II.
1. Stop engine.
2. Check voltage between ECMterminals
@l ,
(ill)
andground withCONSULT
or tester.
Voltage: Batteryvoltage
MEC747BI OK
MEC748B
~
CONNECTOR
II
38' 47
"--.--'
ECM
Il
@
NG
Case-2
Case-1 Go
to
[it
"CHECK ECCS
RELA Y"onnext page.
EC-287
Page 1007 of 1701
![NISSAN ALMERA N15 1995 Service Manual TROUBLEDIAGNOSIS FORPOWER SUPPLY
[gJ
Main Power Supply andGround Circuit(Cont'd)
@
~IV ~i5
Ie
ECM E!'CONNECTORI! +351
38.47
~
SEF460Q
ts
3 2
1
5
I!]
CHECK HARNESS CONTINUITY
BETWEE NISSAN ALMERA N15 1995 Service Manual TROUBLEDIAGNOSIS FORPOWER SUPPLY
[gJ
Main Power Supply andGround Circuit(Cont'd)
@
~IV ~i5
Ie
ECM E!'CONNECTORI! +351
38.47
~
SEF460Q
ts
3 2
1
5
I!]
CHECK HARNESS CONTINUITY
BETWEE](/img/5/57349/w960_57349-1006.png)
TROUBLEDIAGNOSIS FORPOWER SUPPLY
[gJ
Main Power Supply andGround Circuit(Cont'd)
@
~IV ~i5
Ie
ECM E!'CONNECTORI! +351
38.47
~
SEF460Q
ts
3 2
1
5
I!]
CHECK HARNESS CONTINUITY
BETWEEN ECCSRELAY ANDECM
1. Disconnect ECMharness connector.
2. Disconnect ECCSrelayharness con-
nector.
3. Check harness continuity between
ECM terminals
@,@
and terminal
@.
Continuity shouldexist.
If OK, check harness forshort.
OK
CHECK VOLTAGE BETWEEN ECCS
RELAY ANDGROUND.
Check voltage between terminals
(!),
@
and ground withCONSULT or
tester.
Voltage: Batteryvoltage NG
NG
Repair
harness orcon-
nectors.
Check thefollowing.
• Harness connectors
@,@
• Harness connectors
@,
• Harness foropen or
short between ECCS
relay andbattery
If NG, repair harness or
connectors.
Repair harness orcon-
nectors.
Replace ECCSrelay.
NG
NG
OK
OK
[!1
CHECK ECCSRELAY.
1. Apply 12Vdirect current between
relay terminals
(!)
and
@.
2. Check continuity betweenrelayter-
minals
@
and
@.
12V
«(!) .
@) applied:
Continuity exists.
No voltage applied:
No continuity
Ii
CHECK OUTPUT SIGNALCIRCUIT.
Check harness continuity betweenECM
terminal
@
and terminal
@.
Continuity shouldexist.
If OK, check harness forshort.
AEC684
AEC492
~i5
•
JO[CONNECTOR
II
4
ECM
Ii
OK
III
CHECK GROUND CIRCUIT.
1. Turn ignition switch"OFF".
2. Loosen andretighten engineground
screws.
3. Disconnect ECMharness connector.
4. Check harness continulty between
ECM terminals
@,
@,@,
@,
@,
COO,GID
andengine ground.
Continuity shouldexist. .
If OK, check harness forshort.
NG
Repair harness orcon-
nectors.
SEF090M OK
III
~15@a
II
ECM ~CONNECTOR
II
6'13'39048'107'108'116
.
.
LEn
Check
ECMpinterminals fordamage
and check theconnection ofECM har-
ness connector.
INSPECTION END
SEF461Q EC-288
Page 1008 of 1701

TROUBLEDIAGNOSIS FOROTC11
Rotor plate
SEF6138
180
0
signal slitfor NO.1 cylinder
\\\\""I"~'11111
1
0
signal slit
\\\\\ d'"
/11;
:£
';\'0\
I//..;:
#'
/%
$ ~
180
0
signal slit
f
0
%
o
Camshaft
PositionSensor(CMPS)
The camshaft positionsensorisabasic component ofthe
ECCS. Itmonitors enginespeedandpiston position. These
input signals tothe ECM areused tocontrol fuelinjection, igni-
tion timing andother functions.
The camshaft positionsensorhasarotor plate andawave-
forming circuit.Therotor plate has360slits fora
1"
(POS) sig-
nal and 4slits fora180
0
(REF) signal. Thewave-forming circuit
consists ofLight Emitting Diodes(LED)andphoto diodes.
The rotor plate ispositioned betweentheLED andthephoto
diode. TheLED transmits lighttothe photo diode. Asthe rotor
plate turns, theslits cutthe light togenerate rough-shaped •
pulses. Thesepulses areconverted intoon-off signals bythe
wave-forming circuitandsent tothe ECM.
Rotor plate
SEF8638
Diagnostic
Trouble Code
No.
11
Malfunction
isdetected when....
• Either 1
0
or 180
0
signal isnot sent toECM forthe
first fewseconds duringengine cranking.
• Either
r
or 180" signal isnot sent toECM often
enough whiletheengine speedishigher thanthe
specified enginespeed.
~
• The relation between rand180
0
signal isnot in
the normal rangeduring thespecified engine
speed. Check
Items
(Possible Cause)
• Harness orconnectors
(The camshaft positionsensorcircuitisopen or
shorted.)
• Camshaft positionsensor
• Starter motor(Refer toEL section.)
• Starting systemcircuit(RefertoEL section.)
• Dead (Weak) battery
3)
@
1)
2)
DIAGNOSTIC
TROUBLECODECONFIRMATION
PROCEDURE
rif\
1)Turn ignition switch"ON"andselect "DATA
~ MONITOR" modewithCONSULT.
2) Start engine andrunitfor atleast 2seconds atidle
speed.
---------- OR----------
Start engine andrunitfor atleast 2seconds atidle
speed.
Turn ignition switch"OFF", waitatleast 7seconds
and then turn"ON".
Perform "Diagnostic TestMode II"(Self-diagnostic
results) withECM.
EC-289
Page 1009 of 1701
![NISSAN ALMERA N15 1995 Service Manual TROUBLEDIAGNOSIS FORDTC11 [][]
Camshaft PositionSensor(CMPS) (Cont'd)
EC-CMPS-01
Refer' toEL-POWER. _.
Detectable line
for' DTC
-: Non-detectab Ie
line for'DTC
t
...
B B B
1..1 J NISSAN ALMERA N15 1995 Service Manual TROUBLEDIAGNOSIS FORDTC11 [][]
Camshaft PositionSensor(CMPS) (Cont'd)
EC-CMPS-01
Refer' toEL-POWER. _.
Detectable line
for' DTC
-: Non-detectab Ie
line for'DTC
t
...
B B B
1..1 J](/img/5/57349/w960_57349-1008.png)
TROUBLEDIAGNOSIS FORDTC11 [][]
Camshaft PositionSensor(CMPS) (Cont'd)
EC-CMPS-01
Refer' toEL-POWER. _.
Detectable line
for' DTC
-: Non-detectab Ie
line for'DTC
t
...
B B B
1..1 J
m m
ECM
(ECCS
CONTROL
MODULE)
em
DISTRIBUTOR
(CAMSHAFT
POSITION
SENSOR)
ern>
"'
J.
...
---
u,,;J~1!.i=ll
L B!W B
JOINTCONNECTOR-6
@
l'" --- ....
~==~-- •
"
B!W
B!W
Ii3'n1
1:0
I
POS POS
rT
L L
12~1 13.01
REF REF
W!L
I
W!L
Ifii'ii\
r=b\!JQ!,
I~I (MB)
W!L
,rID'@
=r='@
W!L
I
T-,
W!L W!L
I!~I
ECCS
~ RELAY
!bi=UI!.i=U
CEID
WIG W!R
I
.
--_.
I
"
WIG
W!R W!R
rhU3'sn~
SSOFF VBVB
(Ill
I
I~
@
~5
1
CF
L3)
3456 W
T
~
rn>
~@
(11213415\6)
GY
ITIIIIIIIillI
GY
Refer
tolast page
(Foldout page).
em
L
HEC003
EC-290
Page 1010 of 1701

•
NG
Check thefollowing.
• Harness foropen or
short between camshaft
position sensorand
ECCS relay
If NG, repair harness or
connectors.
NG Repair harness orcon-
nector.
INSPECTION
START
CHECK POWER SUPPLY.
1. Turn ignition switch"OFF".
2. Disconnect camshaftpositionsensor
harness connector.
3. Turn ignition switch"ON".
4. Check voltage between terminal
@
and ground withCONSULT ortester.
Voltage: Batteryvoltage
CHECK GROUND CIRCUIT.
1.
Turn ignition switch"OFF".
2. Loosen andretighten engineground
screws.
3. Check harness continuity between
SEF524Q
terminal
@
and engine ground.
Continuity shouldexist.
If OK, check harness forshort.
TROUBLE
DIAGNOSIS FOROTC11 [][]
Camshaft PositionSensor(CMPS) (Cont'd)
DIAGNOSTIC PROCEDURE(DETECTABLE CIRCUIT)
~i5
@a
( 1121\'ij151~
SEF463Q
[!J
~15 ~15
II
ECM
ECONNECTORII
mmJili)
31.40
f
~Q~ ~
'-.,-J
.---
[fiJ
..
-
SEF462Q CHECK
INPUTSIGNAL CIRCUIT.
1. Disconnect ECMharness connector.
2. Check harness continuity between
terminal
@
and ECM terminals
@,
@l,
terminal
@
and ECM terminals
@,@.
Continuity shouldexist.
If OK, check harness forshort.
OK
CHECK COMPONENT
(Camshaft positionsensor).
Refer to"COMPONENT INSPECTION"
on next page.
OK
Disconnect andreconnect harnesscon-
nectors inthe circuit. Thenretest. NG
Repair harness orcon-
nectors.
NG Replace camshaft position
sensor.
Trouble isnot fixed.
Check ECMpinterminals fordamage
and check theconnection ofECM har-
ness connector. ReconnectECMhar-
ness connector andretest.
INSPECTION END
EC-291