sensor NISSAN ALMERA N15 1995 Service Manual
[x] Cancel search | Manufacturer: NISSAN, Model Year: 1995, Model line: ALMERA N15, Model: NISSAN ALMERA N15 1995Pages: 1701, PDF Size: 82.27 MB
Page 1002 of 1701

TROUBLEDIAGNOSIS -General Description
[ill
ECM Terminals andReference Value(Conl'd)
*Data arereference values.
TERMINAL WIRE
NO. COLOR ITEM
CONDITION *DATA
IEngine isrunning.1 (Warm-up condition)
1.3-1.7V
L
Idle speed
16 OR Mass
airflow sensor
IEngineisrunning.1 (Warm-up condition)
1.7-2.1V
L
Engine speedis2,000 rpm.
17 W Mass
airflow sensor IEngine
isrunning.!
ApproximatelyOV
ground
L
Idle speed
0-5.0V
18 BRIY Engine
coolant tem-
IEngineisrunning.! Output
voltage varies
perature sensor with
engine coolant
temperature.
19 W
Heatedoxygen sensor IEngine
isrunning.1
0-Approximately 1.OV
L
After warming upsufficiently
Ilgnition switch"ON"I(Warm-up condition)
0.35-0.65V
Throttle position sen-
L
Accelerator pedalreleased
20 Y
sor Ilgnitionswitch"ON"I
L
Approximately
4V
Accelerator pedalfullydepressed
21 B Sensor'sground IEngine
isrunning.1
ApproximatelyOV
L
Idle speed
22 Camshaft
position
30 L
sensor
(Reference IEngineisrunning.1 0.1
-O.4V
signal)
jlgnitionswitch"ON"!
Approximately1.5V
24 ORIL Malfunction
indicator
lamp IEngineisrunning.1 BATTERY
VOLTAGE
(11 -14V)
27 W Knock
sensor IEngine
isrunning.1
Approximately2.5V
L
Idle speed
29 B Sensor's
ground IEngine
isrunning.1
ApproximatelyOV
L
Idle speed
31 Camshaft
position
40
S/W
sensor
(Position sig-
IEngineisrunning.! 2.0
-3.0V
nal)
Ilgnitionswitch"ON"I
32 PUIR
Vehiclespeedsensor
t
Eng;ne "opped andge., po,;!;on ;,"Neo-
Variesfrom0to 5V
tral position".
While rotating drivewheel byhand
Ilgnition switch"ON"!
ApproximatelyOV
34
BIY
Start
signal
Ilgnitionswitch"START"I SA
TTERY VOLTAGE
(11 -14V)
EC-283
•
Page 1004 of 1701
![NISSAN ALMERA N15 1995 Service Manual TROUBLEDIAGNOSIS -General Description
[]K]
ECM Terminals andReference Value(Cont'd)
'Data arereference values.
TERMINAL WIRE
ITEM CONDITION
'DATA
NO. COLOR
Ilgnitionswitch"ON"I
NISSAN ALMERA N15 1995 Service Manual TROUBLEDIAGNOSIS -General Description
[]K]
ECM Terminals andReference Value(Cont'd)
'Data arereference values.
TERMINAL WIRE
ITEM CONDITION
'DATA
NO. COLOR
Ilgnitionswitch"ON"I](/img/5/57349/w960_57349-1003.png)
TROUBLEDIAGNOSIS -General Description
[]K]
ECM Terminals andReference Value(Cont'd)
'Data arereference values.
TERMINAL WIRE
ITEM CONDITION
'DATA
NO. COLOR
Ilgnitionswitch"ON"I
L
For 5seconds afterturning ignition switch
"ON" Approximately
OV
104 B/P Fuelpump relay !Engine
isrunning.1
Ilgnition switch"ON"I
BATTERY VOLTAGE
L
5seconds afterturning ignitionswitch
(11-14V)
"ON" andthereafter
IEngine isrunning.1
0.6-0.8V
EGR valve
&
EVAP
.L
Engine speedis4,000 rpm.
105 P canisterpurgecontrol
solenoid valve IEngine
isrunning.1
BATTERYVOLTAGE
L
Idle speed (11
-14V)
107 IEngine
isrunning.j
B/Y ECCSground
L
Engine
ground
108 Idlespeed
!Engine isrunning.1
Approximately0.2V
L
Engine speedisbelow 3,200rpm.
Heated oxygen sensor
111 OR
heater IEngineisrunning.1
BATTERY VOLTAGE
L
Engine speedisabove 3,200rpm. (11
-14V)
IEngine isrunning.\
11-14V
L
Idle speed
113 SB IACV-AAC
valve lEngine
isrunning.1
~ Sle«;ng wheel;,be;ng I"med
2-11V
Air conditioner isoperating.
Rear window defogger switchis"ON".
Lighting switchis"ON".
!Engine isrunning.1
ApproximatelyOV
Torque converter
L
Idle speed
115 P/B clutch
solenoid valve
IEngineisrunning.1 (Warm-up condition)
(A/T
models)
L
Vehicle speedis60 km/h (37MPH) or BA
TTERY VOLTAGE
(11 -14V)
more in"D" position
116 BIY ECCS
ground IEngine
isrunning.1
Engineground
L
Idle speed
EC-285
•
Page 1008 of 1701

TROUBLEDIAGNOSIS FOROTC11
Rotor plate
SEF6138
180
0
signal slitfor NO.1 cylinder
\\\\""I"~'11111
1
0
signal slit
\\\\\ d'"
/11;
:£
';\'0\
I//..;:
#'
/%
$ ~
180
0
signal slit
f
0
%
o
Camshaft
PositionSensor(CMPS)
The camshaft positionsensorisabasic component ofthe
ECCS. Itmonitors enginespeedandpiston position. These
input signals tothe ECM areused tocontrol fuelinjection, igni-
tion timing andother functions.
The camshaft positionsensorhasarotor plate andawave-
forming circuit.Therotor plate has360slits fora
1"
(POS) sig-
nal and 4slits fora180
0
(REF) signal. Thewave-forming circuit
consists ofLight Emitting Diodes(LED)andphoto diodes.
The rotor plate ispositioned betweentheLED andthephoto
diode. TheLED transmits lighttothe photo diode. Asthe rotor
plate turns, theslits cutthe light togenerate rough-shaped •
pulses. Thesepulses areconverted intoon-off signals bythe
wave-forming circuitandsent tothe ECM.
Rotor plate
SEF8638
Diagnostic
Trouble Code
No.
11
Malfunction
isdetected when....
• Either 1
0
or 180
0
signal isnot sent toECM forthe
first fewseconds duringengine cranking.
• Either
r
or 180" signal isnot sent toECM often
enough whiletheengine speedishigher thanthe
specified enginespeed.
~
• The relation between rand180
0
signal isnot in
the normal rangeduring thespecified engine
speed. Check
Items
(Possible Cause)
• Harness orconnectors
(The camshaft positionsensorcircuitisopen or
shorted.)
• Camshaft positionsensor
• Starter motor(Refer toEL section.)
• Starting systemcircuit(RefertoEL section.)
• Dead (Weak) battery
3)
@
1)
2)
DIAGNOSTIC
TROUBLECODECONFIRMATION
PROCEDURE
rif\
1)Turn ignition switch"ON"andselect "DATA
~ MONITOR" modewithCONSULT.
2) Start engine andrunitfor atleast 2seconds atidle
speed.
---------- OR----------
Start engine andrunitfor atleast 2seconds atidle
speed.
Turn ignition switch"OFF", waitatleast 7seconds
and then turn"ON".
Perform "Diagnostic TestMode II"(Self-diagnostic
results) withECM.
EC-289
Page 1009 of 1701
![NISSAN ALMERA N15 1995 Service Manual TROUBLEDIAGNOSIS FORDTC11 [][]
Camshaft PositionSensor(CMPS) (Cont'd)
EC-CMPS-01
Refer' toEL-POWER. _.
Detectable line
for' DTC
-: Non-detectab Ie
line for'DTC
t
...
B B B
1..1 J NISSAN ALMERA N15 1995 Service Manual TROUBLEDIAGNOSIS FORDTC11 [][]
Camshaft PositionSensor(CMPS) (Cont'd)
EC-CMPS-01
Refer' toEL-POWER. _.
Detectable line
for' DTC
-: Non-detectab Ie
line for'DTC
t
...
B B B
1..1 J](/img/5/57349/w960_57349-1008.png)
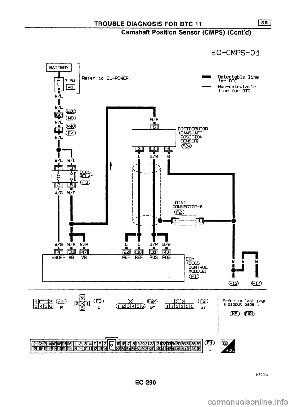
TROUBLEDIAGNOSIS FORDTC11 [][]
Camshaft PositionSensor(CMPS) (Cont'd)
EC-CMPS-01
Refer' toEL-POWER. _.
Detectable line
for' DTC
-: Non-detectab Ie
line for'DTC
t
...
B B B
1..1 J
m m
ECM
(ECCS
CONTROL
MODULE)
em
DISTRIBUTOR
(CAMSHAFT
POSITION
SENSOR)
ern>
"'
J.
...
---
u,,;J~1!.i=ll
L B!W B
JOINTCONNECTOR-6
@
l'" --- ....
~==~-- •
"
B!W
B!W
Ii3'n1
1:0
I
POS POS
rT
L L
12~1 13.01
REF REF
W!L
I
W!L
Ifii'ii\
r=b\!JQ!,
I~I (MB)
W!L
,rID'@
=r='@
W!L
I
T-,
W!L W!L
I!~I
ECCS
~ RELAY
!bi=UI!.i=U
CEID
WIG W!R
I
.
--_.
I
"
WIG
W!R W!R
rhU3'sn~
SSOFF VBVB
(Ill
I
I~
@
~5
1
CF
L3)
3456 W
T
~
rn>
~@
(11213415\6)
GY
ITIIIIIIIillI
GY
Refer
tolast page
(Foldout page).
em
L
HEC003
EC-290
Page 1010 of 1701

•
NG
Check thefollowing.
• Harness foropen or
short between camshaft
position sensorand
ECCS relay
If NG, repair harness or
connectors.
NG Repair harness orcon-
nector.
INSPECTION
START
CHECK POWER SUPPLY.
1. Turn ignition switch"OFF".
2. Disconnect camshaftpositionsensor
harness connector.
3. Turn ignition switch"ON".
4. Check voltage between terminal
@
and ground withCONSULT ortester.
Voltage: Batteryvoltage
CHECK GROUND CIRCUIT.
1.
Turn ignition switch"OFF".
2. Loosen andretighten engineground
screws.
3. Check harness continuity between
SEF524Q
terminal
@
and engine ground.
Continuity shouldexist.
If OK, check harness forshort.
TROUBLE
DIAGNOSIS FOROTC11 [][]
Camshaft PositionSensor(CMPS) (Cont'd)
DIAGNOSTIC PROCEDURE(DETECTABLE CIRCUIT)
~i5
@a
( 1121\'ij151~
SEF463Q
[!J
~15 ~15
II
ECM
ECONNECTORII
mmJili)
31.40
f
~Q~ ~
'-.,-J
.---
[fiJ
..
-
SEF462Q CHECK
INPUTSIGNAL CIRCUIT.
1. Disconnect ECMharness connector.
2. Check harness continuity between
terminal
@
and ECM terminals
@,
@l,
terminal
@
and ECM terminals
@,@.
Continuity shouldexist.
If OK, check harness forshort.
OK
CHECK COMPONENT
(Camshaft positionsensor).
Refer to"COMPONENT INSPECTION"
on next page.
OK
Disconnect andreconnect harnesscon-
nectors inthe circuit. Thenretest. NG
Repair harness orcon-
nectors.
NG Replace camshaft position
sensor.
Trouble isnot fixed.
Check ECMpinterminals fordamage
and check theconnection ofECM har-
ness connector. ReconnectECMhar-
ness connector andretest.
INSPECTION END
EC-291
Page 1011 of 1701
![NISSAN ALMERA N15 1995 Service Manual TROUBLEDIAGNOSIS FORDTC11 [][]
Camshaft PositionSensor(CMPS) (Cont'd)
COMPONENT INSPECTION
Camshaft positionsensor
1. Start engine.
2. Check voltage between camshaft positionsensorterminals
CID, NISSAN ALMERA N15 1995 Service Manual TROUBLEDIAGNOSIS FORDTC11 [][]
Camshaft PositionSensor(CMPS) (Cont'd)
COMPONENT INSPECTION
Camshaft positionsensor
1. Start engine.
2. Check voltage between camshaft positionsensorterminals
CID,](/img/5/57349/w960_57349-1010.png)
TROUBLEDIAGNOSIS FORDTC11 [][]
Camshaft PositionSensor(CMPS) (Cont'd)
COMPONENT INSPECTION
Camshaft positionsensor
1. Start engine.
2. Check voltage between camshaft positionsensorterminals
CID,
@
and ground withACrange.
~i)ID
dID
Condition
Engine running atidle Terminal
@and ground
@and ground Voltage
(ACrange)
Approximately
2.7V'
AEC689
SEF887K *:
Average voltageforpulse signal (Actual pulsesignal canbeconfirmed
by oscilloscope.)
3. IfNG, replace distributor assemblywithcamshaft position
sensor.
4. Remove distributor cap.Visually checksignal platefordam-
age ordust.
After thisinspection, diagnostictroublecodeNo.11might be
displayed withcamshaft positionsensorfunctioning properly.
Erase thestored memory.
EC.292
Page 1012 of 1701

TROUBLEDIAGNOSIS FOROTe12
•
Check
Items
(Possible Cause)
Mass
AirFlow Sensor (MAFS)
The mass airflow sensor isplaced inthe stream ofintake air.
It measures theintake flowratebymeasuring apart ofthe
entire intake flow.Itconsists ofahot wire thatissupplied with
electric currentfromtheECM. Thetemperature ofthe hotwire
is controlled bythe ECM acertain amount. Theheat generated
by the hotwire isreduced asthe intake airflows around it.The
more air,thegreater theheat loss.
Therefore, theECM mustsupply moreelectric currenttomain-
tain thetemperature ofthe hotwire asair flow increases. The
SEF781K
ECMdetects theairflow bymeans ofthis current change.
Malfunction isdetected when...
Diagnostic
Trouble
Code No.
12
•An excessively highorlow voltage fromthesensor •Harness orconnectors
is sent toECM. (Thesensor circuitisopen orshorted.)
• Mass airflow sensor
DIAGNOSTIC TROUBLECODECONFIRMATION
PROCEDURE
fiii\
1)Turn ignition switch"ON",andwait atleast 6sec-
~ onds.
2) Select "DATA MONITOR" modewithCONSULT.
3) Start engine andwait atleast 3seconds.
---------- OR----------
rR\
1)Turn ignition switch"ON",andwait atleast 6sec-
~ onds.
2) Start engine andwait atleast 3seconds.
3) Turn ignition switch"OFF", waitatleast 7seconds
and then turn"ON".
4) Perform "Diagnostic TestMode II"(Self-diagnostic
results) withECM.
EC-293
Page 1013 of 1701
![NISSAN ALMERA N15 1995 Service Manual TROUBLEDIAGNOSIS FORDTC12 [][]
Mass AirFlow Sensor (MAFS) (Coni'd)
EC-MAFS-01
Refer toEL-POWER.
-:Oetectable line
for DTG
-: Non-detectable
line forDTC
11
B B B
t...J
1
<ill>
(ffi)
ECM
(E NISSAN ALMERA N15 1995 Service Manual TROUBLEDIAGNOSIS FORDTC12 [][]
Mass AirFlow Sensor (MAFS) (Coni'd)
EC-MAFS-01
Refer toEL-POWER.
-:Oetectable line
for DTG
-: Non-detectable
line forDTC
11
B B B
t...J
1
<ill>
(ffi)
ECM
(E](/img/5/57349/w960_57349-1012.png)
TROUBLEDIAGNOSIS FORDTC12 [][]
Mass AirFlow Sensor (MAFS) (Coni'd)
EC-MAFS-01
Refer toEL-POWER.
-:Oetectable line
for DTG
-: Non-detectable
line forDTC
11
B B B
t...J
1
(ffi)
ECM
(EGCS
CONTROL
MODULE)
em
OR
W
w=IT5il~
QA+ QA-
"
... 1
JOINT
CONNEGTOR-6
@
( ....-m=_
~=P:1
W!R
W
3 MASS
AIR
FLOW
SENSOR
lbjdJlbj:Jlm OR W
t
W!L
I
W!L
iETtITI
1Fst11~
~@
W/L
,ctJ,@
=r(ffi
W!L
I
T-,
W!L W!L
I!~I
EGGS
~ RELAY
1ki=JI1'=i=!'@
WIG W!R
I
.--_
....
I
"
WIG
W!RW!R
wtilli1Bnd7n
SSOFF VBVB
~II
I'fil
em
3456 W
~
cn.g:oo
BR
~@
CDODDDJDJJJD
GY
Refer
tolast page
(Foldout page).
em
L
HEC004
EC-294
Page 1014 of 1701

•
Repair
harness orcon-
nectors.
Repair harness orcon-
nectors.
Repair harness orcon-
nectors.
Replace massairflow
sensor.
NG
NG NG
NG
INSPECTION
START
CHECK POWER SUPPLY.
1. Turn ignition switch"OFF".
2. Disconnect massairflow sensor har-
ness connector.
3. Turn ignition switch"ON".
4. Check voltage between terminal
@
and ground withCONSULT ortester.
Voltage: Batterypositive voltage
CHECK INPUTSIGNAL CIRCUIT.
Check harness continuity betweenter-
minal
CD
and ECM terminal
@.
Continuity shouldexist.
if OK, check harness forshort.
CHECK
GROUND CIRCUIT.
1. Turn ignition switch"OFF"
2. Disconnect ECMharness connector.
3. Loosen andretighten engineground
screws.
4. Check harness continuity between
terminal @and ECM terminal
@.
Continuity shouldexist.
If OK. check harness forshort.
OK
CHECK
COMPONENT
(Mass airflow sensor).
Refer to"COMPONENT iNSPECTION"
on next page.
TROUBLE
DIAGNOSIS FOROTC12
Mass AirFlow Sensor (MAFS) (Cont'd)
DIAGNOSTIC PROCEDURE
~i5~0
c:u:ffiD
MEC749B
~I() ~Io
1='
=E=CM=B CONNECTOR
II
CIIfJ1D
17
Disconnectandreconnect harnesscon-
nectors inthe circuits. Thenretest.
MEC751B
Trouble
isnot fixed.
~i()
II
ECM 'ECONNECTORII
16
~io
(TIffiJ::J
Check
ECMpinterminals fordamage
and check theconnection ofECM har-
ness connector. ReconnectECMhar-
ness connector andretest.
INSPECTION END
MEC752B EC-295
Page 1015 of 1701

VoltageV
Less than1.0
1.3 -1.7
Conditions
Ignition switch"ON"(Engine stopped.)
Idle (Engine iswarmed-up sufficiently.)
4,
IfNG,
remove massairflow sensor fromairduct. Check hot
wire fordamage ordust.
Mass
airflow sensor
1, Turn ignition switch"ON",
2, Start engine andwarm itup sufficiently,
3, Check voltage between terminal
CD
and ground,
MEC753B
TROUBLE
DIAGNOSIS FORDTC12
,
Mass AirFlow Sensor (MAFS) (Cont'd)
COMPONENT INSPECTION
SEF881K
EC-296