NISSAN X-TRAIL 2005 Service Repair Manual
Manufacturer: NISSAN, Model Year: 2005, Model line: X-TRAIL, Model: NISSAN X-TRAIL 2005Pages: 4555, PDF Size: 88.09 MB
Page 3801 of 4555

DOOR MIRROR
GW-87
C
D
E
F
G
H
J
K
L
MA
B
GW
Wiring Diagram — MIRROR — / For LHD ModelsEIS004JP
TIWA0458E
Page 3802 of 4555

GW-88
DOOR MIRROR
TIWA0459E
Page 3803 of 4555

DOOR MIRROR
GW-89
C
D
E
F
G
H
J
K
L
MA
B
GW
Wiring Diagram — MIRROR — / For RHD ModelsEIS004JQ
TIWA0460E
Page 3804 of 4555

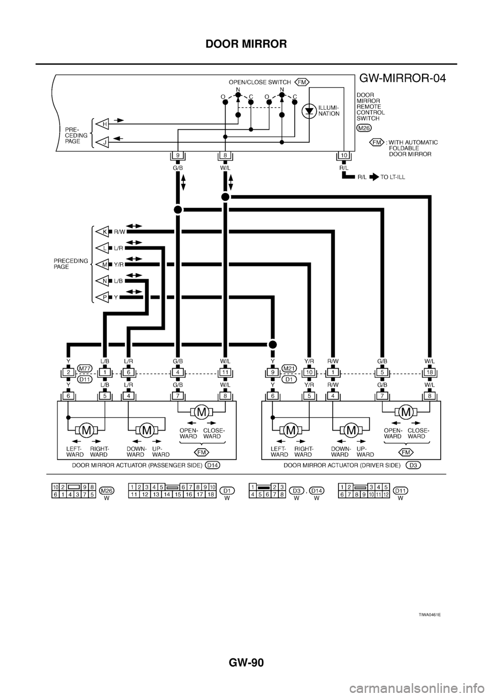
GW-90
DOOR MIRROR
TIWA0461E
Page 3805 of 4555

DOOR MIRROR
GW-91
C
D
E
F
G
H
J
K
L
MA
B
GW
Removal and InstallationEIS004JR
REMOVAL
1. Remove front door finisher. Refer to EI-32, "Removal and Installation" .
2. Remove corner cover.
3. Remove door mirror harness connector.
4. Remove door mirror mounting nuts, and remove door mirror assembly.
INSTALLATION
Install in the reverse order of removal.
1. Door mirror 2. Connector 3. Corner cover
SIIA0186E
Page 3806 of 4555

GW-92
DOOR MIRROR
Disassembly and AssemblyEIS004JS
DISASSEMBLY
1. Pull out all the terminals from the connector.
NOTE:
Before pulling out the terminal, note the connector terminal arrangement.
2. Turn the mirror glass surface upward.
3. Apply a protective tape to the housing.
4. Insert a narrow slotted screwdriver in the concave gap between mirror glass and power unit to push up
tabs (2 locations) on mirror holder to disengage lower part of mirror holder, and remove mirror body
assembly.
NOTE:
When pushing up the tabs, do not forcefully push up only 1 concave but try to push up using 2 concave
positions.
5. Remove packing.
6. Remove base.
7. Remove electric retracting unit.
8. Remove power unit, and disconnect the connector.
9. Separate the electric retracting unit from the bracket.
1. Mirror body 2. Power unit 3. Bracket
4. Electric retracting unit 5. Housing 6. Base
7. Packing 8. Connector
SIIA0187E
Page 3807 of 4555

DOOR MIRROR
GW-93
C
D
E
F
G
H
J
K
L
MA
B
GW
ASSEMBLY
1. Install bracket to the electric retracting unit.
2. Connect power unit connector. Install electric retracting unit (bracket).
3. Install electric retracting unit and base to the housing.
4. Place power unit and mirror body assembly in a horizontal position.
5. Engage upper tabs of mirror glass with power unit. Then, press lower part of mirror glass down until the
lower part snaps to allow engagement of lower tabs.
NOTE:
After installation, visually check that the lower tabs (2) are securely engaged when viewed from the bot-
tom of mirror surface.
6. Install the packing to the base.
7. Insert the harness terminal into the connector.
NOTE:
Make sure to insert the harness terminal into the correct connector. Do not confuse the locations.
Page 3808 of 4555

GW-94
INSIDE MIRROR
INSIDE MIRRORPFP:96321
Removal and InstallationEIS008O4
REMOVAL
Remove the screws securing inside mirror assembly and mirror base
as shown in the figure.
INSTALLATION
Install in the reverse order of removal.
SIIA1024E
Page 3809 of 4555

RF-1
ROOF
I BODY
CONTENTS
C
D
E
F
G
H
J
K
L
M
SECTION RF
A
B
RF
ROOF
PRECAUTIONS .......................................................... 2
Precautions for Supplemental Restraint System
(SRS) “AIR BAG” and “SEAT BELT PRE-TEN-
SIONER” .................................................................. 2
Precautions .............................................................. 2
PREPARATION ........................................................... 3
Commercial Service Tools ........................................ 3
SQUEAK AND RATTLE TROUBLE DIAGNOSES ..... 4
Work Flow ................................................................ 4
CUSTOMER INTERVIEW ..................................... 4
DUPLICATE THE NOISE AND TEST DRIVE ....... 5
CHECK RELATED SERVICE BULLETINS ........... 5
LOCATE THE NOISE AND IDENTIFY THE
ROOT CAUSE ...................................................... 5
REPAIR THE CAUSE ........................................... 5
CONFIRM THE REPAIR ....................................... 6
Generic Squeak and Rattle Troubleshooting ........... 6
INSTRUMENT PANEL .......................................... 6
CENTER CONSOLE ............................................. 6
DOORS ................................................................. 6
TRUNK .................................................................. 7
SUNROOF/HEADLINER ....................................... 7SEATS ................................................................... 7
UNDERHOOD ....................................................... 7
Diagnostic Worksheet ............................................... 8
SUNROOF ................................................................. 10
System Description ................................................. 10
RESUMING OPERATION ................................... 10
Component Parts Location ..................................... 10
Wiring Diagram — SROOF — ................................ 11
Terminal and Reference Value for Sunroof Switch ... 13
Wind Deflector Inspection ....................................... 13
Glass Lid Weatherstrip Inspection .......................... 13
Link and Wire Assembly Inspection ........................ 13
Fitting Adjustment ................................................... 14
LONGITUDINAL/LATERAL CLEARANCE
ADJUSTMENT .................................................... 14
SURFACE MISMATCH ADJUSTMENT .............. 14
Removal and Installation ........................................ 15
SUNROOF UNIT ................................................. 16
GLASS LID .......................................................... 17
SUNSHADE ........................................................ 17
WIND DEFLECTOR ............................................ 18
SUNROOF MOTOR ............................................ 18
Page 3810 of 4555

RF-2
PRECAUTIONS
PRECAUTIONSPFP:00001
Precautions for Supplemental Restraint System (SRS) “AIR BAG” and “SEAT
BELT PRE-TENSIONER”
EIS0044P
The Supplemental Restraint System such as “AIR BAG” and “SEAT BELT PRE-TENSIONER”, used along
with a front seat belt, helps to reduce the risk or severity of injury to the driver and front passenger for certain
types of collision. Information necessary to service the system safely is included in the SRS and SB section of
this Service Manual.
WARNING:
To avoid rendering the SRS inoperative, which could increase the risk of personal injury or death
in the event of a collision which would result in air bag inflation, all maintenance must be per-
formed by an authorized NISSAN/INFINITI dealer.
Improper maintenance, including incorrect removal and installation of the SRS, can lead to per-
sonal injury caused by unintentional activation of the system. For removal of Spiral Cable and Air
Bag Module, see the SRS section.
Do not use electrical test equipment on any circuit related to the SRS unless instructed to in this
Service Manual. SRS wiring harnesses can be identified by yellow and/or orange harnesses or
harness connectors.
Precautions EIS0044Q
When removing or disassembling any part, be careful not to damage or deform it. Protect parts, which
may get in the way with cloth.
When removing parts with a screwdriver or other tool, protect parts by wrapping them with vinyl or tape.
Keep removed parts protected with cloth.
If a clip is deformed or damaged, replace it.
If an unreusable part is removed, replace it with a new one.
Tighten bolts and nuts firmly to the specified torque.
After re-assembly has been completed, make sure each part functions correctly.
Remove stains in the following way.
Water-soluble stains:
Dip a soft cloth in warm water, and then squeeze it tightly. After wiping the stain, wipe with a soft dry cloth.
Oil stain:
Dissolve a synthetic detergent in warm water (density of 2 to 3% or less), dip the cloth, then clean off the stain
with the cloth. Next, dip the cloth in fresh water and squeeze it tightly. Then clean off the detergent completely.
Then wipe the area with a soft dry cloth.
Do not use any organic solvent, such as thinner or benzine.
If sunroof motor operation sound is noted but sunroof does not operate, replace motor assembly with
glass lid fully closed.
If sunroof (glass lid and motor) does not operate when using sunroof switch then remove the front cover of
the luggage compartment, and rotate motor gear box drive shaft with the emergency handle (in the tool
box).