YAMAHA WR 250F 2017 Notices Demploi (in French)
Manufacturer: YAMAHA, Model Year: 2017, Model line: WR 250F, Model: YAMAHA WR 250F 2017Pages: 446, PDF Size: 14.51 MB
Page 341 of 446

9-1
FAS2GB2358
N.B.
Cette section s’adresse aux personnes qui possèdent les connaissances et les compétences de
base requises pour effectuer l’entretien de motos Yamaha (par exemple, des concessionnaires
Yamaha, des techniciens, etc.). Celles qui ne disposent pas des connaissances et des compétences
suffisantes pour assurer l’entretien de leur moto sont priées de ne pas effectuer de tâches d’inspec-
tion, de réglage, de démontage ou de remontage en se référant uniquement à ce manuel. Sinon, des
problèmes d’entretien et des dommages mécaniques pourraient survenir.
Page 342 of 446

SYSTEME D’ALLUMAGE
9-2
FAS2GB2359
SYSTEME D’ALLUMAGE
FAS2GB2360SCHEMA DE CIRCUIT
ONOFF
ONOFF
BBB
BBB
RRR
RRR/L
Br Br Br
Br Br
(Gy)
(Gy)B/LGyWW WB Gy
B R
WW W
BR
R,R/Y
G
R
Y/B
R,R/W
Br
RL/R
(B)R/YR/WBr/WL/G
Br/W,BrL/W
(B) (B)Br BrL/Y Y/R
G/YBrBB
BrBrL/YY/W
(B)(B)BB GG/Y
RR/L
R Lg
W/B
(B) BGyBr RW/BB/LLYP
G/WB/Y
R/BLgG/YW
Br/W
OL/RY/BB/OL/BSbY/R L/Y P/L
Y/G
(Gy)R/L R/BR/LB/Y
R/WR/L
R/W,BrP/L
R/L R/L
(B)
(B)
(B)
(L)
(L)(B) BR/LLBR/L R/L R/L R/L R/L B/L B/L B/L B/L B/L B/L B/LL L L LBBBB
Br Br Br Br
B/LBr/W
B/LG/WLYB/L
B/LPLB/LY/GL
(B)
(B)B/OBB BSbW/B
Sb
SbG/B
L/G,L/WL/BBrG/BG/BB
BB
(B)
(B)L/BBB B
Br Br
Br BrBr
BB LY
(B)
(B)
(B)
(B)
(B)
GB
Ch Dg
Y B
BRW
Br R
B W
B/WR W
Ch DgYBBrR/WBW
R O
OR/L
B
B
BBBBBB
RRRRRR/L
BrBrBrBrBr
Br
Br
BrBrBrBrR/LR/LR/LR/LR/L
B
LLLP
PL
Y
Y
RR
Br
R/LR/L
R/L
P/L
P/L
R/L
R/L
R/LR/B
R/B
L/RL/Y
L/Y
Y/R
Y/R
G/Y
G/YG/Y
G/Y
B/Y
B/Y
R/LB/LB/L
B/LB/LB/LY/G
Y/GB/L
B/OL/BY/BW/B
W/B
G/B
L/B
W/BW/B
L/BL/BL/GL/W
L/W
L/R
Br/W
Br/W
R/W
R/W
R/Y
R/Y
G/BG/B
G/B
B/O
B/LB/LB/LB/LB/LB/LB/L
G/W
G/W
Br/W
Br/W
R/WR/WBr
O
O
OR
RGy
LLLLBBBB
B
B
B
B
BBB
B
B
RRWW
Y
Y
Dg
Dg
Ch
Ch
RW
BrBrBrBr
Br
B
W
Sb
SbSb
SbBr
Br
B
Br
Lg
Lg
R/L
R
R
RR
Gy
BB
WWWWWW
R
RRGGBB
B
Y/B
RB
BB
B
B
Br
Br
Br
B
L/G
B/L
B/WB/W
B
Page 343 of 446

SYSTEME D’ALLUMAGE
9-3
1. Connecteur de raccord
2. Connecteur de raccord
4. Alternateur avec rotor à aimantation perma-
nente
9. Batterie
10.Masse du cadre
11.Relais de démarreur
12.Fusible principal
22.Boîtier de commande électronique ECU (uni-
té de contrôle du moteur)
23.Bobine d’allumage
24.Bougie
30.Connecteur de raccord
35.Capteur de sécurité de chute
36.Coupe-circuit du moteur
48.Masse du cadre
49.Fil secondaire de la bobine d’allumage
Page 344 of 446

SYSTEME D’ALLUMAGE
9-4
FAS2GB2361PANNES ET DIAGNOSTICS
Le système d’allumage ne fonctionne pas (pas d’étincelle ou étincelle intermittente).
N.B.
Avant de procéder au dépannage, déposer les pièces suivantes:
1. Selle
2. Cache latéral (gauche/droite)
3. Prise d’air (gauche/droite)
4. Réservoir de carburant
5. Réservoir de carburant
1. Contrôler les fusibles.
Voir “CONTRÔLE DES FUSIBLES”
à la page 9-75.Incorrect
Remplacez les fusibles.
Correct
2. Contrôler la batterie.
Voir “CONTRÔLE ET CHARGE-
MENT DE LA BATTERIE” à la page
9-76.Incorrect
• Nettoyer les bornes de batterie.
• Recharger ou remplacer la batterie.
Correct
3. Contrôler la bougie.
Voir “CONTROLE DES BOUGIES”
à la page 3-43.Incorrect
Ajuster l’écartement de la bougie ou la
remplacer.
Correct
4. Contrôler la longueur d’étincelle
d’allumage.
Voir “CONTROLE DE LA LON-
GUEUR D’ETINCELLE D’ALLUM-
AGE” à la page 9-80.Correct
Le système d’allumage est normal.
Incorrect
5. Contrôler la bobine d’allumage.
Voir “CONTROLE DE LA BOBINE
D’ALLUMAGE” à la page 9-81.Incorrect
Remplacer la bobine d’allumage.
Correct
6. Contrôler le capteur de position de
vilebrequin.
Voir “CONTROLE DU CAPTEUR
DE POSITION DE VILEBREQUIN”
à la page 9-82.Incorrect
Remplacer le stator équipé.
Correct
7. Contrôler le coupe-circuit du mo-
teur.
Voir “CONTROLE DES CON-
TACTEURS” à la page 9-70.Incorrect
Remplacer le coupe-circuit du moteur.
Correct
Page 345 of 446

SYSTEME D’ALLUMAGE
9-5
8. Contrôler le capteur de sécurité de
chute.
Voir “CONTRÔLE DU CAPTEUR
DE SÉCURITÉ DE CHUTE” à la
page 9-82.Incorrect
Remplacer le capteur de sécurité de chute.
Correct
9. Contrôler l’ensemble du câblage du
système d’allumage.
Voir “SCHEMA DE CIRCUIT” à la
page 9-2.Incorrect
Raccorder correctement ou réparer le
câblage du système d’allumage.
Correct
Remplacer le boîtier de commande
électronique.
Page 346 of 446

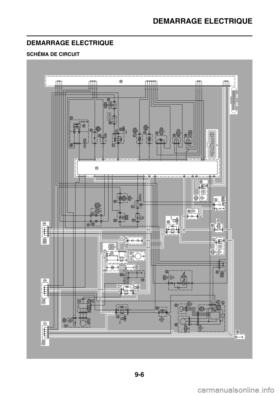
DEMARRAGE ELECTRIQUE
9-6
FAS27160
DEMARRAGE ELECTRIQUE
FAS2GB2362SCHÉMA DE CIRCUIT
ONOFF
ONOFF
BBB
BBB
RRR
RRR/L
Br Br Br
Br Br
(Gy)
(Gy)B/LGyWW WB Gy
B R
WW W
BR
R,R/Y
G
R
Y/B
R,R/W
Br
RL/R
(B)R/YR/WBr/WL/G
Br/W,BrL/W
(B) (B)Br BrL/Y Y/R
G/YBrBB
BrBrL/YY/W
(B)(B)BB GG/Y
RR/L
R Lg
W/B
(B) BGyBr RW/BB/LLYP
G/WB/Y
R/BLgG/YW
Br/W
OL/RY/BB/OL/BSbY/R L/Y P/L
Y/G
(Gy)R/L R/BR/LB/Y
R/WR/L
R/W,BrP/L
R/L R/L
(B)
(B)
(B)
(L)
(L)(B) BR/LLBR/L R/L R/L R/L R/L B/L B/L B/L B/L B/L B/L B/LL L L LBBBB
Br Br Br Br
B/LBr/W
B/LG/WLYB/L
B/LPLB/LY/GL
(B)
(B)B/OBB BSbW/B
Sb
SbG/B
L/G,L/WL/BBrG/BG/BB
BB
(B)
(B)L/BBB B
Br Br
Br BrBr
BB LY
(B)
(B)
(B)
(B)
(B)
GB
Ch Dg
Y B
BRW
Br R
B W
B/WR W
Ch DgYBBrR/WBW
R O
OR/L
B
B
BBBBBB
RRRRRR/L
BrBrBrBrBr
Br
Br
BrBrBrBrR/LR/LR/LR/LR/L
B
LLLP
PL
Y
Y
RR
Br
R/LR/L
R/L
P/L
P/L
R/L
R/L
R/LR/B
R/B
L/RL/Y
L/Y
Y/R
Y/R
G/Y
G/YG/Y
G/Y
B/Y
B/Y
R/LB/LB/L
B/LB/LB/LY/G
Y/GB/L
B/OL/BY/BW/B
W/B
G/B
L/B
W/BW/B
L/BL/BL/GL/W
L/W
L/R
Br/W
Br/W
R/W
R/W
R/Y
R/Y
G/BG/B
G/B
B/O
B/LB/LB/LB/LB/LB/LB/L
G/W
G/W
Br/W
Br/W
R/WR/WBr
O
O
OR
RGy
LLLLBBBB
B
B
B
B
BBB
B
B
RRWW
Y
Y
Dg
Dg
Ch
Ch
RW
BrBrBrBr
Br
B
W
Sb
SbSb
SbBr
Br
B
Br
Lg
Lg
R/L
R
R
RR
Gy
BB
WWWWWW
R
RRGGBB
B
Y/B
RB
BB
B
B
Br
Br
Br
B
L/G
B/L
B/WB/W
B
Page 347 of 446

DEMARRAGE ELECTRIQUE
9-7
1. Connecteur de raccord
2. Connecteur de raccord
3. Connecteur de raccord
7. Relais principal
9. Batterie
10.Masse du cadre
11.Relais de démarreur
12.Fusible principal
13.Démarreur
14.Diode du relais de démarreur
22.Boîtier de commande électronique ECU (uni-
té de contrôle du moteur)
30.Connecteur de raccord
36.Coupe-circuit du moteur
37.Contacteur de point mort
38.Diode
39.Relais de coupe-circuit de démarrage
40.Contacteur d’embrayage
41.Contacteur du démarreur
48.Masse du cadre
Page 348 of 446

DEMARRAGE ELECTRIQUE
9-8
FAS2GB2363FONCTIONNEMENT DU SYSTÈME DE COUPURE DU CIRCUIT DE DÉMARRAGE
Si l’éclairage des instruments s'allume, le démarreur fonctionnera uniquement si au moins une des
conditions suivantes est remplie:
• la boîte de vitesses est au point mort (le circuit du contacteur de point mort est fermé).
• le levier d’embrayage est tiré vers le guidon (le contacteur d’embrayage est fermé).
Le relais de coupe-circuit de démarrage empêche le démarreur de fonctionner lorsque aucune des
deux conditions n’est remplie. Dans ce cas, le relais de coupe-circuit de démarrage est ouvert, de
sorte que le courant ne peut atteindre le démarreur. Lorsqu’une au moins des conditions ci-dessus
est remplie, le relais de coupe-circuit de démarrage est fermé et le moteur peut être démarré à l’aide
du contacteur du démarreur.
Page 349 of 446

DEMARRAGE ELECTRIQUE
9-9
a. LORSQUE LA BOITE DE VITESSE EST AU
POINT MORT
b. LORSQUE LE LEVIER D’EMBRAYAGE
EST TIRE VERS LE GUIDON
1. Batterie
2. Fusible principal
3. Relais principal
4. Relais de coupe-circuit de démarrage
5. Contacteur du démarreur
6. Diode
7. Contacteur d’embrayage
8. Contacteur de point mort
9. Relais de démarreur
10.Démarreur
Page 350 of 446

DEMARRAGE ELECTRIQUE
9-10
FAS2GB2364PANNES ET DIAGNOSTICS
Le démarreur ne tourne pas.
N.B.
Avant de procéder au dépannage, déposer les pièces suivantes:
1. Selle
2. Cache latéral (gauche/droite)
3. Prise d’air (gauche/droite)
4. Réservoir de carburant
5. Réservoir de carburant
1. Contrôler les fusibles.
Voir “CONTRÔLE DES FUSIBLES”
à la page 9-75.Incorrect
Remplacez les fusibles.
Correct
2. Contrôler la batterie.
Voir “CONTRÔLE ET CHARGE-
MENT DE LA BATTERIE” à la page
9-76.Incorrect
• Nettoyer les bornes de batterie.
• Recharger ou remplacer la batterie.
Correct
3. Contrôler le fonctionnement du dé-
marreur.
Voir “CONTRÔLE DU FONC-
TIONNEMENT DU DÉMARREUR”
à la page 9-83.Correct
Le démarreur est en ordre. Procéder au
dépannage du système de démarrage
électrique, en commençant par l’étape 5.
Incorrect
4. Vérifier le démarreur.
Voir “CONTRÔLE DU DÉMAR-
REUR” à la page 6-38.Incorrect
Réparer ou remplacer le démarreur.
Correct
5. Contrôler le bloc relais (relais de
coupe-circuit de démarrage).
Voir “CONTRÔLE DES RELAIS” à
la page 9-79.Incorrect
Remplacer le bloc relais.
Correct
6. Contrôler la diode.
Voir “CONTRÔLE DE LA DIODE” à
la page 9-80.Incorrect
Remplacer la diode.
Correct
7. Contrôler le relais du démarreur.
Voir “CONTRÔLE DES RELAIS” à
la page 9-79.Incorrect
Remplacer le relais du démarreur.
Correct