INFINITI M35 2006 Factory Service Manual
Manufacturer: INFINITI, Model Year: 2006, Model line: M35, Model: INFINITI M35 2006Pages: 5621, PDF Size: 65.56 MB
Page 2261 of 5621
![INFINITI M35 2006 Factory Service Manual EC-718
[VQ35DE]
SNOW MODE SWITCH
Revision: 2006 January2006 M35/M45
Wiring DiagramNBS0058S
TBWT1003E INFINITI M35 2006 Factory Service Manual EC-718
[VQ35DE]
SNOW MODE SWITCH
Revision: 2006 January2006 M35/M45
Wiring DiagramNBS0058S
TBWT1003E](/img/42/57023/w960_57023-2260.png)
EC-718
[VQ35DE]
SNOW MODE SWITCH
Revision: 2006 January2006 M35/M45
Wiring DiagramNBS0058S
TBWT1003E
Page 2262 of 5621
![INFINITI M35 2006 Factory Service Manual SNOW MODE SWITCH
EC-719
[VQ35DE]
C
D
E
F
G
H
I
J
K
L
MA
EC
Revision: 2006 January2006 M35/M45
Diagnostic ProcedureNBS0058T
1. CHECK SNOW MODE SWITICH OVERALL FUNCTION-I
1. Turn ignition switch ON.
2. INFINITI M35 2006 Factory Service Manual SNOW MODE SWITCH
EC-719
[VQ35DE]
C
D
E
F
G
H
I
J
K
L
MA
EC
Revision: 2006 January2006 M35/M45
Diagnostic ProcedureNBS0058T
1. CHECK SNOW MODE SWITICH OVERALL FUNCTION-I
1. Turn ignition switch ON.
2.](/img/42/57023/w960_57023-2261.png)
SNOW MODE SWITCH
EC-719
[VQ35DE]
C
D
E
F
G
H
I
J
K
L
MA
EC
Revision: 2006 January2006 M35/M45
Diagnostic ProcedureNBS0058T
1. CHECK SNOW MODE SWITICH OVERALL FUNCTION-I
1. Turn ignition switch ON.
2. Select “SNOW MODE SW” in “DATA MONITOR” mode with
CONSULT-II.
3. Check “SNOW MODE SW” indication under the following condi-
tions.
OK or NG
OK >> GO TO 2.
NG >> GO TO 3.
2. CHECK SNOW MODE SWITICH OVERALL FUNCTION-II
1. Turn ignition switch ON.
2. Start engine.
3. Check the snow mode indicator in the snow mode switch under the following condition.
OK or NG
OK >>INSPECTION END
NG >> GO TO 7.
3. CHECK DTC WITH “UNIFIED METER AND A/C AMP.”
Refer to DI-32, "
SELF-DIAG RESULTS" .
OK or NG
OK >> GO TO 4.
NG >> Go to DI-28, "
UNIFIED METER AND A/C AMP" .
4. CHECK SNOW MODE SWITCH POWER SUPPLY CIRCUIT
1. Turn ignition switch OFF.
2. Disconnect snow mode switch harness connector.
3. Turn ignition switch ON.
4. Check voltage between snow mode switch terminal 1 and
ground with CONSULT-II or tester.
OK or NG
OK >> GO TO 6.
NG >> GO TO 5.
CONDITION INDICATION
Snow mode switch: ON ON
Snow mode switch: OFF OFF
PBIB2009E
CONDITION INDICATION
Snow mode switch: ON ON
Snow mode switch: OFF OFF
Voltage: Battery voltage.
PBIB2562E
Page 2263 of 5621
![INFINITI M35 2006 Factory Service Manual EC-720
[VQ35DE]
SNOW MODE SWITCH
Revision: 2006 January2006 M35/M45
5. DETECT MALFUNCTIONING PART
Check the following.
Harness connectors E108, M15
IPDM E/R harness connector E7
10A fuse
Harness for o INFINITI M35 2006 Factory Service Manual EC-720
[VQ35DE]
SNOW MODE SWITCH
Revision: 2006 January2006 M35/M45
5. DETECT MALFUNCTIONING PART
Check the following.
Harness connectors E108, M15
IPDM E/R harness connector E7
10A fuse
Harness for o](/img/42/57023/w960_57023-2262.png)
EC-720
[VQ35DE]
SNOW MODE SWITCH
Revision: 2006 January2006 M35/M45
5. DETECT MALFUNCTIONING PART
Check the following.
Harness connectors E108, M15
IPDM E/R harness connector E7
10A fuse
Harness for open or short between snow mode switch and fuse.
>> Repair open circuit or short to ground or short to power in harness or connectors.
6. CHECK SNOW MODE SWITCH INPUT SIGNAL CIRCUIT FOR OPEN AND SHORT
1. Turn ignition switch OFF.
2. Disconnect “unified meter and A/C amp.” harness connector.
3. Check harness continuity between snow mode switch terminal 4 and “unified meter and A/C amp.” termi-
nal 23. Refer to Wiring Diagram.
4. Also check harness for short to ground and short to power.
OK or NG
OK >> GO TO 9.
NG >> Repair open circuit or short to ground or short to power in harness or connectors.
7. CHECK GROUND CONNECTIONS
1. Turn ignition switch OFF.
2. Loosen and retighten two ground screws on the body.
Refer to EC-172, "
Ground Inspection" .
OK or NG
OK >> GO TO 8.
NG >> Repair or replace ground connections.
8. CHECK SNOW MODE INDICATOR LAMP GROUND CIRCUIT FOR OPEN AND SHORT
1. Check harness continuity between snow mode switch terminal 2 and ground.
Refer to Wiring Diagram.
2. Also check harness for short to power.
OK or NG
OK >> GO TO 9.
NG >> Repair open circuit or short to power in harness or connectors. Continuity should exist.
1. Body ground M70 2. Body ground M16
PBIB2782E
Continuity should exist.
Page 2264 of 5621
![INFINITI M35 2006 Factory Service Manual SNOW MODE SWITCH
EC-721
[VQ35DE]
C
D
E
F
G
H
I
J
K
L
MA
EC
Revision: 2006 January2006 M35/M45
9. CHECK SNOW MODE SWITCH
Refer to EC-721, "
Component Inspection" .
OK or NG
OK >> GO TO 10.
NG > INFINITI M35 2006 Factory Service Manual SNOW MODE SWITCH
EC-721
[VQ35DE]
C
D
E
F
G
H
I
J
K
L
MA
EC
Revision: 2006 January2006 M35/M45
9. CHECK SNOW MODE SWITCH
Refer to EC-721, "
Component Inspection" .
OK or NG
OK >> GO TO 10.
NG >](/img/42/57023/w960_57023-2263.png)
SNOW MODE SWITCH
EC-721
[VQ35DE]
C
D
E
F
G
H
I
J
K
L
MA
EC
Revision: 2006 January2006 M35/M45
9. CHECK SNOW MODE SWITCH
Refer to EC-721, "
Component Inspection" .
OK or NG
OK >> GO TO 10.
NG >> Replace snow mode switch.
10. CHECK INTERMITTENT INCIDENT
Refer to EC-165, "
TROUBLE DIAGNOSIS FOR INTERMITTENT INCIDENT" .
>>INSPECTION END
Component InspectionNBS0058U
SNOW MODE SWITCH
1. Check continuity between snow mode switch terminals 1 and 4
under the following conditions.
2. If NG, replace snow mode switch.
If OK, go to following step.
3. Check continuity between snow mode switch terminals 2 and 4
under the following conditions.
4. If NG, replace snow mode switch.
CONDITION CONTINUITY
Snow mode switch: ON Should exist
Snow mode switch: OFF Should not exist
PBIB2563E
CONDITION CONTINUITY
1 Should exist.
2 Should not exist.
PBIB2564E
Page 2265 of 5621
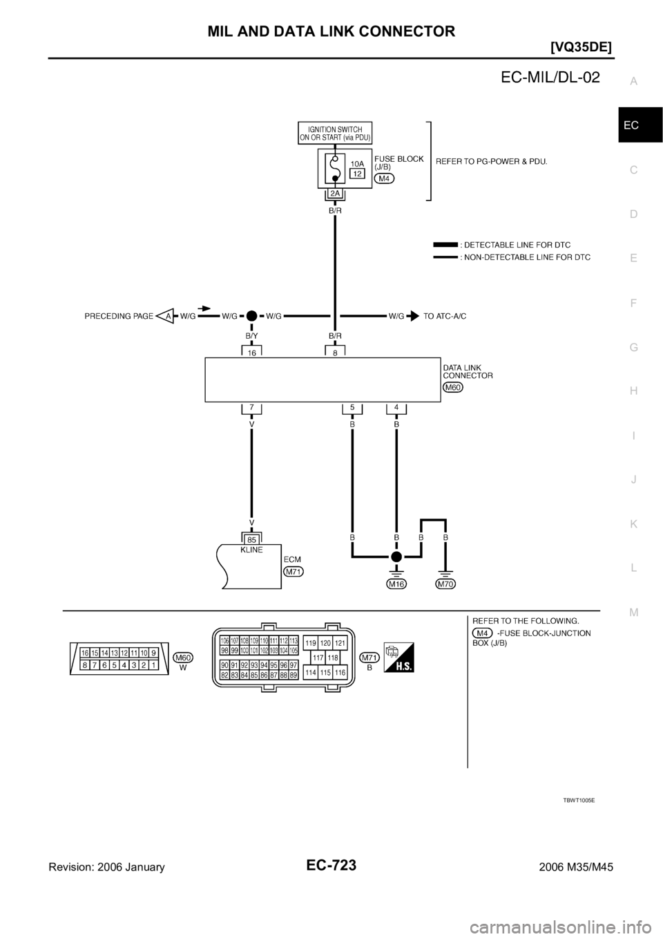
![INFINITI M35 2006 Factory Service Manual EC-722
[VQ35DE]
MIL AND DATA LINK CONNECTOR
Revision: 2006 January2006 M35/M45
MIL AND DATA LINK CONNECTORPFP:24814
Wiring DiagramNBS0058V
TBWT1004E INFINITI M35 2006 Factory Service Manual EC-722
[VQ35DE]
MIL AND DATA LINK CONNECTOR
Revision: 2006 January2006 M35/M45
MIL AND DATA LINK CONNECTORPFP:24814
Wiring DiagramNBS0058V
TBWT1004E](/img/42/57023/w960_57023-2264.png)
EC-722
[VQ35DE]
MIL AND DATA LINK CONNECTOR
Revision: 2006 January2006 M35/M45
MIL AND DATA LINK CONNECTORPFP:24814
Wiring DiagramNBS0058V
TBWT1004E
Page 2266 of 5621
![INFINITI M35 2006 Factory Service Manual MIL AND DATA LINK CONNECTOR
EC-723
[VQ35DE]
C
D
E
F
G
H
I
J
K
L
MA
EC
Revision: 2006 January2006 M35/M45
TBWT1005E INFINITI M35 2006 Factory Service Manual MIL AND DATA LINK CONNECTOR
EC-723
[VQ35DE]
C
D
E
F
G
H
I
J
K
L
MA
EC
Revision: 2006 January2006 M35/M45
TBWT1005E](/img/42/57023/w960_57023-2265.png)
MIL AND DATA LINK CONNECTOR
EC-723
[VQ35DE]
C
D
E
F
G
H
I
J
K
L
MA
EC
Revision: 2006 January2006 M35/M45
TBWT1005E
Page 2267 of 5621
![INFINITI M35 2006 Factory Service Manual EC-724
[VQ35DE]
SERVICE DATA AND SPECIFICATIONS (SDS)
Revision: 2006 January2006 M35/M45
SERVICE DATA AND SPECIFICATIONS (SDS)PFP:00030
Fuel PressureNBS0058W
Idle Speed and Ignition TimingNBS0058X
*: INFINITI M35 2006 Factory Service Manual EC-724
[VQ35DE]
SERVICE DATA AND SPECIFICATIONS (SDS)
Revision: 2006 January2006 M35/M45
SERVICE DATA AND SPECIFICATIONS (SDS)PFP:00030
Fuel PressureNBS0058W
Idle Speed and Ignition TimingNBS0058X
*:](/img/42/57023/w960_57023-2266.png)
EC-724
[VQ35DE]
SERVICE DATA AND SPECIFICATIONS (SDS)
Revision: 2006 January2006 M35/M45
SERVICE DATA AND SPECIFICATIONS (SDS)PFP:00030
Fuel PressureNBS0058W
Idle Speed and Ignition TimingNBS0058X
*: Under the following conditions:
Air conditioner switch: OFF
Electric load: OFF (Lights, heater fan & rear window defogger)
Steering wheel: Kept in straight-ahead position
Calculated Load ValueNBS0058Y
Mass Air Flow SensorNBS0058Z
*: Engine is warmed up to normal operating temperature and running under no load.
Intake Air Temperature SensorNBS00590
Engine Coolant Temperature SensorNBS00591
Fuel Tank Temperature SensorNBS00592
Crankshaft Position Sensor (POS)NBS00593
Refer to EC-382, "Component Inspection" .
Camshaft Position Sensor (PHASE)NBS00594
Refer to EC-391, "Component Inspection" .
A/F Sensor 1 HeaterNBS00595
Fuel pressure at idling kPa (kg/cm2 , psi)Approximately 350 (3.57, 51)
Target idle speed No-load* (in P or N position) 650 50 rpm
Air conditioner: ON In P or N position 700 rpm or more
Ignition timing In P or N position 15
5 BTDC
Condition Calculated load value% (Using CONSULT-II or GST)
At idle5.0 - 35.0
At 2,500 rpm5.0 - 35.0
Supply voltageBattery voltage (11 - 14V)
Output voltage at idle0.9 - 1.2V*
Mass air flow (Using CONSULT-II or GST)2.0 - 6.0 gꞏm/sec at idle*
7.0 - 20.0 gꞏm/sec at 2,500 rpm*
Temperature C (F) Resistance k
25 (77)1.800 - 2.200
80 (176)0.283 - 0.359
Temperature C (F) Resistance k
20 (68)2.1 - 2.9
50 (122)0.68 - 1.00
90 (194)0.236 - 0.260
Temperature C (F) Resistance k
20 (68)2.3 - 2.7
50 (122)0.79 - 0.90
Resistance [at 25C (77F)] 2.3 - 4.3
Page 2268 of 5621
![INFINITI M35 2006 Factory Service Manual SERVICE DATA AND SPECIFICATIONS (SDS)
EC-725
[VQ35DE]
C
D
E
F
G
H
I
J
K
L
MA
EC
Revision: 2006 January2006 M35/M45
Heated Oxygen Sensor 2 HeaterNBS00596
Throttle Control MotorNBS00597
Fuel InjectorNBS INFINITI M35 2006 Factory Service Manual SERVICE DATA AND SPECIFICATIONS (SDS)
EC-725
[VQ35DE]
C
D
E
F
G
H
I
J
K
L
MA
EC
Revision: 2006 January2006 M35/M45
Heated Oxygen Sensor 2 HeaterNBS00596
Throttle Control MotorNBS00597
Fuel InjectorNBS](/img/42/57023/w960_57023-2267.png)
SERVICE DATA AND SPECIFICATIONS (SDS)
EC-725
[VQ35DE]
C
D
E
F
G
H
I
J
K
L
MA
EC
Revision: 2006 January2006 M35/M45
Heated Oxygen Sensor 2 HeaterNBS00596
Throttle Control MotorNBS00597
Fuel InjectorNBS00598
Fuel PumpNBS00599
Resistance [at 25C (77F)] 5.0 - 7.0
Resistance [at 25C (77F)] Approximately 1 - 15
Resistance [at 10 - 60C (50 - 140F)] 11.1 - 14.5
Resistance [at 25C (77F)] 0.2 - 5.0
Page 2269 of 5621
![INFINITI M35 2006 Factory Service Manual EC-726
[VK45DE]
INDEX FOR DTC
Revision: 2006 January2006 M35/M45
[VK45DE]INDEX FOR DTCPFP:00024
DTC No. IndexNBS0059A
NOTE:
If DTC U1000 or U1001 is displayed with other DTC, first perform the troub INFINITI M35 2006 Factory Service Manual EC-726
[VK45DE]
INDEX FOR DTC
Revision: 2006 January2006 M35/M45
[VK45DE]INDEX FOR DTCPFP:00024
DTC No. IndexNBS0059A
NOTE:
If DTC U1000 or U1001 is displayed with other DTC, first perform the troub](/img/42/57023/w960_57023-2268.png)
EC-726
[VK45DE]
INDEX FOR DTC
Revision: 2006 January2006 M35/M45
[VK45DE]INDEX FOR DTCPFP:00024
DTC No. IndexNBS0059A
NOTE:
If DTC U1000 or U1001 is displayed with other DTC, first perform the trouble diagnosis for DTC
U1000, U1001. Refer to EC-886, "
DTC U1000, U1001 CAN COMMUNICATION LINE" .
If DTC U1010 is displayed with other DTC, first perform the trouble diagnosis for DTC U1010. Refer
to EC-889, "
DTC U1010 CAN COMMUNICATION" .
DTC*1
Items
(CONSULT-II screen terms)Reference page
CONSULT-II
GST*
2ECM*3
U1000
1000*4CAN COMM CIRCUITEC-886
U1001
1001*4CAN COMM CIRCUITEC-886
U1010 1010 CONTROL UNIT(CAN)EC-889
P0000 0000NO DTC IS DETECTED.
FURTHER TESTING
MAY BE REQUIRED.—
P0011 0011 INT/V TIM CONT-B1EC-891
P0021 0021 INT/V TIM CONT-B2EC-891
P0031 0031 A/F SEN1 HTR (B1)EC-904
P0032 0032 A/F SEN1 HTR (B1)EC-904
P0037 0037 HO2S2 HTR (B1)EC-911
P0038 0038 HO2S2 HTR (B1)EC-911
P0051 0051 A/F SEN1 HTR (B2)EC-904
P0052 0052 A/F SEN1 HTR (B2)EC-904
P0057 0057 HO2S2 HTR (B2)EC-911
P0058 0058 HO2S2 HTR (B2)EC-911
P0075 0075 INT/V TIM V/CIR-B1EC-920
P0081 0081 INT/V TIM V/CIR-B2EC-920
P0101 0101 MAF SEN/CIRCUITEC-927
P0102 0102 MAF SEN/CIRCUITEC-936
P0103 0103 MAF SEN/CIRCUITEC-936
P0112 0112 IAT SEN/CIRCUITEC-943
P0113 0113 IAT SEN/CIRCUITEC-943
P 0 11 7 0 11 7 E C T S E N / C I R CEC-948
P 0 11 8 0 11 8 E C T S E N / C I R CEC-948
P0122 0122 TP SEN 2/CIRCEC-954
P0123 0123 TP SEN 2/CIRCEC-954
P0125 0125 ECT SENSOREC-961
P0127 0127 IAT SENSOREC-964
P0128 0128 THERMSTAT FNCTNEC-967
P0130 0130 A/F SENSOR1 (B1)EC-969
P0131 0131 A/F SENSOR1 (B1)EC-979
P0132 0132 A/F SENSOR1 (B1)EC-988
P0133 0133 A/F SENSOR1 (B1)EC-997
P0137 0137 HO2S2 (B1)EC-1009
P0138 0138 HO2S2 (B1)EC-1020
Page 2270 of 5621
![INFINITI M35 2006 Factory Service Manual INDEX FOR DTC
EC-727
[VK45DE]
C
D
E
F
G
H
I
J
K
L
MA
EC
Revision: 2006 January2006 M35/M45P0139 0139 HO2S2 (B1)EC-1033
P0150 0150 A/F SENSOR1 (B2)EC-969
P0151 0151 A/F SENSOR1 (B2)EC-979
P0152 0152 A/ INFINITI M35 2006 Factory Service Manual INDEX FOR DTC
EC-727
[VK45DE]
C
D
E
F
G
H
I
J
K
L
MA
EC
Revision: 2006 January2006 M35/M45P0139 0139 HO2S2 (B1)EC-1033
P0150 0150 A/F SENSOR1 (B2)EC-969
P0151 0151 A/F SENSOR1 (B2)EC-979
P0152 0152 A/](/img/42/57023/w960_57023-2269.png)
INDEX FOR DTC
EC-727
[VK45DE]
C
D
E
F
G
H
I
J
K
L
MA
EC
Revision: 2006 January2006 M35/M45P0139 0139 HO2S2 (B1)EC-1033
P0150 0150 A/F SENSOR1 (B2)EC-969
P0151 0151 A/F SENSOR1 (B2)EC-979
P0152 0152 A/F SENSOR1 (B2)EC-988
P0153 0153 A/F SENSOR1 (B2)EC-997
P0157 0157 HO2S2 (B2)EC-1009
P0158 0158 HO2S2 (B2)EC-1020
P0159 0159 HO2S2 (B2)EC-1033
P0171 0171 FUEL SYS-LEAN-B1EC-1044
P0172 0172 FUEL SYS-RICH-B1EC-1055
P0174 0174 FUEL SYS-LEAN-B2EC-1044
P0175 0175 FUEL SYS-RICH-B2EC-1055
P0181 0181 FTT SENSOREC-1066
P0182 0182 FTT SEN/CIRCUITEC-1072
P0183 0183 FTT SEN/CIRCUITEC-1072
P0222 0222 TP SEN 1/CIRCEC-1077
P0223 0223 TP SEN 1/CIRCEC-1077
P0300 0300 MULTI CYL MISFIREEC-1084
P0301 0301 CYL 1 MISFIREEC-1084
P0302 0302 CYL 2 MISFIREEC-1084
P0303 0303 CYL 3 MISFIREEC-1084
P0304 0304 CYL 4 MISFIREEC-1084
P0305 0305 CYL 5 MISFIREEC-1084
P0306 0306 CYL 6 MISFIREEC-1084
P0307 0307 CYL 7 MISFIREEC-1084
P0308 0308 CYL 8 MISFIREEC-1084
P0327 0327 KNOCK SEN/CIRC-B1EC-1094
P0328 0328 KNOCK SEN/CIRC-B1EC-1094
P0332 0332 KNOCK SEN/CIRC-B2EC-1094
P0333 0333 KNOCK SEN/CIRC-B2EC-1094
P0335 0335 CKP SEN/CIRCUITEC-1099
P0340 0340 CMP SEN/CIRC-B1EC-1106
P0420 0420 TW CATALYST SYS-B1EC-1113
P0430 0430 TW CATALYST SYS-B2EC-1113
P0441 0441 EVAP PURG FLOW/MONEC-1119
P0442 0442 EVAP SMALL LEAKEC-1124
P0443 0443 PURG VOLUME CONT/VEC-1132
P0444 0444 PURG VOLUME CONT/VEC-1140
P0445 0445 PURG VOLUME CONT/VEC-1140
P0447 0447 VENT CONTROL VALVEEC-1147
P0448 0448 VENT CONTROL VALVEEC-1154
P0451 0451 EVAP SYS PRES SENEC-1160
DTC*1
Items
(CONSULT-II screen terms)Reference page
CONSULT-II
GST*
2ECM*3