INFINITI M35 2006 Factory Service Manual
Manufacturer: INFINITI, Model Year: 2006, Model line: M35, Model: INFINITI M35 2006Pages: 5621, PDF Size: 65.56 MB
Page 2951 of 5621
![INFINITI M35 2006 Factory Service Manual EC-1408
[VK45DE]
IGNITION SIGNAL
Revision: 2006 January2006 M35/M45
Wiring DiagramNBS005PR
TBWT1061E INFINITI M35 2006 Factory Service Manual EC-1408
[VK45DE]
IGNITION SIGNAL
Revision: 2006 January2006 M35/M45
Wiring DiagramNBS005PR
TBWT1061E](/img/42/57023/w960_57023-2950.png)
EC-1408
[VK45DE]
IGNITION SIGNAL
Revision: 2006 January2006 M35/M45
Wiring DiagramNBS005PR
TBWT1061E
Page 2952 of 5621
![INFINITI M35 2006 Factory Service Manual IGNITION SIGNAL
EC-1409
[VK45DE]
C
D
E
F
G
H
I
J
K
L
MA
EC
Revision: 2006 January2006 M35/M45
Specification data are reference values and are measured between each terminal and ground.
CAUTION:
Do not INFINITI M35 2006 Factory Service Manual IGNITION SIGNAL
EC-1409
[VK45DE]
C
D
E
F
G
H
I
J
K
L
MA
EC
Revision: 2006 January2006 M35/M45
Specification data are reference values and are measured between each terminal and ground.
CAUTION:
Do not](/img/42/57023/w960_57023-2951.png)
IGNITION SIGNAL
EC-1409
[VK45DE]
C
D
E
F
G
H
I
J
K
L
MA
EC
Revision: 2006 January2006 M35/M45
Specification data are reference values and are measured between each terminal and ground.
CAUTION:
Do not use ECM ground terminals when measuring input/output voltage. Doing so may result in dam-
age to the ECM's transistor. Use a ground other than ECM terminals, such as the ground.
TER-
MINAL
NO.WIRE
COLORITEM CONDITION DATA (DC Voltage)
111 S BECM relay
(Self shut-off)[Engine is running]
[Ignition switch: OFF]
For a few seconds after turning ignition
switch OFF0 - 1.5V
[Ignition switch: OFF]
More than a few seconds after turning igni-
tion switch OFFBATTERY VOLTAGE
(11 - 14V)
11 9
120R
RPower supply for ECM[Ignition switch: ON]BATTERY VOLTAGE
(11 - 14V)
Page 2953 of 5621
![INFINITI M35 2006 Factory Service Manual EC-1410
[VK45DE]
IGNITION SIGNAL
Revision: 2006 January2006 M35/M45
TBWT1062E INFINITI M35 2006 Factory Service Manual EC-1410
[VK45DE]
IGNITION SIGNAL
Revision: 2006 January2006 M35/M45
TBWT1062E](/img/42/57023/w960_57023-2952.png)
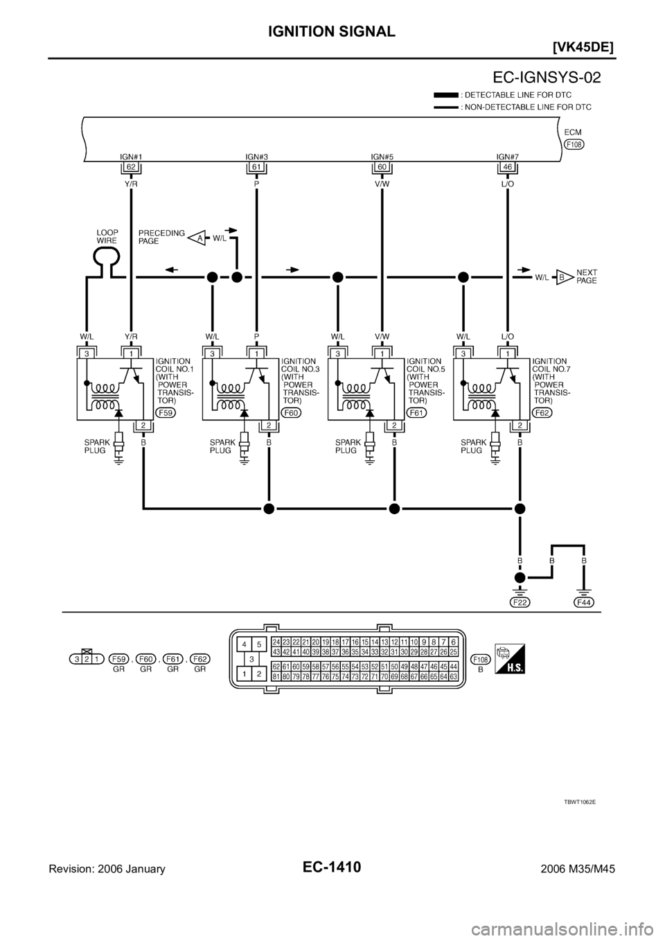
EC-1410
[VK45DE]
IGNITION SIGNAL
Revision: 2006 January2006 M35/M45
TBWT1062E
Page 2954 of 5621
![INFINITI M35 2006 Factory Service Manual IGNITION SIGNAL
EC-1411
[VK45DE]
C
D
E
F
G
H
I
J
K
L
MA
EC
Revision: 2006 January2006 M35/M45
Specification data are reference values and are measured between each terminal and ground.
Pulse signal is INFINITI M35 2006 Factory Service Manual IGNITION SIGNAL
EC-1411
[VK45DE]
C
D
E
F
G
H
I
J
K
L
MA
EC
Revision: 2006 January2006 M35/M45
Specification data are reference values and are measured between each terminal and ground.
Pulse signal is](/img/42/57023/w960_57023-2953.png)
IGNITION SIGNAL
EC-1411
[VK45DE]
C
D
E
F
G
H
I
J
K
L
MA
EC
Revision: 2006 January2006 M35/M45
Specification data are reference values and are measured between each terminal and ground.
Pulse signal is measured by CONSULT-II.
CAUTION:
Do not use ECM ground terminals when measuring input/output voltage. Doing so may result in dam-
age to the ECM's transistor. Use a ground other than ECM terminals, such as the ground.
: Average voltage for pulse signal (Actual pulse signal can be confirmed by oscilloscope.) TER-
MINAL
NO.WIRE
COLORITEM CONDITION DATA (DC Voltage)
46
60
61
62L/O
V/W
P
Y/RIgnition signal No. 7
Ignition signal No. 5
Ignition signal No. 3
Ignition signal No. 1[Engine is running]
Warm-up condition
Idle speed
NOTE:
The pulse cycle changes depending on rpm
at idle0 - 0.2V
[Engine is running]
Warm-up condition
Engine speed: 2,000 rpm0.1 - 0.4V
PBIB0044E
PBIB0045E
Page 2955 of 5621
![INFINITI M35 2006 Factory Service Manual EC-1412
[VK45DE]
IGNITION SIGNAL
Revision: 2006 January2006 M35/M45
TBWT1063E INFINITI M35 2006 Factory Service Manual EC-1412
[VK45DE]
IGNITION SIGNAL
Revision: 2006 January2006 M35/M45
TBWT1063E](/img/42/57023/w960_57023-2954.png)
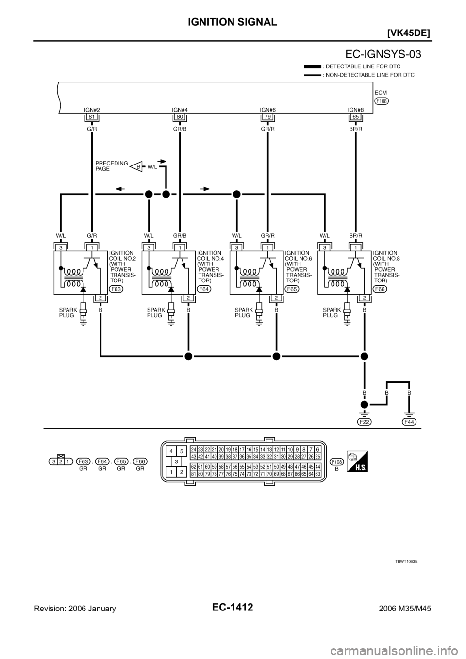
EC-1412
[VK45DE]
IGNITION SIGNAL
Revision: 2006 January2006 M35/M45
TBWT1063E
Page 2956 of 5621
![INFINITI M35 2006 Factory Service Manual IGNITION SIGNAL
EC-1413
[VK45DE]
C
D
E
F
G
H
I
J
K
L
MA
EC
Revision: 2006 January2006 M35/M45
Specification data are reference values and are measured between each terminal and ground.
Pulse signal is INFINITI M35 2006 Factory Service Manual IGNITION SIGNAL
EC-1413
[VK45DE]
C
D
E
F
G
H
I
J
K
L
MA
EC
Revision: 2006 January2006 M35/M45
Specification data are reference values and are measured between each terminal and ground.
Pulse signal is](/img/42/57023/w960_57023-2955.png)
IGNITION SIGNAL
EC-1413
[VK45DE]
C
D
E
F
G
H
I
J
K
L
MA
EC
Revision: 2006 January2006 M35/M45
Specification data are reference values and are measured between each terminal and ground.
Pulse signal is measured by CONSULT-II.
CAUTION:
Do not use ECM ground terminals when measuring input/output voltage. Doing so may result in dam-
age to the ECM's transistor. Use a ground other than ECM terminals, such as the ground.
: Average voltage for pulse signal (Actual pulse signal can be confirmed by oscilloscope.)
Diagnostic ProcedureNBS005PS
1. CHECK ENGINE START
Turn ignition switch OFF, and restart engine.
Is engine running?
Ye s o r N o
Yes (With CONSULT-II)>>GO TO 2.
Yes (Without CONSULT-II)>>GO TO 3.
No >> GO TO 4.
2. CHECK OVERALL FUNCTION
With CONSULT-II
1. Perform “POWER BALANCE” in “ACTIVE TEST” mode with
CONSULT-II.
2. Make sure that each circuit produces a momentary engine
speed drop.
OK or NG
OK >>INSPECTION END
NG >> GO TO 10.
TER-
MINAL
NO.WIRE
COLORITEM CONDITION DATA (DC Voltage)
65
79
80
81BR/R
GR/R
GR/B
G/RIgnition signal No. 8
Ignition signal No. 6
Ignition signal No. 4
Ignition signal No. 2[Engine is running]
Warm-up condition
Idle speed
NOTE:
The pulse cycle changes depending on rpm
at idle0 - 0.2V
[Engine is running]
Warm-up condition
Engine speed: 2,000 rpm0.1 - 0.4V
PBIB0044E
PBIB0045E
PBIB0133E
Page 2957 of 5621
![INFINITI M35 2006 Factory Service Manual EC-1414
[VK45DE]
IGNITION SIGNAL
Revision: 2006 January2006 M35/M45
3. CHECK OVERALL FUNCTION
Without CONSULT-II
1. Let engine idle.
2. Read the voltage signal between ECM terminals 46, 60, 61, 62,
6 INFINITI M35 2006 Factory Service Manual EC-1414
[VK45DE]
IGNITION SIGNAL
Revision: 2006 January2006 M35/M45
3. CHECK OVERALL FUNCTION
Without CONSULT-II
1. Let engine idle.
2. Read the voltage signal between ECM terminals 46, 60, 61, 62,
6](/img/42/57023/w960_57023-2956.png)
EC-1414
[VK45DE]
IGNITION SIGNAL
Revision: 2006 January2006 M35/M45
3. CHECK OVERALL FUNCTION
Without CONSULT-II
1. Let engine idle.
2. Read the voltage signal between ECM terminals 46, 60, 61, 62,
65, 79, 80, 81 and ground with an oscilloscope.
3. Verify that the oscilloscope screen shows the signal wave as
shown below.
NOTE:
The pulse cycle changes depending on rpm at idle.
OK or NG
OK >>INSPECTION END
NG >> GO TO 10.
4. CHECK IGNITION COIL POWER SUPPLY CIRCUIT-I
1. Turn ignition switch OFF, wait at least 10 seconds and then turn ON.
2. Check voltage between ECM terminals 119, 120 and ground
with CONSULT-II or tester.
OK or NG
OK >> GO TO 5.
NG >> Go to EC-879, "
POWER SUPPLY AND GROUND CIR-
CUIT" .
PBIB1549E
PBIB0044E
Voltage: Battery voltage
MBIB0034E
Page 2958 of 5621
![INFINITI M35 2006 Factory Service Manual IGNITION SIGNAL
EC-1415
[VK45DE]
C
D
E
F
G
H
I
J
K
L
MA
EC
Revision: 2006 January2006 M35/M45
5. CHECK IGNITION COIL POWER SUPPLY CIRCUIT-II
1. Turn ignition switch OFF.
2. Disconnect condenser (1) ha INFINITI M35 2006 Factory Service Manual IGNITION SIGNAL
EC-1415
[VK45DE]
C
D
E
F
G
H
I
J
K
L
MA
EC
Revision: 2006 January2006 M35/M45
5. CHECK IGNITION COIL POWER SUPPLY CIRCUIT-II
1. Turn ignition switch OFF.
2. Disconnect condenser (1) ha](/img/42/57023/w960_57023-2957.png)
IGNITION SIGNAL
EC-1415
[VK45DE]
C
D
E
F
G
H
I
J
K
L
MA
EC
Revision: 2006 January2006 M35/M45
5. CHECK IGNITION COIL POWER SUPPLY CIRCUIT-II
1. Turn ignition switch OFF.
2. Disconnect condenser (1) harness connector.
3. Turn ignition switch ON.
4. Check voltage between condenser terminal 1 and ground with
CONSULT-II or tester.
OK or NG
OK >> GO TO 8.
NG >> GO TO 6.
6. CHECK IGNITION COIL POWER SUPPLY CIRCUIT-III
1. Turn ignition switch OFF.
2. Disconnect IPDM E/R harness connector E7.
3. Check harness continuity between IPDM E/R terminal 17 and condenser terminal 1.
Refer to Wiring Diagram.
4. Also check harness for short to ground and short to power.
OK or NG
OK >> Go to EC-879, "POWER SUPPLY AND GROUND CIRCUIT" .
NG >> GO TO 7.
7. DETECT MALFUNCTIONING PART
Check the following.
Harness connectors E12, F3
Harness for open or short between IPDM E/R and condenser
>> Repair open circuit or short to ground or short to power in harness or connectors.
PBIB2713E
Voltage: Battery voltage
PBIB0624E
Continuity should exist.
Page 2959 of 5621
![INFINITI M35 2006 Factory Service Manual EC-1416
[VK45DE]
IGNITION SIGNAL
Revision: 2006 January2006 M35/M45
8. CHECK CONDENSER GROUND CIRCUIT FOR OPEN AND SHORT
1. Turn ignition switch OFF.
2. Check harness continuity between condenser term INFINITI M35 2006 Factory Service Manual EC-1416
[VK45DE]
IGNITION SIGNAL
Revision: 2006 January2006 M35/M45
8. CHECK CONDENSER GROUND CIRCUIT FOR OPEN AND SHORT
1. Turn ignition switch OFF.
2. Check harness continuity between condenser term](/img/42/57023/w960_57023-2958.png)
EC-1416
[VK45DE]
IGNITION SIGNAL
Revision: 2006 January2006 M35/M45
8. CHECK CONDENSER GROUND CIRCUIT FOR OPEN AND SHORT
1. Turn ignition switch OFF.
2. Check harness continuity between condenser terminal 2 and ground.
Refer to Wiring Diagram.
3. Also check harness for short to power.
OK or NG
OK >> GO TO 9.
NG >> Repair open circuit or short to power in harness or connectors.
9. CHECK CONDENSER
Refer to EC-1417, "
Component Inspection"
OK or NG
OK >> GO TO 10.
NG >> Replace condenser.
10. CHECK IGNITION COIL POWER SUPPLY CIRCUIT-IV
1. Turn ignition switch OFF.
2. Reconnect all harness connectors disconnected.
3. Disconnect ignition coil harness connector.
4. Turn ignition switch ON.
5. Check voltage between ignition coil terminal 3 and ground with
CONSULT-II or tester.
OK or NG
OK >> GO TO 12.
NG >> GO TO 11.Continuity should exist.
: Vehicle front 1. Ignition coil (with power transistor)
(bank 2)2. Ignition coil (with power transistor)
(bank 1)
Voltage: Battery voltage
PBIB2692E
PBIB0138E
Page 2960 of 5621
![INFINITI M35 2006 Factory Service Manual IGNITION SIGNAL
EC-1417
[VK45DE]
C
D
E
F
G
H
I
J
K
L
MA
EC
Revision: 2006 January2006 M35/M45
11 . DETECT MALFUNCTIONING PART
Check the following.
Harness connector F3
Harness for open or short betwe INFINITI M35 2006 Factory Service Manual IGNITION SIGNAL
EC-1417
[VK45DE]
C
D
E
F
G
H
I
J
K
L
MA
EC
Revision: 2006 January2006 M35/M45
11 . DETECT MALFUNCTIONING PART
Check the following.
Harness connector F3
Harness for open or short betwe](/img/42/57023/w960_57023-2959.png)
IGNITION SIGNAL
EC-1417
[VK45DE]
C
D
E
F
G
H
I
J
K
L
MA
EC
Revision: 2006 January2006 M35/M45
11 . DETECT MALFUNCTIONING PART
Check the following.
Harness connector F3
Harness for open or short between ignition coil and harness connector F3
>> Repair or replace harness or connectors.
12. CHECK IGNITION COIL GROUND CIRCUIT FOR OPEN AND SHORT
1. Turn ignition switch OFF.
2. Check harness continuity between ignition coil terminal 2 and ground.
Refer to Wiring Diagram.
3. Also check harness for short to power.
OK or NG
OK >> GO TO 13.
NG >> Repair open circuit or short to power in harness or connectors.
13. CHECK IGNITION COIL OUTPUT SIGNAL CIRCUIT FOR OPEN AND SHORT
1. Disconnect ECM harness connector.
2. Check harness continuity between ECM terminals 46, 60, 61, 62, 65, 79, 80, 81 and ignition coil terminal
1. Refer to Wiring Diagram.
3. Also check harness for short to ground and short to power.
OK or NG
OK >> GO TO 14.
NG >> Repair open circuit or short to ground or short to power in harness or connectors.
14. CHECK IGNITION COIL WITH POWER TRANSISTOR
Refer to EC-1417, "
Component Inspection" .
OK or NG
OK >> GO TO 15.
NG >> Replace ignition coil with power transistor.
15. CHECK INTERMITTENT INCIDENT
Refer to EC-878, "
TROUBLE DIAGNOSIS FOR INTERMITTENT INCIDENT" .
>>INSPECTION END
Component InspectionNBS005PT
IGNITION COIL WITH POWER TRANSISTOR
CAUTION:
Do the following procedure in the place where ventilation is good without the combustible.
1. Turn ignition switch OFF.
2. Disconnect ignition coil harness connector.Continuity should exist.
Continuity should exist.