INFINITI M35 2006 Factory Service Manual
Page 3991 of 5621
![INFINITI M35 2006 Factory Service Manual LAN-322
[CAN]
CAN SYSTEM (TYPE 7)
Revision: 2006 January2006 M35/M45
SchematicNKS0041V
TKWT3275E INFINITI M35 2006 Factory Service Manual LAN-322
[CAN]
CAN SYSTEM (TYPE 7)
Revision: 2006 January2006 M35/M45
SchematicNKS0041V
TKWT3275E](/img/42/57023/w960_57023-3990.png)
Page 3992 of 5621
![INFINITI M35 2006 Factory Service Manual CAN SYSTEM (TYPE 7)
LAN-323
[CAN]
C
D
E
F
G
H
I
J
L
MA
B
LAN
Revision: 2006 January2006 M35/M45
Wiring Diagram — CAN —NKS0041W
TKWT3276E INFINITI M35 2006 Factory Service Manual CAN SYSTEM (TYPE 7)
LAN-323
[CAN]
C
D
E
F
G
H
I
J
L
MA
B
LAN
Revision: 2006 January2006 M35/M45
Wiring Diagram — CAN —NKS0041W
TKWT3276E](/img/42/57023/w960_57023-3991.png)
Page 3993 of 5621
![INFINITI M35 2006 Factory Service Manual LAN-324
[CAN]
CAN SYSTEM (TYPE 7)
Revision: 2006 January2006 M35/M45
TKWT3277E INFINITI M35 2006 Factory Service Manual LAN-324
[CAN]
CAN SYSTEM (TYPE 7)
Revision: 2006 January2006 M35/M45
TKWT3277E](/img/42/57023/w960_57023-3992.png)
Page 3994 of 5621
![INFINITI M35 2006 Factory Service Manual CAN SYSTEM (TYPE 7)
LAN-325
[CAN]
C
D
E
F
G
H
I
J
L
MA
B
LAN
Revision: 2006 January2006 M35/M45
TKWT3278E INFINITI M35 2006 Factory Service Manual CAN SYSTEM (TYPE 7)
LAN-325
[CAN]
C
D
E
F
G
H
I
J
L
MA
B
LAN
Revision: 2006 January2006 M35/M45
TKWT3278E](/img/42/57023/w960_57023-3993.png)
Page 3995 of 5621
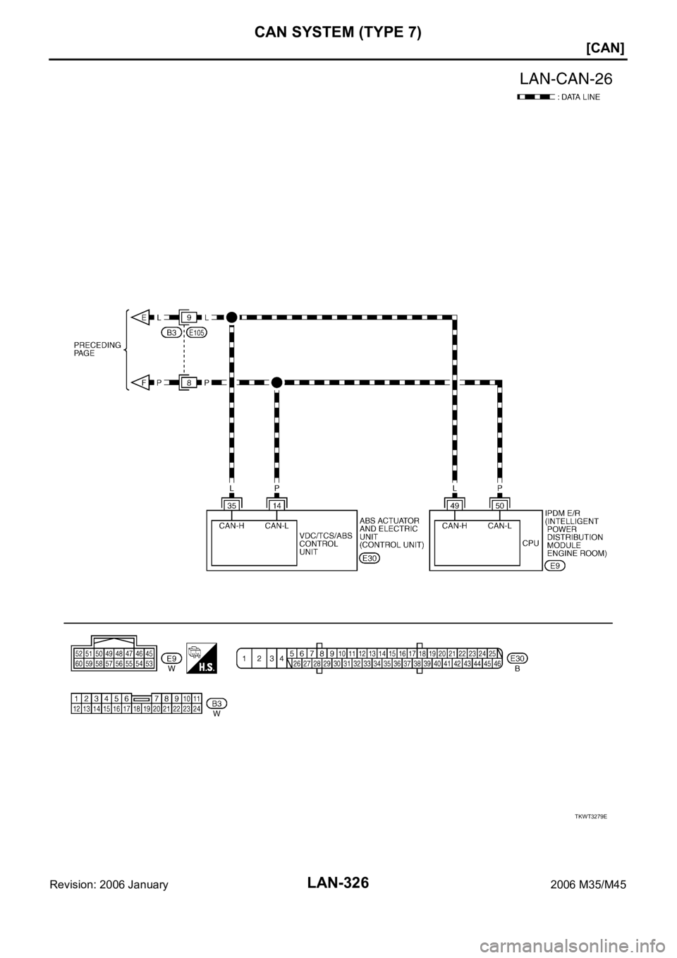
![INFINITI M35 2006 Factory Service Manual LAN-326
[CAN]
CAN SYSTEM (TYPE 7)
Revision: 2006 January2006 M35/M45
TKWT3279E INFINITI M35 2006 Factory Service Manual LAN-326
[CAN]
CAN SYSTEM (TYPE 7)
Revision: 2006 January2006 M35/M45
TKWT3279E](/img/42/57023/w960_57023-3994.png)
Page 3996 of 5621
![INFINITI M35 2006 Factory Service Manual CAN SYSTEM (TYPE 7)
LAN-327
[CAN]
C
D
E
F
G
H
I
J
L
MA
B
LAN
Revision: 2006 January2006 M35/M45
Check SheetNKS0041X
NOTE:
If a check mark is put on “NG” on “INITIAL DIAG (Initial diagnosis)”, INFINITI M35 2006 Factory Service Manual CAN SYSTEM (TYPE 7)
LAN-327
[CAN]
C
D
E
F
G
H
I
J
L
MA
B
LAN
Revision: 2006 January2006 M35/M45
Check SheetNKS0041X
NOTE:
If a check mark is put on “NG” on “INITIAL DIAG (Initial diagnosis)”,](/img/42/57023/w960_57023-3995.png)
Page 3997 of 5621
![INFINITI M35 2006 Factory Service Manual LAN-328
[CAN]
CAN SYSTEM (TYPE 7)
Revision: 2006 January2006 M35/M45
PKIB9561E INFINITI M35 2006 Factory Service Manual LAN-328
[CAN]
CAN SYSTEM (TYPE 7)
Revision: 2006 January2006 M35/M45
PKIB9561E](/img/42/57023/w960_57023-3996.png)
Page 3998 of 5621
![INFINITI M35 2006 Factory Service Manual CAN SYSTEM (TYPE 7)
LAN-329
[CAN]
C
D
E
F
G
H
I
J
L
MA
B
LAN
Revision: 2006 January2006 M35/M45
PKIB9562E INFINITI M35 2006 Factory Service Manual CAN SYSTEM (TYPE 7)
LAN-329
[CAN]
C
D
E
F
G
H
I
J
L
MA
B
LAN
Revision: 2006 January2006 M35/M45
PKIB9562E](/img/42/57023/w960_57023-3997.png)
Page 3999 of 5621
![INFINITI M35 2006 Factory Service Manual LAN-330
[CAN]
CAN SYSTEM (TYPE 7)
Revision: 2006 January2006 M35/M45
CHECK SHEET RESULTS (EXAMPLE)
NOTE:
If a check mark is put on “NG” on “INITIAL DIAG (Initial diagnosis)”, replace the contr INFINITI M35 2006 Factory Service Manual LAN-330
[CAN]
CAN SYSTEM (TYPE 7)
Revision: 2006 January2006 M35/M45
CHECK SHEET RESULTS (EXAMPLE)
NOTE:
If a check mark is put on “NG” on “INITIAL DIAG (Initial diagnosis)”, replace the contr](/img/42/57023/w960_57023-3998.png)
Page 4000 of 5621
![INFINITI M35 2006 Factory Service Manual CAN SYSTEM (TYPE 7)
LAN-331
[CAN]
C
D
E
F
G
H
I
J
L
MA
B
LAN
Revision: 2006 January2006 M35/M45
Case 2
Check harness between data link connector and RAS control unit. Refer to LAN-350, " INFINITI M35 2006 Factory Service Manual CAN SYSTEM (TYPE 7)
LAN-331
[CAN]
C
D
E
F
G
H
I
J
L
MA
B
LAN
Revision: 2006 January2006 M35/M45
Case 2
Check harness between data link connector and RAS control unit. Refer to LAN-350, "](/img/42/57023/w960_57023-3999.png)
Page:
< prev 1-10 ... 3951-3960 3961-3970 3971-3980 3981-3990 3991-4000 4001-4010 4011-4020 4021-4030 4031-4040 ... 5630 next >
Trending: cruise control, suspension, jacking points, warning, transmission, window, Color wire