INFINITI M35 2006 Factory Service Manual
M35 2006
INFINITI
INFINITI
https://www.carmanualsonline.info/img/42/57023/w960_57023-0.png
INFINITI M35 2006 Factory Service Manual
Trending: automatic transmission, service indicator, child restraint, battery location, TCM RESET, change key battery, dead battery
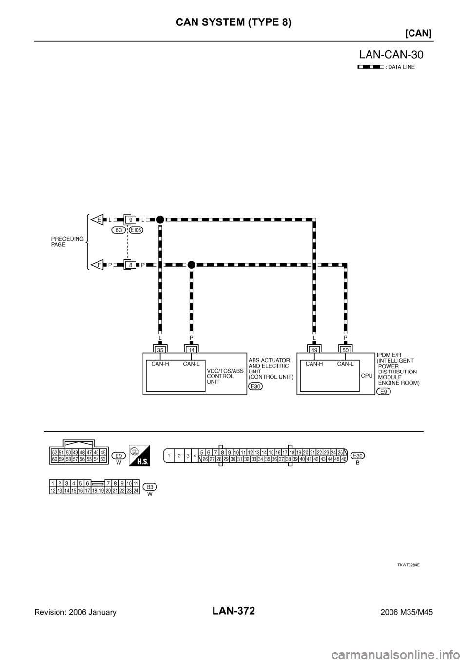
Page 4041 of 5621
LAN-372
[CAN]
CAN SYSTEM (TYPE 8)
Revision: 2006 January2006 M35/M45
TKWT3284E
Page 4042 of 5621
CAN SYSTEM (TYPE 8)
LAN-373
[CAN]
C
D
E
F
G
H
I
J
L
MA
B
LAN
Revision: 2006 January2006 M35/M45
Check SheetNKS0042L
NOTE:
If a check mark is put on “NG” on “INITIAL DIAG (Initial diagnosis)”, replace the control unit.
PKIB8468E
Page 4043 of 5621
LAN-374
[CAN]
CAN SYSTEM (TYPE 8)
Revision: 2006 January2006 M35/M45
PKIB9563E
Page 4044 of 5621
CAN SYSTEM (TYPE 8)
LAN-375
[CAN]
C
D
E
F
G
H
I
J
L
MA
B
LAN
Revision: 2006 January2006 M35/M45
PKIB9564E
Page 4045 of 5621
LAN-376
[CAN]
CAN SYSTEM (TYPE 8)
Revision: 2006 January2006 M35/M45
CHECK SHEET RESULTS (EXAMPLE)
NOTE:
If a check mark is put on “NG” on “INITIAL DIAG (Initial diagnosis)”, replace the control unit.
Case 1
Check harness between TCM and data link connector. Refer to LAN-397, "Inspection Between TCM and Data
Link Connector Circuit" .
PKIB8469E
SKIB4303E
Page 4046 of 5621
CAN SYSTEM (TYPE 8)
LAN-377
[CAN]
C
D
E
F
G
H
I
J
L
MA
B
LAN
Revision: 2006 January2006 M35/M45
Case 2
Check harness between data link connector and RAS control unit. Refer to LAN-398, "Inspection Between
Data Link Connector and RAS Control Unit Circuit" .
PKIB8470E
SKIB4304E
Page 4047 of 5621
LAN-378
[CAN]
CAN SYSTEM (TYPE 8)
Revision: 2006 January2006 M35/M45
Case 3
Check harness between RAS control unit and pre-crash seat belt control unit. Refer to LAN-399, "Inspection
Between RAS Control Unit and Pre-Crash Seat Belt Control Unit Circuit" .
PKIB8471E
SKIB4305E
Page 4048 of 5621
CAN SYSTEM (TYPE 8)
LAN-379
[CAN]
C
D
E
F
G
H
I
J
L
MA
B
LAN
Revision: 2006 January2006 M35/M45
Case 4
Check harness between pre-crash seat belt control unit and driver seat control unit. Refer to LAN-399,
"Inspection Between Pre-Crash Seat Belt Control Unit and Driver Seat Control Unit Circuit" .
PKIB8472E
SKIB4306E
Page 4049 of 5621
LAN-380
[CAN]
CAN SYSTEM (TYPE 8)
Revision: 2006 January2006 M35/M45
Case 5
Check harness between driver seat control unit and ABS actuator and electric unit (control unit). Refer to LAN-
400, "Inspection Between Driver Seat Control Unit and ABS Actuator and Electric Unit (Control Unit) Circuit" .
PKIB8473E
SKIB4307E
Page 4050 of 5621
CAN SYSTEM (TYPE 8)
LAN-381
[CAN]
C
D
E
F
G
H
I
J
L
MA
B
LAN
Revision: 2006 January2006 M35/M45
Case 6
Check ECM circuit. Refer to LAN-400, "ECM Circuit Inspection" .
PKIB8474E
SKIB4308E
Trending: rear view mirror, ignition, coolant reservoir, air filter, air bleeding, airbag, jump cable