INFINITI M35 2006 Factory Service Manual
Manufacturer: INFINITI, Model Year: 2006, Model line: M35, Model: INFINITI M35 2006Pages: 5621, PDF Size: 65.56 MB
Page 5191 of 5621

SE-10
SQUEAK AND RATTLE TROUBLE DIAGNOSES
Revision: 2006 January2006 M35/M45
SBT844
Page 5192 of 5621

AUTOMATIC DRIVE POSITIONER
SE-11
C
D
E
F
G
H
J
K
L
MA
B
SE
Revision: 2006 January2006 M35/M45
AUTOMATIC DRIVE POSITIONERPFP:28491
Component Parts And Harness Connector LocationNIS0025Q
PIIB6292E
1. Fuse block (J/B) 2. Fuse and fusible link box 3. BCM M1, M2, M3
(View with the glove box assembly
removed)
4. A. Automatic drive positioner control
unit M6, M7
B. Telescopic motor M45
C. Telescopic sensor M44
D. Tilt sensor M37
E. Tilt motor M36
(View with the driver lower panel
removed)5. A. Front lifting motor B209
B. Rear lifting motor B208
C. Driver seat control unit
B204,B205
D. Sliding motor B2076. Seat memory switch D9
7. A. Lumbar support switch B212
B. Reclining switch B213
C. Sliding/Lifting switch B2138. A. ADP steering switch M46
B. Key slot M14
C. Door mirror control switch M959. Reclining motor B208
Page 5193 of 5621

SE-12
AUTOMATIC DRIVE POSITIONER
Revision: 2006 January2006 M35/M45
System DescriptionNIS0025R
The system automatically moves the driver seat, steering and door mirror position by the driver seat con-
trol unit and the automatic drive positioner control unit. The driver seat control unit corresponds with the
automatic drive positioner control unit via UART communication. The driver seat control unit can store the
optimum driving positions (driver seat, steering and door mirror position) for 2 people. If the driver
changes, one-touch operation allows changing to the other driving position.
The driver seat, steering and door mirror position are adjusted automatically to the proper positions for the
driver in different ways: MEMORY OPERATION, EXITING OPERATION, ENTRY OPERATION and
INTELLIGENT KEY INTERLOCK OPERATION.
MANUAL OPERATION
The driving position (seat, steering and door mirror position) can be adjusted with the power seat switch, ADP
steering switch and door mirror control switch.
NOTE:
The door mirrors can be manually operated with the ignition switch in either ACC or ON.
MEMORY OPERATION
The driver seat control unit can store the optimum driving positions (seat, steering and door mirror position) for
2 people. If the front seat position is changed, one-touch (pressing desired memory switch for more than 0.5
second) operation allows changing to the other driving position.
Operation procedure
1. Turn ignition switch ON.
2. Press desired memory switch for 0.5 second. (Indicator LED illuminates.)
3. Driver seat, steering and door mirror will move to the memorized position.
(Indicator LED blinks during adjustment, then illuminates for 5 seconds.)
Operation Condition
If the following conditions are not satisfied, memory switch operation is not performed.
Ignition switch is in ON position.
Driver side power seat switch, ADP steering switch and door mirror control switch are not operated.
Seat memory switch and set switch are not operated.
Output malfunction is not detected.
CAN and UART communications are normal.
A/T selector lever position is in P position.
Detention switch malfunction is not detected.
[Detention switch malfunction is sensed when detention switch remains OFF, vehicle speed is higher than
7 km/H. (4 MPH).]
Input voltage from tilt sensor and telescopic sensor are normal.
NOTE:
The memory operation operates following order.
Function Description
Manual operationThe driving position (seat, steering and door mirror position) can be adjusted with
the power seat switch ADP steering switch or door mirror control switch.
Auto-
matic
operationMemory operation The seat, steering and door mirror move to the stored driving position by pushing
seat memory switch (1 or 2).
Entry/
Exiting
functionExiting operation At exit, the seat moves backward and the steering wheel moves upward.
Entry operationAt entry, the seat and steering wheel returns from exiting position to the previous
driving position before the exiting operation.
Intelligent Key interlock operationPerform memory operation, exiting operation and entry operation by pressing Intel-
ligent Key unlock button.
Page 5194 of 5621

AUTOMATIC DRIVE POSITIONER
SE-13
C
D
E
F
G
H
J
K
L
MA
B
SE
Revision: 2006 January2006 M35/M45
*: Door mirror operation starts with the start of seat sliding operation.
Storing Memory Procedure
1. Turn ignition switch to ON.
2. Shift A/T selector lever to P position.
3. Adjust position of driver seat, steering and mirror position.
4. Press set switch.
Indicator LED for which driver seat positions are already retained in memory is illuminated for 5 sec-
onds.
Indicator LED for which driver seat positions are not retained in memory is illuminated for 0.5 second.
5. Press memory switch for which driver seat positions are to be entered in memory for more than 0.5 sec-
ond within 5 seconds after pressing the set switch (during the indicator LED is illuminated).
To enter driver seat positions in blank memory, indicator LED will be illuminated for 5 seconds.
To modify driver seat positions, indicator LED will be turned OFF for 0.5 second then illuminated for 5
seconds.
6.
If you need setting of INTELLIGENT KEY INTERLOCK OPERATION, continue this procedure.
If you don't need setting of INTELLIGENT KEY INTERLOCK OPERATION, the procedure is finished.
Conform the operations of each part with the MEMORY OPERATION.
7. Press intelligent key unlock button within 5 seconds after pressing memory switch.
(While memory switch LED is illuminated.)
8. Conform the operations of each part with MEMORY OPERATION and INTELLIGENT KEY INTERLOCK
OPERATION.
NOTE:
Driving position is erased from the memory when battery cable is disconnected.
Order of priority Operated portion
1* Seat sliding
2 Steering telescopic
3 Steering wheel tilt
4 Seat reclining
5 Seat lifter (front)
6 Seat lifter (rear)
Page 5195 of 5621

SE-14
AUTOMATIC DRIVE POSITIONER
Revision: 2006 January2006 M35/M45
EXITING OPERATION
When exiting, when the condition is satisfied, the seat is moved backward 40 mm (1.57 in) from normal sitting
position and the steering is moved to the most upper position and front position.
The seat slide amount and the steering operation at entry/exit operation can be changed by set switch, CON-
SULT-II and display (located in the instrument panel). Refer to SE-16, "
SETTING CHANGE FUNCTION" .
Operation Condition
Ignition switch: OFF / Driver side door switch: ON (OPEN)
If the following conditions are not satisfied, exiting operation is not performed.
Ignition switch is in OFF position.
A/T selector lever position is in P position.
Vehicle speed is less than 7 km/h. (4 MPH).
Driver side power seat switch and ADP steering switch are not operated.
Seat memory switch and set switch is not operated.
Door mirror control switch is not operated at change over switch is in LH or RH position.
Output malfunction is not detected.
Detention switch malfunction is not detected.
[Detention switch malfunction is sensed when detention switch remains OFF and vehicle speed is higher
than 7 km/h. (4 MPH).]
CAN communications are normal.
Initialization has been done. Refer to SE-16, "INITIALIZATION PROCEDURE" .
ENTRY OPERATION
When the seat is in the exiting position when either condition (1 or 2) is satisfied, the seat returns from exiting
position to the previous driving position.
Operation Condition
1. Ignition switch: ON
2. Ignition switch: ACC / Driver side door switch: OFF (CLOSE)
If the following conditions are not satisfied, entry operation is not performed.
Ignition switch is in OFF position.
A/T selector lever position is in P position.
Vehicle speed is less than 7 km/h (4 MPH).
Driver side power seat switch, ADP steering switch and door mirror control switch are not operated.
Seat memory switch and set switch is not operated.
Output malfunction is not detected.
Detention switch malfunction is not detected.
[Detention switch malfunction is sensed when detention switch remains OFF and vehicle speed is higher
than 7 km/h (4 MPH).]
CAN communications are normal.
Exiting positions have not been changed during and after exiting operation.
Page 5196 of 5621

AUTOMATIC DRIVE POSITIONER
SE-15
C
D
E
F
G
H
J
K
L
MA
B
SE
Revision: 2006 January2006 M35/M45
INTELLIGENT KEY INTERLOCK OPERATION
When pressing unlock button on Intelligent Key or request switch, the system performs memory operation,
exiting operation and entry operation.
Operation procedure
1. Press unlock button on Intelligent Key or request switch.
2. The system performs MEMORY OPERATION, and then performs EXITING OPERATION continually.
NOTE:
If the seat position is in memorized position before push unlock button, MEMORY OPEPATION dose not per-
form.
3. Turn ignition switch ON or close driver side door when ignition switch is in “ACC” position.
4. The system performs ENTRY OPERATION. (Seat and steering positions are moved to memorized posi-
tions. The memorize position is related to key ID.)
Operation Condition
If the following conditions are not satisfied, memory switch operation is not performed.
Ignition switch is in OFF position.
Driver side power seat switch and door mirror control switch are not operated.
Seat memory switch and set switch are not operated.
Output malfunction is not detected.
CAN and UART communications are normal.
A/T selector lever position is in P position.
Detention position switch malfunction is not detected.
[Detention position switch malfunction is sensed when detention switch remains OFF and vehicle speed is
higher than 7 km/h (4 MPH).]
Linking Intelligent Key to the Stored Memory Procedure
NOTE:
If ignition switch turns ON in the middle of memory operation, the system does not perform exiting opera-
tion after memory operation.
If ignition switch turns ON in the middle of exiting operation, entry operation starts at that time.
If entry / exiting operation is cancelled, perform memory operation only.
FAIL-SAFE MODE
If any of the parts move more than a period “T” without any switch operation, MEMORY OPERATION, EXIT-
ING OPERATION, ENTRY OPERATION, INTELLIGENT KEY INTERLOCK OPERATION and the malfunction
part of manual operations are not operated (output malfunction).
Canceling Fail-safe Mode
The mode is cancelled by either of the following operations.
When the selector lever is shifted to P position from any other position (detention switch is turned OFF).
Operated portion T
Seat slidingApprox. 0.1 sec.
Seat recliningApprox. 0.1 sec.
Seat lifter (front)Approx. 0.1 sec.
Seat lifter (rear)Approx. 0.1 sec.
Steering tiltApprox. 0.1 sec.
Page 5197 of 5621

SE-16
AUTOMATIC DRIVE POSITIONER
Revision: 2006 January2006 M35/M45
INITIALIZATION PROCEDURE
After reconnecting battery cable, perform initialization procedure A or B. If initialization has not been per-
formed, EXITING OPERATION will not operate.
Procedure A
1. Turn ignition switch from ACC to OFF position.
2. Driver door switch is ON (open)
OFF (close) ON (open).
3. END
Procedure B
1. Drive the vehicle at more than 25 km/h (16 MPH).
2. END
SETTING CHANGE FUNCTION
The settings of the automatic driving positioner system can be changed, using CONSULT-II and the display
unit in the center of the instrument panel.
: Applicable –: Not applicable
It is possible to set sliding driver seat for entry/exit of vehicle by pressing set switch.
CAN Communication System DescriptionNIS0025S
CAN (Controller Area Network) is a serial communication line for real time application. It is an on-vehicle mul-
tiplex communication line with high data communication speed and excellent error detection ability. Many elec-
tronic control units are equipped onto a vehicle, and each control unit shares information and links with other
control units during operation (not independent). In CAN communication, control units are connected with 2
communication lines (CAN H line, CAN L line) allowing a high rate of information transmission with less wiring.
Each control unit transmits/receives data but selectively reads required data only.
CAN Communication UnitNIS0025T
Refer to LAN-34, "CAN Communication Unit" .
Setting item ContentCONSULT–II
(WORK SUPPORT)Display unitFactory
setting
Change seat sliding volume
settingThe distance at retain operation
can be selected from the following
3 modes.40 mm
—
80 mm —
150 mm —
Change the Entry/Exit seat
slide function settingThe seat sliding turnout and return
at entry/exit can be selected: ON
(operated) – OFF (not operated)ON ON: Indicator lamp ON
OFF OFF: Indicator lamp OFF —
Change the Entry/Exit tilt
steering wheel function settingLift up and backward steering
wheel at entry and exit can be
selected: ON (operated) - OFF (not
operated)ON ON: Indicator lamp ON
OFF OFF: Indicator lamp OFF —
Reset custom settings All settings to default. —Default: Setting button
OFF—
Content Setting change operation Indicator LED
The seat sliding turnout and
steering wheel up/backward at
entry/exit can be operated.
Press the set switch for more than 10 secondsBlinking twice
The seat sliding turnout and
steering wheel up/backward at
entry/exit can be not operated.Blinking ones
Page 5198 of 5621

AUTOMATIC DRIVE POSITIONER
SE-17
C
D
E
F
G
H
J
K
L
MA
B
SE
Revision: 2006 January2006 M35/M45
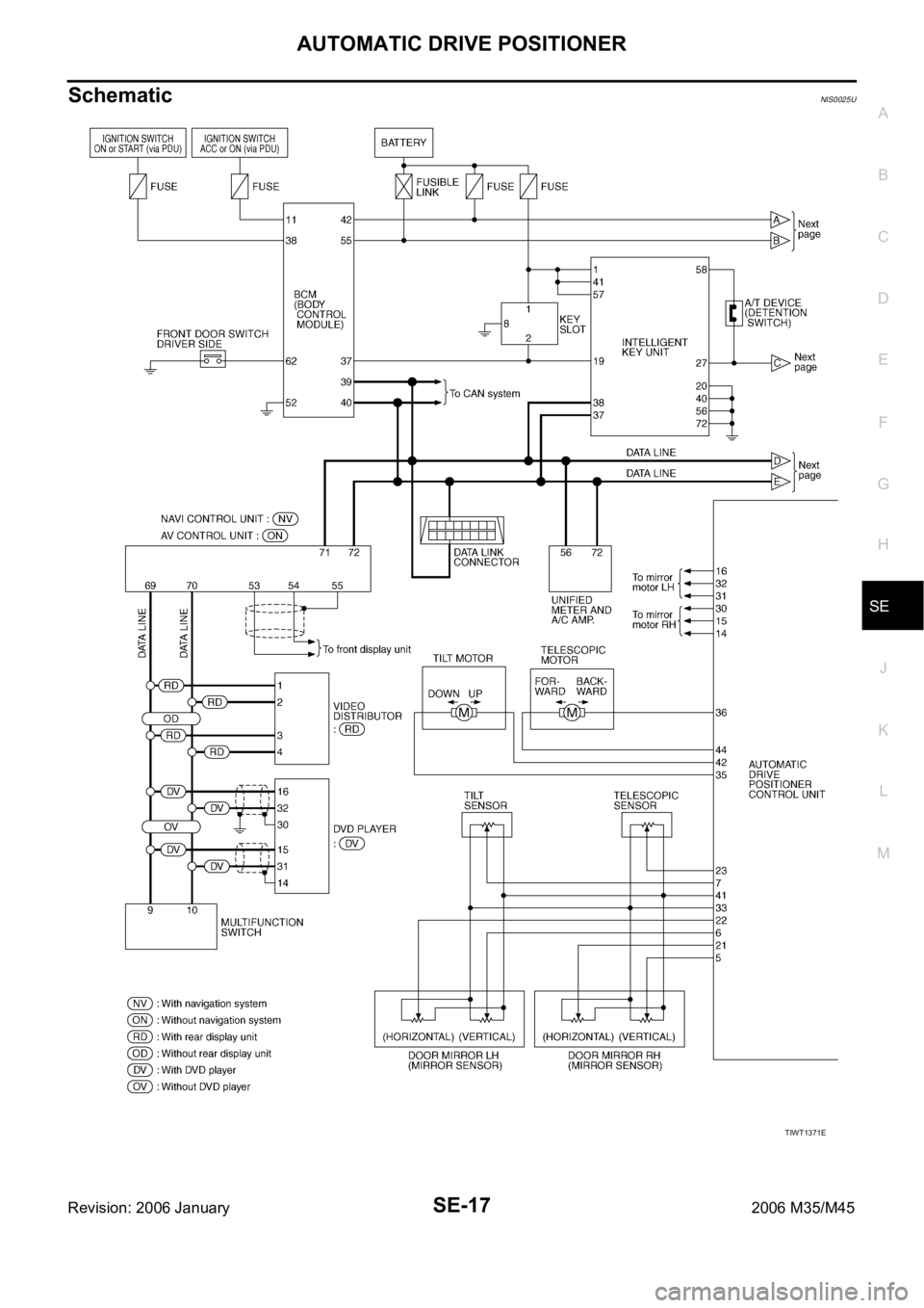
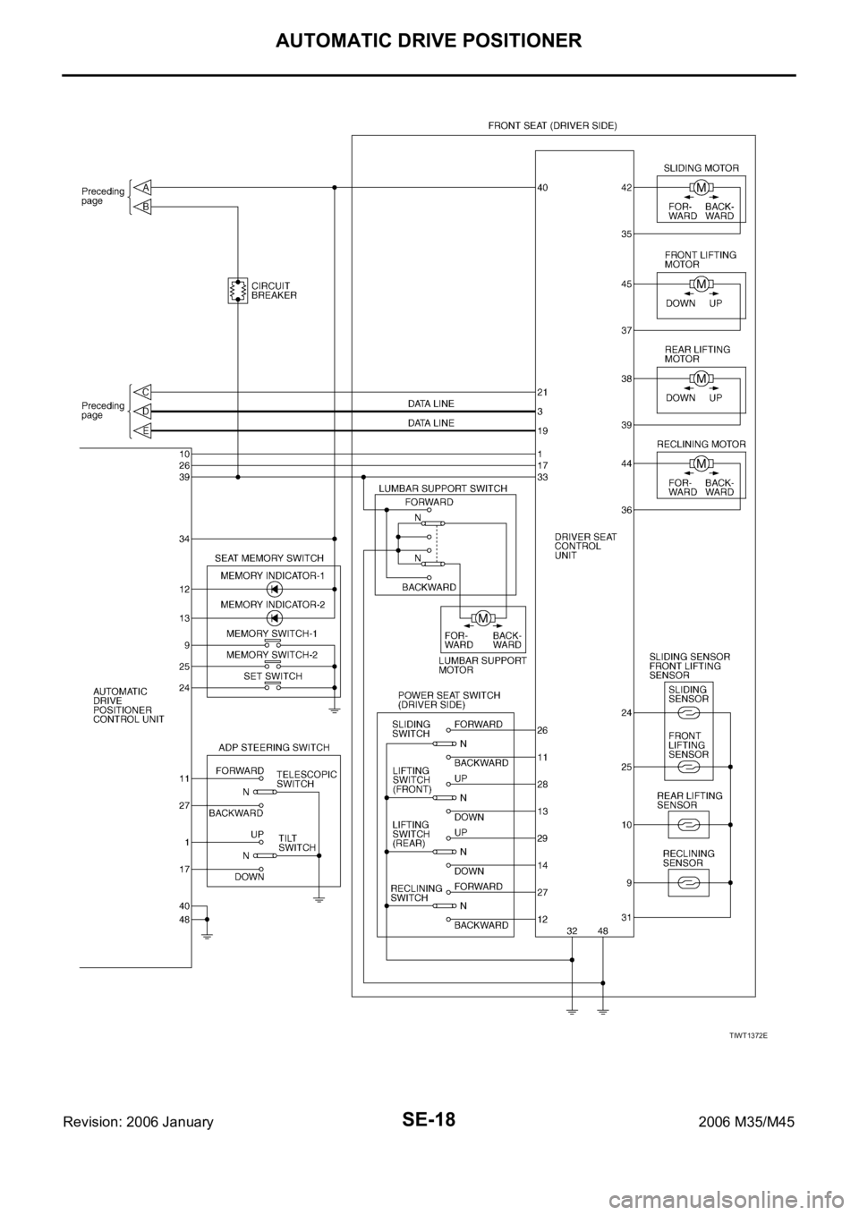
SchematicNIS0025U
TIWT1371E
Page 5199 of 5621

SE-18
AUTOMATIC DRIVE POSITIONER
Revision: 2006 January2006 M35/M45
TIWT1372E
Page 5200 of 5621

AUTOMATIC DRIVE POSITIONER
SE-19
C
D
E
F
G
H
J
K
L
MA
B
SE
Revision: 2006 January2006 M35/M45
Wiring Diagram—AUT/DP—NIS0025V
TIWT1373E