INFINITI M35 2006 Factory Service Manual
M35 2006
INFINITI
INFINITI
https://www.carmanualsonline.info/img/42/57023/w960_57023-0.png
INFINITI M35 2006 Factory Service Manual
Trending: steering wheel, spark, Wiring diagrams, open hood, lights, Panel, key fob
Page 5271 of 5621
SE-90
AUTOMATIC DRIVE POSITIONER
Revision: 2006 January2006 M35/M45
3. CHECK LUMBER SUPPORT MOTOR HARNESS
1. Disconnect lumber support motor connector.
2. Check continuity between lumber support switch connector and
lumber support motor connector.
3. Check continuity between lumber support switch connector and
ground.
OK or NG
OK >> GO TO 4.
NG >> Repair or replace harness.
4. CHECK LUMBER SUPPORT SWITCH GROUND CIRCUIT
Check continuity between lumber support switch connector and
ground.
OK or NG
OK >> Check the condition of the harness and connector.
NG >> Repair or replace harness between lumber support
switch and ground.
AB
Continuity
Lumbar support
switch connectorTe r m i n a lLumbar support
motor connectorTerminal
B21257
B21157
Ye s
58 58
A
GroundContinuity
Lumbar support switch
connectorTerminal
B21257
No
58
PIIB6206E
Lumbar support switch
connectorTerminal
GroundContinuity
B212 56 Yes
PIIB6207E
Page 5272 of 5621
POWER SEAT(PASSENGER SIDE)
SE-91
C
D
E
F
G
H
J
K
L
MA
B
SE
Revision: 2006 January2006 M35/M45
POWER SEAT(PASSENGER SIDE)PFP:87050
Component Parts and Harness Connector LocationNIS0026Z
PIIB5888E
1. Fuse block (J/B) 2.Fuse, fusible link and relay block (J/
B)3.BCM M2
(View with the glove box cover
removed)
4.Power seat switch B255
a: Reclining switch
b: Sliding and lifting switch5.a: Sliding motor M264
b: Lifting motor M2666. Reclining motor M263
Page 5273 of 5621
SE-92
POWER SEAT(PASSENGER SIDE)
Revision: 2006 January2006 M35/M45
Wiring Diagram—SEAT—/Passenger SideNIS00270
TIWT1384E
Page 5274 of 5621
POWER SEAT(PASSENGER SIDE)
SE-93
C
D
E
F
G
H
J
K
L
MA
B
SE
Revision: 2006 January2006 M35/M45
TIWT1385E
Page 5275 of 5621
SE-94
POWER SEAT(PASSENGER SIDE)
Revision: 2006 January2006 M35/M45
Terminals and Reference Values for BCMNIS00271
Terminal Wire color Item ConditionVoltage [V]
(Approx.)
42 P Power source (Fuse) — Battery voltage
52 B Ground — 0
54 OPower window power supply
(BAT)— Battery voltage
55 W Power source (F/L) — Battery voltage
Page 5276 of 5621

POWER SEAT(REAR)
SE-95
C
D
E
F
G
H
J
K
L
MA
B
SE
Revision: 2006 January2006 M35/M45
POWER SEAT(REAR)PFP:88010
Component Parts and Harness Connector LocationNIS00272
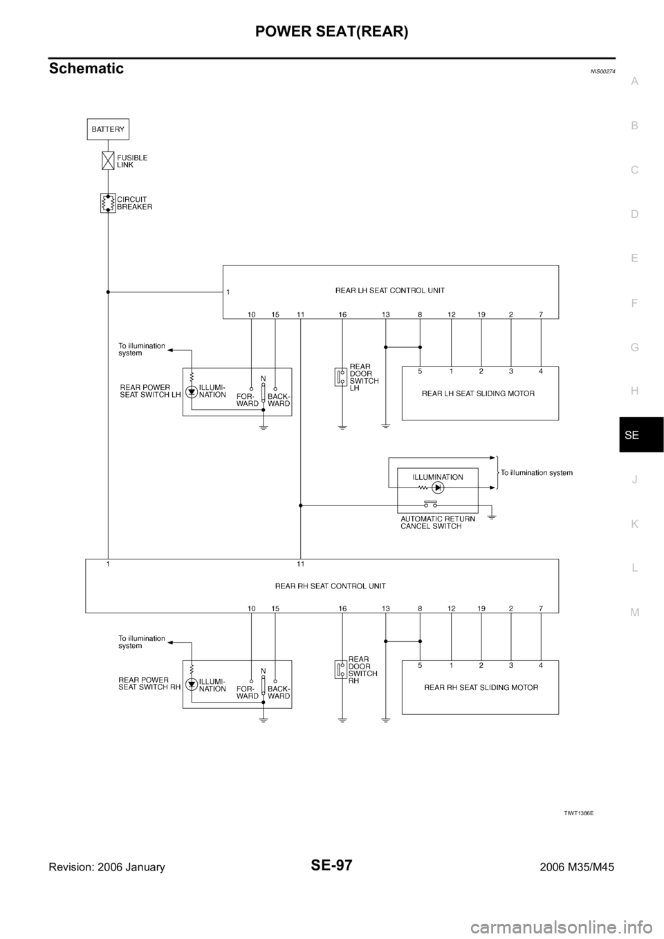
System DescriptionNIS00273
The rear power seat (LH / RH) retreats when the auto return cancel switch is turned on and each door is
opened.
When the rear power seat switch turned on, or auto return cancel switch is canceled, an auto return is discon-
tinued.
Power is all time supplied
through 50A fusible link [letter F, located in the fuse block (J/B)],
to rear LH seat control unit, rear RH seat control unit terminal 1.
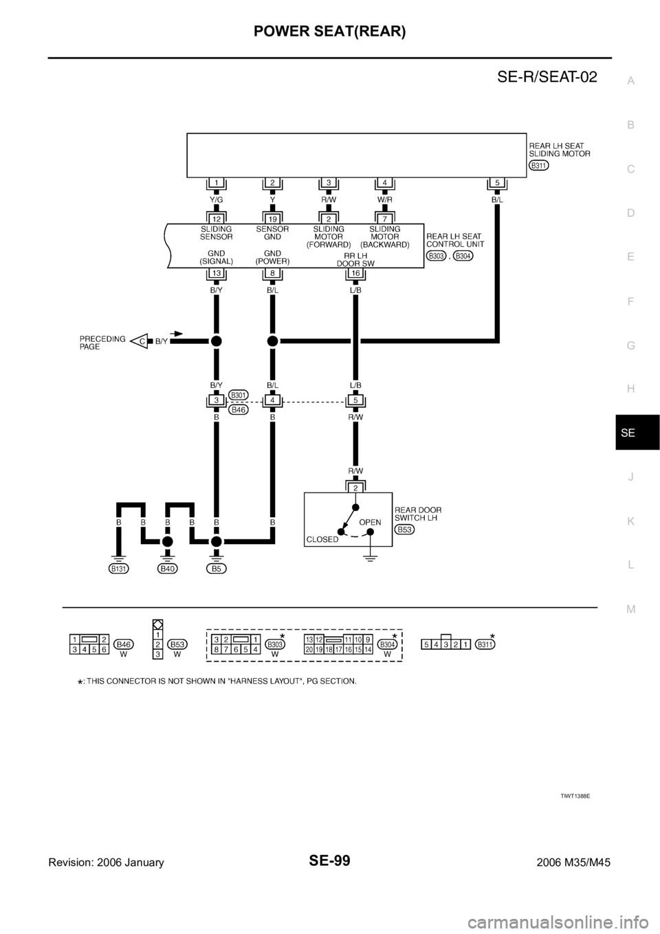
REAR POWER SEAT LH AND RH OPERATION
When rear power seat switch is forward, ground is supplied
to rear seat control unit terminal 10,
through rear power seat switch terminal 2,
through rear power seat switch terminal 3,
through body grounds B5, B40, B131.
When rear seat control unit receives power seat switch forward signal, power is supplied
through rear seat control unit terminal 2,
to rear seat sliding motor terminal 3.
PIIB5889E
1.Fuse, fusible link and relay block
(J/B)2.a: Rear power seat switch LH B504
b: Automatic return cancel switch
B508
c: Rear power seat switch RH B5553.Rear seat control unit
B303, B304 (LH) B353, B354 (RH)
(View with the rear seatback
removed)
4.Rear seat sliding motor
B311 (LH), B361 (RH)
(View with the rear seat cushion
removed)5.Rear door switch
B53 (LH), B403 (RH)
Page 5277 of 5621

SE-96
POWER SEAT(REAR)
Revision: 2006 January2006 M35/M45
Then ground is supplied
through rear seat sliding motor terminals 5,
through body grounds B5, B40, B131.
When power and ground are supplied, rear power seat slide moves forward.
When rear power seat switch is backward, ground is supplied
to rear seat control unit terminal 15,
through rear power seat switch terminal 1,
through rear power seat switch terminal 3,
through body grounds B5, B40, B131.
When rear seat control unit receives power seat switch backward signal, power is supplied
to rear seat control unit terminal 7,
through rear seat sliding motor terminal 4.
Then ground is supplied
through rear seat sliding motor terminals 5,
through body grounds B5, B40, B131.
When power and ground are supplied, rear power seat slide moves backward.
REAR SEAT RETREAT FUNCTION
When rear door open, ground is supplied
to rear seat control unit terminal 16,
through rear door switch terminal 2,
When rear seat control unit receives automatic return cancel switch ON and rear door switch open signal,
power is supplied
through rear seat control unit terminal 7,
to rear seat sliding motor terminal 4.
Then ground is supplied
through rear seat sliding motor terminals 5,
through body grounds B5, B40, B131.
When power and ground are supplied, rear power seat slide moves backward.
When rear seat sliding motor is operated, ground is supplied
to rear seat control unit terminal 12,
through rear seat sliding motor terminal 1,
through rear seat sliding motor terminal 2,
through rear seat control unit terminal 19,
through rear seat control unit terminals 13,
through body grounds B5, B40, B131.
Then rear seat control unit receives rear power seat sliding sensor signal.
The rear power seat control unit controls the seat position of the system operation with the signal.
Page 5278 of 5621
POWER SEAT(REAR)
SE-97
C
D
E
F
G
H
J
K
L
MA
B
SE
Revision: 2006 January2006 M35/M45
SchematicNIS00274
TIWT1386E
Page 5279 of 5621
SE-98
POWER SEAT(REAR)
Revision: 2006 January2006 M35/M45
Wiring Diagram—R/SEAT—NIS00275
TIWT1387E
Page 5280 of 5621
POWER SEAT(REAR)
SE-99
C
D
E
F
G
H
J
K
L
MA
B
SE
Revision: 2006 January2006 M35/M45
TIWT1388E
Trending: phone, oil capacity, steering wheel, fog light, engine cooling, oil reset, Oil