NISSAN ALMERA N16 2003 Electronic Repair Manual
Manufacturer: NISSAN, Model Year: 2003, Model line: ALMERA N16, Model: NISSAN ALMERA N16 2003Pages: 3189, PDF Size: 54.76 MB
Page 511 of 3189
![NISSAN ALMERA N16 2003 Electronic Repair Manual DTC P0139 HO2S2
EC-181
[QG (WITH EURO-OBD)]
C
D
E
F
G
H
I
J
K
L
MA
EC
Wiring DiagramEBS00K6M
YEC283A NISSAN ALMERA N16 2003 Electronic Repair Manual DTC P0139 HO2S2
EC-181
[QG (WITH EURO-OBD)]
C
D
E
F
G
H
I
J
K
L
MA
EC
Wiring DiagramEBS00K6M
YEC283A](/img/5/57350/w960_57350-510.png)
DTC P0139 HO2S2
EC-181
[QG (WITH EURO-OBD)]
C
D
E
F
G
H
I
J
K
L
MA
EC
Wiring DiagramEBS00K6M
YEC283A
Page 512 of 3189
![NISSAN ALMERA N16 2003 Electronic Repair Manual EC-182
[QG (WITH EURO-OBD)]
DTC P0139 HO2S2
Specification data are reference values and are measured between each terminal and ground.
CAUTION:
Do not use ECM ground terminals when measuring input/out NISSAN ALMERA N16 2003 Electronic Repair Manual EC-182
[QG (WITH EURO-OBD)]
DTC P0139 HO2S2
Specification data are reference values and are measured between each terminal and ground.
CAUTION:
Do not use ECM ground terminals when measuring input/out](/img/5/57350/w960_57350-511.png)
EC-182
[QG (WITH EURO-OBD)]
DTC P0139 HO2S2
Specification data are reference values and are measured between each terminal and ground.
CAUTION:
Do not use ECM ground terminals when measuring input/output voltage. Doing so may result in dam-
age to the ECM's transistor. Use a ground other than ECM terminals, such as the ground.
Diagnostic ProcedureEBS00K6N
1. RETIGHTEN GROUND SCREWS
1. Turn ignition switch “OFF”.
2. Loosen and retighten engine ground screws.
>> GO TO 2.
TER-
MINAL
NO.WIRE
COLORITEM CONDITION DATA (DC Voltage)
16 W Heated oxygen sensor 2[Engine is running]
●Warm-up condition
●Engine speed is 3,000 rpm after the following
conditions are met.
●Keeping the engine speed between 3,500 and
4,000 rpm for one minute and at idle for one
minute under no load.0 - Approximately 1.0V
74 BHeated oxygen sensor
ground[Engine is running]
●Idle speedApproximately 0V
MBIB0095E
Page 513 of 3189
![NISSAN ALMERA N16 2003 Electronic Repair Manual DTC P0139 HO2S2
EC-183
[QG (WITH EURO-OBD)]
C
D
E
F
G
H
I
J
K
L
MA
EC
2.CLEAR THE SELF-LEARNING DATA
With CONSULT-II
1. Start engine and warm it up to normal operating temperature.
2. Select “SELF- NISSAN ALMERA N16 2003 Electronic Repair Manual DTC P0139 HO2S2
EC-183
[QG (WITH EURO-OBD)]
C
D
E
F
G
H
I
J
K
L
MA
EC
2.CLEAR THE SELF-LEARNING DATA
With CONSULT-II
1. Start engine and warm it up to normal operating temperature.
2. Select “SELF-](/img/5/57350/w960_57350-512.png)
DTC P0139 HO2S2
EC-183
[QG (WITH EURO-OBD)]
C
D
E
F
G
H
I
J
K
L
MA
EC
2.CLEAR THE SELF-LEARNING DATA
With CONSULT-II
1. Start engine and warm it up to normal operating temperature.
2. Select “SELF-LEARNING CONT” in “WORK SUPPORT” mode
with CONSULT-II.
3. Clear the self-learning control coefficient by touching “CLEAR”.
4. Run engine for at least 10 minutes at idle speed.
Is the 1st trip DTC P0171 or P0172 detected?
Is it difficult to start engine?
Without CONSULT-II
1. Start engine and warm it up to normal operating temperature.
2. Turn ignition switch “OFF”.
3. Disconnect mass air flow sensor harness connector, and restart
and run engine for at least 5 seconds at idle speed.
4. Stop engine and reconnect mass air flow sensor harness con-
nector.
5. Make sure that DTC P0102 is displayed.
6. Erase the DTC memory. Refer to EC-48, "
HOW TO ERASE
EMISSION-RELATED DIAGNOSTIC INFORMATION" .
7. Make sure that DTC P0000 is displayed.
8. Run engine for at least 10 minutes at idle speed.
Is the 1st trip DTC P0171 or P0172 detected?
Is it difficult to start engine?
Ye s o r N o
Yes >> Perform trouble diagnosis for DTC P0171 or P0172. Refer to EC-186 or EC-193 .
No >> GO TO 3.
3.CHECK HO2S2 GROUND CIRCUIT FOR OPEN AND SHORT
1. Turn ignition switch “OFF”.
2. Disconnect heated oxygen sensor 2 harness connector.
3. Disconnect ECM harness connector.
4. Check harness continuity between ECM terminal 74 and HO2S2
terminal 3.
Refer to Wiring Diagram.
5. Also check harness for short to ground and short to power.
OK or NG
OK >> GO TO 4.
NG >> Repair open circuit or short to ground or short to power
in harness or connectors.
SEF215Z
MBIB0096E
Continuity should exist.
MBIB0256E
Page 514 of 3189
![NISSAN ALMERA N16 2003 Electronic Repair Manual EC-184
[QG (WITH EURO-OBD)]
DTC P0139 HO2S2
4. CHECK HO2S2 INPUT SIGNAL CIRCUIT FOR OPEN AND SHORT
1. Check harness continuity between ECM terminal 16 and HO2S2 terminal 2.
Refer to Wiring Diagram.
2. NISSAN ALMERA N16 2003 Electronic Repair Manual EC-184
[QG (WITH EURO-OBD)]
DTC P0139 HO2S2
4. CHECK HO2S2 INPUT SIGNAL CIRCUIT FOR OPEN AND SHORT
1. Check harness continuity between ECM terminal 16 and HO2S2 terminal 2.
Refer to Wiring Diagram.
2.](/img/5/57350/w960_57350-513.png)
EC-184
[QG (WITH EURO-OBD)]
DTC P0139 HO2S2
4. CHECK HO2S2 INPUT SIGNAL CIRCUIT FOR OPEN AND SHORT
1. Check harness continuity between ECM terminal 16 and HO2S2 terminal 2.
Refer to Wiring Diagram.
2. Check harness continuity between ECM terminal 16 or HO2S2 terminal 2 and ground.
Refer to Wiring Diagram.
3. Also check harness for short to power.
OK or NG
OK >> GO TO 5.
NG >> Repair open circuit or short to ground or short to power in harness or connectors.
5. CHECK HEATED OXYGEN SENSOR 2
Refer to EC-184, "
Component Inspection" .
OK or NG
OK >> GO TO 6.
NG >> Replace heated oxygen sensor 2.
6. CHECK INTERMITTENT INCIDENT
Refer to EC-109, "
TROUBLE DIAGNOSIS FOR INTERMITTENT INCIDENT" .
>>INSPECTION END
Component InspectionEBS00K6O
HEATED OXYGEN SENSOR 2
With CONSULT-II
1. Start engine and warm it up to the normal operating temperature.
2. Turn ignition switch “OFF” and wait at least 10 seconds.
3. Start engine and keep the engine speed between 3,500 and 4,000 rpm for at least one minute under no
load.
4. Let engine idle for one minute.
5. Select “FUEL INJECTION” in “ACTIVE TEST” mode, and select
“HO2S2 (B1)” as the monitor item with CONSULT-II.Continuity should exist.
Continuity should not exist.
SEF662Y
Page 515 of 3189
![NISSAN ALMERA N16 2003 Electronic Repair Manual DTC P0139 HO2S2
EC-185
[QG (WITH EURO-OBD)]
C
D
E
F
G
H
I
J
K
L
MA
EC
6. Check “HO2S2 (B1)” at idle speed when adjusting “FUEL INJECTION” to ±25%.
“HO2S2 (B1)” should be above 0.68V at le NISSAN ALMERA N16 2003 Electronic Repair Manual DTC P0139 HO2S2
EC-185
[QG (WITH EURO-OBD)]
C
D
E
F
G
H
I
J
K
L
MA
EC
6. Check “HO2S2 (B1)” at idle speed when adjusting “FUEL INJECTION” to ±25%.
“HO2S2 (B1)” should be above 0.68V at le](/img/5/57350/w960_57350-514.png)
DTC P0139 HO2S2
EC-185
[QG (WITH EURO-OBD)]
C
D
E
F
G
H
I
J
K
L
MA
EC
6. Check “HO2S2 (B1)” at idle speed when adjusting “FUEL INJECTION” to ±25%.
“HO2S2 (B1)” should be above 0.68V at least once when the “FUEL INJECTION” is +25%.
“HO2S2 (B1)” should be below 0.56V at least once when the “FUEL INJECTION” is −25%.
CAUTION:
●Discard any heated oxygen sensor which has been dropped from a height of more than 0.5 m (19.7
in) onto a hard surface such as a concrete floor; use a new one.
●Before installing new oxygen sensor, clean exhaust system threads using Oxygen Sensor Thread
Cleaner tool J-43897-18 or J-43897-12 and approved anti-seize lubricant.
Without CONSULT-II
1. Start engine and warm it up to the normal operating temperature.
2. Turn ignition switch “OFF” and wait at least 10 seconds.
3. Start engine and keep the engine speed between 3,500 and 4,000 rpm for at least one minute under no
load.
4. Let engine idle for one minute.
5. Set voltmeter probes between ECM terminal 16 (HO2S2 signal) and engine ground.
6. Check the voltage when revving up to 4,000 rpm under no load
at least 10 times.
(Depress and release accelerator pedal as soon as possible.)
The voltage should be above 0.68V at least once during this
procedure.
If the voltage is above 0.68V at step 6, step 7 is not neces-
sary.
7. Keep vehicle idling for 10 minutes, then check voltage. Or check
the voltage when coasting from 80 km/h (50 MPH) in “D” posi-
tion with “OD” OFF (A/T), 3rd gear position (M/T).
The voltage should be below 0.56V at least once during this
procedure.
8. If NG, replace heated oxygen sensor 2.
CAUTION:
●Discard any heated oxygen sensor which has been dropped from a height of more than 0.5 m (19.7
in) onto a hard surface such as a concrete floor; use a new one.
●Before installing new oxygen sensor, clean exhaust system threads using Oxygen Sensor Thread
Cleaner tool J-43897-18 or J-43897-12 and approved anti-seize lubricant.
Removal and InstallationEBS00K6P
HEATED OXYGEN SENSOR 2
Refer to FE-10.
SEF244YA
MBIB0020E
Page 516 of 3189
![NISSAN ALMERA N16 2003 Electronic Repair Manual EC-186
[QG (WITH EURO-OBD)]
DTC P0171 FUEL INJECTION SYSTEM FUNCTION
DTC P0171 FUEL INJECTION SYSTEM FUNCTION
PFP:16600
On Board Diagnosis LogicEBS00K6Q
With the Air/Fuel Mixture Ratio Self-Learn NISSAN ALMERA N16 2003 Electronic Repair Manual EC-186
[QG (WITH EURO-OBD)]
DTC P0171 FUEL INJECTION SYSTEM FUNCTION
DTC P0171 FUEL INJECTION SYSTEM FUNCTION
PFP:16600
On Board Diagnosis LogicEBS00K6Q
With the Air/Fuel Mixture Ratio Self-Learn](/img/5/57350/w960_57350-515.png)
EC-186
[QG (WITH EURO-OBD)]
DTC P0171 FUEL INJECTION SYSTEM FUNCTION
DTC P0171 FUEL INJECTION SYSTEM FUNCTION
PFP:16600
On Board Diagnosis LogicEBS00K6Q
With the Air/Fuel Mixture Ratio Self-Learning Control, the actual mixture ratio can be brought closely to the
theoretical mixture ratio based on the mixture ratio feedback signal from the heated oxygen sensor 1. The
ECM calculates the necessary compensation to correct the offset between the actual and the theoretical
ratios.
In case the amount of the compensation value is extremely large (The actual mixture ratio is too lean.), the
ECM judges the condition as the fuel injection system malfunction and light up the MI (2 trip detection logic).
DTC Confirmation ProcedureEBS00K6R
NOTE:
If “DTC Confirmation Procedure” has been previously conducted, always turn ignition switch “OFF” and wait at
least 10 seconds before conducting the next test.
WITH CONSULT-II
1. Start engine and warm it up to normal operating temperature.
2. Turn ignition switch “OFF” and wait at least 10 seconds.
3. Turn ignition switch “ON” and select “SELF-LEARNING CONT” in “WORK SUPPORT” mode with CON-
SULT-II.
4. Clear the self-learning control coefficient by touching “CLEAR”.
5. Select “DATA MONITOR” mode with CONSULT-II.
6. Start engine again and let it idle for at least 10 minutes.
The 1st trip DTC P0171 should be detected at this stage, if a
malfunction exists. If so, go to EC-189, "
Diagnostic Procedure" .
7. If it is difficult to start engine at step 6, the fuel injection system
has a malfunction, too.
8. Crank engine while depressing accelerator pedal. If engine
starts, go to EC-189, "
Diagnostic Procedure" . If engine does not
start, check exhaust and intake air leak visually.
Sensor Input Signal to ECM ECM function Actuator
Heated oxygen sensors 1Density of oxygen in exhaust gas
(Mixture ratio feedback signal)Fuel injection control Fuel injectors
DTC No. Trouble diagnosis name DTC detecting condition Possible cause
P0171
0171Fuel injection system too
lean
●Fuel injection system does not operate properly.
●The amount of mixture ratio compensation is too
large.
(The mixture ratio is too lean.)
●Intake air leaks
●Heated oxygen sensor 1
●Injectors
●Exhaust gas leaks
●Incorrect fuel pressure
●Lack of fuel
●Mass air flow sensor
●Incorrect PCV hose connection
SEF215Z
Page 517 of 3189
![NISSAN ALMERA N16 2003 Electronic Repair Manual DTC P0171 FUEL INJECTION SYSTEM FUNCTION
EC-187
[QG (WITH EURO-OBD)]
C
D
E
F
G
H
I
J
K
L
MA
EC
WITH GST
1. Start engine and warm it up to normal operating temperature.
2. Turn ignition switch “OFF NISSAN ALMERA N16 2003 Electronic Repair Manual DTC P0171 FUEL INJECTION SYSTEM FUNCTION
EC-187
[QG (WITH EURO-OBD)]
C
D
E
F
G
H
I
J
K
L
MA
EC
WITH GST
1. Start engine and warm it up to normal operating temperature.
2. Turn ignition switch “OFF](/img/5/57350/w960_57350-516.png)
DTC P0171 FUEL INJECTION SYSTEM FUNCTION
EC-187
[QG (WITH EURO-OBD)]
C
D
E
F
G
H
I
J
K
L
MA
EC
WITH GST
1. Start engine and warm it up to normal operating temperature.
2. Turn ignition switch “OFF” and wait at least 10 seconds.
3. Disconnect mass air flow sensor harness connector. Then
restart and run engine for at least 5 seconds at idle speed.
4. Stop engine and reconnect mass air flow sensor harness con-
nector.
5. Select “MODE 3” with GST. Make sure DTC P0102 is detected.
6. Select “MODE 4” with GST and erase the DTC P0102.
7. Start engine again and let it idle for at least 10 minutes.
8. Select “MODE 7” with GST. The 1st trip DTC P0171 should be
detected at this stage, if a malfunction exists. If so, go to EC-
189, "Diagnostic Procedure" .
9. If it is difficult to start engine at step 7, the fuel injection system
has a malfunction.
10. Crank engine while depressing accelerator pedal. If engine starts, go to EC-189, "
Diagnostic Procedure" .
If engine does not start, check exhaust and intake air leak visually.
MBIB0096E
Page 518 of 3189
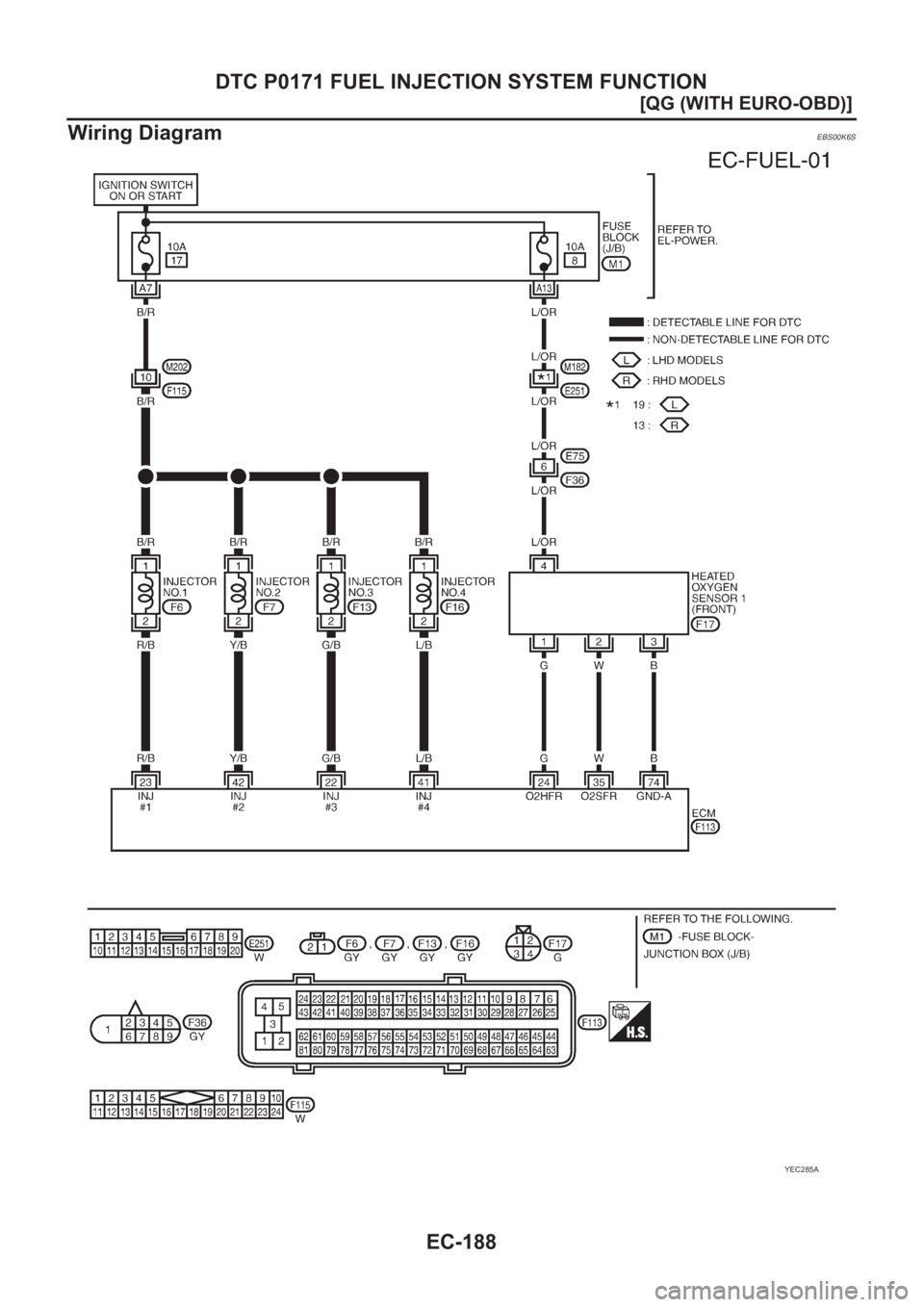
![NISSAN ALMERA N16 2003 Electronic Repair Manual EC-188
[QG (WITH EURO-OBD)]
DTC P0171 FUEL INJECTION SYSTEM FUNCTION
Wiring Diagram
EBS00K6S
YEC285A NISSAN ALMERA N16 2003 Electronic Repair Manual EC-188
[QG (WITH EURO-OBD)]
DTC P0171 FUEL INJECTION SYSTEM FUNCTION
Wiring Diagram
EBS00K6S
YEC285A](/img/5/57350/w960_57350-517.png)
EC-188
[QG (WITH EURO-OBD)]
DTC P0171 FUEL INJECTION SYSTEM FUNCTION
Wiring Diagram
EBS00K6S
YEC285A
Page 519 of 3189
![NISSAN ALMERA N16 2003 Electronic Repair Manual DTC P0171 FUEL INJECTION SYSTEM FUNCTION
EC-189
[QG (WITH EURO-OBD)]
C
D
E
F
G
H
I
J
K
L
MA
EC
Diagnostic ProcedureEBS00K6T
1.CHECK EXHAUST GAS LEAK
1. Start engine and run it at idle.
2. Listen for a NISSAN ALMERA N16 2003 Electronic Repair Manual DTC P0171 FUEL INJECTION SYSTEM FUNCTION
EC-189
[QG (WITH EURO-OBD)]
C
D
E
F
G
H
I
J
K
L
MA
EC
Diagnostic ProcedureEBS00K6T
1.CHECK EXHAUST GAS LEAK
1. Start engine and run it at idle.
2. Listen for a](/img/5/57350/w960_57350-518.png)
DTC P0171 FUEL INJECTION SYSTEM FUNCTION
EC-189
[QG (WITH EURO-OBD)]
C
D
E
F
G
H
I
J
K
L
MA
EC
Diagnostic ProcedureEBS00K6T
1.CHECK EXHAUST GAS LEAK
1. Start engine and run it at idle.
2. Listen for an exhaust gas leak before three way catalyst (manifold).
OK or NG
OK >> GO TO 2.
NG >> Repair or replace.
2.CHECK FOR INTAKE AIR LEAK AND PCV HOSE
1. Listen for an intake air leak after the mass air flow sensor.
2. Check PCV hose connection.
OK or NG
OK >> GO TO 3.
NG >> Repair or replace.
3.CHECK HEATED OXYGEN SENSOR 1 CIRCUIT FOR OPEN AND SHORT
1. Turn ignition switch “OFF”.
2. Disconnect heated oxygen sensor 1 (HO2S1) harness connec-
tor.
3. Disconnect ECM harness connector.
4. Check harness continuity between ECM terminal 35 and HO2S1
terminal 2, ECM terminal 74 and HO2S1 terminal 3.
Refer to Wiring Diagram.
5. Check harness continuity between ECM terminals 35 or HO2S1
terminals 2 and ground.
Refer to Wiring Diagram.
6. Also check harness for short to power.
OK or NG
OK >> GO TO 4.
NG >> Repair open circuit or short to ground or short to power in harness or connectors.
SEC502D
Continuity should exist.
Continuity should not exist.
MBIB0091E
Page 520 of 3189
![NISSAN ALMERA N16 2003 Electronic Repair Manual EC-190
[QG (WITH EURO-OBD)]
DTC P0171 FUEL INJECTION SYSTEM FUNCTION
4. CHECK FUEL PRESSURE
1. Release fuel pressure to zero. Refer to EC-34, "
FUEL PRESSURE RELEASE" .
2. Install fuel pressur NISSAN ALMERA N16 2003 Electronic Repair Manual EC-190
[QG (WITH EURO-OBD)]
DTC P0171 FUEL INJECTION SYSTEM FUNCTION
4. CHECK FUEL PRESSURE
1. Release fuel pressure to zero. Refer to EC-34, "
FUEL PRESSURE RELEASE" .
2. Install fuel pressur](/img/5/57350/w960_57350-519.png)
EC-190
[QG (WITH EURO-OBD)]
DTC P0171 FUEL INJECTION SYSTEM FUNCTION
4. CHECK FUEL PRESSURE
1. Release fuel pressure to zero. Refer to EC-34, "
FUEL PRESSURE RELEASE" .
2. Install fuel pressure gauge and check fuel pressure. Refer to EC-34, "
FUEL PRESSURE CHECK" .
OK or NG
OK >> GO TO 5.
NG >> Follow the construction of “FUEL PRESSURE CHECK”.
5. CHECK MASS AIR FLOW SENSOR
With CONSULT-II
1. Install all removed parts.
2. Check “MASS AIR FLOW” in “DATA MONITOR” mode with CONSULT-II.
With GST
1. Install all removed parts.
2. Check mass air flow sensor signal in MODE 1 with GST.
OK or NG
OK >> GO TO 6.
NG >> Check connectors for rusted terminals or loose connections in the mass air flow sensor circuit or
engine grounds. Refer to EC-134, "
DTC P0102, P0103 MAF SENSOR" . At idling: Approximately 350 kPa (3.5 bar, 3.57 kg/cm
2 , 51 psi)
1.0 - 4.0 g·m/sec: at idling
5.0 - 10 g·m/sec: at 2,500 rpm
1.0 - 4.0 g·m/sec: at idling
5.0 - 10 g·m/sec: at 2,500 rpm