engine NISSAN NOTE 2016 Service Repair Manual
Page 1227 of 3641
![NISSAN NOTE 2016 Service Repair Manual EC-100
< WIRING DIAGRAM >[HR16DE]
ENGINE CONTROL SYSTEM
ABBWA1628GB
Revision: August 2015
2016 Versa Note
cardiagn.com NISSAN NOTE 2016 Service Repair Manual EC-100
< WIRING DIAGRAM >[HR16DE]
ENGINE CONTROL SYSTEM
ABBWA1628GB
Revision: August 2015
2016 Versa Note
cardiagn.com](/img/5/57363/w960_57363-1226.png)
Page 1228 of 3641
![NISSAN NOTE 2016 Service Repair Manual ENGINE CONTROL SYSTEMEC-101
< WIRING DIAGRAM > [HR16DE]
C
D
E
F
G H
I
J
K L
M A
EC
NP
O
ABBWA1564GB
Revision: August 2015
2016 Versa Note
cardiagn.com NISSAN NOTE 2016 Service Repair Manual ENGINE CONTROL SYSTEMEC-101
< WIRING DIAGRAM > [HR16DE]
C
D
E
F
G H
I
J
K L
M A
EC
NP
O
ABBWA1564GB
Revision: August 2015
2016 Versa Note
cardiagn.com](/img/5/57363/w960_57363-1227.png)
Page 1229 of 3641
![NISSAN NOTE 2016 Service Repair Manual EC-102
< WIRING DIAGRAM >[HR16DE]
ENGINE CONTROL SYSTEM
ABBWA1629GB
Revision: August 2015
2016 Versa Note
cardiagn.com NISSAN NOTE 2016 Service Repair Manual EC-102
< WIRING DIAGRAM >[HR16DE]
ENGINE CONTROL SYSTEM
ABBWA1629GB
Revision: August 2015
2016 Versa Note
cardiagn.com](/img/5/57363/w960_57363-1228.png)
Page 1230 of 3641
![NISSAN NOTE 2016 Service Repair Manual ENGINE CONTROL SYSTEMEC-103
< WIRING DIAGRAM > [HR16DE]
C
D
E
F
G H
I
J
K L
M A
EC
NP
O
AABWA0946GB
Revision: August 2015
2016 Versa Note
cardiagn.com NISSAN NOTE 2016 Service Repair Manual ENGINE CONTROL SYSTEMEC-103
< WIRING DIAGRAM > [HR16DE]
C
D
E
F
G H
I
J
K L
M A
EC
NP
O
AABWA0946GB
Revision: August 2015
2016 Versa Note
cardiagn.com](/img/5/57363/w960_57363-1229.png)
Page 1231 of 3641
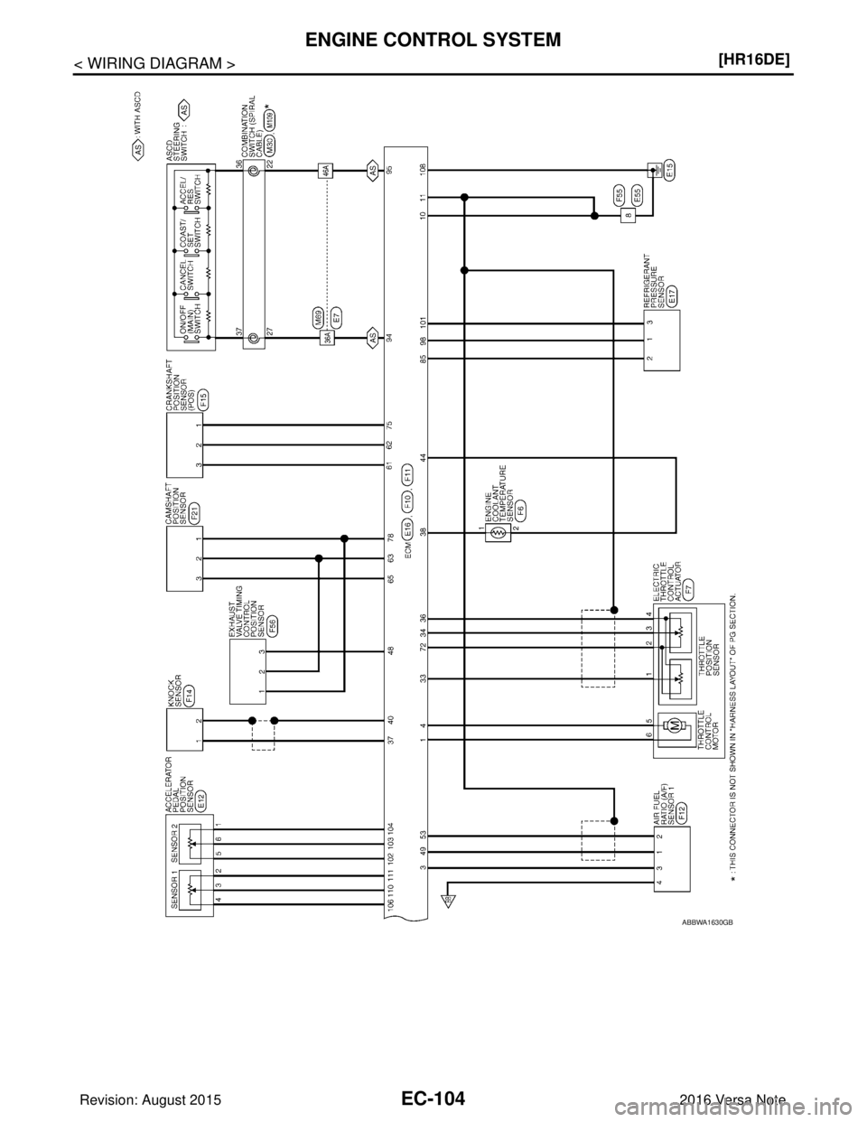
![NISSAN NOTE 2016 Service Repair Manual EC-104
< WIRING DIAGRAM >[HR16DE]
ENGINE CONTROL SYSTEM
ABBWA1630GB
Revision: August 2015
2016 Versa Note
cardiagn.com NISSAN NOTE 2016 Service Repair Manual EC-104
< WIRING DIAGRAM >[HR16DE]
ENGINE CONTROL SYSTEM
ABBWA1630GB
Revision: August 2015
2016 Versa Note
cardiagn.com](/img/5/57363/w960_57363-1230.png)
Page 1232 of 3641
![NISSAN NOTE 2016 Service Repair Manual ENGINE CONTROL SYSTEMEC-105
< WIRING DIAGRAM > [HR16DE]
C
D
E
F
G H
I
J
K L
M A
EC
NP
O
ABBIA3052GB
Revision: August 2015
2016 Versa Note
cardiagn.com NISSAN NOTE 2016 Service Repair Manual ENGINE CONTROL SYSTEMEC-105
< WIRING DIAGRAM > [HR16DE]
C
D
E
F
G H
I
J
K L
M A
EC
NP
O
ABBIA3052GB
Revision: August 2015
2016 Versa Note
cardiagn.com](/img/5/57363/w960_57363-1231.png)
Page 1233 of 3641
![NISSAN NOTE 2016 Service Repair Manual EC-106
< WIRING DIAGRAM >[HR16DE]
ENGINE CONTROL SYSTEM
ABBIA3053GB
Revision: August 2015
2016 Versa Note
cardiagn.com NISSAN NOTE 2016 Service Repair Manual EC-106
< WIRING DIAGRAM >[HR16DE]
ENGINE CONTROL SYSTEM
ABBIA3053GB
Revision: August 2015
2016 Versa Note
cardiagn.com](/img/5/57363/w960_57363-1232.png)
Page 1234 of 3641
![NISSAN NOTE 2016 Service Repair Manual ENGINE CONTROL SYSTEMEC-107
< WIRING DIAGRAM > [HR16DE]
C
D
E
F
G H
I
J
K L
M A
EC
NP
O
AABIA1411GB
Revision: August 2015
2016 Versa Note
cardiagn.com NISSAN NOTE 2016 Service Repair Manual ENGINE CONTROL SYSTEMEC-107
< WIRING DIAGRAM > [HR16DE]
C
D
E
F
G H
I
J
K L
M A
EC
NP
O
AABIA1411GB
Revision: August 2015
2016 Versa Note
cardiagn.com](/img/5/57363/w960_57363-1233.png)
Page 1235 of 3641
![NISSAN NOTE 2016 Service Repair Manual EC-108
< WIRING DIAGRAM >[HR16DE]
ENGINE CONTROL SYSTEM
ABBIA3054GB
Revision: August 2015
2016 Versa Note
cardiagn.com NISSAN NOTE 2016 Service Repair Manual EC-108
< WIRING DIAGRAM >[HR16DE]
ENGINE CONTROL SYSTEM
ABBIA3054GB
Revision: August 2015
2016 Versa Note
cardiagn.com](/img/5/57363/w960_57363-1234.png)
Page 1236 of 3641
![NISSAN NOTE 2016 Service Repair Manual ENGINE CONTROL SYSTEMEC-109
< WIRING DIAGRAM > [HR16DE]
C
D
E
F
G H
I
J
K L
M A
EC
NP
O
ABBIA3055GB
Revision: August 2015
2016 Versa Note
cardiagn.com NISSAN NOTE 2016 Service Repair Manual ENGINE CONTROL SYSTEMEC-109
< WIRING DIAGRAM > [HR16DE]
C
D
E
F
G H
I
J
K L
M A
EC
NP
O
ABBIA3055GB
Revision: August 2015
2016 Versa Note
cardiagn.com](/img/5/57363/w960_57363-1235.png)
Page:
< prev 1-10 ... 251-260 261-270 271-280 281-290 291-300 301-310 311-320 321-330 331-340 ... 990 next >