NISSAN X-TRAIL 2003 Electronic Repair Manual
Manufacturer: NISSAN, Model Year: 2003, Model line: X-TRAIL, Model: NISSAN X-TRAIL 2003Pages: 3066, PDF Size: 51.47 MB
Page 1221 of 3066
![NISSAN X-TRAIL 2003 Electronic Repair Manual TROUBLE DIAGNOSIS FOR INTERMITTENT INCIDENT
EC-107
[QR (WITH EURO-OBD)]
C
D
E
F
G
H
I
J
K
L
MA
EC
TROUBLE DIAGNOSIS FOR INTERMITTENT INCIDENTPFP:00006
DescriptionEBS00B1N
Intermittent incidents (I/I) NISSAN X-TRAIL 2003 Electronic Repair Manual TROUBLE DIAGNOSIS FOR INTERMITTENT INCIDENT
EC-107
[QR (WITH EURO-OBD)]
C
D
E
F
G
H
I
J
K
L
MA
EC
TROUBLE DIAGNOSIS FOR INTERMITTENT INCIDENTPFP:00006
DescriptionEBS00B1N
Intermittent incidents (I/I)](/img/5/57402/w960_57402-1220.png)
TROUBLE DIAGNOSIS FOR INTERMITTENT INCIDENT
EC-107
[QR (WITH EURO-OBD)]
C
D
E
F
G
H
I
J
K
L
MA
EC
TROUBLE DIAGNOSIS FOR INTERMITTENT INCIDENTPFP:00006
DescriptionEBS00B1N
Intermittent incidents (I/I) may occur. In many cases, the problem resolves itself (the part or circuit function
returns to normal without intervention). It is important to realize that the symptoms described in the customer's
complaint often do not recur on (1st trip) DTC visits. Realize also that the most frequent cause of I/I occur-
rences is poor electrical connections. Because of this, the conditions under which the incident occurred may
not be clear. Therefore, circuit checks made as part of the standard diagnostic procedure may not indicate the
specific problem area.
Common I/I Report Situations
Diagnostic ProcedureEBS00B1O
1.INSPECTION START
Erase (1st trip) DTCs. Refer toEC-402, "
HOW TO ERASE EMISSION-RELATED DIAGNOSTIC INFORMA-
TION".
>> GO TO 2.
2.CHECK GROUND TERMINALS
Check ground terminals for corroding or loose connection.
Refer toGI-24, "
How to Perform Efficient Diagnosis for an Electrical Incident", "CIRCUIT INSPECTION",
"Ground Inspection".
OK or NG
OK >> GO TO 3.
NG >> Repair or replace.
3.SEARCH FOR ELECTRICAL INCIDENT
PerformGI-24, "
How to Perform Efficient Diagnosis for an Electrical Incident", "INCIDENT SIMULATION
TESTS".
OK or NG
OK >>INSPECTION END
NG >> Repair or replace.
STEP in Work Flow Situation
II The CONSULT-II is used. The SELF-DIAG RESULTS screen shows time data other than “0” or “[1t]”.
III The symptom described by the customer does not recur.
IV (1st trip) DTC does not appear during the DTC Confirmation Procedure.
VI The Diagnostic Procedure for PXXXX does not indicate the problem area.
Page 1222 of 3066
![NISSAN X-TRAIL 2003 Electronic Repair Manual EC-108
[QR (WITH EURO-OBD)]
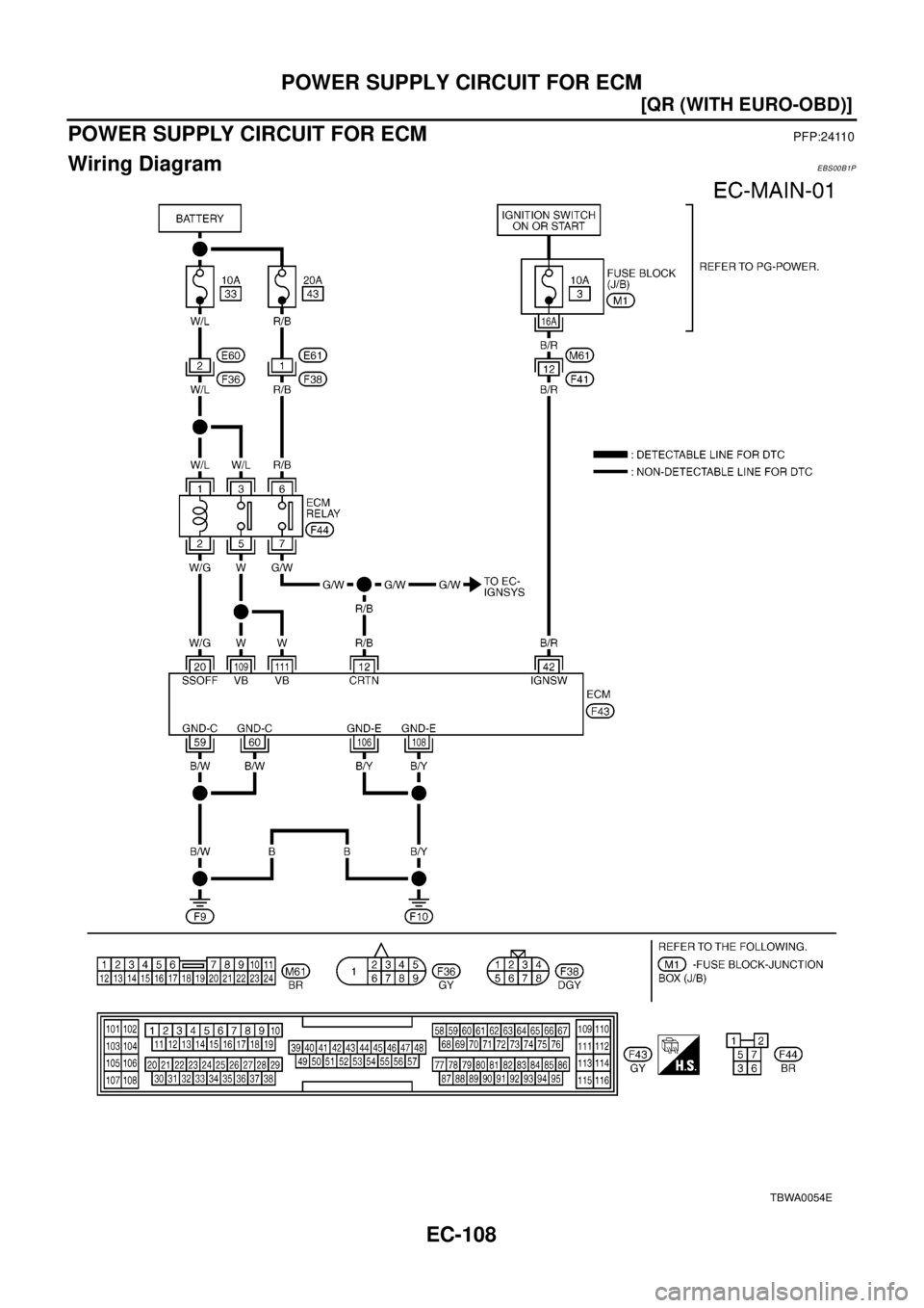
POWER SUPPLY CIRCUIT FOR ECM
POWER SUPPLY CIRCUIT FOR ECM
PFP:24110
Wiring DiagramEBS00B1P
TBWA0054E NISSAN X-TRAIL 2003 Electronic Repair Manual EC-108
[QR (WITH EURO-OBD)]
POWER SUPPLY CIRCUIT FOR ECM
POWER SUPPLY CIRCUIT FOR ECM
PFP:24110
Wiring DiagramEBS00B1P
TBWA0054E](/img/5/57402/w960_57402-1221.png)
EC-108
[QR (WITH EURO-OBD)]
POWER SUPPLY CIRCUIT FOR ECM
POWER SUPPLY CIRCUIT FOR ECM
PFP:24110
Wiring DiagramEBS00B1P
TBWA0054E
Page 1223 of 3066
![NISSAN X-TRAIL 2003 Electronic Repair Manual POWER SUPPLY CIRCUIT FOR ECM
EC-109
[QR (WITH EURO-OBD)]
C
D
E
F
G
H
I
J
K
L
MA
EC
ECM Terminals and Reference ValueEBS00B1Q
Specification data are reference values and are measured between each termi NISSAN X-TRAIL 2003 Electronic Repair Manual POWER SUPPLY CIRCUIT FOR ECM
EC-109
[QR (WITH EURO-OBD)]
C
D
E
F
G
H
I
J
K
L
MA
EC
ECM Terminals and Reference ValueEBS00B1Q
Specification data are reference values and are measured between each termi](/img/5/57402/w960_57402-1222.png)
POWER SUPPLY CIRCUIT FOR ECM
EC-109
[QR (WITH EURO-OBD)]
C
D
E
F
G
H
I
J
K
L
MA
EC
ECM Terminals and Reference ValueEBS00B1Q
Specification data are reference values and are measured between each terminal and body ground.
CAUTION:
Do not use ECM ground terminals when measuring input/output voltage. Doing so may result in dam-
age to the ECM's transistor. Use a ground other than ECM terminals, such as the ground.
Diagnostic ProcedureEBS00B1R
1.INSPECTION START
Start engine.
Is engine running?
Ye s o r N o
Yes >>GOTO8.
No >> GO TO 2.
2.CHECK ECM POWER SUPPLY CIRCUIT-I
1. Turn ignition switch “OFF” and then “ON”.
2. Check voltage between ECM terminal 42 and ground with CON-
SULT-II or tester.
OK or NG
OK >> GO TO 4.
NG >> GO TO 3.
TER-
MINAL
NO.WIRE
COLORITEM CONDITION DATA (DC Voltage)
12 R/BCounter current
return[Ignition switch "ON"]BATTERY VOLTAGE
(11 - 14V)
20 W/GECM relay
(Self shut-off)[Engineisrunning]
[Ignition switch “OFF”]
lFor 3 seconds after turning ignition switch “OFF”0-1.0V
[Ignition switch “OFF”]
l3 seconds passed after turning ignition switch
“OFF”BATTERY VOLTAGE
(11 - 14V)
42 B/R Ignition switch[Ignition switch “OFF”]0V
[Ignition switch “ON”]BATTERY VOLTAGE
(11 - 14V)
59
60
106
108B
B
B/Y
B/YECM ground[Engineisrunning]
lIdle speedEngine ground
109
111W
WPower supply for
ECM[Ignition switch “ON”]BATTERY VOLTAGE
(11 - 14V)
Voltage: Battery voltage
PBIB0535E
Page 1224 of 3066
![NISSAN X-TRAIL 2003 Electronic Repair Manual EC-110
[QR (WITH EURO-OBD)]
POWER SUPPLY CIRCUIT FOR ECM
3.DETECT MALFUNCTIONING PART
Check the following.
lHarness connectors M61, F41
lFuse block (J/B) connector M1
l10A fuse
lHarness for open or sh NISSAN X-TRAIL 2003 Electronic Repair Manual EC-110
[QR (WITH EURO-OBD)]
POWER SUPPLY CIRCUIT FOR ECM
3.DETECT MALFUNCTIONING PART
Check the following.
lHarness connectors M61, F41
lFuse block (J/B) connector M1
l10A fuse
lHarness for open or sh](/img/5/57402/w960_57402-1223.png)
EC-110
[QR (WITH EURO-OBD)]
POWER SUPPLY CIRCUIT FOR ECM
3.DETECT MALFUNCTIONING PART
Check the following.
lHarness connectors M61, F41
lFuse block (J/B) connector M1
l10A fuse
lHarness for open or short between ECM and fuse
>> Repair harness or connectors.
4.CHECK ECM GROUND CIRCUIT FOR OPEN AND SHORT-I
1. Turn ignition switch “OFF”.
2. Disconnect ECM harness connector.
3. Check harness continuity between ECM terminals 59, 60, 106, 108 and engine ground.
Refer to Wiring Diagram.
4. Also check harness for short to power.
OK or NG
OK >> GO TO 5.
NG >> Repair open circuit or short to power in harness or connectors.
5.CHECK POWER SUPPLY-II
1. Disconnect ECM relay.
2. Check voltage between ECM relay terminals 1, 6 and ground
with CONSULT-II or tester.
OK or NG
OK >> GO TO 7.
NG >> GO TO 6.Continuity should exist.
PBIB0493E
SEF420X
Page 1225 of 3066
![NISSAN X-TRAIL 2003 Electronic Repair Manual POWER SUPPLY CIRCUIT FOR ECM
EC-111
[QR (WITH EURO-OBD)]
C
D
E
F
G
H
I
J
K
L
MA
EC
6.DETECT MALFUNCTIONING PART
Check the following.
l10A fuse
l20A fuse
lHarness connectors E60, F36
lHarness connector NISSAN X-TRAIL 2003 Electronic Repair Manual POWER SUPPLY CIRCUIT FOR ECM
EC-111
[QR (WITH EURO-OBD)]
C
D
E
F
G
H
I
J
K
L
MA
EC
6.DETECT MALFUNCTIONING PART
Check the following.
l10A fuse
l20A fuse
lHarness connectors E60, F36
lHarness connector](/img/5/57402/w960_57402-1224.png)
POWER SUPPLY CIRCUIT FOR ECM
EC-111
[QR (WITH EURO-OBD)]
C
D
E
F
G
H
I
J
K
L
MA
EC
6.DETECT MALFUNCTIONING PART
Check the following.
l10A fuse
l20A fuse
lHarness connectors E60, F36
lHarness connectors E61, F38
lHarness for open or short between ECM relay and battery
>> Repair open circuit or short to ground or short to power in harness or connectors.
7.CHECK OUTPUT SIGNAL CIRCUIT FOR OPEN AND SHORT
1. Check harness continuity between ECM terminal 20 and ECM relay terminal 2.
Refer to Wiring Diagram.
2. Also check harness for short to ground and short to power.
OK or NG
OK >> Go toEC-334, "IGNITION SIGNAL".
NG >> Repair open circuit or short to ground or short to power in harness or connectors.
8.CHECK ECM POWER SUPPLY CIRCUIT-III
1. Turn ignition switch “ON” and then “OFF”.
2. Check voltage between ECM terminals 109, 111 and ground with CONSULT-II or tester.
OK or NG
OK >> GO TO 13.
NG (Battery voltage does not exist.)>>GO TO 9.
NG (Battery voltage exists for more than a few seconds.)>>GO TO 11.Continuity should exist.
Voltage: After turning ignition switch "OFF", battery
voltage will exist for a few seconds, then
drop approximately 0V.
PBIB0536E
Page 1226 of 3066
![NISSAN X-TRAIL 2003 Electronic Repair Manual EC-112
[QR (WITH EURO-OBD)]
POWER SUPPLY CIRCUIT FOR ECM
9.CHECK ECM POWER SUPPLY CIRCUIT-IV
1. Disconnect ECM relay.
2. Check voltage between ECM relay terminal 3 and ground with CONSULT-II or tester NISSAN X-TRAIL 2003 Electronic Repair Manual EC-112
[QR (WITH EURO-OBD)]
POWER SUPPLY CIRCUIT FOR ECM
9.CHECK ECM POWER SUPPLY CIRCUIT-IV
1. Disconnect ECM relay.
2. Check voltage between ECM relay terminal 3 and ground with CONSULT-II or tester](/img/5/57402/w960_57402-1225.png)
EC-112
[QR (WITH EURO-OBD)]
POWER SUPPLY CIRCUIT FOR ECM
9.CHECK ECM POWER SUPPLY CIRCUIT-IV
1. Disconnect ECM relay.
2. Check voltage between ECM relay terminal 3 and ground with CONSULT-II or tester.
OK or NG
OK >> GO TO 11.
NG >> GO TO 10.
10.DETECT MALFUNCTIONING PART
Check the following.
lHarness or connectors E60, F36
lHarness for open or short between ECM relay and 10A fuse
>> Repair open circuit or short to ground or short to power in harness or connectors.
11 .CHECK HARNESS CONTINUITY BETWEEN ECM RELAY AND ECM FOR OPEN AND SHORT
1. Check harness continuity between ECM terminals and ECM relay terminals as follows.
Refer to Wiring Diagram.
2. Also check harness for short to ground and short to power.
OK or NG
OK >> GO TO 12.
NG >> Repair open circuit or short to ground or short to power in harness or connectors.
12.CHECK ECM RELAY
Refer toEC-113, "
Component Inspection".
OK or NG
OK >> GO TO 13.
NG >> Replace ECM relay.
PBIB0493E
Voltage: Battery voltage
SEF860T
ECM terminal ECM relay terminal
12 7
109, 111 5
Continuity should exist.
Page 1227 of 3066
![NISSAN X-TRAIL 2003 Electronic Repair Manual POWER SUPPLY CIRCUIT FOR ECM
EC-113
[QR (WITH EURO-OBD)]
C
D
E
F
G
H
I
J
K
L
MA
EC
13.CHECK ECM GROUND CIRCUIT FOR OPEN AND SHORT-II
1. Turn ignition switch “OFF”.
2. Disconnect ECM harness connec NISSAN X-TRAIL 2003 Electronic Repair Manual POWER SUPPLY CIRCUIT FOR ECM
EC-113
[QR (WITH EURO-OBD)]
C
D
E
F
G
H
I
J
K
L
MA
EC
13.CHECK ECM GROUND CIRCUIT FOR OPEN AND SHORT-II
1. Turn ignition switch “OFF”.
2. Disconnect ECM harness connec](/img/5/57402/w960_57402-1226.png)
POWER SUPPLY CIRCUIT FOR ECM
EC-113
[QR (WITH EURO-OBD)]
C
D
E
F
G
H
I
J
K
L
MA
EC
13.CHECK ECM GROUND CIRCUIT FOR OPEN AND SHORT-II
1. Turn ignition switch “OFF”.
2. Disconnect ECM harness connector.
3. Check harness continuity between ECM terminals 59, 60, 106, 108 and engine ground.
Refer to Wiring Diagram.
4. Also check harness for short to power.
OK or NG
OK >> GO TO 14.
NG >> Repair open circuit or short to power in harness or connectors.
14.CHECK INTERMITTENT INCIDENT
Refer toEC-107, "
TROUBLE DIAGNOSIS FOR INTERMITTENT INCIDENT".
>>INSPECTION END
Component InspectionEBS00B1S
ECM RELAY
1. Apply 12V direct current between ECM relay terminals 1 and 2.
2. Check continuity between relay terminals 3 and 5, 6 and 7.
3. If NG, replace ECM relay.Continuity should exist.
Condition Continuity
12V direct current supply
between terminals 1 and
2Ye s
OFF No
PBIB0077E
Page 1228 of 3066
![NISSAN X-TRAIL 2003 Electronic Repair Manual EC-114
[QR (WITH EURO-OBD)]
DTC U1000 CAN COMMUNICATION LINE
DTC U1000 CAN COMMUNICATION LINE
PFP:23710
DescriptionEBS00B1T
CAN (Controller Area Network) is a serial communication line for real time a NISSAN X-TRAIL 2003 Electronic Repair Manual EC-114
[QR (WITH EURO-OBD)]
DTC U1000 CAN COMMUNICATION LINE
DTC U1000 CAN COMMUNICATION LINE
PFP:23710
DescriptionEBS00B1T
CAN (Controller Area Network) is a serial communication line for real time a](/img/5/57402/w960_57402-1227.png)
EC-114
[QR (WITH EURO-OBD)]
DTC U1000 CAN COMMUNICATION LINE
DTC U1000 CAN COMMUNICATION LINE
PFP:23710
DescriptionEBS00B1T
CAN (Controller Area Network) is a serial communication line for real time application. It is an on-vehicle mul-
tiplex communication line with high data communication speed and excellent error detection ability. Many elec-
tonic control units are equipped onto a vehicle, and each control unit shares information and links with other
control units during operation (not independent). In CAN communication, control units are connected with 2
communication lines (CAN H line, CAN L line) allowing a high rate of information transmission with less wiring.
Each control unit transmits/receives data but selectively reads required data only.
On Board Diagnosis LogicEBS00B1U
DTC Confirmation ProcedureEBS00B1V
1. Turn ignition switch “ON” and wait at least 3 seconds.
2. Select “DATA MONITOR” mode with CONSULT-II.
3. If 1st trip DTC is detected, go toEC-116, "
Diagnostic Procedure".
DTC No.Trouble diagnosis
nameDTC detecting condition Possible cause
U1000
1000CAN communication
line
lECM can not communicate to other control
unit.
lECM can not communicate for more than the
specified time.
lHarness or connectors
(CAN communication line is open or
shorted)
Page 1229 of 3066
![NISSAN X-TRAIL 2003 Electronic Repair Manual DTC U1000 CAN COMMUNICATION LINE
EC-115
[QR (WITH EURO-OBD)]
C
D
E
F
G
H
I
J
K
L
MA
EC
Wiring DiagramEBS00B1W
TBWA0096E NISSAN X-TRAIL 2003 Electronic Repair Manual DTC U1000 CAN COMMUNICATION LINE
EC-115
[QR (WITH EURO-OBD)]
C
D
E
F
G
H
I
J
K
L
MA
EC
Wiring DiagramEBS00B1W
TBWA0096E](/img/5/57402/w960_57402-1228.png)
DTC U1000 CAN COMMUNICATION LINE
EC-115
[QR (WITH EURO-OBD)]
C
D
E
F
G
H
I
J
K
L
MA
EC
Wiring DiagramEBS00B1W
TBWA0096E
Page 1230 of 3066
![NISSAN X-TRAIL 2003 Electronic Repair Manual EC-116
[QR (WITH EURO-OBD)]
DTC U1000 CAN COMMUNICATION LINE
Diagnostic Procedure
EBS00B1X
1.INSPECTION START
1. Turn ignition switch “ON”.
2. Select “CAN DIAG SUPPORT MNTR” in “DATA MONITOR NISSAN X-TRAIL 2003 Electronic Repair Manual EC-116
[QR (WITH EURO-OBD)]
DTC U1000 CAN COMMUNICATION LINE
Diagnostic Procedure
EBS00B1X
1.INSPECTION START
1. Turn ignition switch “ON”.
2. Select “CAN DIAG SUPPORT MNTR” in “DATA MONITOR](/img/5/57402/w960_57402-1229.png)
EC-116
[QR (WITH EURO-OBD)]
DTC U1000 CAN COMMUNICATION LINE
Diagnostic Procedure
EBS00B1X
1.INSPECTION START
1. Turn ignition switch “ON”.
2. Select “CAN DIAG SUPPORT MNTR” in “DATA MONITOR” mode with CONSULT-II.
3. Print out the CONSULT-II screen.
A/T models
M/TmodelswithESP
>> Go toLAN-5, "
CAN SYSTEM (FOR A/T MODELS)"orLAN-11, "CAN SYSTEM (FOR M/T MOD-
ELS)".
PBIB0538E
PBIB0539E