L_-- ------- ;-’
;i ‘
I ‘1, ,I’ 4
------_
II: / ,’ / % ‘\
@ 1
-1..
c- ____ ----- ---. d
--f-B---
---_ 1
I , t----w
9,34 mm
// h!!! ////II/‘;\,--- I/ill I
I
it
853 I-8532
2 IVIA
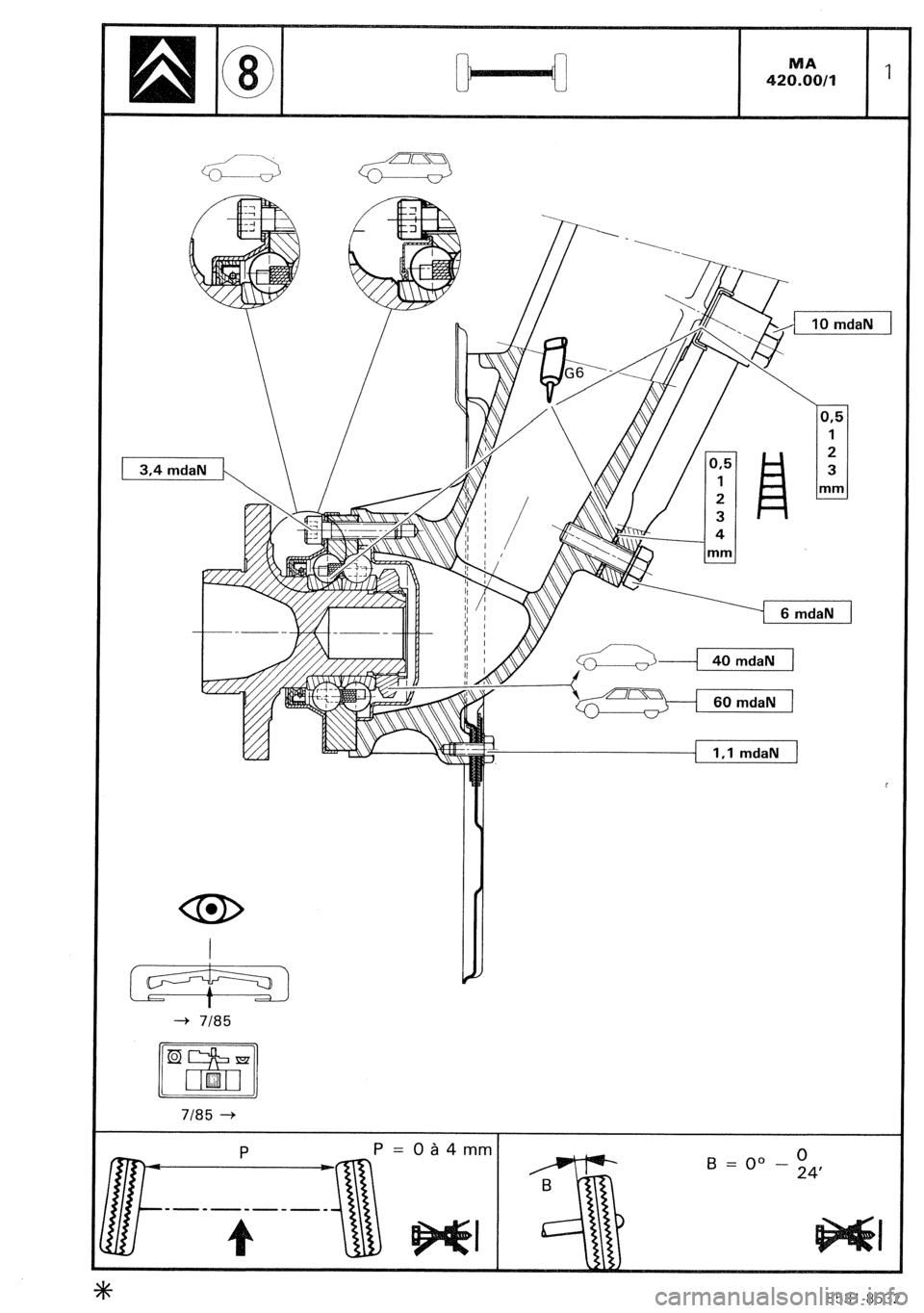
422.1/l OVING AND REFITTING A REAR AXLE ARM
REMOVAL
Raise the rear of the vehicle and support it on stands,
wheels free.
Remove the road wheel.
Release the pressure in the hydraulic systems.
Remove protection plate (I 1, Fig. I.
Vehicle having the A.B.S. fitted, Fig. II :
Withdraw sensor (3) and push aside the metal panel
and sensor, liberating the electrical harness from the
retaining clips.
Remove suspension cylinder (5), Fig. Ill.
(As explained in @ MA 433. l/2/.
Take off fixing lug (41, Fig. Ill.
Uncouple:
- brake hose (21, Fig. I,
- the anti-roll bar, Fig. Ill. In order to do so, extract
screws (6) and (7) and keep adjustment shims and
washers c(a)) and ccbal.
Take off nut (8) 24 mm A/F, Fig. IV.
Free the shaft and remove the arm. REFITTING
Position the axle arm (the thinner thrust cup (9) :
9.34 mm thick at CCCH facing the interior of the
vehicle, -+ l/87), Fig. V).
l/87 -+ the thrust cups are identical and the adjust-
ment is effected by means of shims facing the exte-
rior of the vehicle.
Return the shaft to its original location.
Place nut (8), new NYSLTOP nul, Fig. IV.
Tighten to 13 mdaN.
Recouple the anti-roll bar, Fig. Ill. Add the screws (6)
and (7) together with the adjustment shims and
washers found at c(a)) and c(b)) on dismantling.
Tighten screws (7) to 6 mdaN and (6) to 10 mdaN.
Reconnect brake hose (2) Fig. I, fitted with a NEW
sleeve seal. Tighten it.
Refit fixing lug (41, Fig. Ill.
Locate suspension cylinder (51, Fig. IV.
(See @ MA 433. l/2/.
ABS vehicle, Fig. II :
Refit sensor (31, (grease the outside of the sensor with
MOBIL TEMP No. I).
Tighten the screw to 1 mdaN.
Reassemble:
- protection plate (I 1, Fig. I,
- the road wheel.
Lower the vehicle to the ground.