INFINITI FX35 2004 Service Manual

INFINITI FX35 2004 Service Manual FX35 2004 INFINITI INFINITI https://www.carmanualsonline.info/img/42/57021/w960_57021-0.png INFINITI FX35 2004 Service Manual
Trending: night vision, power steering pump, Power steering switch, Lan system, turn signal, center console, fog light bulb

Page 3091 of 4449

INFINITI FX35 2004  Service Manual FSU-6
FRONT SUSPENSION ASSEMBLY
Revision: 2004 November 2004 FX35/FX45
FRONT SUSPENSION ASSEMBLYPFP:54010
On-Vehicle Inspection and ServiceAES000N3
Make sure the mounting conditions (looseness, back l

Page 3092 of 4449

INFINITI FX35 2004  Service Manual FRONT SUSPENSION ASSEMBLY
FSU-7
C
D
F
G
H
I
J
K
L
MA
B
FSU
Revision: 2004 November 2004 FX35/FX45
5. Place the dent of alignment gauge onto the projection of center
plate and tightly contact them to m

Page 3093 of 4449

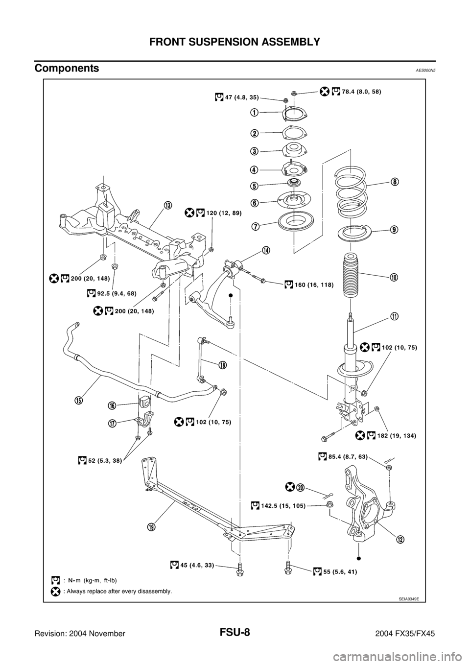
INFINITI FX35 2004  Service Manual FSU-8
FRONT SUSPENSION ASSEMBLY
Revision: 2004 November 2004 FX35/FX45
ComponentsAES000N5
SEIA0349E

Page 3094 of 4449

INFINITI FX35 2004  Service Manual FRONT SUSPENSION ASSEMBLY
FSU-9
C
D
F
G
H
I
J
K
L
MA
B
FSU
Revision: 2004 November 2004 FX35/FX45
Removal and InstallationAES000N6
REMOVAL
1. Set an engine slinger to engine, then suspend engine.
2. R

Page 3095 of 4449

INFINITI FX35 2004  Service Manual FSU-10
FRONT SUSPENSION ASSEMBLY
Revision: 2004 November 2004 FX35/FX45
16. Remove stabilizer connecting rod upper nut with power tool,
separate stabilizer connecting rod and strut assembly.
17. Remov

Page 3096 of 4449

INFINITI FX35 2004  Service Manual COIL SPRING AND STRUT
FSU-11
C
D
F
G
H
I
J
K
L
MA
B
FSU
Revision: 2004 November 2004 FX35/FX45
COIL SPRING AND STRUTPFP:55302
Removal and InstallationAES000N7
REMOVAL
1. Remove tire from vehicle with

Page 3097 of 4449

INFINITI FX35 2004  Service Manual FSU-12
COIL SPRING AND STRUT
Revision: 2004 November 2004 FX35/FX45
Attach strut upper plate as shown in the figure.
Disassembly and AssemblyAES000N8
DISASSEMBLY
NOTE:
Make sure piston rod on strut i

Page 3098 of 4449

INFINITI FX35 2004  Service Manual COIL SPRING AND STRUT
FSU-13
C
D
F
G
H
I
J
K
L
MA
B
FSU
Revision: 2004 November 2004 FX35/FX45
ASSEMBLY
NOTE:
Make sure piston rod on strut is not damaged when attaching components to strut.
1. Instal

Page 3099 of 4449

INFINITI FX35 2004  Service Manual FSU-14
TRANSVERSE LINK
Revision: 2004 November 2004 FX35/FX45
TRANSVERSE LINKPFP:54500
Removal and InstallationAES000N9
REMOVAL
1. Remove tire from vehicle with power tool.
2. Remove undercover with p

Page 3100 of 4449

INFINITI FX35 2004  Service Manual TRANSVERSE LINK
FSU-15
C
D
F
G
H
I
J
K
L
MA
B
FSU
Revision: 2004 November 2004 FX35/FX45
Swing Torque Inspection
NOTE:
Before measurement, move ball joint at least ten times by hand to check for smoot
Trending: seat heater switch, key fob battery, heater, inflation pressure, jump start terminals, clock, Power supply