INFINITI M35 2006 Factory Service Manual
Manufacturer: INFINITI, Model Year: 2006, Model line: M35, Model: INFINITI M35 2006Pages: 5621, PDF Size: 65.56 MB
Page 2581 of 5621
![INFINITI M35 2006 Factory Service Manual EC-1038
[VK45DE]
DTC P0139, P0159 HO2S2
Revision: 2006 January2006 M35/M45
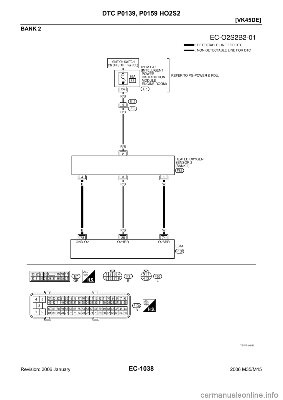
BANK 2
TBWT1021E INFINITI M35 2006 Factory Service Manual EC-1038
[VK45DE]
DTC P0139, P0159 HO2S2
Revision: 2006 January2006 M35/M45
BANK 2
TBWT1021E](/img/42/57023/w960_57023-2580.png)
EC-1038
[VK45DE]
DTC P0139, P0159 HO2S2
Revision: 2006 January2006 M35/M45
BANK 2
TBWT1021E
Page 2582 of 5621
![INFINITI M35 2006 Factory Service Manual DTC P0139, P0159 HO2S2
EC-1039
[VK45DE]
C
D
E
F
G
H
I
J
K
L
MA
EC
Revision: 2006 January2006 M35/M45
Specification data are reference values and are measured between each terminal and ground.
CAUTION: INFINITI M35 2006 Factory Service Manual DTC P0139, P0159 HO2S2
EC-1039
[VK45DE]
C
D
E
F
G
H
I
J
K
L
MA
EC
Revision: 2006 January2006 M35/M45
Specification data are reference values and are measured between each terminal and ground.
CAUTION:](/img/42/57023/w960_57023-2581.png)
DTC P0139, P0159 HO2S2
EC-1039
[VK45DE]
C
D
E
F
G
H
I
J
K
L
MA
EC
Revision: 2006 January2006 M35/M45
Specification data are reference values and are measured between each terminal and ground.
CAUTION:
Do not use ECM ground terminals when measuring input/output voltage. Doing so may result in dam-
age to the ECM's transistor. Use a ground other than ECM terminals, such as the ground.
Diagnostic ProcedureNBS005F6
1. CHECK GROUND CONNECTIONS
1. Turn ignition switch OFF.
2. Loosen and retighten two ground screws on the body.
Refer to EC-885, "
Ground Inspection" .
OK or NG
OK >> GO TO 2.
NG >> Repair or replace ground connections.
TER-
MINAL
NO.WIRE
COLORITEM CONDITION DATA (DC Voltage)
25 P/BHeated oxygen sensor 2
heater (bank 2)[Engine is running]
Engine speed: Below 3,600 rpm after the
following conditions are met
–Engine: after warming up
–Keeping the engine speed between 3,500
and 4,000 rpm for 1 minute and at idle for 1
minute under no load0 - 1.0V
[Ignition switch: ON]
Engine stopped
[Engine is running]
Engine speed: Above 3,600 rpmBATTERY VOLTAGE
(11 - 14V)
74 WHeated oxygen sensor 2
(bank 2)[Engine is running]
Warm-up condition
Revving engine from idle to 3,000 rpm
quickly after the following conditions are met
–After keeping the engine speed between
3,500 and 4,000 rpm for 1 minute and at idle
for 1 minute under no load0 - Approximately 1.0V
78 BSensor ground
(Heated oxygen sensor 2)[Engine is running]
Warm-up condition
Idle speedApproximately 0V
1. Body ground M70 2. Body ground M16
PBIB2782E
Page 2583 of 5621
![INFINITI M35 2006 Factory Service Manual EC-1040
[VK45DE]
DTC P0139, P0159 HO2S2
Revision: 2006 January2006 M35/M45
2. CLEAR THE SELF-LEARNING DATA
With CONSULT-II
1. Start engine and warm it up to normal operating temperature.
2. Select INFINITI M35 2006 Factory Service Manual EC-1040
[VK45DE]
DTC P0139, P0159 HO2S2
Revision: 2006 January2006 M35/M45
2. CLEAR THE SELF-LEARNING DATA
With CONSULT-II
1. Start engine and warm it up to normal operating temperature.
2. Select](/img/42/57023/w960_57023-2582.png)
EC-1040
[VK45DE]
DTC P0139, P0159 HO2S2
Revision: 2006 January2006 M35/M45
2. CLEAR THE SELF-LEARNING DATA
With CONSULT-II
1. Start engine and warm it up to normal operating temperature.
2. Select “SELF-LEARNING CONT” in “WORK SUPPORT” mode
with CONSULT-II.
3. Clear the self-learning control coefficient by touching “CLEAR”.
4. Run engine for at least 10 minutes at idle speed.
Is the 1st trip DTC P0171, P0172, P0174 or P0175 detected?
Is it difficult to start engine?
Without CONSULT-II
1. Start engine and warm it up to normal operating temperature.
2. Turn ignition switch OFF.
3. Disconnect mass air flow sensor (1) harness connector, and
restart and run engine for at least 5 seconds at idle speed.
4. Stop engine and reconnect mass air flow sensor harness con-
nector.
5. Make sure DTC P0102 is displayed.
6. Erase the DTC memory. Refer to EC-778, "
HOW TO ERASE
EMISSION-RELATED DIAGNOSTIC INFORMATION" .
7. Make sure DTC P0000 is displayed.
8. Run engine for at least 10 minutes at idle speed.
Is the 1st trip DTC P0171, P0172, P0174 or P0175 detected?
Is it difficult to start engine?
Ye s o r N o
Yes >> Perform trouble diagnosis for DTC P0171, P0174 or P0172, P0175. Refer to EC-1044, "DTC
P0171, P0174 FUEL INJECTION SYSTEM FUNCTION" or EC-1055, "DTC P0172, P0175 FUEL
INJECTION SYSTEM FUNCTION" .
No >> GO TO 3.
SEF968Y
PBIB2682E
Page 2584 of 5621
![INFINITI M35 2006 Factory Service Manual DTC P0139, P0159 HO2S2
EC-1041
[VK45DE]
C
D
E
F
G
H
I
J
K
L
MA
EC
Revision: 2006 January2006 M35/M45
3. CHECK HO2S2 GROUND CIRCUIT FOR OPEN AND SHORT
1. Turn ignition switch OFF.
2. Disconnect heated INFINITI M35 2006 Factory Service Manual DTC P0139, P0159 HO2S2
EC-1041
[VK45DE]
C
D
E
F
G
H
I
J
K
L
MA
EC
Revision: 2006 January2006 M35/M45
3. CHECK HO2S2 GROUND CIRCUIT FOR OPEN AND SHORT
1. Turn ignition switch OFF.
2. Disconnect heated](/img/42/57023/w960_57023-2583.png)
DTC P0139, P0159 HO2S2
EC-1041
[VK45DE]
C
D
E
F
G
H
I
J
K
L
MA
EC
Revision: 2006 January2006 M35/M45
3. CHECK HO2S2 GROUND CIRCUIT FOR OPEN AND SHORT
1. Turn ignition switch OFF.
2. Disconnect heated oxygen sensor 2 harness connector.
3. Disconnect ECM harness connector.
4. Check harness continuity between ECM terminal 78 and HO2S2 terminal 4.
Refer to Wiring Diagram.
5. Also check harness for short to ground and short to power.
OK or NG
OK >> GO TO 4.
NG >> Repair open circuit or short to ground or short to power in harness or connectors.
4. CHECK HO2S2 INPUT SIGNAL CIRCUIT FOR OPEN AND SHORT
1. Check harness continuity between ECM terminal and HO2S2 terminal as follows.
Refer to Wiring Diagram.
2. Check harness continuity between the following terminals and ground.
Refer to Wiring Diagram.
3. Also check harness for short to power.
OK or NG
OK >> GO TO 5.
NG >> Repair open circuit or short to ground or short to power in harness or connectors.
1. Air fuel ratio (A/F) sensor 1 (bank 1) 2. Heated oxygen sensor 2 (bank 1) 3. Heated oxygen sensor 2 (bank 1)
harness connector
4. Heated oxygen sensor 2 (bank 2)
harness connector5. Heated oxygen sensor 2 (bank 2) 6. Air fuel ratio (A/F) sensor 1 (bank 2)
Continuity should exist.
PBIB2711E
DTCTe r m i n a l s
Bank
ECM Sensor
P0139 55 1 1
P0159 74 1 2
Continuity should exist.
DTCTe r m i n a l s
Bank
ECM Sensor
P0139 55 1 1
P0159 74 1 2
Continuity should not exist.
Page 2585 of 5621
![INFINITI M35 2006 Factory Service Manual EC-1042
[VK45DE]
DTC P0139, P0159 HO2S2
Revision: 2006 January2006 M35/M45
5. CHECK HEATED OXYGEN SENSOR 2
Refer to EC-1042, "
Component Inspection" .
OK or NG
OK >> GO TO 6.
NG >> Replace mal INFINITI M35 2006 Factory Service Manual EC-1042
[VK45DE]
DTC P0139, P0159 HO2S2
Revision: 2006 January2006 M35/M45
5. CHECK HEATED OXYGEN SENSOR 2
Refer to EC-1042, "
Component Inspection" .
OK or NG
OK >> GO TO 6.
NG >> Replace mal](/img/42/57023/w960_57023-2584.png)
EC-1042
[VK45DE]
DTC P0139, P0159 HO2S2
Revision: 2006 January2006 M35/M45
5. CHECK HEATED OXYGEN SENSOR 2
Refer to EC-1042, "
Component Inspection" .
OK or NG
OK >> GO TO 6.
NG >> Replace malfunctioning heated oxygen sensor 2.
6. CHECK INTERMITTENT INCIDENT
Refer to EC-878, "
TROUBLE DIAGNOSIS FOR INTERMITTENT INCIDENT" .
>>INSPECTION END
Component InspectionNBS005F7
HEATED OXYGEN SENSOR 2
With CONSULT-II
1. Turn ignition switch ON and select “DATA MONITOR” mode with
CONSULT-II.
2. Start engine and warm it up to the normal operating tempera-
ture.
3. Turn ignition switch OFF and wait at least 10 seconds.
4. Start engine and keep the engine speed between 3,500 and
4,000 rpm for at least 1 minute under no load.
5. Let engine idle for 1 minute.
6. Select “FUEL INJECTION” in “ACTIVE TEST” mode, and select
“HO2S2 (B1)/(B2)” as the monitor item with CONSULT-II.
7. Check “HO2S2 (B1)/(B2)” at idle speed when adjusting “FUEL INJECTION” to
25%.
“HO2S2 (B1)/(B2)” should be above 0.78V at least once when the “FUEL INJECTION” is +25%.
“HO2S2 (B1)/(B2)” should be below 0.18V at least once when the “FUEL INJECTION” is
25%.
CAUTION:
Discard any heated oxygen sensor which has been dropped from a height of more than 0.5 m (19.7
in) onto a hard surface such as a concrete floor; use a new one.
SEF174Y
PBIB1672E
PBIB2163E
Page 2586 of 5621
![INFINITI M35 2006 Factory Service Manual DTC P0139, P0159 HO2S2
EC-1043
[VK45DE]
C
D
E
F
G
H
I
J
K
L
MA
EC
Revision: 2006 January2006 M35/M45
Before installing new oxygen sensor, clean exhaust system threads using Oxygen Sensor Thread
Cleane INFINITI M35 2006 Factory Service Manual DTC P0139, P0159 HO2S2
EC-1043
[VK45DE]
C
D
E
F
G
H
I
J
K
L
MA
EC
Revision: 2006 January2006 M35/M45
Before installing new oxygen sensor, clean exhaust system threads using Oxygen Sensor Thread
Cleane](/img/42/57023/w960_57023-2585.png)
DTC P0139, P0159 HO2S2
EC-1043
[VK45DE]
C
D
E
F
G
H
I
J
K
L
MA
EC
Revision: 2006 January2006 M35/M45
Before installing new oxygen sensor, clean exhaust system threads using Oxygen Sensor Thread
Cleaner tool J-43897-18 or J-43897-12 and approved anti-seize lubricant.
Without CONSULT-II
1. Start engine and warm it up to the normal operating temperature.
2. Turn ignition switch OFF and wait at least 10 seconds.
3. Start engine and keep the engine speed between 3,500 and 4,000 rpm for at least 1 minute under no load.
4. Let engine idle for 1 minute.
5. Set voltmeter probes between ECM terminal 55 [HO2S2 (B1) signal] or 74 [HO2S2 (B2) signal] and
ground.
6. Check the voltage when revving up to 4,000 rpm under no load
at least 10 times.
(Depress and release accelerator pedal as soon as possible.)
The voltage should be above 0.78V at least once during this
procedure.
If the voltage is above 0.78V at step 6, step 7 is not neces-
sary.
7. Keep vehicle at idling for 10 minutes, then check voltage. Or
check the voltage when coasting from 80 km/h (50 MPH) in D
position.
The voltage should be below 0.18V at least once during this
procedure.
8. If NG, replace heated oxygen sensor 2.
CAUTION:
Discard any heated oxygen sensor which has been dropped from a height of more than 0.5 m (19.7
in) onto a hard surface such as a concrete floor; use a new one.
Before installing new oxygen sensor, clean exhaust system threads using Oxygen Sensor Thread
Cleaner tool J-43897-18 or J-43897-12 and approved anti-seize lubricant.
Removal and InstallationNBS005F8
HEATED OXYGEN SENSOR 2
Refer to EX-3, "EXHAUST SYSTEM" .
PBIB2054E
Page 2587 of 5621
![INFINITI M35 2006 Factory Service Manual EC-1044
[VK45DE]
DTC P0171, P0174 FUEL INJECTION SYSTEM FUNCTION
Revision: 2006 January2006 M35/M45
DTC P0171, P0174 FUEL INJECTION SYSTEM FUNCTIONPFP:16600
On Board Diagnosis LogicNBS005F9
With the INFINITI M35 2006 Factory Service Manual EC-1044
[VK45DE]
DTC P0171, P0174 FUEL INJECTION SYSTEM FUNCTION
Revision: 2006 January2006 M35/M45
DTC P0171, P0174 FUEL INJECTION SYSTEM FUNCTIONPFP:16600
On Board Diagnosis LogicNBS005F9
With the](/img/42/57023/w960_57023-2586.png)
EC-1044
[VK45DE]
DTC P0171, P0174 FUEL INJECTION SYSTEM FUNCTION
Revision: 2006 January2006 M35/M45
DTC P0171, P0174 FUEL INJECTION SYSTEM FUNCTIONPFP:16600
On Board Diagnosis LogicNBS005F9
With the Air/Fuel Mixture Ratio Self-Learning Control, the actual mixture ratio can be brought closely to the
theoretical mixture ratio based on the mixture ratio feedback signal from the A/F sensors 1. The ECM calcu-
lates the necessary compensation to correct the offset between the actual and the theoretical ratios.
In case the amount of the compensation value is extremely large (The actual mixture ratio is too lean.), the
ECM judges the condition as the fuel injection system malfunction and lights up the MIL (2 trip detection logic).
DTC Confirmation ProcedureNBS005FA
NOTE:
If DTC Confirmation Procedure has been previously conducted, always turn ignition switch OFF and wait at
least 10 seconds before conducting the next test.
WITH CONSULT-II
1. Start engine and warm it up to normal operating temperature.
2. Turn ignition switch OFF and wait at least 10 seconds.
3. Turn ignition switch ON and select “SELF-LEARNING CONT” in “WORK SUPPORT” mode with CON-
SULT-II.
4. Clear the self-learning control coefficient by touching “CLEAR”.
5. Select “DATA MONITOR” mode with CONSULT-II.
6. Start engine again and let it idle for at least 10 minutes.
The 1st trip DTC P0171 or P0174 should be detected at this
stage, if a malfunction exists. If so, go to EC-1050, "
Diagnostic
Procedure" .
NOTE:
If 1st trip DTC is not detected during above procedure, perform-
ing the following procedure is advised.
a. Turn ignition switch OFF and wait at least 10 seconds.
b. Start engine and drive the vehicle under the similar conditions to
(1st trip) Freeze Frame Data for 10 minutes. Refer to the table below.
Hold the accelerator pedal as steady as possible.
The similar conditions to (1st trip) Freeze Frame Data means the vehicle operation that the following con-
ditions should be satisfied at the same time.
Sensor Input signal to ECM ECM function Actuator
A/F sensor 1Density of oxygen in exhaust gas
(Mixture ratio feedback signal)Fuel injection control Fuel injector
DTC No. Trouble diagnosis name DTC detecting condition Possible cause
P0171
0171
(Bank 1)
Fuel injection system too
lean
Fuel injection system does not operate properly.
The amount of mixture ratio compensation is too
large. (The mixture ratio is too lean.)
Intake air leaks
A/F sensor 1
Fuel injector
Exhaust gas leaks
Incorrect fuel pressure
Lack of fuel
Mass air flow sensor
Incorrect PCV hose connection P0174
0174
(Bank 2)
SEF968Y
Engine speed Engine speed in the freeze frame data 400 rpm
Vehicle speed Vehicle speed in the freeze frame data
10 km/h (6 MPH)
Engine coolant temperature
(T) conditionWhen the freeze frame data shows lower than 70
C (158 F),
T should be lower than 70
C (158 F).
When the freeze frame data shows higher than or equal to 70
C (158 F),
T should be higher than or equal to 70
C (158 F).
Page 2588 of 5621
![INFINITI M35 2006 Factory Service Manual DTC P0171, P0174 FUEL INJECTION SYSTEM FUNCTION
EC-1045
[VK45DE]
C
D
E
F
G
H
I
J
K
L
MA
EC
Revision: 2006 January2006 M35/M45
7. If it is difficult to start engine at step 6, the fuel injection system INFINITI M35 2006 Factory Service Manual DTC P0171, P0174 FUEL INJECTION SYSTEM FUNCTION
EC-1045
[VK45DE]
C
D
E
F
G
H
I
J
K
L
MA
EC
Revision: 2006 January2006 M35/M45
7. If it is difficult to start engine at step 6, the fuel injection system](/img/42/57023/w960_57023-2587.png)
DTC P0171, P0174 FUEL INJECTION SYSTEM FUNCTION
EC-1045
[VK45DE]
C
D
E
F
G
H
I
J
K
L
MA
EC
Revision: 2006 January2006 M35/M45
7. If it is difficult to start engine at step 6, the fuel injection system has a malfunction, too.
8. Crank engine while depressing accelerator pedal. If engine starts, go to EC-1050, "
Diagnostic Procedure"
. If engine does not start, check exhaust and intake air leak visually.
WITH GST
1. Start engine and warm it up to normal operating temperature.
2. Turn ignition switch OFF and wait at least 10 seconds.
3. Disconnect mass air flow sensor (1) harness connector.
4. Restart engine and let it idle for at least 5 seconds.
5. Stop engine and reconnect mass air flow sensor harness con-
nector.
6. Select Service $03 with GST. Make sure DTC P0102 is
detected.
7. Select Service $04 with GST and erase the DTC P0102.
8. Start engine again and let it idle for at least 10 minutes.
9. Select Service $07 with GST. The 1st trip DTC P0171 or P0174
should be detected at this stage, if a malfunction exists. If so, go
to EC-1050, "
Diagnostic Procedure" .
NOTE:
If 1st trip DTC is not detected during above procedure, performing the following procedure is advised.
a. Turn ignition switch OFF and wait at least 10 seconds.
b. Start engine and drive the vehicle under the similar conditions to (1st trip) Freeze Frame Data for 10 min-
utes. Refer to the table below.
Hold the accelerator pedal as steady as possible.
The similar conditions to (1st trip) Freeze Frame Data means the vehicle operation that the following con-
ditions should be satisfied at the same time.
10. If it is difficult to start engine at step 8, the fuel injection system has a malfunction.
11. Crank engine while depressing accelerator pedal. If engine starts, go to EC-1050, "
Diagnostic Procedure"
.
If engine does not start, check exhaust and intake air leak visually.
PBIB2682E
Engine speed Engine speed in the freeze frame data 400 rpm
Vehicle speed Vehicle speed in the freeze frame data
10 km/h (6 MPH)
Engine coolant temperature
(T) conditionWhen the freeze frame data shows lower than 70
C (158 F),
T should be lower than 70
C (158 F).
When the freeze frame data shows higher than or equal to 70
C (158 F),
T should be higher than or equal to 70
C (158 F).
Page 2589 of 5621
![INFINITI M35 2006 Factory Service Manual EC-1046
[VK45DE]
DTC P0171, P0174 FUEL INJECTION SYSTEM FUNCTION
Revision: 2006 January2006 M35/M45
Wiring DiagramNBS005FB
BANK 1
TBWT1022E INFINITI M35 2006 Factory Service Manual EC-1046
[VK45DE]
DTC P0171, P0174 FUEL INJECTION SYSTEM FUNCTION
Revision: 2006 January2006 M35/M45
Wiring DiagramNBS005FB
BANK 1
TBWT1022E](/img/42/57023/w960_57023-2588.png)
EC-1046
[VK45DE]
DTC P0171, P0174 FUEL INJECTION SYSTEM FUNCTION
Revision: 2006 January2006 M35/M45
Wiring DiagramNBS005FB
BANK 1
TBWT1022E
Page 2590 of 5621
![INFINITI M35 2006 Factory Service Manual DTC P0171, P0174 FUEL INJECTION SYSTEM FUNCTION
EC-1047
[VK45DE]
C
D
E
F
G
H
I
J
K
L
MA
EC
Revision: 2006 January2006 M35/M45
Specification data are reference values and are measured between each term INFINITI M35 2006 Factory Service Manual DTC P0171, P0174 FUEL INJECTION SYSTEM FUNCTION
EC-1047
[VK45DE]
C
D
E
F
G
H
I
J
K
L
MA
EC
Revision: 2006 January2006 M35/M45
Specification data are reference values and are measured between each term](/img/42/57023/w960_57023-2589.png)
DTC P0171, P0174 FUEL INJECTION SYSTEM FUNCTION
EC-1047
[VK45DE]
C
D
E
F
G
H
I
J
K
L
MA
EC
Revision: 2006 January2006 M35/M45
Specification data are reference values and are measured between each terminal and ground.
Pulse signal is measured by CONSULT-II.
CAUTION:
Do not use ECM ground terminals when measuring input/output voltage. Doing so may result in dam-
age to the ECM's transistor. Use a ground other than ECM terminals, such as the ground.
: Average voltage for pulse signal (Actual pulse signal can be confirmed by oscilloscope.) TER-
MINAL
NO.WIRE
COLORITEM CONDITION DATA (DC Voltage)
2SBA/F sensor 1 heater
(bank 1)[Engine is running]
Warm-up condition
Idle speedApproximately 5V
16 W/L
A/F sensor 1 (bank 1)[Engine is running]
Warm-up condition
Idle speedApproximately 3.1V
35 GR/LApproximately 2.6V
56 LG/BApproximately 2.3V
75 YApproximately 2.3V
21
22
23
44W
R/Y
R/B
OFuel injector No. 5
Fuel injector No. 3
Fuel injector No. 1
Fuel injector No. 7[Engine is running]
Warm-up condition
Idle speed
NOTE:
The pulse cycle changes depending on rpm
at idleBATTERY VOLTAGE
(11 - 14V)
[Engine is running]
Warm-up condition
Engine speed: 2,000 rpmBATTERY VOLTAGE
(11 - 14V)
PBIB1584E
PBIB0042E
PBIB0043E