INFINITI M35 2006 Factory Service Manual
Manufacturer: INFINITI, Model Year: 2006, Model line: M35, Model: INFINITI M35 2006Pages: 5621, PDF Size: 65.56 MB
Page 2541 of 5621
![INFINITI M35 2006 Factory Service Manual EC-998
[VK45DE]
DTC P0133, P0153 A/F SENSOR 1
Revision: 2006 January2006 M35/M45
DTC Confirmation ProcedureNBS005EE
NOTE:
If DTC Confirmation Procedure has been previously conducted, always t INFINITI M35 2006 Factory Service Manual EC-998
[VK45DE]
DTC P0133, P0153 A/F SENSOR 1
Revision: 2006 January2006 M35/M45
DTC Confirmation ProcedureNBS005EE
NOTE:
If DTC Confirmation Procedure has been previously conducted, always t](/img/42/57023/w960_57023-2540.png)
EC-998
[VK45DE]
DTC P0133, P0153 A/F SENSOR 1
Revision: 2006 January2006 M35/M45
DTC Confirmation ProcedureNBS005EE
NOTE:
If DTC Confirmation Procedure has been previously conducted, always turn ignition switch OFF and wait at
least 10 seconds before conducting the next test.
TESTING CONDITION:
Before performing the following procedure, confirm that battery voltage is more than 11V at idle.
WITH CONSULT-II
1. Start engine and warm it up to normal operating temperature.
2. Turn ignition switch OFF and wait at least 10 seconds.
3. Start engine and keep the engine speed between 3,500 and 4,000 rpm for at least 1minute under no load.
4. Let engine idle for 1 minute.
5. Select “A/F SEN1(B1) P1278/P1279” (for DTC P0133) or “A/F SEN1(B1) P1288/P1289” (for DTC P0153)
of “A/F SEN1” in “DTC WORK SUPPORT” mode with CONSULT-II.
6. Touch “START”.
If “COMPLETED” appears on CONSULT-II screen, go to step
10.
If “COMPLETED” does not appear on CONSULT-II screen, go to
the following step.
7. After perform the following procedure, “TESTING” will be dis-
played on the CONSULT-II screen.
a. Increase the engine speed up to 4,000 to 5,000 rpm and keep it
for 10 seconds.
b. Fully release accelerator pedal and then let engine idle for about
10 seconds.
If “TESTING” is not displayed after 10 seconds, refer to EC-
868, "TROUBLE DIAGNOSIS - SPECIFICATION VALUE" .
8. Wait for about 20 seconds at idle at under the condition that
“TESTING” is displayed on the CONSULT-II screen.
9. Make sure that “TESTING” changes to “COMPLETED”.
If “TESTING” changed to “OUT OF CONDITION”, refer to
EC-868, "
TROUBLE DIAGNOSIS - SPECIFICATION VALUE" .
10. Make sure that “OK” is displayed after touching “SELF-DIAG
RESULT”.
If “NG” is displayed, go to EC-1003, "
Diagnostic Procedure" .
WITH GST
1. Start engine and warm it up to normal operating temperature.
2. Select Service $01 with GST.
3. Calculate the total value of “Short term fuel trim” and “Long term fuel trim” indications.
Make sure that the total percentage should be within
15%.
If OK, go to the following step.
If NG, check the following.
PBIB0756E
PBIB1925E
PBIB0758E
Page 2542 of 5621
![INFINITI M35 2006 Factory Service Manual DTC P0133, P0153 A/F SENSOR 1
EC-999
[VK45DE]
C
D
E
F
G
H
I
J
K
L
MA
EC
Revision: 2006 January2006 M35/M45
Intake air leaks
Exhaust gas leaks
Incorrect fuel pressure
Lack of fuel
Fuel injector
Incorre INFINITI M35 2006 Factory Service Manual DTC P0133, P0153 A/F SENSOR 1
EC-999
[VK45DE]
C
D
E
F
G
H
I
J
K
L
MA
EC
Revision: 2006 January2006 M35/M45
Intake air leaks
Exhaust gas leaks
Incorrect fuel pressure
Lack of fuel
Fuel injector
Incorre](/img/42/57023/w960_57023-2541.png)
DTC P0133, P0153 A/F SENSOR 1
EC-999
[VK45DE]
C
D
E
F
G
H
I
J
K
L
MA
EC
Revision: 2006 January2006 M35/M45
Intake air leaks
Exhaust gas leaks
Incorrect fuel pressure
Lack of fuel
Fuel injector
Incorrect PCV hose connection
PCV valve
Mass air flow sensor
4. Turn ignition switch OFF and wait at least 10 seconds.
5. Start engine and keep the engine speed between 3,500 and 4,000 rpm for at least 1minute under no load.
6. Let engine idle for 1 minute.
7. Increase the engine speed up to 4,000 to 5,000 rpm and keep it for 10 seconds.
8. Fully release accelerator pedal and then let engine idle for about 1 minute.
9. Select Service $07 with GST.
If the 1st trip DTC is displayed, go to EC-1003, "
Diagnostic Procedure" .
Page 2543 of 5621
![INFINITI M35 2006 Factory Service Manual EC-1000
[VK45DE]
DTC P0133, P0153 A/F SENSOR 1
Revision: 2006 January2006 M35/M45
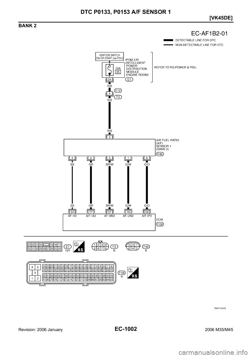
Wiring DiagramNBS005EF
BANK 1
TBWT1046E INFINITI M35 2006 Factory Service Manual EC-1000
[VK45DE]
DTC P0133, P0153 A/F SENSOR 1
Revision: 2006 January2006 M35/M45
Wiring DiagramNBS005EF
BANK 1
TBWT1046E](/img/42/57023/w960_57023-2542.png)
EC-1000
[VK45DE]
DTC P0133, P0153 A/F SENSOR 1
Revision: 2006 January2006 M35/M45
Wiring DiagramNBS005EF
BANK 1
TBWT1046E
Page 2544 of 5621
![INFINITI M35 2006 Factory Service Manual DTC P0133, P0153 A/F SENSOR 1
EC-1001
[VK45DE]
C
D
E
F
G
H
I
J
K
L
MA
EC
Revision: 2006 January2006 M35/M45
Specification data are reference values and are measured between each terminal and ground.
P INFINITI M35 2006 Factory Service Manual DTC P0133, P0153 A/F SENSOR 1
EC-1001
[VK45DE]
C
D
E
F
G
H
I
J
K
L
MA
EC
Revision: 2006 January2006 M35/M45
Specification data are reference values and are measured between each terminal and ground.
P](/img/42/57023/w960_57023-2543.png)
DTC P0133, P0153 A/F SENSOR 1
EC-1001
[VK45DE]
C
D
E
F
G
H
I
J
K
L
MA
EC
Revision: 2006 January2006 M35/M45
Specification data are reference values and are measured between each terminal and ground.
Pulse signal is measured by CONSULT-II.
CAUTION:
Do not use ECM ground terminals when measuring input/output voltage. Doing so may result in dam-
age to the ECM's transistor. Use a ground other than ECM terminals, such as the ground.
: Average voltage for pulse signal (Actual pulse signal can be confirmed by oscilloscope.) TER-
MINAL
NO.WIRE
COLORITEM CONDITION DATA (DC Voltage)
2SBA/F sensor 1 heater
(bank 1)[Engine is running]
Warm-up condition
Idle speedApproximately 5V
16 W/L
A/F sensor 1 (bank 1)[Engine is running]
Warm-up condition
Idle speedApproximately 3.1V
35 GR/LApproximately 2.6V
56 LG/BApproximately 2.3V
75 YApproximately 2.3V
PBIB1584E
Page 2545 of 5621
![INFINITI M35 2006 Factory Service Manual EC-1002
[VK45DE]
DTC P0133, P0153 A/F SENSOR 1
Revision: 2006 January2006 M35/M45
BANK 2
TBWT1047E INFINITI M35 2006 Factory Service Manual EC-1002
[VK45DE]
DTC P0133, P0153 A/F SENSOR 1
Revision: 2006 January2006 M35/M45
BANK 2
TBWT1047E](/img/42/57023/w960_57023-2544.png)
EC-1002
[VK45DE]
DTC P0133, P0153 A/F SENSOR 1
Revision: 2006 January2006 M35/M45
BANK 2
TBWT1047E
Page 2546 of 5621
![INFINITI M35 2006 Factory Service Manual DTC P0133, P0153 A/F SENSOR 1
EC-1003
[VK45DE]
C
D
E
F
G
H
I
J
K
L
MA
EC
Revision: 2006 January2006 M35/M45
Specification data are reference values and are measured between each terminal and ground.
P INFINITI M35 2006 Factory Service Manual DTC P0133, P0153 A/F SENSOR 1
EC-1003
[VK45DE]
C
D
E
F
G
H
I
J
K
L
MA
EC
Revision: 2006 January2006 M35/M45
Specification data are reference values and are measured between each terminal and ground.
P](/img/42/57023/w960_57023-2545.png)
DTC P0133, P0153 A/F SENSOR 1
EC-1003
[VK45DE]
C
D
E
F
G
H
I
J
K
L
MA
EC
Revision: 2006 January2006 M35/M45
Specification data are reference values and are measured between each terminal and ground.
Pulse signal is measured by CONSULT-II.
CAUTION:
Do not use ECM ground terminals when measuring input/output voltage. Doing so may result in dam-
age to the ECM's transistor. Use a ground other than ECM terminals, such as the ground.
: Average voltage for pulse signal (Actual pulse signal can be confirmed by oscilloscope.)
Diagnostic ProcedureNBS005EG
1. CHECK GROUND CONNECTIONS
1. Turn ignition switch OFF.
2. Loosen and retighten two ground screws on the body.
Refer to EC-885, "
Ground Inspection" .
OK or NG
OK >> GO TO 2.
NG >> Repair or replace ground connections.
TER-
MINAL
NO.WIRE
COLORITEM CONDITION DATA (DC Voltage)
24 SBA/F sensor 1 heater
(bank 2)[Engine is running]
Warm-up condition
Idle speedApproximately 5V
57 BR/W
A/F sensor 1 (bank 2)[Engine is running]
Warm-up condition
Idle speedApproximately 2.6V
58 G/OApproximately 2.3V
76 G/WApproximately 3.1V
77 GRApproximately 2.3V
PBIB1584E
1. Body ground M70 2. Body ground M16
PBIB2782E
Page 2547 of 5621
![INFINITI M35 2006 Factory Service Manual EC-1004
[VK45DE]
DTC P0133, P0153 A/F SENSOR 1
Revision: 2006 January2006 M35/M45
2. RETIGHTEN AIR FUEL RATIO (A/F) SENSOR 1
1. Loosen and retighten the air fuel ratio (A/F) sensor 1.
>> GO TO 3.
3. C INFINITI M35 2006 Factory Service Manual EC-1004
[VK45DE]
DTC P0133, P0153 A/F SENSOR 1
Revision: 2006 January2006 M35/M45
2. RETIGHTEN AIR FUEL RATIO (A/F) SENSOR 1
1. Loosen and retighten the air fuel ratio (A/F) sensor 1.
>> GO TO 3.
3. C](/img/42/57023/w960_57023-2546.png)
EC-1004
[VK45DE]
DTC P0133, P0153 A/F SENSOR 1
Revision: 2006 January2006 M35/M45
2. RETIGHTEN AIR FUEL RATIO (A/F) SENSOR 1
1. Loosen and retighten the air fuel ratio (A/F) sensor 1.
>> GO TO 3.
3. CHECK EXHAUST GAS LEAK
1. Start engine and run it at idle.
2. Listen for an exhaust gas leak before three way catalyst (manifold).
OK or NG
OK >> GO TO 4.
NG >> Repair or replace.
4. CHECK FOR INTAKE AIR LEAK
Listen for an intake air leak after the mass air flow sensor.
OK or NG
OK >> GO TO 5.
NG >> Repair or replace.
1. A/F sensor 1 (bank 1) 2. Heated oxygen sensor 2 (bank 1) 3. Heated oxygen sensor 2 (bank 1)
harness connector
4. Heated oxygen sensor 2 (bank 2)
harness connector5. Heated oxygen sensor 2 (bank 2) 6. A/F sensor 1 (bank 2)
Tightening torque: 50 N-m (5.1 kg-m, 37 ft-lb)
PBIB2711E
PBIB1216E
Page 2548 of 5621
![INFINITI M35 2006 Factory Service Manual DTC P0133, P0153 A/F SENSOR 1
EC-1005
[VK45DE]
C
D
E
F
G
H
I
J
K
L
MA
EC
Revision: 2006 January2006 M35/M45
5. CLEAR THE SELF-LEARNING DATA
With CONSULT-II
1. Start engine and warm it up to normal op INFINITI M35 2006 Factory Service Manual DTC P0133, P0153 A/F SENSOR 1
EC-1005
[VK45DE]
C
D
E
F
G
H
I
J
K
L
MA
EC
Revision: 2006 January2006 M35/M45
5. CLEAR THE SELF-LEARNING DATA
With CONSULT-II
1. Start engine and warm it up to normal op](/img/42/57023/w960_57023-2547.png)
DTC P0133, P0153 A/F SENSOR 1
EC-1005
[VK45DE]
C
D
E
F
G
H
I
J
K
L
MA
EC
Revision: 2006 January2006 M35/M45
5. CLEAR THE SELF-LEARNING DATA
With CONSULT-II
1. Start engine and warm it up to normal operating temperature.
2. Select “SELF-LEARNING CONT” in “WORK SUPPORT” mode with CONSULT- I I .
3. Clear the self-learning control coefficient by touching “CLEAR”
or “START”.
4. Run engine for at least 10 minutes at idle speed.
Is the 1st trip DTC P0171, P172, P0174 or P0175 detected?
Is it difficult to start engine?
Without CONSULT-II
1. Start engine and warm it up to normal operating temperature.
2. Turn ignition switch OFF.
3. Disconnect mass air flow sensor (1) harness connector.
4. Restart engine and let it idle for at least 5 seconds.
5. Stop engine and reconnect mass air flow sensor harness con-
nector.
6. Make sure DTC P0102 is displayed.
7. Erase the DTC memory. Refer to EC-778, "
HOW TO ERASE
EMISSION-RELATED DIAGNOSTIC INFORMATION" .
8. Make sure DTC P0000 is displayed.
9. Run engine for at least 10 minutes at idle speed.
Is the 1st trip DTC P0171, P0172, P0174 or P0175 detected?
Is it difficult to start engine?
Ye s o r N o
Yes >> Perform trouble diagnosis for DTC P0171, P0174 or P0172, P0175. Refer to EC-1044, "DTC
P0171, P0174 FUEL INJECTION SYSTEM FUNCTION" or EC-1055, "DTC P0172, P0175 FUEL
INJECTION SYSTEM FUNCTION" .
No >> GO TO 6.
SEF968Y
PBIB2682E
Page 2549 of 5621
![INFINITI M35 2006 Factory Service Manual EC-1006
[VK45DE]
DTC P0133, P0153 A/F SENSOR 1
Revision: 2006 January2006 M35/M45
6. CHECK A/F SENSOR 1 POWER SUPPLY CIRCUIT
1. Disconnect A/F sensor 1 harness connector.
2. Turn ignition switch ON.
3 INFINITI M35 2006 Factory Service Manual EC-1006
[VK45DE]
DTC P0133, P0153 A/F SENSOR 1
Revision: 2006 January2006 M35/M45
6. CHECK A/F SENSOR 1 POWER SUPPLY CIRCUIT
1. Disconnect A/F sensor 1 harness connector.
2. Turn ignition switch ON.
3](/img/42/57023/w960_57023-2548.png)
EC-1006
[VK45DE]
DTC P0133, P0153 A/F SENSOR 1
Revision: 2006 January2006 M35/M45
6. CHECK A/F SENSOR 1 POWER SUPPLY CIRCUIT
1. Disconnect A/F sensor 1 harness connector.
2. Turn ignition switch ON.
3. Check voltage between A/F sensor 1 terminal 3 and ground with
CONSULT-II or tester.
OK or NG
OK >> GO TO 8.
NG >> GO TO 7.
7. DETECT MALFUNCTIONING PART
Check the following.
Harness connectors E12, F3
IPDM E/R harness connector E7
15A fuse
Harness for open or short between A/F sensor 1 and fuse
>> Repair or replace harness or connectors.
: Vehicle front 1. A/F sensor 1 (bank 2) harness con-
nector2. A/F sensor 1 (bank 1) harness con-
nector
Voltage: Battery voltage
PBIB2715E
PBIB1683E
Page 2550 of 5621
![INFINITI M35 2006 Factory Service Manual DTC P0133, P0153 A/F SENSOR 1
EC-1007
[VK45DE]
C
D
E
F
G
H
I
J
K
L
MA
EC
Revision: 2006 January2006 M35/M45
8. CHECK A/F SENSOR 1 INPUT SIGNAL CIRCUIT FOR OPEN AND SHORT
1. Turn ignition switch OFF.
2 INFINITI M35 2006 Factory Service Manual DTC P0133, P0153 A/F SENSOR 1
EC-1007
[VK45DE]
C
D
E
F
G
H
I
J
K
L
MA
EC
Revision: 2006 January2006 M35/M45
8. CHECK A/F SENSOR 1 INPUT SIGNAL CIRCUIT FOR OPEN AND SHORT
1. Turn ignition switch OFF.
2](/img/42/57023/w960_57023-2549.png)
DTC P0133, P0153 A/F SENSOR 1
EC-1007
[VK45DE]
C
D
E
F
G
H
I
J
K
L
MA
EC
Revision: 2006 January2006 M35/M45
8. CHECK A/F SENSOR 1 INPUT SIGNAL CIRCUIT FOR OPEN AND SHORT
1. Turn ignition switch OFF.
2. Disconnect ECM harness connector.
3. Check harness continuity between A/F sensor 1 terminal and ECM terminal as follows.
Refer to Wiring Diagram.
4. Check harness continuity between the following terminals and ground.
Refer to Wiring Diagram.
5. Also check harness for short to power.
OK or NG
OK >> GO TO 9.
NG >> Repair open circuit or short to ground or short to power in harness or connectors.
9. CHECK AIR FUEL RATIO (A/F) SENSOR 1 HEATER
Refer to EC-910, "
Component Inspection" .
OK or NG
OK >> GO TO 10.
NG >> GO TO 13.
10. CHECK MASS AIR FLOW SENSOR
Refer to EC-934, "
Component Inspection" .
OK or NG
OK >> GO TO 11.
NG >> Replace mass air flow sensor.
A/F sensor 1 terminal ECM terminal
Bank1116
275
535
656
Bank 2176
277
557
658
Continuity should exist.
Bank 1 Bank 2
A/F sensor 1 terminal ECM terminal A/F sensor 1 terminal ECM terminal
116176
275277
535557
656658
Continuity should not exist.