INFINITI M35 2006 Factory Service Manual
Manufacturer: INFINITI, Model Year: 2006, Model line: M35, Model: INFINITI M35 2006Pages: 5621, PDF Size: 65.56 MB
Page 2551 of 5621
![INFINITI M35 2006 Factory Service Manual EC-1008
[VK45DE]
DTC P0133, P0153 A/F SENSOR 1
Revision: 2006 January2006 M35/M45
11 . CHECK PCV VALVE
Refer to EC-761, "
Component Inspection" .
OK or NG
OK >> GO TO 12.
NG >> Repair or repl INFINITI M35 2006 Factory Service Manual EC-1008
[VK45DE]
DTC P0133, P0153 A/F SENSOR 1
Revision: 2006 January2006 M35/M45
11 . CHECK PCV VALVE
Refer to EC-761, "
Component Inspection" .
OK or NG
OK >> GO TO 12.
NG >> Repair or repl](/img/42/57023/w960_57023-2550.png)
EC-1008
[VK45DE]
DTC P0133, P0153 A/F SENSOR 1
Revision: 2006 January2006 M35/M45
11 . CHECK PCV VALVE
Refer to EC-761, "
Component Inspection" .
OK or NG
OK >> GO TO 12.
NG >> Repair or replace PCV valve.
12. CHECK INTERMITTENT INCIDENT
Perform EC-878, "
TROUBLE DIAGNOSIS FOR INTERMITTENT INCIDENT" .
OK or NG
OK >> GO TO 13.
NG >> Repair or replace.
13. REPLACE AIR FUEL RATIO (A/F) SENSOR 1
Replace air fuel ratio (A/F) sensor 1.
CAUTION:
Discard any A/F sensor which has been dropped from a height of more than 0.5 m (19.7 in) onto a
hard surface such as a concrete floor; use a new one.
Before installing new A/F sensor, clean exhaust system threads using Oxygen Sensor Thread
Cleaner tool J-43897-18 or J-43897-12 and approved anti-seize lubricant.
>>INSPECTION END
Removal and InstallationNBS005EH
AIR FUEL RATIO (A/F) SENSOR 1
Refer to EM-183, "EXHAUST MANIFOLD AND THREE WAY CATALYST" .
Page 2552 of 5621
![INFINITI M35 2006 Factory Service Manual DTC P0137, P0157 HO2S2
EC-1009
[VK45DE]
C
D
E
F
G
H
I
J
K
L
MA
EC
Revision: 2006 January2006 M35/M45
DTC P0137, P0157 HO2S2PFP:226A0
Component DescriptionNBS005EI
The heated oxygen sensor 2, afte INFINITI M35 2006 Factory Service Manual DTC P0137, P0157 HO2S2
EC-1009
[VK45DE]
C
D
E
F
G
H
I
J
K
L
MA
EC
Revision: 2006 January2006 M35/M45
DTC P0137, P0157 HO2S2PFP:226A0
Component DescriptionNBS005EI
The heated oxygen sensor 2, afte](/img/42/57023/w960_57023-2551.png)
DTC P0137, P0157 HO2S2
EC-1009
[VK45DE]
C
D
E
F
G
H
I
J
K
L
MA
EC
Revision: 2006 January2006 M35/M45
DTC P0137, P0157 HO2S2PFP:226A0
Component DescriptionNBS005EI
The heated oxygen sensor 2, after three way catalyst (manifold),
monitors the oxygen level in the exhaust gas on each bank.
Even if switching characteristics of the air fuel ratio (A/F) sensor 1
are shifted, the air-fuel ratio is controlled to stoichiometric, by the sig-
nal from the heated oxygen sensor 2.
This sensor is made of ceramic zirconia. The zirconia generates volt-
age from approximately 1V in richer conditions to 0V in leaner condi-
tions.
Under normal conditions the heated oxygen sensor 2 is not used for
engine control operation.
CONSULT-II Reference Value in Data Monitor ModeNBS005EJ
Specification data are reference values.
On Board Diagnosis LogicNBS005EK
The heated oxygen sensor 2 has a much longer switching time
between rich and lean than the air fuel ratio (A/F) sensor 1. The oxy-
gen storage capacity of the three way catalyst (manifold) causes the
longer switching time. To judge the malfunctions of heated oxygen
sensor 2, ECM monitors whether the maximum voltage of the sensor
is sufficiently high during the various driving condition such as fuel-
cut.
SEF327R
MONITOR ITEM CONDITION SPECIFICATION
HO2S2 (B1)
HO2S2 (B2)
Engine: After warming up
After keeping engine speed
between 3,500 and 4,000 rpm for
1 minute and at idle for 1 minute
under no loadRevving engine from idle up to 3,000 rpm
quickly.0 - 0.3V
Approx. 0.6 -
1.0V
HO2S2 MNTR (B1)
HO2S2 MNTR (B2)LEAN
RICH
PBIB2030E
DTC No. Trouble diagnosis name DTC detecting condition Possible cause
P0137
0137
(Bank 1)
Heated oxygen sensor
2 circuit low voltageThe maximum voltage from the sensor is not
reached to the specified voltage.
Harness or connectors
(The sensor circuit is open or shorted)
Heated oxygen sensor 2
Fuel pressure
Fuel injector
Intake air leaks P0157
0157
(Bank 2)
Page 2553 of 5621
![INFINITI M35 2006 Factory Service Manual EC-1010
[VK45DE]
DTC P0137, P0157 HO2S2
Revision: 2006 January2006 M35/M45
DTC Confirmation ProcedureNBS005EL
NOTE:
If DTC confirmation Procedure has been previously conducted, always turn i INFINITI M35 2006 Factory Service Manual EC-1010
[VK45DE]
DTC P0137, P0157 HO2S2
Revision: 2006 January2006 M35/M45
DTC Confirmation ProcedureNBS005EL
NOTE:
If DTC confirmation Procedure has been previously conducted, always turn i](/img/42/57023/w960_57023-2552.png)
EC-1010
[VK45DE]
DTC P0137, P0157 HO2S2
Revision: 2006 January2006 M35/M45
DTC Confirmation ProcedureNBS005EL
NOTE:
If DTC confirmation Procedure has been previously conducted, always turn ignition switch OFF and wait at
least 10 seconds before conducting the next test.
WITH CONSULT-II
TESTING CONDITION:
For better results, perform “DTC WORK SUPPORT” at a temperature of 0 to 30
C (32 to 86 F).
1. Turn ignition switch ON and select “DATA MONITOR” mode with
CONSULT-II.
2. Start engine and warm it up to the normal operating tempera-
ture.
3. Turn ignition switch OFF and wait at least 10 seconds.
4. Start engine and keep the engine speed between 3,500 and
4,000 rpm for at least 1 minute under no load.
5. Let engine idle for 1 minute.
6. Make sure that “COOLAN TEMP/S” indicates more than 70
C
(158
F).
If not, warm up engine and go to next step when “COOLAN
TEMP/S” indication reaches to 70
C (158F).
7. Open engine hood.
8. Select “HO2S2 (B1) P1147” (for DTC P0137) or “HO2S2 (B2) P1167” (for DTC P0157) of “HO2S2” in
“DTC WORK SUPPORT” mode with CONSULT-II.
9. Start engine and following the instruction of CONSULT-II.
NOTE:
It will take at most 10 minutes until “COMPLETED” is displayed.
10. Make sure that “OK” is displayed after touching “SELF-DIAG RESULTS”.
If “NG” is displayed, refer to EC-1015, "
Diagnostic Procedure" .
If “CAN NOT BE DIAGNOSED” is displayed, perform the following.
a. Turn ignition switch OFF and leave the vehicle in a cool place (soak the vehicle).
b. Return to step 1.
Overall Function CheckNBS005EM
Use this procedure to check the overall function of the heated oxygen sensor 2 circuit. During this check, a 1st
trip DTC might not be confirmed.
WITH GST
1. Start engine and warm it up to the normal operating temperature.
2. Turn ignition switch OFF and wait at least 10 seconds.
3. Start engine and keep the engine speed between 3,500 and 4,000 rpm for at least 1 minute under no load.
4. Let engine idle for 1 minute.
5. Set voltmeter probes between ECM terminal 55 [HO2S2 (B1) signal] or 74 [HO2S2 (B2) signal] and
ground.
SEF174Y
PBIB2373E
Page 2554 of 5621
![INFINITI M35 2006 Factory Service Manual DTC P0137, P0157 HO2S2
EC-1011
[VK45DE]
C
D
E
F
G
H
I
J
K
L
MA
EC
Revision: 2006 January2006 M35/M45
6. Check the voltage when revving up to 4,000 rpm under no load
at least 10 times.
(Depress and rel INFINITI M35 2006 Factory Service Manual DTC P0137, P0157 HO2S2
EC-1011
[VK45DE]
C
D
E
F
G
H
I
J
K
L
MA
EC
Revision: 2006 January2006 M35/M45
6. Check the voltage when revving up to 4,000 rpm under no load
at least 10 times.
(Depress and rel](/img/42/57023/w960_57023-2553.png)
DTC P0137, P0157 HO2S2
EC-1011
[VK45DE]
C
D
E
F
G
H
I
J
K
L
MA
EC
Revision: 2006 January2006 M35/M45
6. Check the voltage when revving up to 4,000 rpm under no load
at least 10 times.
(Depress and release accelerator pedal as soon as possible.)
The voltage should be above 0.78V at least once during this
procedure.
If the voltage can be confirmed in step 6, step 7 is not nec-
essary.
7. Keep vehicle at idling for 10 minutes, then check the voltage. Or
check the voltage when coasting from 80 km/h (50 MPH) in D
position.
The voltage should be above 0.78V at least once during this
procedure.
8. If NG, go to EC-1015, "
Diagnostic Procedure" .
PBIB2054E
Page 2555 of 5621
![INFINITI M35 2006 Factory Service Manual EC-1012
[VK45DE]
DTC P0137, P0157 HO2S2
Revision: 2006 January2006 M35/M45
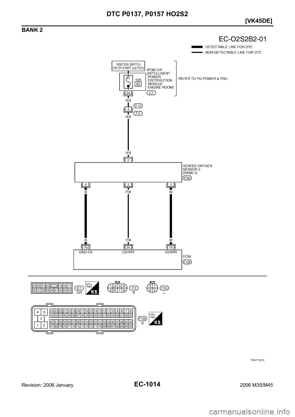
Wiring DiagramNBS005EN
BANK 1
TBWT1020E INFINITI M35 2006 Factory Service Manual EC-1012
[VK45DE]
DTC P0137, P0157 HO2S2
Revision: 2006 January2006 M35/M45
Wiring DiagramNBS005EN
BANK 1
TBWT1020E](/img/42/57023/w960_57023-2554.png)
EC-1012
[VK45DE]
DTC P0137, P0157 HO2S2
Revision: 2006 January2006 M35/M45
Wiring DiagramNBS005EN
BANK 1
TBWT1020E
Page 2556 of 5621
![INFINITI M35 2006 Factory Service Manual DTC P0137, P0157 HO2S2
EC-1013
[VK45DE]
C
D
E
F
G
H
I
J
K
L
MA
EC
Revision: 2006 January2006 M35/M45
Specification data are reference values and are measured between each terminal and ground.
CAUTION: INFINITI M35 2006 Factory Service Manual DTC P0137, P0157 HO2S2
EC-1013
[VK45DE]
C
D
E
F
G
H
I
J
K
L
MA
EC
Revision: 2006 January2006 M35/M45
Specification data are reference values and are measured between each terminal and ground.
CAUTION:](/img/42/57023/w960_57023-2555.png)
DTC P0137, P0157 HO2S2
EC-1013
[VK45DE]
C
D
E
F
G
H
I
J
K
L
MA
EC
Revision: 2006 January2006 M35/M45
Specification data are reference values and are measured between each terminal and ground.
CAUTION:
Do not use ECM ground terminals when measuring input/output voltage. Doing so may result in dam-
age to the ECM's transistor. Use a ground other than ECM terminals, such as the ground.
TER-
MINAL
NO.WIRE
COLORITEM CONDITION DATA (DC Voltage)
6R/LHeated oxygen sensor 2
heater (bank 1)[Engine is running]
Engine speed: Below 3,600 rpm after the
following conditions are met
–Engine: after warming up
–Keeping the engine speed between 3,500
and 4,000 rpm for 1 minute and at idle for 1
minute under no load0 - 1.0V
[Ignition switch: ON]
Engine stopped
[Engine is running]
Engine speed: Above 3,600 rpmBATTERY VOLTAGE
(11 - 14V)
55 L/RHeated oxygen sensor 2
(bank 1)[Engine is running]
Warm-up condition
Revving engine from idle to 3,000 rpm
quickly after the following conditions are met
–After keeping the engine speed between
3,500 and 4,000 rpm for 1 minute and at idle
for 1 minute under no load0 - Approximately 1.0V
78 BSensor ground
(Heated oxygen sensor 2)[Engine is running]
Warm-up condition
Idle speedApproximately 0V
Page 2557 of 5621
![INFINITI M35 2006 Factory Service Manual EC-1014
[VK45DE]
DTC P0137, P0157 HO2S2
Revision: 2006 January2006 M35/M45
BANK 2
TBWT1021E INFINITI M35 2006 Factory Service Manual EC-1014
[VK45DE]
DTC P0137, P0157 HO2S2
Revision: 2006 January2006 M35/M45
BANK 2
TBWT1021E](/img/42/57023/w960_57023-2556.png)
EC-1014
[VK45DE]
DTC P0137, P0157 HO2S2
Revision: 2006 January2006 M35/M45
BANK 2
TBWT1021E
Page 2558 of 5621
![INFINITI M35 2006 Factory Service Manual DTC P0137, P0157 HO2S2
EC-1015
[VK45DE]
C
D
E
F
G
H
I
J
K
L
MA
EC
Revision: 2006 January2006 M35/M45
Specification data are reference values and are measured between each terminal and ground.
CAUTION: INFINITI M35 2006 Factory Service Manual DTC P0137, P0157 HO2S2
EC-1015
[VK45DE]
C
D
E
F
G
H
I
J
K
L
MA
EC
Revision: 2006 January2006 M35/M45
Specification data are reference values and are measured between each terminal and ground.
CAUTION:](/img/42/57023/w960_57023-2557.png)
DTC P0137, P0157 HO2S2
EC-1015
[VK45DE]
C
D
E
F
G
H
I
J
K
L
MA
EC
Revision: 2006 January2006 M35/M45
Specification data are reference values and are measured between each terminal and ground.
CAUTION:
Do not use ECM ground terminals when measuring input/output voltage. Doing so may result in dam-
age to the ECM's transistor. Use a ground other than ECM terminals, such as the ground.
Diagnostic ProcedureNBS005EO
1. CHECK GROUND CONNECTIONS
1. Turn ignition switch OFF.
2. Loosen and retighten two ground screws on the body.
Refer to EC-885, "
Ground Inspection" .
OK or NG
OK >> GO TO 2.
NG >> Repair or replace ground connections.
TER-
MINAL
NO.WIRE
COLORITEM CONDITION DATA (DC Voltage)
25 P/BHeated oxygen sensor 2
heater (bank 2)[Engine is running]
Engine speed: Below 3,600 rpm after the
following conditions are met
–Engine: after warming up
–Keeping the engine speed between 3,500
and 4,000 rpm for 1 minute and at idle for 1
minute under no load0 - 1.0V
[Ignition switch: ON]
Engine stopped
[Engine is running]
Engine speed: Above 3,600 rpmBATTERY VOLTAGE
(11 - 14V)
74 WHeated oxygen sensor 2
(bank 2)[Engine is running]
Warm-up condition
Revving engine from idle to 3,000 rpm
quickly after the following conditions are met
–After keeping the engine speed between
3,500 and 4,000 rpm for 1 minute and at idle
for 1 minute under no load0 - Approximately 1.0V
78 BSensor ground
(Heated oxygen sensor 2)[Engine is running]
Warm-up condition
Idle speedApproximately 0V
1. Body ground M70 2. Body ground M16
PBIB2782E
Page 2559 of 5621
![INFINITI M35 2006 Factory Service Manual EC-1016
[VK45DE]
DTC P0137, P0157 HO2S2
Revision: 2006 January2006 M35/M45
2. CLEAR THE SELF-LEARNING DATA
With CONSULT-II
1. Start engine and warm it up to normal operating temperature.
2. Select INFINITI M35 2006 Factory Service Manual EC-1016
[VK45DE]
DTC P0137, P0157 HO2S2
Revision: 2006 January2006 M35/M45
2. CLEAR THE SELF-LEARNING DATA
With CONSULT-II
1. Start engine and warm it up to normal operating temperature.
2. Select](/img/42/57023/w960_57023-2558.png)
EC-1016
[VK45DE]
DTC P0137, P0157 HO2S2
Revision: 2006 January2006 M35/M45
2. CLEAR THE SELF-LEARNING DATA
With CONSULT-II
1. Start engine and warm it up to normal operating temperature.
2. Select “SELF-LEARNING CONT” in “WORK SUPPORT” mode
with CONSULT-II.
3. Clear the self-learning control coefficient by touching “CLEAR”.
4. Run engine for at least 10 minutes at idle speed.
Is the 1st trip DTC P0171 or P0174 detected?
Is it difficult to start engine?
Without CONSULT-II
1. Start engine and warm it up to normal operating temperature.
2. Turn ignition switch OFF.
3. Disconnect mass air flow sensor (1) harness connector, and
restart and run engine for at least 5 seconds at idle speed.
4. Stop engine and reconnect mass air flow sensor harness con-
nector.
5. Make sure DTC P0102 is displayed.
6. Erase the DTC memory. Refer to EC-778, "
HOW TO ERASE
EMISSION-RELATED DIAGNOSTIC INFORMATION" .
7. Make sure DTC P0000 is displayed.
8. Run engine for at least 10 minutes at idle speed.
Is the 1st trip DTC P0171 or P0174 detected?
Is it difficult to start engine?
Ye s o r N o
Yes >> Perform trouble diagnosis for DTC P0171 or P0174. Refer to EC-1044, "DTC P0171, P0174
FUEL INJECTION SYSTEM FUNCTION" .
No >> GO TO 3.
SEF968Y
PBIB2682E
Page 2560 of 5621
![INFINITI M35 2006 Factory Service Manual DTC P0137, P0157 HO2S2
EC-1017
[VK45DE]
C
D
E
F
G
H
I
J
K
L
MA
EC
Revision: 2006 January2006 M35/M45
3. CHECK HO2S2 GROUND CIRCUIT FOR OPEN AND SHORT
1. Turn ignition switch OFF.
2. Disconnect heated INFINITI M35 2006 Factory Service Manual DTC P0137, P0157 HO2S2
EC-1017
[VK45DE]
C
D
E
F
G
H
I
J
K
L
MA
EC
Revision: 2006 January2006 M35/M45
3. CHECK HO2S2 GROUND CIRCUIT FOR OPEN AND SHORT
1. Turn ignition switch OFF.
2. Disconnect heated](/img/42/57023/w960_57023-2559.png)
DTC P0137, P0157 HO2S2
EC-1017
[VK45DE]
C
D
E
F
G
H
I
J
K
L
MA
EC
Revision: 2006 January2006 M35/M45
3. CHECK HO2S2 GROUND CIRCUIT FOR OPEN AND SHORT
1. Turn ignition switch OFF.
2. Disconnect heated oxygen sensor 2 harness connector.
3. Disconnect ECM harness connector.
4. Check harness continuity between ECM terminal 78 and HO2S2 terminal 4.
Refer to Wiring Diagram.
5. Also check harness for short to ground and short to power.
OK or NG
OK >> GO TO 4.
NG >> Repair open circuit or short to ground or short to power in harness or connectors.
4. CHECK HO2S2 INPUT SIGNAL CIRCUIT FOR OPEN AND SHORT
1. Check harness continuity between ECM terminal and HO2S2 terminal as follows.
Refer to Wiring Diagram.
2. Check harness continuity between the following terminals and ground.
Refer to Wiring Diagram.
3. Also check harness for short to power.
OK or NG
OK >> GO TO 5.
NG >> Repair open circuit or short to ground or short to power in harness or connectors.
1. Air fuel ratio (A/F) sensor 1 (bank 1) 2. Heated oxygen sensor 2 (bank 1) 3. Heated oxygen sensor 2 (bank 1)
harness connector
4. Heated oxygen sensor 2 (bank 2)
harness connector5. Heated oxygen sensor 2 (bank 2) 6. Air fuel ratio (A/F) sensor 1 (bank 2)
Continuity should exist.
PBIB2711E
DTCTe r m i n a l s
Bank
ECM Sensor
P0137 55 1 1
P0157 74 1 2
Continuity should exist.
DTCTe r m i n a l s
Bank
ECM Sensor
P0137 55 1 1
P0157 74 1 2
Continuity should not exist.