INFINITI M35 2006 Factory Service Manual
Manufacturer: INFINITI, Model Year: 2006, Model line: M35, Model: INFINITI M35 2006Pages: 5621, PDF Size: 65.56 MB
Page 4271 of 5621
![INFINITI M35 2006 Factory Service Manual LAN-602
[CAN]
CAN SYSTEM (TYPE 12)
Revision: 2006 January2006 M35/M45
8. CHECK HARNESS FOR SHORT CIRCUIT
1. Disconnect following connectors.
–Low tire pressure warning control unit connector
–Stee INFINITI M35 2006 Factory Service Manual LAN-602
[CAN]
CAN SYSTEM (TYPE 12)
Revision: 2006 January2006 M35/M45
8. CHECK HARNESS FOR SHORT CIRCUIT
1. Disconnect following connectors.
–Low tire pressure warning control unit connector
–Stee](/img/42/57023/w960_57023-4270.png)
LAN-602
[CAN]
CAN SYSTEM (TYPE 12)
Revision: 2006 January2006 M35/M45
8. CHECK HARNESS FOR SHORT CIRCUIT
1. Disconnect following connectors.
–Low tire pressure warning control unit connector
–Steering angle sensor connector
–Intelligent Key unit connector
–Unified meter and A/C amp. connector
–Harness connector M53
–Harness connector M13
2. Check continuity between data link connector terminals.
OK or NG
OK >> GO TO 9.
NG >> Check the following harnesses. If any harness is dam-
aged, repair the harness.
Harness between data link connector and harness
connector M62
Harness between data link connector and low tire pressure warning control unit
Harness between data link connector and steering angle sensor
Harness between data link connector and Intelligent Key unit
Harness between data link connector and unified meter and A/C amp.
Harness between data link connector and harness connector M53
Harness between data link connector and harness connector M13
9. CHECK HARNESS FOR SHORT CIRCUIT
Check continuity between data link connector terminals and ground.
OK or NG
OK >> GO TO 10.
NG >> Check the following harnesses. If any harness is dam-
aged, repair the harness.
Harness between data link connector and harness
connector M62
Harness between data link connector and low tire pressure warning control unit
Harness between data link connector and steering angle sensor
Harness between data link connector and Intelligent Key unit
Harness between data link connector and unified meter and A/C amp.
Harness between data link connector and harness connector M53
Harness between data link connector and harness connector M13
Data link
connectorTerminal Continuity
M60 6 14 No
PKIA9865E
Data link
connectorTerminal
GroundContinuity
M606No
14 No
PKIA9872E
Page 4272 of 5621
![INFINITI M35 2006 Factory Service Manual CAN SYSTEM (TYPE 12)
LAN-603
[CAN]
C
D
E
F
G
H
I
J
L
MA
B
LAN
Revision: 2006 January2006 M35/M45
10. CHECK HARNESS FOR SHORT CIRCUIT
1. Disconnect NAVI control unit connector.
2. Check continuity be INFINITI M35 2006 Factory Service Manual CAN SYSTEM (TYPE 12)
LAN-603
[CAN]
C
D
E
F
G
H
I
J
L
MA
B
LAN
Revision: 2006 January2006 M35/M45
10. CHECK HARNESS FOR SHORT CIRCUIT
1. Disconnect NAVI control unit connector.
2. Check continuity be](/img/42/57023/w960_57023-4271.png)
CAN SYSTEM (TYPE 12)
LAN-603
[CAN]
C
D
E
F
G
H
I
J
L
MA
B
LAN
Revision: 2006 January2006 M35/M45
10. CHECK HARNESS FOR SHORT CIRCUIT
1. Disconnect NAVI control unit connector.
2. Check continuity between NAVI control unit harness connector
terminals.
OK or NG
OK >> GO TO 11.
NG >> Repair harness between NAVI control unit and harness
connector M216.
11 . CHECK HARNESS FOR SHORT CIRCUIT
Check continuity between NAVI control unit harness connector ter-
minals and ground.
OK or NG
OK >> GO TO 12.
NG >> Repair harness between NAVI control unit and harness
connector M216.
12. CHECK HARNESS FOR SHORT CIRCUIT
1. Disconnect harness connector B15 and harness connector B3.
2. Check continuity between harness connector terminals.
OK or NG
OK >> GO TO 13.
NG >> Check the following harnesses. If any harness is dam-
aged, repair the harness.
Harness between harness connector B15 and har-
ness connector B2
Harness between harness connector B15 and har-
ness connector B3
NAVI control unit
connectorTerminal Continuity
M210 71 72 No
PKIC0288E
NAVI control unit
connectorTerminal
GroundContinuity
M21071 No
72 No
PKIC0291E
Harness connector Terminal Continuity
B15 3 19 No
PKIC0292E
Page 4273 of 5621
![INFINITI M35 2006 Factory Service Manual LAN-604
[CAN]
CAN SYSTEM (TYPE 12)
Revision: 2006 January2006 M35/M45
13. CHECK HARNESS FOR SHORT CIRCUIT
Check continuity between harness connector terminals and ground.
OK or NG
OK >> GO TO 14.
NG > INFINITI M35 2006 Factory Service Manual LAN-604
[CAN]
CAN SYSTEM (TYPE 12)
Revision: 2006 January2006 M35/M45
13. CHECK HARNESS FOR SHORT CIRCUIT
Check continuity between harness connector terminals and ground.
OK or NG
OK >> GO TO 14.
NG >](/img/42/57023/w960_57023-4272.png)
LAN-604
[CAN]
CAN SYSTEM (TYPE 12)
Revision: 2006 January2006 M35/M45
13. CHECK HARNESS FOR SHORT CIRCUIT
Check continuity between harness connector terminals and ground.
OK or NG
OK >> GO TO 14.
NG >> Check the following harnesses. If any harness is dam-
aged, repair the harness.
Harness between harness connector B15 and har-
ness connector B2
Harness between harness connector B15 and harness connector B3
14. CHECK HARNESS FOR SHORT CIRCUIT
1. Disconnect driver seat control unit connector.
2. Check continuity between driver seat control unit harness con-
nector terminals.
OK or NG
OK >> GO TO 15.
NG >> Repair harness between driver seat control unit and har-
ness connector B202.
15. CHECK HARNESS FOR SHORT CIRCUIT
Check continuity between driver seat control unit harness connector
terminals and ground.
OK or NG
OK >> GO TO 16.
NG >> Repair harness between driver seat control unit and har-
ness connector B202.
Harness connector Terminal
GroundContinuity
B153No
19 No
PKIC0293E
Driver seat control
unit connectorTerminal Continuity
B204 3 19 No
PKIA6842E
Driver seat control
unit connectorTerminal
GroundContinuity
B2043No
19 No
SKIA5025E
Page 4274 of 5621
![INFINITI M35 2006 Factory Service Manual CAN SYSTEM (TYPE 12)
LAN-605
[CAN]
C
D
E
F
G
H
I
J
L
MA
B
LAN
Revision: 2006 January2006 M35/M45
16. CHECK HARNESS FOR SHORT CIRCUIT
1. Disconnect ABS actuator and electric unit (control unit) connect INFINITI M35 2006 Factory Service Manual CAN SYSTEM (TYPE 12)
LAN-605
[CAN]
C
D
E
F
G
H
I
J
L
MA
B
LAN
Revision: 2006 January2006 M35/M45
16. CHECK HARNESS FOR SHORT CIRCUIT
1. Disconnect ABS actuator and electric unit (control unit) connect](/img/42/57023/w960_57023-4273.png)
CAN SYSTEM (TYPE 12)
LAN-605
[CAN]
C
D
E
F
G
H
I
J
L
MA
B
LAN
Revision: 2006 January2006 M35/M45
16. CHECK HARNESS FOR SHORT CIRCUIT
1. Disconnect ABS actuator and electric unit (control unit) connector and IPDM E/R connector.
2. Check continuity between IPDM E/R harness connector termi-
nals.
OK or NG
OK >> GO TO 17.
NG >> Check the following harnesses. If any harness is dam-
aged, repair the harness.
Harness between IPDM E/R and harness connector
E105
Harness between IPDM E/R and ABS actuator and electric unit (control unit)
17. CHECK HARNESS FOR SHORT CIRCUIT
Check continuity between IPDM E/R harness connector terminals
and ground.
OK or NG
OK >> GO TO 18.
NG >> Check the following harnesses. If any harness is dam-
aged, repair the harness.
Harness between IPDM E/R and harness connector E105
Harness between IPDM E/R and ABS actuator and electric unit (control unit)
18. CHECK ECM AND IPDM E/R INTERNAL CIRCUIT
1. Remove ECM and IPDM E/R from vehicle.
2. Check resistance between ECM terminals.
3. Check resistance between IPDM E/R terminals.
OK or NG
OK >> GO TO 19.
NG >> Replace ECM and/or IPDM E/R.
IPDM E/R
connectorTerminal Continuity
E9 49 50 No
PKIC0290E
IPDM E/R
connectorTerminal
GroundContinuity
E949 No
50 No
PKIC0294E
TerminalResistance
(Approx.)
94 86 108 – 132
TerminalResistance
(Approx.)
49 50 108 – 132
LKIA0037E
Page 4275 of 5621
![INFINITI M35 2006 Factory Service Manual LAN-606
[CAN]
CAN SYSTEM (TYPE 12)
Revision: 2006 January2006 M35/M45
19. CHECK SYMPTOM
1. Fill in described symptoms on the column “Symptom” in the check sheet.
2. Connect all connectors, and the INFINITI M35 2006 Factory Service Manual LAN-606
[CAN]
CAN SYSTEM (TYPE 12)
Revision: 2006 January2006 M35/M45
19. CHECK SYMPTOM
1. Fill in described symptoms on the column “Symptom” in the check sheet.
2. Connect all connectors, and the](/img/42/57023/w960_57023-4274.png)
LAN-606
[CAN]
CAN SYSTEM (TYPE 12)
Revision: 2006 January2006 M35/M45
19. CHECK SYMPTOM
1. Fill in described symptoms on the column “Symptom” in the check sheet.
2. Connect all connectors, and then make sure that the symptom is reproduced.
OK or NG
OK >> GO TO 20.
NG >> Refer to LAN-18, "
Example of Filling in Check Sheet When Initial Conditions Are Not Reproduced"
.
20. CHECK UNIT REPRODUCIBILITY
Performs the following procedure for each unit, and then perform reproducibility test.
1. Turn ignition switch OFF.
2. Disconnect the battery cable from the negative terminal.
3. Disconnect the unit connector.
4. Connect the battery cable to the negative terminal.
5. Make sure that the symptom filled in the “Symptom” of the check sheet is reproduced. (Do not confuse it
with the symptom related to removed unit.)
6. Make sure that the same symptom is reproduced.
–A/T assembly
–AWD control unit
–BCM
–Low tire pressure warning control unit
–Steering angle sensor
–Intelligent Key unit
–Unified meter and A/C amp.
–NAVI control unit
–Driver seat control unit
–ABS actuator and electric unit (control unit)
–ECM
–IPDM E/R
Check results
Reproduce>>Install removed unit, and then check the other unit.
Not reproduced>>Replace removed unit.
IPDM E/R Ignition Relay Circuit InspectionNKS0045Y
Check the following. If no malfunction is found, replace the IPDM E/R.
IPDM E/R power supply circuit. Refer to PG-30, "Check IPDM E/R Power Supply and Ground Circuit" .
Ignition power supply circuit. Refer to PG-12, "IGNITION POWER SUPPLY — IGNITION SW. IN “ON”
AND/OR “START”" .
Page 4276 of 5621
![INFINITI M35 2006 Factory Service Manual CAN SYSTEM (TYPE 13)
LAN-607
[CAN]
C
D
E
F
G
H
I
J
L
MA
B
LAN
Revision: 2006 January2006 M35/M45
CAN SYSTEM (TYPE 13)PFP:23710
Component Parts and Harness Connector LocationNKS0045Z
PKIC0611E INFINITI M35 2006 Factory Service Manual CAN SYSTEM (TYPE 13)
LAN-607
[CAN]
C
D
E
F
G
H
I
J
L
MA
B
LAN
Revision: 2006 January2006 M35/M45
CAN SYSTEM (TYPE 13)PFP:23710
Component Parts and Harness Connector LocationNKS0045Z
PKIC0611E](/img/42/57023/w960_57023-4275.png)
CAN SYSTEM (TYPE 13)
LAN-607
[CAN]
C
D
E
F
G
H
I
J
L
MA
B
LAN
Revision: 2006 January2006 M35/M45
CAN SYSTEM (TYPE 13)PFP:23710
Component Parts and Harness Connector LocationNKS0045Z
PKIC0611E
Page 4277 of 5621
![INFINITI M35 2006 Factory Service Manual LAN-608
[CAN]
CAN SYSTEM (TYPE 13)
Revision: 2006 January2006 M35/M45
SchematicNKS00460
TKWT3303E INFINITI M35 2006 Factory Service Manual LAN-608
[CAN]
CAN SYSTEM (TYPE 13)
Revision: 2006 January2006 M35/M45
SchematicNKS00460
TKWT3303E](/img/42/57023/w960_57023-4276.png)
LAN-608
[CAN]
CAN SYSTEM (TYPE 13)
Revision: 2006 January2006 M35/M45
SchematicNKS00460
TKWT3303E
Page 4278 of 5621
![INFINITI M35 2006 Factory Service Manual CAN SYSTEM (TYPE 13)
LAN-609
[CAN]
C
D
E
F
G
H
I
J
L
MA
B
LAN
Revision: 2006 January2006 M35/M45
Wiring Diagram — CAN —NKS00461
TKWT3304E INFINITI M35 2006 Factory Service Manual CAN SYSTEM (TYPE 13)
LAN-609
[CAN]
C
D
E
F
G
H
I
J
L
MA
B
LAN
Revision: 2006 January2006 M35/M45
Wiring Diagram — CAN —NKS00461
TKWT3304E](/img/42/57023/w960_57023-4277.png)
CAN SYSTEM (TYPE 13)
LAN-609
[CAN]
C
D
E
F
G
H
I
J
L
MA
B
LAN
Revision: 2006 January2006 M35/M45
Wiring Diagram — CAN —NKS00461
TKWT3304E
Page 4279 of 5621
![INFINITI M35 2006 Factory Service Manual LAN-610
[CAN]
CAN SYSTEM (TYPE 13)
Revision: 2006 January2006 M35/M45
TKWT3305E INFINITI M35 2006 Factory Service Manual LAN-610
[CAN]
CAN SYSTEM (TYPE 13)
Revision: 2006 January2006 M35/M45
TKWT3305E](/img/42/57023/w960_57023-4278.png)
LAN-610
[CAN]
CAN SYSTEM (TYPE 13)
Revision: 2006 January2006 M35/M45
TKWT3305E
Page 4280 of 5621
![INFINITI M35 2006 Factory Service Manual CAN SYSTEM (TYPE 13)
LAN-611
[CAN]
C
D
E
F
G
H
I
J
L
MA
B
LAN
Revision: 2006 January2006 M35/M45
TKWT3306E INFINITI M35 2006 Factory Service Manual CAN SYSTEM (TYPE 13)
LAN-611
[CAN]
C
D
E
F
G
H
I
J
L
MA
B
LAN
Revision: 2006 January2006 M35/M45
TKWT3306E](/img/42/57023/w960_57023-4279.png)
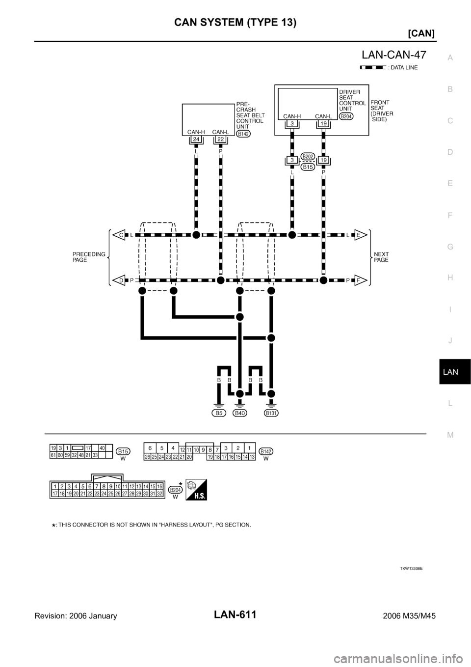
CAN SYSTEM (TYPE 13)
LAN-611
[CAN]
C
D
E
F
G
H
I
J
L
MA
B
LAN
Revision: 2006 January2006 M35/M45
TKWT3306E