combination meter INFINITI M35 2006 Factory Workshop Manual
[x] Cancel search | Manufacturer: INFINITI, Model Year: 2006, Model line: M35, Model: INFINITI M35 2006Pages: 5621, PDF Size: 65.56 MB
Page 1444 of 5621

COMBINATION METERS
DI-11
C
D
E
F
G
H
I
J
L
MA
B
DI
Revision: 2006 January2006 M35/M45
Component Parts and Harness Connector LocationNKS003TX
PKIB7634E
Page 1445 of 5621

DI-12
COMBINATION METERS
Revision: 2006 January2006 M35/M45
Internal CircuitNKS003TY
TKWT3421E
Page 1446 of 5621

COMBINATION METERS
DI-13
C
D
E
F
G
H
I
J
L
MA
B
DI
Revision: 2006 January2006 M35/M45
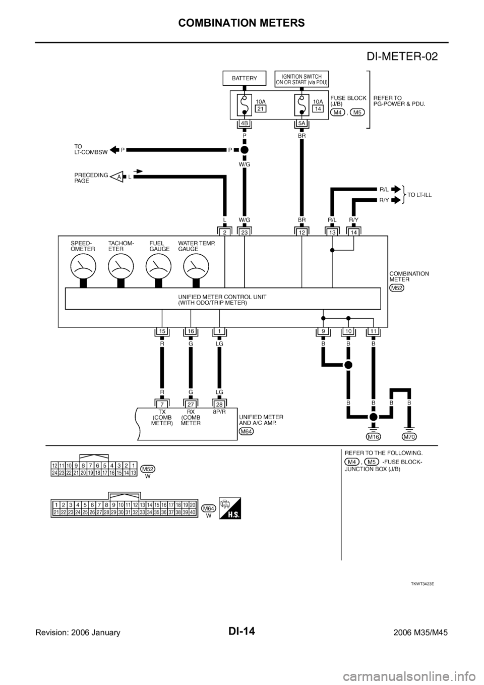
Wiring Diagram — METER —NKS003TZ
TKWT3422E
Page 1447 of 5621

DI-14
COMBINATION METERS
Revision: 2006 January2006 M35/M45
TKWT3423E
Page 1448 of 5621

COMBINATION METERS
DI-15
C
D
E
F
G
H
I
J
L
MA
B
DI
Revision: 2006 January2006 M35/M45
Terminals and Reference Value for Combination MeterNKS003U0
Terminal
No.Wire
colorItemCondition
Reference value
(Approx.) Ignition
switchOperation or condition
1LGVehicle speed signal
(8-pulse)ONSpeedometer operated
[When vehicle speed is approx.
40 km/h (25 MPH)]NOTE:
Maximum voltage may be 5 V due
to specifications (connected units).
2 L Ignition switch ACC or ON ACC — Battery voltage
9
B Ground ON — 0 V 10
11
12 BR Ignition switch ON or START ON — Battery voltage
13 R/L Illumination (+) ONLighting switch is turned ON. 12 V
Lighting switch is turned OFF. 0 V
14 R/Y Illumination signal input ONLighting switch is turned ON,
and illumination control switch
is operated.
midway
Lighting switch is turned OFF. 0 V
15 RRX communication line (From
unified meter and A/C amp.)ON —
16 GTX communication line (To
unified meter and A/C amp.)ON —
23 W/G Battery power supply OFF — Battery voltage
PKIA1935E
SKIB4733E
SKIA3362E
SKIA3361E
Page 1449 of 5621

DI-16
COMBINATION METERS
Revision: 2006 January2006 M35/M45
Terminals and Reference Value for Unified Meter and A/C Amp.NKS003U1
Te r m i n a l
No.Wire
colorItemCondition
Reference value
(Approx.) Ignition
switchOperation or condition
7RTX communication line
(To combination meter)ON —
27 GRX communication line
(From combination meter)ON —
28 LGVehicle speed signal output
(8-pulse)ONSpeedometer operated
[When vehicle speed is
approx. 40 km/h (25 MPH)]NOTE:
Maximum voltage may be 5 V due to
specifications (connected units).
41 V Ignition switch ACC or ON ACC — Battery voltage
42 P/L Fuel level sensor signal — —Refer to DI-26, "
CHECK FUEL
LEVEL SENSOR UNIT" .
53 W/G Ignition switch ON or START ON — Battery voltage
54 W/G Battery power supply OFF — Battery voltage
55 B Ground ON — 0 V
56 L CAN H — — —
58 B Fuel level sensor ground ON — 0 V
71 B Ground (power) ON — 0 V
72 P CAN L — — —
SKIA3362E
SKIA3361E
PKIA1935E
Page 1450 of 5621

COMBINATION METERS
DI-17
C
D
E
F
G
H
I
J
L
MA
B
DI
Revision: 2006 January2006 M35/M45
Self-Diagnosis Mode of Combination MeterNKS003U2
SELF-DIAGNOSIS FUNCTION
Odo/trip meter segment and dot matrix LCD segment operation can be checked in self-diagnosis mode.
Meters/gauges can be checked in self-diagnosis mode.
OPERATION PROCEDURE
1. Turn ignition switch ON, and switch the odo/trip meter to “trip A” or “trip B”.
NOTE:
If the diagnosis function is activated with “trip A” displayed, the mileage on “trip A” is reset to “0000.0”.
(The same way for “trip B”.)
2. Turn ignition switch OFF.
3. While pressing the odo/trip meter switch (1), turn ignition switch
ON again.
4. Make sure that the trip meter displays “0000.0”.
5. Press the odo/trip meter switch (1) at least 3 times. (Within 7
seconds after the ignition switch is turned ON.)
6. The unified meter control unit is turned to self-diagnosis mode.
Dot in all segments of dot matrix LCD (1) flashes alternately.
All the segments on the odo/trip meter (2) illuminates.
Water temperature gauge and fuel gauge return to zero, and at the same time, low-fuel warning indica-
tor turns ON.
NOTE:
Check combination meter power supply and ground circuit when self-diagnosis mode of combination
meter does not start. Replace combination meter if normal.
If any of the segments is not displayed, replace combination meter.
7. Each meter activates during pressing odo/trip meter switch.
(Then low-fuel warning lamp turns OFF.)
NOTE:
If any of the meter and gages is not activated, replace combina-
tion meter.
PKIB7633E
SKIB2939J
PKIB7636E
Page 1451 of 5621

DI-18
COMBINATION METERS
Revision: 2006 January2006 M35/M45
CONSULT-II Function (METER A/C AMP)NKS003U3
Refer to DI-31, "CONSULT-II Function (METER A/C AMP)" in “UNIFIED METER AND A/C AMP”.
Trouble DiagnosisNKS003U4
HOW TO PERFORM TROUBLE DIAGNOSIS
1. Confirm the symptom or customer complaint.
2. Perform preliminary check. Refer to DI-18, "
PRELIMINARY CHECK" .
3. According to the symptom chart, make sure the cause of the symptom and repair or replace applicable
parts. Refer to DI-18, "
Symptom Chart" .
4. Does the meter operate normally? If yes, GO TO 5. If no, GO TO 2.
5. INSPECTION END
PRELIMINARY CHECK
1. CHECK OPERATION SELF-DIAGNOSIS MODE OF COMBINATION METER
Perform self-diagnosis mode of combination meter. Refer to DI-17, "
OPERATION PROCEDURE" .
Does self
-diagnosis mode operate?
YES >> GO TO 2.
NO >> GO TO 3.
2. CHECK UNIFIED METER AND A/C AMP. (CONSULT-II)
Perform self-diagnosis of unified meter and A/C amp. Refer to DI-31, "
CONSULT-II Function (METER A/C
AMP)" .
Self
-diagnostic results content
No malfunction detected>>INSPECTION END
Malfunction detected>>Check applicable parts, and repair or replace corresponding parts.
3. CHECK POWER SUPPLY AND GROUND CIRCUIT OF COMBINATION METER
Check power supply and ground circuit of combination meter. Refer to DI-19, "
Power Supply and Ground Cir-
cuit Inspection" .
OK or NG
OK >> Replace combination meter.
NG >> Repair power supply and ground circuit of combination meter.
Symptom ChartNKS003U5
Symptom Diagnosis/Service procedure
Speedometer or odo/trip meter indication is malfunction. Refer to DI-20, "
Vehicle Speed Signal Inspection" .
Tachometer indication is malfunction. Refer to DI-21, "
Engine Speed Signal Inspection" .
Water temperature gauge indication is malfunction. Refer to DI-22, "
Engine Coolant Temperature Signal Inspection" .
Fuel gauge indication is malfunction.
Refer to DI-22, "
Fuel Level Sensor Signal Inspection" .
Low-fuel warning lamp indication is irregular.
A/T position indicator is malfunction. Refer to DI-59, "
A/T Indicator Is Malfunction" .
Page 1452 of 5621

COMBINATION METERS
DI-19
C
D
E
F
G
H
I
J
L
MA
B
DI
Revision: 2006 January2006 M35/M45
Power Supply and Ground Circuit InspectionNKS003U6
1. CHECK FUSE
Check for blown fuses.
OK or NG
OK >> GO TO 2.
NG >> Be sure to eliminate cause of malfunction before installing new fuse. Refer to PG-3, "
POWER
SUPPLY ROUTING CIRCUIT" .
2. CHECK POWER SUPPLY CIRCUIT
Check voltage between combination meter harness connector and
ground.
OK or NG
OK >> GO TO 3.
NG >> Check harness between combination meter and fuse.
3. CHECK GROUND CIRCUIT
1. Turn ignition switch OFF.
2. Disconnect combination meter connector.
3. Check continuity between combination meter harness connector
and ground.
OK or NG
OK >> INSPECTION END
NG >> Repair harness or connector.
Power source Fuse No.
Battery 21
Ignition switch ACC or ON 6
Ignition switch ON or START 14
Terminals Ignition switch position
(+)
(–) OFF ACC ON
Combination meter
connectorTerminal
M5223
GroundBattery
voltageBattery
voltageBattery
voltage
20 VBattery
voltageBattery
voltage
12 0 V 0 VBattery
voltage
PKIB7637E
Combination meter
connectorTerminal
GroundContinuity
M529
Ye s 10
11
PKIB7638E
Page 1453 of 5621

DI-20
COMBINATION METERS
Revision: 2006 January2006 M35/M45
Vehicle Speed Signal InspectionNKS003U7
Symptom: Speedometer or odo/trip meter indication is malfunction.
1. CHECK UNIFIED METER AND A/C AMP. INPUT SIGNAL
1. Connect CONSULT-II, and start engine.
2. Compare the value in “SPEED METER” of “DATA MONITOR” in
“METER A/C AMP” to that in speedometer in the combination
meter during driving.
Is the value in speedometer almost same as that in the monitor?
YES >> Preform self-diagnosis of ABS actuator and electric unit
(control unit). Refer to BRC-22, "
CONSULT-II Functions
(ABS)" .
NO >> GO TO 2.
2. CHECK UNIFIED METER AND A/C AMP. OUTPUT SIGNAL
1. Start engine and drive vehicle at approximately 40 km/h (25
MPH).
2. Check voltage signal between unified meter and A/C amp. har-
ness connector and ground.
NOTE:
Maximum voltage may be 5 V due to specifications (connected units).
OK or NG
OK >> GO TO 3.
NG-1 >> If monitor indicates “0 V” constantly, perform the following.
1. Check each unit inputting vehicle speed signal (8 pulse). Malfunction is caused by short circuit
between each unit and unified meter and A/C amp.
2. Repair or replace malfunctioning parts.
NG-2 >> If monitor indicates “5 V” or “12 V” constantly, replace unified meter and A/C amp.
PKIB7639E
Terminals
Voltage (Approx.) (+)
(–)
Unified meter and
A/C amp.connectorTerminal
M64 28 Ground
PKIB7640E
PKIA1935E