sensor JAGUAR XJ6 1994 2.G Electrical Diagnostic Manual
[x] Cancel search | Manufacturer: JAGUAR, Model Year: 1994, Model line: XJ6, Model: JAGUAR XJ6 1994 2.GPages: 327, PDF Size: 13.73 MB
Page 140 of 327

E I ect r ical rl
FAULT CODE 42
Front L eft Impact Sensor Feed / Return Open Circuit
Normal Operation
The DM monitors and compares the voltages on pins 6 and 18. The voltage on both pins should be identical. If a dis- crepancy between the two measurements is detected the MIL Lamp will illuminate and fault code 42 will be present,
indicating open circuit between DM and LH impact sensor.
Possible Causes
0 Harness open circuit between DM pins 6 and 18 and the sensor.
0 Internal open circuit in LH impact sensor wiring.
Fault Diagnosis
1. Circuit - check
. Disarm the SRS system.
Disconnect DM.
. Measure resistance across harness connections to LH impact sensor, wires KG and YU.
. Is the resistance less than 28 ?
Yes - Renew LH impact sensor.
No - Proceed to step 2.
2. Resistance -check
. Disconnect LH impact sensor from main harness.
. Measure resistance across sensor terminals 1 and 2.
. Is resistance reading less than 28.
Yes
- Examine harness wiring and connectors for open circuit.
No - Renew LH impact sensor.
3. On completion.
. Arm and verify the SRS system.
Issue 1 August 1994 15.1 - 34 X300 EDM
Page 141 of 327

Electrical IT
Electrical schematic - Fault Code 42
0
0
0
X300 EDM
J86-1676
1. Instrument Panel Fuse 6. Passenger-side Air Bag
2. Engine Compartment Fuse 7. RH Impact Sensor
3. Safing Sensor 8. LH Impact Sensor
4. Cable Reel Cassettes 9. Air Bag MIL Lamp
5. Driver
-side Air Bag 10. Diagnostic
Module
Fig. 1
Issue 1 August 1994 15.1 - 35
Page 142 of 327

FAULT CODE 44
Front Right Impact Sensor Incorrectly Mounted to Vehicle
Normal Operation
The DM monitors the resistance value between pins 20 and 3. If a resistance of greater than 2.052 is detected the MIL
Lamp will illuminate and fault code 44 will be present, indicating incorrect mounting of the RH impact sensor. Secure
connections to ground at both the sensor case and the vehicle are necessary to avoid this fault.
Possible Causes
0 Poor or dirty connection between RH impact sensor case and vehicle ground.
0 Poor or dirty termination at impact sensor internal ground.
0 Open circuit on wiring between DM pin 20 and impact sensor ground terminal.
Fault Diagnosis
1. Circuit - check
Disarm the SRS system, and disconnect the battery earth lead.
. Disconnect the DM.
Measure resistance between DM pin 20 and pin 3 (ground).
. Is the resistance greater than 2.052.
Yes - Proceed to step 2.
No - Renew DM
2. Sensor - check
. Disconnect RH impact sensor from main harness.
. Measure resistance between sensor terminal 4 and ground.
. Is the resistance greater than 2.052 7
Yes -
. Remove sensor from mountings, clean all mounting surfaces (including chassis) and refit.
. Re-test resistance and renew sensor if value is still above 2.052.
NO -
. Examine harness for broken, dirty or incorrectly seated connectors.
3. On completion.
Arm and verify SRS system.
e
0
Page 143 of 327

Electrical schematic - Fault Code 44
0
0
0
t
PO2
P17
L
ON 1 -
I
/
“1
,.
OP I>
1. Instrument Panel Fuse 6. Passenger-side Air Bag 2. Engine Compartment Fuse 7. RH Impact Sensor
3. Safing Sensor 8. LH Impact Sensor
4. Cable Reel Cassettes 9. Air Bag MIL Lamp
5. Driver
-side Air Bag 10. Diagnostic
Module
Fig. 1
7
J86-1677
X300 EDM 15.1 - 37 Issue 1 August 1994
Page 144 of 327

Electrical
FAULT CODE 45
Front Left Impact Sensor Incorrectly Mounted to Vehicle
Normal Operation
The DM monitors the resistance value between pins 21 and 3. If a resistance of greater than 2 Lamp will illuminate and fault code 45 will be present, indicating incorrect mounting of the LH
connections to ground at both the sensor case and the vehicle are necessaw to avoid this fa!
Possible Causes
0 Poor or dirty connection between LH impact sensor case and vehicle ground.
0 Poor or dirty termination at impact sensor internal ground.
0 Open circuit on wiring between DM pin 21 and impact sensor ground terminal.
Fault Diagnosis
1. Circuit -check
. Disarm the SRS system, and disconnect the battery earth lead.
. Disconnect the DM.
. Measure resistance between DM pin 21 and pin 3 (ground).
. Is the resistance greater than 2.08.
Yes - Proceed to step 2.
No - Renew DM
2. Sensor - check
. Disconnect RH impact sensor from main harness.
Measure resistance between sensor terminal 4 and ground.
. Is the resistance greater than 2.051 7
Yes -
. Remove sensor from mountings, clean all mounting surfaces (including chassis) and refit.
Re-test resistance and renew sensor if value is still above 2.0Q.
NO -
. Examine harness for broken, dirty or incorrectly seated connectors.
3. On completion.
. Arm and verify SRS system.
Issue 1 August 1994 15.1 -38
!.On is detected the MIL
impact sensor. Secure
Jlt.
Electrical
FAULT CODE 45
Front Left Impact Sensor Incorrectly Mounted to Vehicle
Normal Operation
The DM monitors the resistance value between pins 21 and 3. If a resistance of greater than 2.08 is detected the MIL
Lamp will illuminate and fault code 45 will be present, indicating incorrect mounting of the LH impact sensor. Secure
connections to ground at both the sensor case and the vehicle are necessaw to avoid this fault.
Possible Causes
0 Poor or dirty connection between LH impact sensor case and vehicle ground.
0 Poor or dirty termination at impact sensor internal ground.
0 Open circuit on wiring between DM pin 21 and impact sensor ground terminal.
Fault Diagnosis
1. Circuit -check
. Disarm the SRS system, and disconnect the battery earth lead.
. Disconnect the DM.
. Measure resistance between DM pin 21 and pin 3 (ground).
. Is the resistance greater than 2.08.
Yes - Proceed to step 2.
No - Renew DM
2. Sensor - check
. Disconnect RH impact sensor from main harness.
Measure resistance between sensor terminal 4 and ground.
. Is the resistance greater than 2.051 7
Yes -
. Remove sensor from mountings, clean all mounting surfaces (including chassis) and refit.
Re-test resistance and renew sensor if value is still above 2.0Q.
NO -
. Examine harness for broken, dirty or incorrectly seated connectors.
3. On completion.
. Arm and verify SRS system.
Issue 1 August 1994 15.1 -38 X300 EDM - X300 EDM
e
0
0
0
Page 145 of 327

Electrical schematic - fault Code 45
0
0
0
r
I
588
1. Instrument Panel Fuse 6. Passenger-side Air Bag
2. Engine Compartment Fuse 7. RH Impact Sensor 3. Safing Sensor 8. LH Impact Sensor
4. Cable Reel Cassettes 9. Air Bag MIL Lamp
5. Driver-side Air Bag 10. Diagnostic Module
Fig. 1
678
X300 EDM 15.1 - 39 Issue 1 August 1994
Page 147 of 327

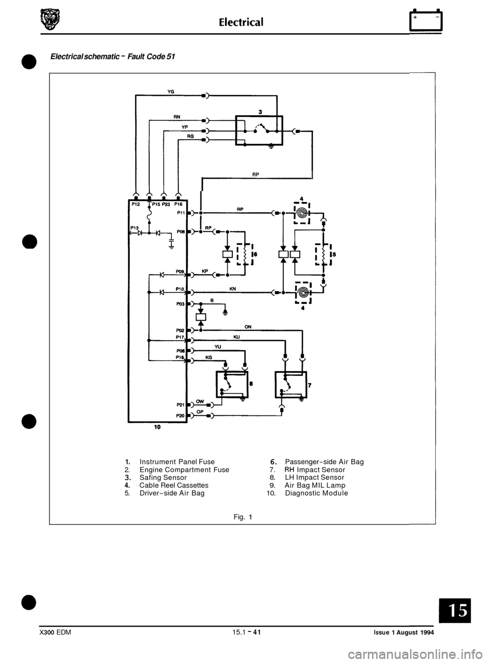
Electrical schematic - Fault Code 51
0
%-
RP
II I
I
1. Instrument Panel Fuse 6. Passenger-side Air Bag
2. Engine Compartment Fuse 7. RH Impact Sensor 3. Safing Sensor 8. LH Impact Sensor
4. Cable Reel Cassettes 9. Air Bag MIL Lamp
5. Driver-side Air Bag 10. Diagnostic Module
Fig.
1
X300 EDM 15.1 - 41 Issue 1 August 1994
Page 148 of 327

Electrical rl
FAULT CODE 52
Back-up Power Supply - Voltage Boost Fault
Normal Operation
The DM contains a capacitor and a voltage boost circuit to provide a back-up power supply.
The voltage boost circuit charges the capacitor to approximately
24 volts when the ignition is switched on.
The back
-up power supply is connected through a diode to pin 15 of the DM (RN). The resistance to ground is infinite
due to open circuit; the open circuit allows the capacitor to maintain its higher voltage because there is no discharge
path for the capacitor.
If the voltage on the capacitor does not reach and maintain a minimum of 23 volts, approximately 45 seconds after
ignition on, the MIL Lamp will illuminate and fault code 52 will be present.
Possible Causes
0 Resistance to ground on RN wire from pin 7 safing sensor to pin 15 DM: causing capacitor discharge.
0 Voltage boost circuit within the DM.
Fault Diagnosis
1. System verification
. Disarm the SRS system.
. Switch on the ignition, allow a time delay of 45 seconds before proceeding.
. Measure the voltage between pin 15 DM and pin 3 DM (ground).
. Is the voltage measured 24 volts k 1 volt ?
Yes - Renew DM/
No - Proceed to step 2.
2.
Short circuit -check
. Switch off the ignition.
. Disconnect the DM.
. Measure the resistance between pin 15 and pin 3 (ground) on the DM.
. Is the resistance measured greater than 100,000 ohms ?
Yes - Renew DM.
No - Proceed to step 3.
3.
Circuit resistance -check
. Disconnect the safing sensor multi-plug.
. Measure the resistance between pin 15 and pin 3 (ground) on the DM.
Yes
- Proceed to step 4.
No - Locate and rectify short to ground on RN wire from pin 15 DM, to pin 7 safing sensor.
Is
the resistance measured greater than 100,000 ohms
?
4. Safing sensor - short circuit
. Measure resistance of pin 7 safing sensor (RN) to chassis ground.
. Is the resistance measured greater than 100,000 ohms ?
Yes - Locate and rectify short to ground on YP wire from pin 23 DM, to pin 6 safing sensor.
No - Renew safing sensor.
5. On completion
. Arm and verify the SRS system.
Issue 1 August 1994 15.1 - 42 X300 EDM
Page 149 of 327

Electrical schematic - Fault Code 52
0
0
0
8
r
1U
3
PO3 1
1. Instrument Panel Fuse 6. Passenger-side Air Bag
2. Engine Compartment Fuse 7. RH Impact Sensor
3. Safing Sensor 8. LH Impact Sensor
4. Cable Reel Cassettes 9. Air Bag MIL Lamp
5. Driver
-side Air Bag 10. Diagnostic
Module
Fig.
1
J86-1680
Issue 1 August 1994 X300 EDM 15.1 - 43 ~~
Page 150 of 327

rl Electrical
FAULT CODE 53
Front Impact Sensor Circuits Resistance to Ground or Internal Diagnostic Monitor Failure
Normal Operation
The DM measures the voltage on pins 2,6,17 and 18. If there is any resistance to ground on any of these pins or across
the front impact sensors contacts, it will cause the diagnostic voltage on these pins to drop below normal levels. If the
DM measures voltage drop to between 5 and 10 volts, the DM senses an internal voltage regulation failure and code
53 will be present.
A direct short to ground in the front impact sensor circuits
will drop the voltage to less than 5 volts and code 14 will
be present.
!!IQ&: The DM also performs several system self-tests every ignition cycle. If any of these tests fail, fault code 53 will
be present.
Fault Diagnosis
1. System verification
. Disarm the SRS system.
. Disconnect the battery ground lead, allow one minute for DM back-up power to drain.
. Disconnect the DM.
Remove the plastic locking wedge from the grey harness multi-plug connector.
= Measure the resistance between pin 3 (ground) and the following circuits:
. Pin2(ON)
. Pin 6 (VU)
. Pin 17 (KU)
* Pin 18 (KG)
. Are all circuit readings infinite (open circuit) ?
Yes - Renew DM.
No
- Proceed to step 2.
2.
. Using schematic, identify suspect sensor and circuitry.
. Disconnect the suspect sensor.
9 Measure the resistance across the normally open contacts.
. Is the resistance reading infinite (open circuit) ?
Yes - Locate and rectify short to ground on low resistance circuit.
No - Renew front impact sensor.
Impact
sensor open circuit
- check
0
0
e
0
Issue 1 August 1994 15.1 - 44 X300 EDM