NISSAN TEANA 2008 Service Manual
Manufacturer: NISSAN, Model Year: 2008, Model line: TEANA, Model: NISSAN TEANA 2008Pages: 5121, PDF Size: 69.03 MB
Page 881 of 5121

BCS-64
< ECU DIAGNOSIS >
BCM (BODY CONTROL MODULE)
NOTE:
*: Without BOSE audio system145
(LG/R)GroundCombination switch
OUTPUT 3OutputCombination
switch
(Wiper intermit-
tent dial 4)All switch OFF 0 V
Front wiper switch INT
10.7 V Front wiper switch LO
Lighting switch AUTO
Rear fog lamp switch ON
146
(G/Y)GroundCombination switch
OUTPUT 4OutputCombination
switch
(Wiper intermit-
tent dial 4)All switch OFF 0 V
Front fog lamp switch ON
10.7 V Lighting switch 2ND
Lighting switch PASS
Turn signal switch LH
150
(SB)Ground Driver door switch Input Driver door switchOFF (When driver door
closes)
11 . 8 V
ON (When driver door
opens)0 V
151
(G/R)GroundRear window defog-
ger relayOutputRear window de-
foggerActive 0 V
Not activated Battery voltage Te r m i n a l N o .
(Wire color)Description
ConditionVa l u e
(Approx.)
Signal nameInput/
Output +–
JPMIA0034GB
JPMIA0035GB
JPMIA0011GB
Page 882 of 5121

BCS
BCM (BODY CONTROL MODULE)
BCS-65
< ECU DIAGNOSIS >
C
D
E
F
G
H
I
J
K
L B A
O
P N
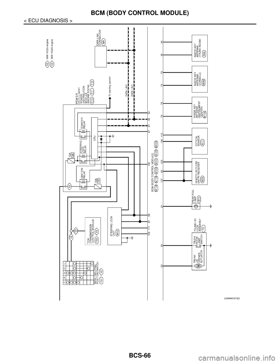
Wiring Diagram - BCM -INFOID:0000000003809628
JCMWM1671GB
Page 883 of 5121

BCS-66
< ECU DIAGNOSIS >
BCM (BODY CONTROL MODULE)
JCMWM1672GB
Page 884 of 5121

BCS
BCM (BODY CONTROL MODULE)
BCS-67
< ECU DIAGNOSIS >
C
D
E
F
G
H
I
J
K
L B A
O
P N
JCMWM1673GB
Page 885 of 5121

BCS-68
< ECU DIAGNOSIS >
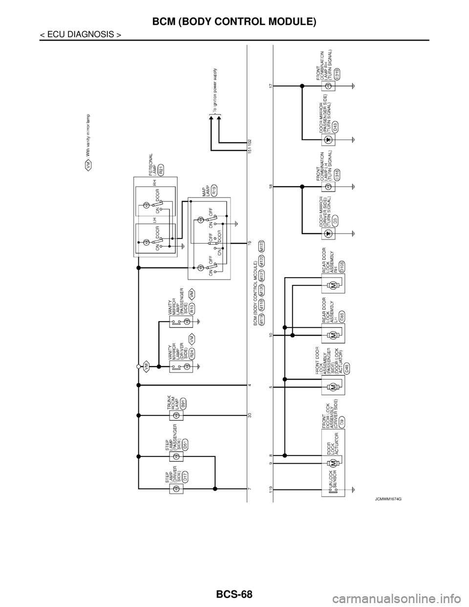
BCM (BODY CONTROL MODULE)
JCMWM1674GB
Page 886 of 5121

BCS
BCM (BODY CONTROL MODULE)
BCS-69
< ECU DIAGNOSIS >
C
D
E
F
G
H
I
J
K
L B A
O
P N
JCMWM1675GB
Page 887 of 5121

BCS-70
< ECU DIAGNOSIS >
BCM (BODY CONTROL MODULE)
JCMWM1676GB
Page 888 of 5121

BCS
BCM (BODY CONTROL MODULE)
BCS-71
< ECU DIAGNOSIS >
C
D
E
F
G
H
I
J
K
L B A
O
P N
Fail-safeINFOID:0000000003809629
FAIL-SAFE CONTROL BY DTC
BCM performs fail-safe control when any DTC is detected.
JCMWM1677GB
Page 889 of 5121

BCS-72
< ECU DIAGNOSIS >
BCM (BODY CONTROL MODULE)
Display contents of CONSULT Fail-safe Cancellation
B2013: ID DISCORD BCM-S/L Inhibit engine cranking Erase DTC
B2014: CHAIN OF S/L-BCM Inhibit engine cranking Erase DTC
B2190: NATS ANTENNA AMP Inhibit engine cranking Erase DTC
B2191: DIFFERENCE OF KEY Inhibit engine cranking Erase DTC
B2192: ID DISCORD BCM-ECM Inhibit engine cranking Erase DTC
B2193: CHAIN OF BCM-ECM Inhibit engine cranking Erase DTC
B2557: VEHICLE SPEED Inhibit steering lockWhen normal vehicle speed signals have been received from ABS
actuator and electric unit (control unit) for 500 ms
B2560: STARTER CONT RELAY Inhibit engine cranking500 ms after the following CAN signal communication status has
become consistent
Starter control relay signal
Starter relay status signal
B2601: SHIFT POSITION Inhibit steering lock500 ms after the following signal reception status becomes consis-
tent
Selector lever P position switch signal
P range signal (CAN)
B2602: SHIFT POSITION Inhibit steering lock5 seconds after the following BCM recognition conditions are ful-
filled
Ignition switch is in the ON position
Selector lever P position switch signal: Except P position (battery
voltage)
Vehicle speed: 4 km/h (2.5 MPH) or more
B2603: SHIFT POSI STATUS Inhibit steering lock500 ms after the following BCM recognition conditions are fulfilled
Ignition switch is in the ON position
Selector lever P position switch signal: Except P position (battery
voltage)
Selector lever P/N position signal: Except P and N positions (0 V)
B2604: PNP SW Inhibit steering lock500 ms after any of the following BCM recognition conditions is ful-
filled
Status 1
- Ignition switch is in the ON position
- Selector lever P/N position signal: P and N position (battery volt-
age)
- P range signal or N range signal (CAN): ON
Status 2
- Ignition switch is in the ON position
- Selector lever P/N position signal: Except P and N positions (0 V)
- P range signal and N range signal (CAN): OFF
B2605: PNP SW Inhibit steering lock500 ms after any of the following BCM recognition conditions is ful-
filled
Ignition switch is in the ON position
- Power position: IGN
- Selector lever P/N position signal: Except P and N positions (0 V)
- Interlock/PNP switch signal (CAN): OFF
Status 2
- Ignition switch is in the ON position
- Selector lever P/N position signal: P or N position (battery volt-
age)
- PNP switch signal (CAN): ON
B2606: S/L RELAY Inhibit engine cranking500 ms after the following CAN signal communication status has
become consistent
Steering lock relay signal (Request signal)
Steering lock relay signal (Condition signal)
B2607: S/L RELAY Inhibit engine cranking500 ms after the following CAN signal communication status has
become consistent
Steering lock relay signal (Request signal)
Steering lock relay signal (Condition signal)
Page 890 of 5121

BCS
BCM (BODY CONTROL MODULE)
BCS-73
< ECU DIAGNOSIS >
C
D
E
F
G
H
I
J
K
L B A
O
P N
HIGH FLASHER OPERATION
BCM detects the turn signal lamp circuit status by the current value.
BCM increases the turn signal lamp blinking speed if the bulb or harness open is detected with the turn signal
lamp operating.
NOTE:
The blinking speed is normal while activating the hazard warning lamp.
DTC Inspection Priority ChartINFOID:0000000003809630
If some DTCs are displayed at the same time, perform inspections one by one based on the following priority
chart.
B2608: STARTER RELAY Inhibit engine cranking500 ms after the following signal communication status becomes
consistent
Starter motor relay control signal
Starter relay status signal (CAN)
B2609: S/L STATUS Inhibit engine cranking
Inhibit steering lockWhen the following steering lock conditions agree
BCM steering lock control status
Steering lock condition No. 1 signal status
Steering lock condition No. 2 signal status
B260A: IGNITION RELAY Inhibit engine cranking500 ms after the following conditions are fulfilled
IGN relay (IPDM E/R) control signal: OFF (Battery voltage)
Ignition ON signal (CAN to IPDM E/R): OFF (Request signal)
Ignition ON signal (CAN from IPDM E/R): OFF (Condition signal)
B260F: ENG STATE SIG LOSTMaintains the power supply
position attained at the time
of DTC detectionWhen any of the following conditions is fulfilled
Power position changes to ACC
Receives engine status signal (CAN)
B2612: S/L STATUS Inhibit engine cranking
Inhibit steering lockWhen any of the following conditions is fulfilled
Steering lock unit status signal (CAN) is received normally
The BCM steering lock control status matches the steering lock
status recognized by the steering lock unit status signal (CAN
from IPDM E/R)
B2617: STARTER RELAY CIRC Inhibit engine cranking1 second after the starter motor relay control inside BCM becomes
normal
B2618: BCM Inhibit engine cranking1 second after the ignition relay (IPDM E/R) control inside BCM be-
comes normal
B2619: BCM Inhibit engine cranking1 second after the steering lock unit power supply output control in-
side BCM becomes normal
B261E: VEHICLE TYPE Inhibit engine cranking BCM initialization
B26E1: ENG STATE NO RES Inhibit engine crankingWhen any of the following conditions is fulfilled
Power position changes to ACC
Receives engine status signal (CAN)
B26E9: S/L STATUS Inhibit engine cranking
Inhibit steering lockWhen BCM transmits the LOCK request signal to steering lock unit,
and receives LOCK response signal from steering lock unit, the fol-
lowing conditions is fulfilled
Steering condition No. 1 signal: LOCK (0 V)
Steering condition No. 2 signal: LOCK (Battery voltage) Display contents of CONSULT Fail-safe Cancellation
Priority DTC
1 B2562: LOW VOLTAGE
2 U1000: CAN COMM CIRCUIT
U1010: CONTROL UNIT (CAN)
3 B2190: NATS ANTENNA AMP
B2191: DIFFERENCE OF KEY
B2192: ID DISCORD BCM-ECM
B2193: CHAIN OF BCM-ECM