SSANGYONG KORANDO 2012 Service Manual
KORANDO 2012
SSANGYONG
SSANGYONG
https://www.carmanualsonline.info/img/67/57504/w960_57504-0.png
SSANGYONG KORANDO 2012 Service Manual
Trending: tailgate, mirror, oil temperature, change key battery, air suspension, 4WD, automatic trans
Page 541 of 1082
02-38410-00
1. CAUTIONS WHEN WORKING ON ELECTRICAL UNITS
Disconnect the negative cable from the battery
in advance when working on electrical units. -
If a fuse is blown, replace it with a fuse which
has the correct amperage rating. If you use a
fuse with higher capacity than the
specification, the component can be
damaged or catch fire. -Do not drop or appy excessive impact to
sensors and relays. -
80℃
10 A 15 A
Make sure to turn "OFF" the ignition switch
and other lamp switches before disconnecting
or connecting the negative battery cable.
(Otherwise, semiconductor parts can be
damaged.)
Page 542 of 1082
02-4
Make sure a connector is connected
securely. Loose connection results in
malfunction. -
When disconnecting a connector equipped with
a lock, press it down to the direction in the below
figure. -
When checking voltage or continuity of the
connector terminal with a circuit tester, connect
the tester probe to the terminal at the harness
side. For a sealed type connector, connect the
probe to the terminal through the hole in the
rubber cap of the wiring. Take care not to
damage the insulation of the wires. Insert the
probe until it contacts the terminal completely. -
When inspecting the airbag system, make sure to use a diagnostic device, not a circuit tester.
Page 543 of 1082
02-58410-00
2. CHECKING CABLES AND WIRES
Check for loose connection or rust.
Check terminals and wires for corrosion due to electrolyte leakage.
Check terminals and wires for open circuit.
Check the wire insulation and coat for damage, cracks or deterioration.
Check if the conductive parts of the terminals do not contact with vehicle body or other metal parts.
Check that the grounding part has continuity with mounting bolts and vehicle body.
Check that wires are properly routed.
Make sure that wires are securely fixed to avoid contact with sharp body parts and high-temperature
parts, such as the exhaust manifold and exhaust pipes.
The rotating parts, such as fan pulley and fan belt, perturbative parts and wiring should be secured
tightly at regular intervals.
Secure the wiring between the fixed parts, such as the vehicle body, and vibrating parts, such as the
engine, after slackening it slightly to prevent it from being damaged. -
-
-
-
-
-
-
-
-
-
Page 544 of 1082
02-6
ICM box
Interior fuse box
Fuse box in engine compartment
The fuse and relay boxes consist of three boxes: Integrated Control Module (ICM) box in which the
relays of rear wiper, rear fog lamp, mirror folding, ACC, IGN1 & 2, horn, tailgate, power outlet, shift lock
(A/T) are integrated, relay & fuse box in engine compartment and interior fuse box.
2. SYSTEM LAYOUT1. OVERVIEW
Page 545 of 1082
02-78410-00
3. OPERATING PROCESS
1) Fuse Box In Engine Compartment
The relay & fuse box in engine compartment is located in the left side of the engine compartment. The
wiper relay, horn relay, fog lamp relay, tail lamp relay and PTC relay are included in the PCB. The B+
supply is provided through the ALT+ (A) line, not by an extra fuse.
Capacity and name of engine compartment fuse and relay ▶
Page 546 of 1082
02-8
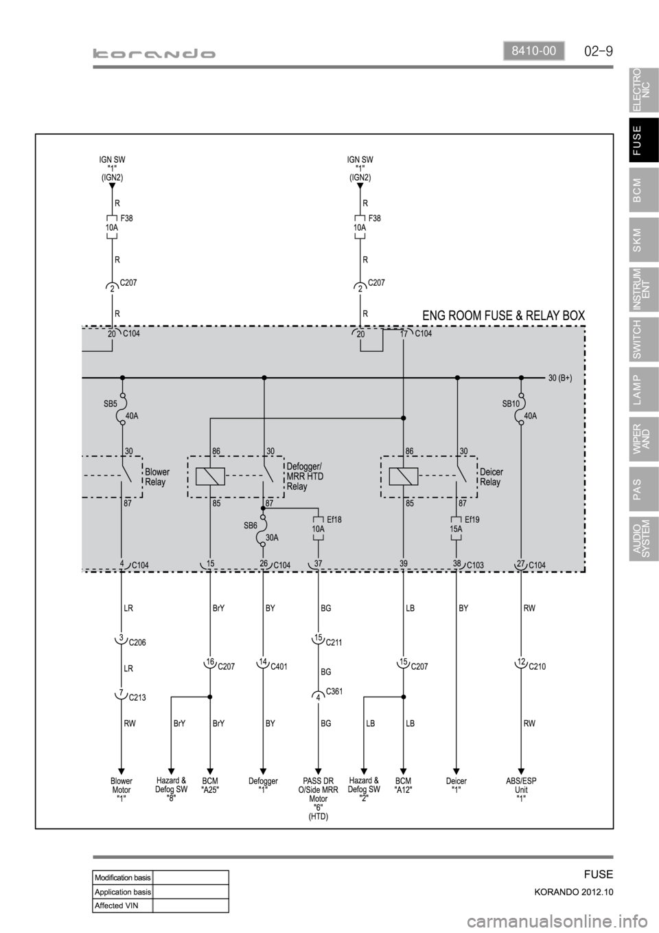
Engine compartment fuse and relay box I (SB1~SB6, SB10, Ef18~Ef19, START RELAY,
BLOWER RELAY, DEFOGGER RELAY, DEICER RELAY) ▶
Page 547 of 1082
Page 548 of 1082
02-10
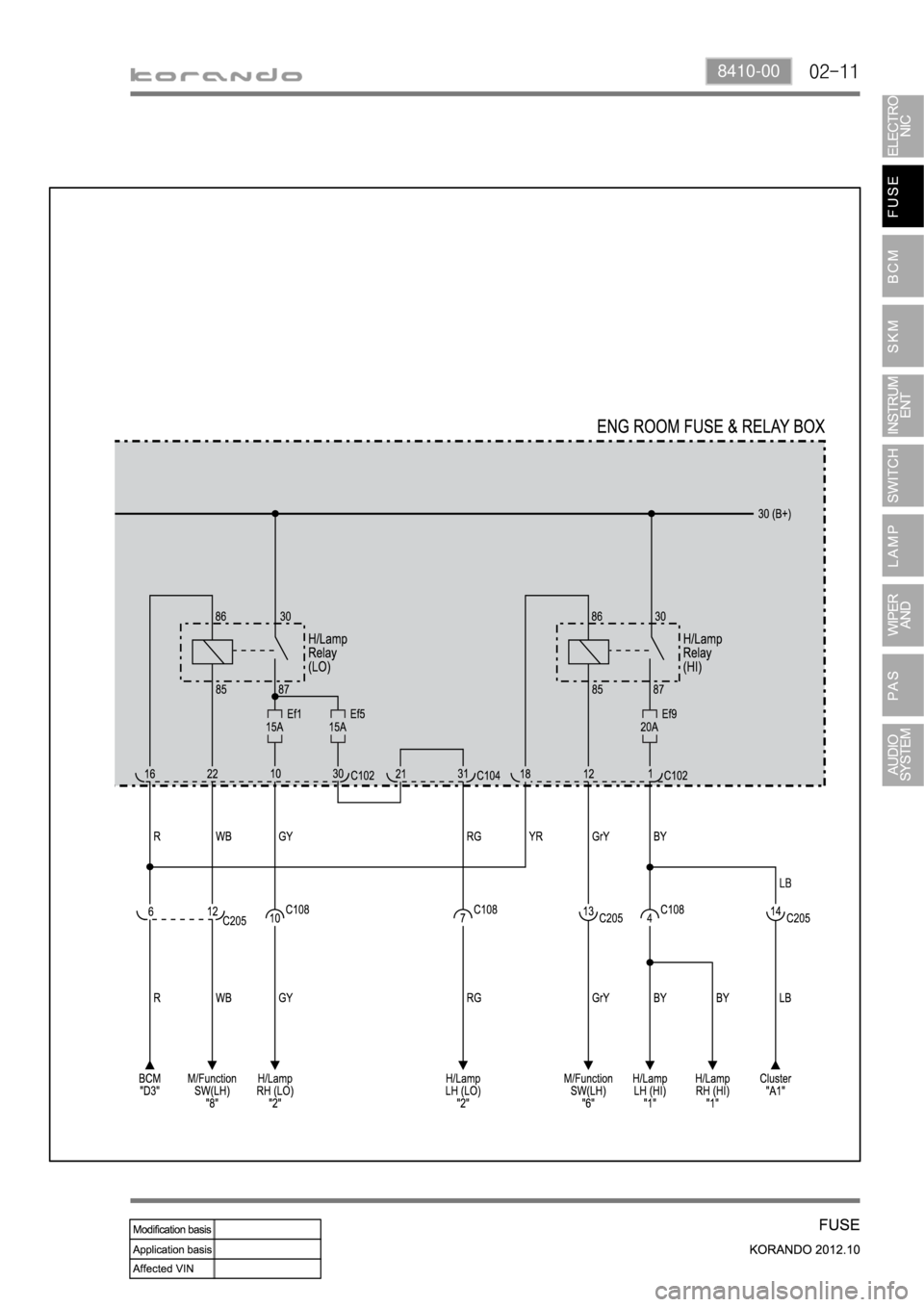
Engine compartment fuse and relay box II (SB7~SB9, Ef1, Ef5, Ef9, Ef11, PTC RELAY, FUEL
HEATER RELAY, HEAD LAMP RELAY(HI, LO)) ▶
Page 549 of 1082
Page 550 of 1082
02-12
Engine compartment fuse and relay box IV (SB11~SB14, Ef12~Ef13, Ef24, ENG MAIN RELAY,
C/FAN RELAY, C/FAN RELAY(HI, LO), COMP RELAY) ▶
Trending: fuse, oil dipstick, OBD port, instrument cluster, bluetooth, towing capacity, check transmission fluid