sensor SUBARU TRIBECA 2009 1.G Service Workshop Manual
[x] Cancel search | Manufacturer: SUBARU, Model Year: 2009, Model line: TRIBECA, Model: SUBARU TRIBECA 2009 1.GPages: 2453, PDF Size: 46.32 MB
Page 1300 of 2453

EN(H6DO)(diag)-139
Diagnostic Procedure with Diagnostic Trouble Code (DTC)
ENGINE (DIAGNOSTICS)
Z: DTC P0108 MANIFOLD ABSOLUTE PRESSURE/BAROMETRIC PRESSURE
CIRCUIT HIGH INPUT
DTC DETECTING CONDITION:
•Immediately at fault recognition
•GENERAL DESCRIPTION
CAUTION:
After repair or replacement of faulty parts, perform Clear Memory Mode
WIRING DIAGRAM:
EN-03657
29619
MANIFOLD ABSOLUTEPRESSURE SENSOR
19207B21
E2
132E28
ECMB134
B21
123412131415567816171819910 1120212223 24 25 2627 28 29 3031 32 33
3534 37363938 41404342 4445 47464948 51505352 54
651E77
E76
E28
123
E77
134562
B134
85610 11 12 13 14 157213416
3019 20 2228 29
91718252123 24323126 2733 34
Page 1301 of 2453

EN(H6DO)(diag)-140
Diagnostic Procedure with Diagnostic Trouble Code (DTC)
ENGINE (DIAGNOSTICS)
Step Check Yes No
1CHECK OUTPUT SIGNAL OF ECM.
Measure the voltage between ECM connector
and chassis ground.
Connector & terminal
(B134) No. 19 (+) — Chassis ground (–):
Is the voltage more than 4.5 V? Go to step 3.Go to step 2.
2CHECK OUTPUT SIGNAL OF ECM.
Measure the voltage between ECM connector
and chassis ground.
Connector & terminal
(B134) No. 19 (+) — Chassis ground (–):
Does the voltage change by
shaking the ECM harness and
connector?
Repair poor con-
tact in ECM con-
nector.
Replace the ECM.
Engine Control
Module (ECM).>
3CHECK INPUT SIGNAL OF ECM.
Measure the voltage between ECM connector
and chassis ground.
Connector & terminal
(B134) No. 6 (+) — Chassis ground (–):
Is the voltage more than 4.5 V? Go to step 5.Go to step 4.
4CHECK INPUT SIGNAL FOR ECM (USING
SUBARU SELECT MONITOR).
Read the data of atmospheric absolute pres-
sure signal using Subaru Select Monitor.
NOTE:For detailed operation procedures, refer to
“READ CURRENT DATA FOR ENGINE”.
tor.>
Is the measured value more
than 13.3 kPa (100 mmHg,
3.94 inHg) when shaking the
ECM harness and connector?
Repair poor con-
tact in ECM con-
nector.
Go to step 5.
5CHECK HARNESS BETWEEN ECM AND
MANIFOLD ABSOLUTE PRESSURE SEN-
SOR CONNECTOR.
1) Turn the ignition switch to OFF.
2) Disconnect the connector from manifold
absolute pressure sensor.
3) Turn the ignition switch to ON.
4) Measure the voltage between manifold
absolute pressure sensor connector and
engine ground.
Connector & terminal
(E28) No. 3 (+) — Engine ground (–):
Is the voltage more than 4.5 V? Go to step 6.Repair the open
circuit of harness
between ECM and
manifold absolute
pressure sensor
connector.
6CHECK HARNESS BETWEEN ECM AND
MANIFOLD ABSOLUTE PRESSURE SEN-
SOR CONNECTOR.
1) Turn the ignition switch to OFF.
2) Disconnect the connectors from ECM.
3) Measure the resistance of harness
between ECM and manifold absolute pressure
sensor connector.
Connector & terminal
(B134) No. 6 — (E28) No. 2:
Is the resistance less than 1
Ω?
Go to step 7.Repair the open
circuit of harness
between ECM and
manifold absolute
pressure sensor
connector.
7CHECK HARNESS BETWEEN THE MANI-
FOLD ABSOLUTE PRESSURE SENSOR
CONNECTOR.
1) Turn the ignition switch to ON.
2) Measure the voltage between ECM con-
nector and chassis ground.
Connector & terminal
(B134) No. 6 (+) — Chassis ground (–):
Is the voltage more than 4.5 V? Repair the battery
short circuit of har-
ness between
ECM and mani-
fold absolute pres-
sure sensor
connector.
Go to step 8.
Page 1302 of 2453

EN(H6DO)(diag)-141
Diagnostic Procedure with Diagnostic Trouble Code (DTC)
ENGINE (DIAGNOSTICS)
8CHECK HARNESS BETWEEN ECM AND
MANIFOLD ABSOLUTE PRESSURE SEN-
SOR CONNECTOR.
1) Turn the ignition switch to OFF.
2) Measure the resistance of harness
between ECM and manifold absolute pressure
sensor connector.
Connector & terminal
(B134) No. 29 — (E28) No. 1:
Is the resistance less than 1
Ω?
Go to step 9.Repair the open
circuit of harness
between ECM and
manifold absolute
pressure sensor
connector.
9CHECK POOR CONTACT.
Check poor contact of manifold absolute pres-
sure sensor connector.
Is there poor contact in mani-
fold absolute pressure sensor
connector?
Repair the poor
contact of manifold
absolute pressure
sensor connector.
Replace the mani-
fold absolute pres-
sure sensor.
Manifold Absolute
Pressure Sensor.>
Step Check Yes No
Page 1303 of 2453

EN(H6DO)(diag)-142
Diagnostic Procedure with Diagnostic Trouble Code (DTC)
ENGINE (DIAGNOSTICS)
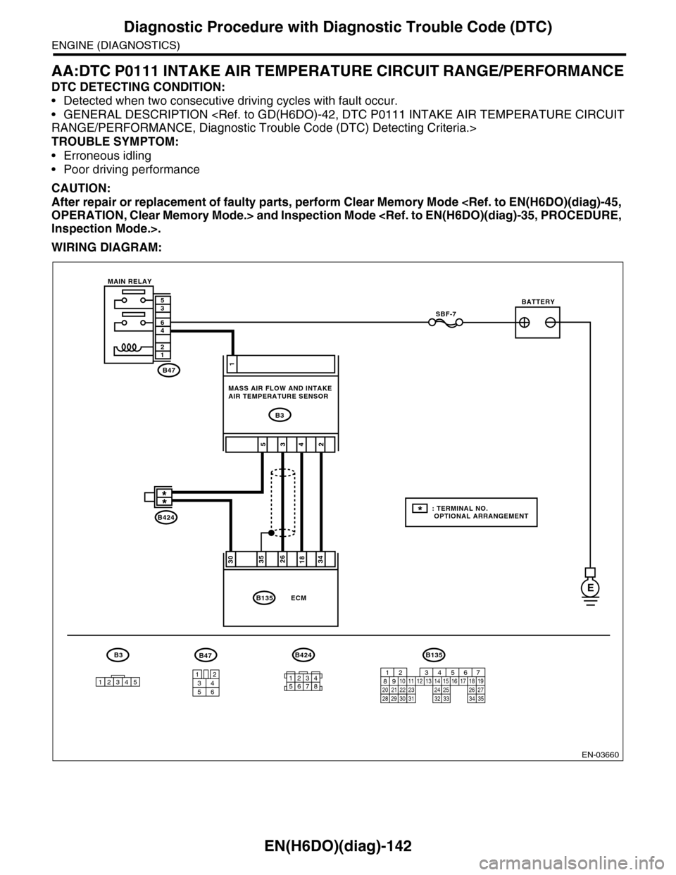
AA:DTC P0111 INTAKE AIR TEMPERATURE CIRCUIT RANGE/PERFORMANCE
DTC DETECTING CONDITION:
•Detected when two consecutive driving cycles with fault occur.
•GENERAL DESCRIPTION
TROUBLE SYMPTOM:
•Erroneous idling
•Poor driving performance
CAUTION:
After repair or replacement of faulty parts, perform Clear Memory Mode
WIRING DIAGRAM:
EN-03660
B3
BATTERY
E
B424
1
B3
MASS AIR FLOW AND INTAKEAIR TEMPERATURE SENSOR
ECMB135
SBF-7
123453412
56
B47
**
2435
3418263035
MAIN RELAY
B47
12
46
35
B424
12345678
* : TERMINAL NO. OPTIONAL ARRANGEMENT
B135
567821943102422 23 2511 12 13 14 1526 2728
16 17 18 1920 2129 30 31 32 33 34 35
Page 1304 of 2453

EN(H6DO)(diag)-143
Diagnostic Procedure with Diagnostic Trouble Code (DTC)
ENGINE (DIAGNOSTICS)
Step Check Yes No
1CHECK ANY OTHER DTC ON DISPLAY.Is any other DTC displayed? Check the appro-
priate DTC using
the “List of Diag-
nostic Trouble
Code (DTC)”.
69, List of Diag-
nostic Trouble
Code (DTC).>
NOTE:In this case, it is
not necessary to
inspect DTC
P0111.
Go to step 2.
2CHECK ENGINE COOLANT TEMPERA-
TURE.
1) Start the engine and warm-up completely.
2) Measure the engine coolant temperature
using the Subaru Select Monitor or general
scan tool.
NOTE:•Subaru Select Monitor
For detailed operation procedures, refer to
“READ CURRENT DATA FOR ENGINE”.
tor.>
•General scan tool
For detailed operation procedure, refer to the
general scan tool operation manual.
Is the engine coolant tempera-
ture 75 — 95°C (167 — 203°F)
?
Replace the mass
air flow and intake
air temperature
sensor.
Mass Air Flow and
Intake Air Temper-
ature Sensor.>
Check DTC P0125
using “List of Diag-
nostic Trouble
Code (DTC).”
69, List of Diag-
nostic Trouble
Code (DTC).>
Page 1305 of 2453

EN(H6DO)(diag)-144
Diagnostic Procedure with Diagnostic Trouble Code (DTC)
ENGINE (DIAGNOSTICS)
AB:DTC P0112 INTAKE AIR TEMPERATURE CIRCUIT LOW INPUT
DTC DETECTING CONDITION:
•Immediately at fault recognition
•GENERAL DESCRIPTION
TROUBLE SYMPTOM:
•Erroneous idling
•Poor driving performance
CAUTION:
After repair or replacement of faulty parts, perform Clear Memory Mode
WIRING DIAGRAM:
EN-03660
B3
BATTERY
E
B424
1
B3
MASS AIR FLOW AND INTAKEAIR TEMPERATURE SENSOR
ECMB135
SBF-7
123453412
56
B47
**
2435
3418263035
MAIN RELAY
B47
12
46
35
B424
12345678
* : TERMINAL NO. OPTIONAL ARRANGEMENT
B135
567821943102422 23 2511 12 13 14 1526 2728
16 17 18 1920 2129 30 31 32 33 34 35
Page 1306 of 2453

EN(H6DO)(diag)-145
Diagnostic Procedure with Diagnostic Trouble Code (DTC)
ENGINE (DIAGNOSTICS)
Step Check Yes No
1CHECK CURRENT DATA.
1) Start the engine.
2) Read the data of mass air flow and intake
air temperature sensor signal using Subaru
Select Monitor or general scan tool.
NOTE:
•Subaru Select Monitor
For detailed operation procedures, refer to
“READ CURRENT DATA FOR ENGINE”.
tor.>
•General scan tool
For detailed operation procedure, refer to the
general scan tool operation manual.
Is the intake air temperature
above 120°C (248°F) ?
Go to step 2.Repair the poor
contact.
NOTE:
In this case, repair
the following item:
•Poor contact
in mass air flow
and intake air
temperature
sensor
•Poor contact
in ECM
•Poor contact
of coupling con-
nector
•Poor contact
of joint connec-
tor
2CHECK HARNESS BETWEEN MASS AIR
FLOW AND INTAKE AIR TEMPERATURE
SENSOR AND ECM CONNECTOR.
1) Turn the ignition switch to OFF.
2) Disconnect the connector from mass air
flow and intake air temperature sensor.
3) Turn the ignition switch to ON.
4) Read the data of mass air flow and intake
air temperature sensor signal using Subaru
Select Monitor or general scan tool.
NOTE:
•Subaru Select Monitor
For detailed operation procedures, refer to
“READ CURRENT DATA FOR ENGINE”.
tor.>
•General scan tool
For detailed operation procedure, refer to the
general scan tool operation manual.
Is the intake air temperature
less than –40°C (–40°F) ?
Replace the mass
air flow and intake
air temperature
sensor.
Mass Air Flow and
Intake Air Temper-
ature Sensor.>
Repair the ground
short circuit of har-
ness between
mass air flow and
intake air tempera-
ture sensor and
ECM connector.
Page 1307 of 2453

EN(H6DO)(diag)-146
Diagnostic Procedure with Diagnostic Trouble Code (DTC)
ENGINE (DIAGNOSTICS)
AC:DTC P0113 INTAKE AIR TEMPERATURE CIRCUIT HIGH INPUT
DTC DETECTING CONDITION:
•Immediately at fault recognition
•GENERAL DESCRIPTION
TROUBLE SYMPTOM:
•Erroneous idling
•Poor driving performance
CAUTION:
After repair or replacement of faulty parts, perform Clear Memory Mode
WIRING DIAGRAM:
EN-03660
B3
BATTERY
E
B424
1
B3
MASS AIR FLOW AND INTAKEAIR TEMPERATURE SENSOR
ECMB135
SBF-7
123453412
56
B47
**
2435
3418263035
MAIN RELAY
B47
12
46
35
B424
12345678
* : TERMINAL NO. OPTIONAL ARRANGEMENT
B135
567821943102422 23 2511 12 13 14 1526 2728
16 17 18 1920 2129 30 31 32 33 34 35
Page 1308 of 2453

EN(H6DO)(diag)-147
Diagnostic Procedure with Diagnostic Trouble Code (DTC)
ENGINE (DIAGNOSTICS)
Step Check Yes No
1CHECK CURRENT DATA.
1) Start the engine.
2) Read the data of mass air flow and intake
air temperature sensor signal using Subaru
Select Monitor or general scan tool.
NOTE:
•Subaru Select Monitor
For detailed operation procedures, refer to
“READ CURRENT DATA FOR ENGINE”.
tor.>
•General scan tool
For detailed operation procedure, refer to the
general scan tool operation manual.
Is the intake air temperature
less than –40°C (–40°F) ?
Go to step 2.Repair the poor
contact.
NOTE:
In this case, repair
the following item:
•Poor contact
in mass air flow
and intake air
temperature
sensor
•Poor contact
in ECM
•Poor contact
of coupling con-
nector
•Poor contact
of joint connec-
tor
2CHECK HARNESS BETWEEN MASS AIR
FLOW AND INTAKE AIR TEMPERATURE
SENSOR AND ECM CONNECTOR.
1) Turn the ignition switch to OFF.
2) Disconnect the connector from mass air
flow and intake air temperature sensor.
3) Measure the voltage between mass air flow
and intake air temperature sensor connector
and engine ground.
Connector & terminal
(B3) No. 4 (+) — Engine ground (–):
Is the voltage more than 10 V? Repair the battery
short circuit of har-
ness between
mass air flow and
intake air tempera-
ture sensor and
ECM connector.
Go to step 3.
3CHECK HARNESS BETWEEN MASS AIR
FLOW AND INTAKE AIR TEMPERATURE
SENSOR AND ECM CONNECTOR.
1) Turn the ignition switch to ON.
2) Measure the voltage between mass air flow
and intake air temperature sensor connector
and engine ground.
Connector & terminal
(B3) No. 4 (+) — Engine ground (–):
Is the voltage more than 10 V? Repair the battery
short circuit of har-
ness between
mass air flow and
intake air tempera-
ture sensor and
ECM connector.
Go to step 4.
Page 1309 of 2453

EN(H6DO)(diag)-148
Diagnostic Procedure with Diagnostic Trouble Code (DTC)
ENGINE (DIAGNOSTICS)
4CHECK HARNESS BETWEEN MASS AIR
FLOW AND INTAKE AIR TEMPERATURE
SENSOR AND ECM CONNECTOR.
Measure the voltage between mass air flow
and intake air temperature sensor connector
and engine ground.
Connector & terminal
(B3) No. 4 (+) — Engine ground (–):
Is the voltage more than 3 V? Go to step 5.Repair the har-
ness and connec-
tor.
NOTE:In this case, repair
the following item:
•Broken wire
between mass
air flow and in-
take air temper-
ature sensor
and ECM con-
nector.
•Poor contact
in mass air flow
and intake air
temperature
sensor
•Poor contact
in ECM
•Poor contact
of coupling con-
nector
•Poor contact
of joint connec-
tor
5CHECK HARNESS BETWEEN MASS AIR
FLOW AND INTAKE AIR TEMPERATURE
SENSOR AND ECM CONNECTOR.
1) Turn the ignition switch to OFF.
2) Measure the resistance of harness
between mass air flow and intake air tempera-
ture sensor connector and engine ground.
Connector & terminal
(B3) No. 5 — Engine ground:
Is the resistance less than 5
Ω?
Replace the mass
air flow and intake
air temperature
sensor.
Mass Air Flow and
Intake Air Temper-
ature Sensor.>
Repair the har-
ness and connec-
tor.
NOTE:In this case, repair
the following item:
•Broken wire
between mass
air flow and in-
take air temper-
ature sensor
and ECM con-
nector.
•Poor contact
in mass air flow
and intake air
temperature
sensor
•Poor contact
in ECM
•Poor contact
of joint connec-
tor
Step Check Yes No