TOYOTA HIGHLANDER 2001 Service Repair Manual
Manufacturer: TOYOTA, Model Year: 2001, Model line: HIGHLANDER, Model: TOYOTA HIGHLANDER 2001Pages: 2572, PDF Size: 34.8 MB
Page 641 of 2572

2005 HIGHLANDER (EWD592U)
282
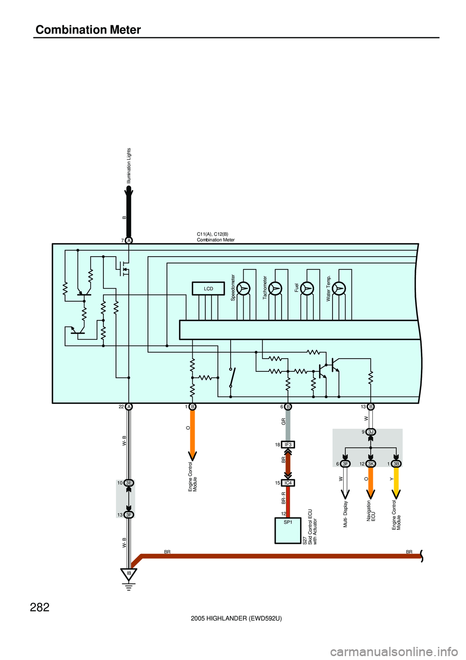
Combination Meter
A 22
Engine Control
Module
3J 9
3K 12 3B1
Navigation
ECU
Engine Control
ModuleO
W O
Y
3E 10
3F 13
W- B
3F 6
Multi- DisplayW
IF3 18
IC4 15
GR BR BR- R
12
SP1
IB
W- B
1B 6B 7A
13 B
Speedometer
Tachometer
LCDFuel
Water Temp. Illumination Lights B
BR
S27
BRC11(
A)
, C12(
B)
Combination Meter
Skid Control ECU
with Actuator
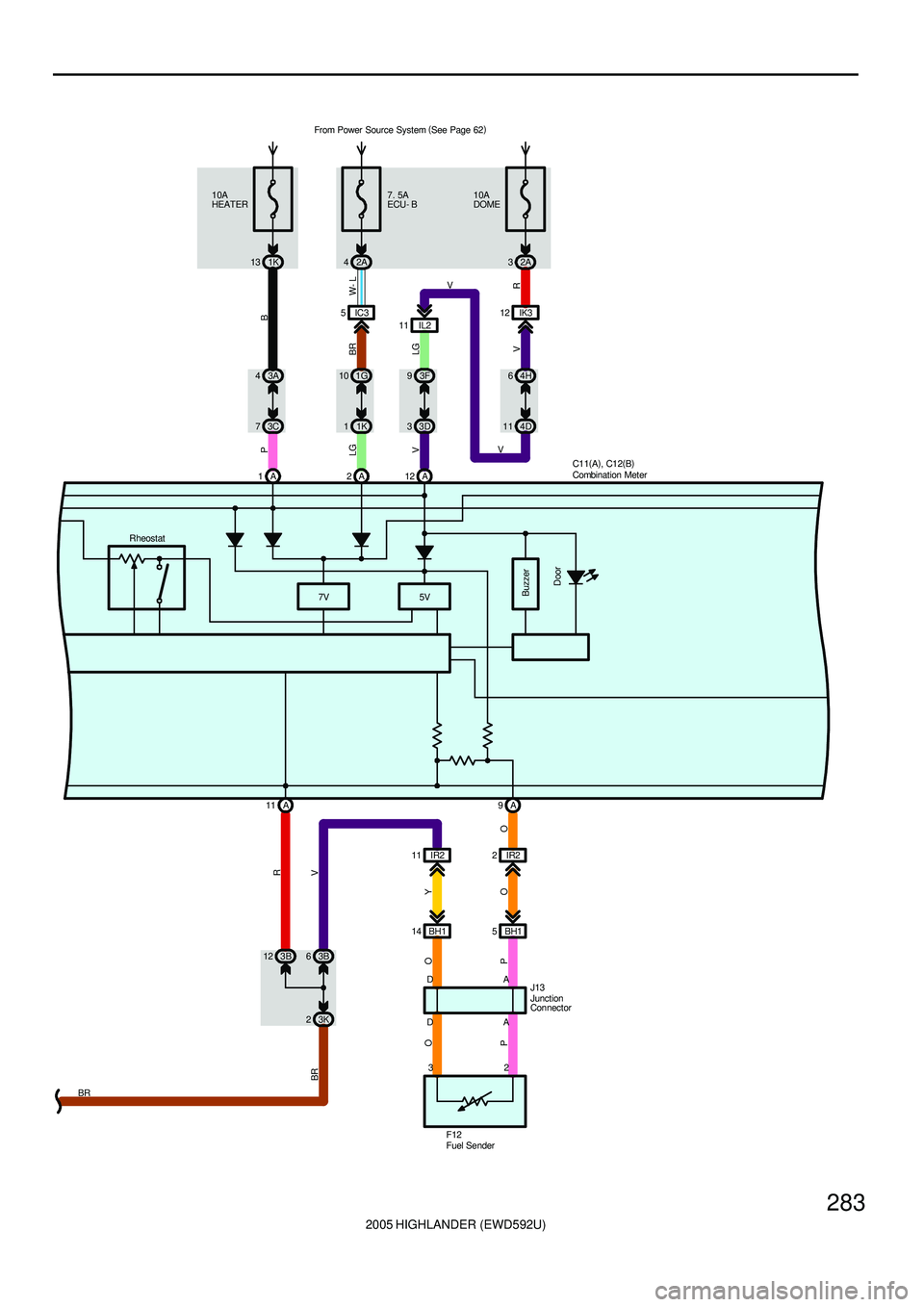
Page 642 of 2572

2005 HIGHLANDER (EWD592U)
283
A 9 10A
HEATER
1K 137. 5A
ECU- B
2A 4
IC3 5
1G 10
1K 1 3A 4
3C 7
B P
LG W- LBR
3F 9
3D 3
VLG
4H 6
4D 11 10A
DOME
2A 3
R VV
V
IR2 2
BH1 5
O O P
F12IK3 12
2 IL2 11
14 BH1
O
3 D D
A A
P O
J13 A 11
3B 12
R
IR2 11
3B 6
3K 2
V BR
Y
1
Buzzer7V 5VDoor
A2A12A
Rheostat
BRFrom Power Source System (
See Page 62)
C11(
A)
, C12(
B)
Combination Meter
Fuel SenderJunction
Connector
Page 643 of 2572

2005 HIGHLANDER (EWD592U)
284
Combination Meter
CRUISER
N
D
3
2
L
Fuel
O/D OFF
ECT SNOW
Charge
Oil
PressureP
(
*1) (
*1)
C11(
A)
, C12(
B)
Combination Meter
Page 644 of 2572

2005 HIGHLANDER (EWD592U)
285
IF2 10
IC3 8
EA A1
2
BR P Y- B W- B Y- B
Engine Control Module
Skid Control ECU
with Actuator
L
V
B
W
P
BR
Combination SW
J 3
W 1
IC3 7
IF3 7 15A
H- LP
RH LWR
2
R- Y B G
2 1
IF3 15
IC4 1
EB A
R R- B W- B R- B
J 4
B 4
B
Washer Level
Malfunction
Indicator Lamp
Brake
ABS
VSC
Beam
Turn LH
Turn RH
19 AA 15 A 14 B 16
7 A 17 11 B B 10 B 4 B 12
L
GRTurn Signal Flasher SlipDriver' s
Seat Belt
TRAC OFFAirbag
A/T
OI L TEMP
MAINT REQD
Tire Air
Pressure(
2WD) (
2WD)
13 A 10A
IGN
1G 6
4M 4
4E 1
W
SB P
J 6
E E
IL1 9 P
P
(
USA) (
USA)
* 1 : 3MZ- FEFr om Power Source System (
See Page 62)
Brake Warning SW
Junction
ConnectorJunction
Connector
Junction
Connector Washer Level
Sensor
Combination Meter C11(
A)
, C12(
B)
2 1
Page 645 of 2572

2005 HIGHLANDER (EWD592U)
286
Combination Meter
IB2
IF3 5
A 10
B 6
B 18
B 29
I 31
Y O W GR GR
IL2 1
GR
SB
MPX2
MPX1
MPX1
MPX2
10
Y
S20
MPX1
Y
C 22
Y- B
MOPS
1
O 1
3E 1
E 19
G- B
THW2 1
E 2BRT 4
MPX1
V
(
*6)
3J 12G
G
GR
(
*5) (
*5)
B 9 A 21 3H 531
IE 1 6
B 9(
A)
, B10(
B)
C11(
A)
, C12(
B)
E 6(
B)
, E 7(
E)
, E 9(
C)
Body ECU
Combination Meter
Engine Coolant Temp.
Sensor
Engine Control Module
Oil Pr essure SW Sliding Roof
Control ECUTheft Deterrent ECU
E 28A 5
B 5
E2
BR
Short Connector S28(
A)
, S29(
B)
E14
W- BBR
BR
(
*1) (
*7) (
*7)(
*1)
Page 646 of 2572

2005 HIGHLANDER (EWD592U)
287
3
O 3Y
(
*2)
44O4F 7IB2 87 8
P 5
MPX2
MPX1
4A 5A 9
B 2MPX-
MPX+
G
A 2A1
B 2B1 A17
MPX2 MPX1
22 24
4 11
G 5
MPD2
MPD1
V
(
*3) G
(
*3)G
(
*4) BR BR BRSB V
G
R GR
IL2 12
A10(
A)
, A11(
B) S30(
A)
, S31(
B)
A/C Control Assembly
Airbag Sensor
Assembly
Gateway ECU Option Connector 1Power Window Master SW
with ECU
Shor t Connector
* 2 : w/o Theft Deterrent System * 1 : 3MZ- FE
* 3 : w/ Navigation System
* 4 : w/o Navigation System
* 5 : w/ Moon Roof
* 6 : w/ Theft Deterr ent System
* 7 : 2AZ- FE
Page 647 of 2572

2005 HIGHLANDER (EWD592U)
288
Combination Meter
C11 (A) Combination Meter
(A)12-Ground : Always approx. 12 volts
(A) 1-Ground : Approx. 12 volts with the ignition SW at ON position
(A) 2-Ground : Always approx. 12 volts
(A) 11-Ground : Always continuity
(A)22-Ground : Always continuity
F12 Fuel Sender
2-3 : Approx. 1.9-2.1 W at fuel full
Approx. 38.6-38.8 W at fuel empty
: PARTS LOCATION
CodeSee PageCodeSee PageCodeSee Page
A10A42E6B42P544
A11B42E7E42S2045
A1742F1244S2739 (3MZ-FE)
B438 (3MZ-FE)G543S2741 (2AZ-FE)B440 (2AZ-FE)J439 (3MZ-FE)S28A43
B9A42J441 (2AZ-FE)S29B43
B10B42J643S30A43
C11A42J1344S31B43
C12B42O139 (3MZ-FE)T443
E238 (3MZ-FE)O141 (2AZ-FE)W139 (3MZ-FE)E240 (2AZ-FE)O343W141 (2AZ-FE)
: RELAY BLOCKS
CodeSee PageRelay Blocks (Relay Block Location)
222Engine Room R/B (Engine Compartment Left)
: JUNCTION BLOCK AND WIRE HARNESS CONNECTOR
CodeSee PageJunction Block and Wire Harness (Connector Location)
1G29Cowl Wire and Instrument Panel J/B (Lower Finish Panel)
1K28Instrument Panel Wire and Instrument Panel J/B (Lower Finish Panel)
2A27Engine Room Main Wire and Engine Room J/B (Engine Compartment Left)
3A
3B
3C303D30
3EInstrument Panel Wire and Center J/B (Behind the Instrument Panel Center)
3F
()
3H
3J31
3K
4A
4D
4E33
4FCowl Wire and Passenger Side J/B (Right Side of Grove Box)
4H
g(g )
4M324O32
Service Hints
Page 648 of 2572

2005 HIGHLANDER (EWD592U)
289
: CONNECTOR JOINING WIRE HARNESS AND WIRE HARNESS
CodeSee PageJoining Wire Harness and Wire Harness (Connector Location)
IB252Front Door LH Wire and Cowl Wire (Left Kick Panel)
IC352Engine Room Main Wire and Cowl Wire (Left Cowl Side Panel)IC452Engine Room Main Wire and Cowl Wire (Left Cowl Side Panel)
IE152Roof Wire and Cowl Wire (Near the Bottom of Left Front Pillar)
IF252Instrument Panel Wire and Cowl Wire (Right Side of Instrument Panel J/B)IF352Instrument Panel Wire and Cowl Wire (Right Side of Instrument Panel J/B)
IK354Engine Room Main Wire and Cowl Wire (Right Cowl Side Panel)
IL154Instrument Panel Wire and Cowl Wire (Upper Side of Passenger Side J/B)IL254Instrument Panel Wire and Cowl Wire (Upper Side of Passenger Side J/B)
IR254Instrument Panel Wire and Floor Wire (Under the Shift Lever)
BH156Floor No.2 Wire and Floor Wire (Near the Rear Side Marker Light RH)
: GROUND POINTS
CodeSee PageGround Points Location
EA48 (3MZ-FE)EA50 (2AZ-FE)Right Front Fender Apron
EB48 (3MZ-FE)Right Front Fender Apron
EB50 (2AZ-FE)
IB52Right Instrument Panel Brace
: SPLICE POINTS
CodeSee PageWire Harness with Splice PointsCodeSee PageWire Harness with Splice Points
E1448 (3MZ-FE)Engine WireI354Cowl Wire
Page 649 of 2572

2005 HIGHLANDER (EWD592U)
290
Radiator Fan and Condenser Fan for 3MZ-FE
10A
HEATER
1G 8
72G 62G
25 1322
2
D 22
E 2
2
1 22E 42E 2G 8
2B 3
EH A
EB A 2 3
1 2 2G 3 22
22
140A ALT
30A CDS
30A RDI
F 7
46
15 232
W 4
2
22
2 1
121 B- R
B- R
B- Y
R- Y
W
W
Y R- Y
B- Y B- Y
R- Y W- B W- B
W- B
W- BB- Y
R- Y W- B R- L
Y- G
R- Y L- WR- L R- L
L- Y L- RB- RB- R R- Y
Y
Y
CF
J 4 W 3R 1 A 3
C 5
Battery
FAN NO. 1
Relay FAN NO. 2
Relay FAN NO. 3
Relay 1
52 431
2 FL MAI N
3. 0W
R- Y
EG
W- B
A
A
IK27
B- R
2A8
B- R
J 5
ACMGB 2C8
A 42F 22G
18 IK3
O
M M
EB2 2
EB2 5From Power Source System (
See Page 62)
Single J 2
E 6(
B)
E 9(
C)
Pr essure SW
Condenser Fan
Motor
Diode
(
Cooling Fan)
Engine Control ModuleFusible Link Block
Junction
Connector
Junction
Connector
Junction
Connector
Radiator Fan Motor
Water Temp. SW No. 1 Water Temp. SW No. 2
Page 650 of 2572

2005 HIGHLANDER (EWD592U)
291
The radiator fan motor and condenser fan motor operates according to the water temp. SW NO.1, water temp. SW NO.2,
A/C single pressure SW, and the A/C system condition. The FAN NO.1 relay, FAN NO.2 relay, FAN NO.3 relay are turned
on/off, to operate the fan motors at low speed (In series), or high speed (In parallel).
Low Speed Operation
When the A/C system is operated, or the water temp. SW no.2 is turned on, the condenser fan motor and radiator fan motor
rotate at low speed.
High Speed Operation
When the A/C single pressure SW is turned on, or the water temp. SW no.1 is turned on, the condenser fan motor and
radiator fan motor rotate at high speed.
A3 Pressure SW
3-2 : Close above approx. 15.5 kgf/cm2 (220 psi, 1520 kpa)
Open below approx. 12.5 kgf/cm2 (178 psi, 1226 kpa)
W3 Water Temp. SW No. 1
2-1 : Close above approx. 95°C (203°F)
W4 Water Temp. SW No. 2
1-Ground : Close above approx. 90°C (198°F)
: PARTS LOCATION
CodeSee PageCodeSee PageCodeSee Page
A338 (3MZ-FE)E9C42J543
C538 (3MZ-FE)F738 (3MZ-FE)R139 (3MZ-FE)
D242J239 (3MZ-FE)W339 (3MZ-FE)
E6B42J439 (3MZ-FE)W439 (3MZ-FE)
: RELAY BLOCKS
CodeSee PageRelay Blocks (Relay Block Location)
222Engine Room R/B (Engine Compartment Left)
: JUNCTION BLOCK AND WIRE HARNESS CONNECTOR
CodeSee PageJunction Block and Wire Harness (Connector Location)
1G29Cowl Wire and Instrument Panel J/B (Lower Finish Panel)
2A
2B
2E27Engine Room Main Wire and Engine Room J/B (Engine Compartment Left)
2F
gg(g)
2G
: CONNECTOR JOINING WIRE HARNESS AND WIRE HARNESS
CodeSee PageJoining Wire Harness and Wire Harness (Connector Location)
EB248 (3MZ-FE)Engine Wire and Engine Room Main Wire (Front Side of Engine Room R/B)
IK254Engine Room Main Wire and Cowl Wire (Right Cowl Side Panel)IK354Engine Room Main Wire and Cowl Wire (Right Cowl Side Panel)
: GROUND POINTS
CodeSee PageGround Points Location
EB48 (3MZ-FE)Right Front Fender Apron
EG48 (3MZ FE)Under the Left HeadlightEH48 (3MZ-FE)Under the Left Headlight
System Outline
Service Hints