YAMAHA YZ450F 2014 Notices Demploi (in French)
Manufacturer: YAMAHA, Model Year: 2014, Model line: YZ450F, Model: YAMAHA YZ450F 2014Pages: 388, PDF Size: 10.74 MB
Page 341 of 388

SYSTEME D’INJECTION DE CARBURANT
8-31
4 Boîtier de commande électro-
nique défectueux.Remplacer le boîtier de com-
mande électronique.
Code de défaillance. 50
SymptômesBoîtier de commande électronique: mémoire du boîtier de
commande électronique défectueuse
Système de sécurité intégréNe peut pas démarrer le moteur
Ne peut pas conduire le véhicule
Nº de code de diagnostic—
Affichage de l’outil de diag-
nostic—
Procédure—
Or-
dreCause probable de la dé-
faillance et contrôleTravail d’entretien Méthode de rétablissement
1 Boîtier de commande électro-
nique défectueux.Remplacer le boîtier de com-
mande électronique.Placer le commutateur du
faisceau de fils auxiliaire de
l’outil de diagnostic du sys-
tème d’injection de carburant
sur “ON”.
Contrôler que le code de dé-
faillance ne s’affiche pas. Code de défaillance. 46
SymptômesAlimentation électrique des circuits du véhicule: une tension
normale n’est pas fournie au boîtier de commande électro-
nique.
Page 342 of 388

SYSTEME D’INJECTION DE CARBURANT
8-32
Code de défaillance. En attente de connexion
SymptômesAucun signal de communication n’est reçu en provenance du
boîtier de commande électronique.
Système de sécurité intégréMise en marche possible (impossible en cas de défaillance du boî-
tier de commande électronique)
Conduite du véhicule possible (impossible en cas de défaillance du
boîtier de commande électronique)
Nº de code de diagnostic—
Affichage de l’outil de diag-
nostic—
Procédure—
Or-
dreCause probable de la dé-
faillance et contrôleTravail d’entretien Méthode de rétablissement
1 Branchement du coupleur de
l’outil de diagnostic Yamaha.
Contrôler le verrouillage du
coupleur.
Débrancher le coupleur et
contrôler les broches (bornes
pliées ou cassées et verrouil-
lage des broches).Branchement incorrect
Brancher fermement le cou-
pleur ou réparer/remplacer le
faisceau de fils.Placer le commutateur du
faisceau de fils auxiliaire de
l’outil de diagnostic du sys-
tème d’injection de carburant
sur “ON”.
Aucun code de défaillance ne
s’affiche La réparation est
terminée.
Un code de défaillance s’af-
fiche Passer à l’ordre suiv-
ant.
2 Branchement du coupleur du
boîtier de commande électro-
nique du faisceau de fils.
Contrôler le verrouillage du
coupleur.
Débrancher le coupleur et
contrôler les broches (bornes
pliées ou cassées et verrouil-
lage des broches).Branchement incorrect
Brancher fermement le cou-
pleur ou réparer/remplacer le
faisceau de fils.Placer le commutateur du
faisceau de fils auxiliaire de
l’outil de diagnostic du sys-
tème d’injection de carburant
sur “ON”.
Aucun code de défaillance ne
s’affiche La réparation est
terminée.
Un code de défaillance s’af-
fiche Passer à l’ordre suiv-
ant.
3 Continuité du faisceau de fils. Circuit ouvert ou court-circuit
Remplacer le faisceau de
fils.
vert clair–vert clairPlacer le commutateur du
faisceau de fils auxiliaire de
l’outil de diagnostic du sys-
tème d’injection de carburant
sur “ON”.
Aucun code de défaillance ne
s’affiche La réparation est
terminée.
Un code de défaillance s’af-
fiche Passer à l’ordre suiv-
ant.
Page 343 of 388

SYSTEME D’INJECTION DE CARBURANT
8-33
4 Défaillance de l’outil de diag-
nostic YamahaRemplacer l’outil de diagnos-
tic Yamaha.Placer le commutateur du
faisceau de fils auxiliaire de
l’outil de diagnostic du sys-
tème d’injection de carburant
sur “ON”.
Aucun code de défaillance ne
s’affiche La réparation est
terminée.
Un code de défaillance s’af-
fiche Passer à l’ordre suiv-
ant.
5 Boîtier de commande électro-
nique défectueux.Remplacer le boîtier de com-
mande électronique.
Code de défaillance. Er-2
SymptômesImpossibilité de recevoir les signaux du boîtier de commande
électronique dans la période spécifiée.
Système de sécurité intégréPeut démarrer le moteur
Peut conduire le véhicule
Nº de code de diagnostic—
Affichage de l’outil de diag-
nostic—
Procédure—
Or-
dreCause probable de la dé-
faillance et contrôleTravail d’entretien Méthode de rétablissement
1 Branchement du coupleur de
l’outil de diagnostic Yamaha.
Contrôler le verrouillage du
coupleur.
Débrancher le coupleur et
contrôler les broches (bornes
pliées ou cassées et verrouil-
lage des broches).Branchement incorrect
Brancher fermement le cou-
pleur ou réparer/remplacer le
faisceau de fils.Placer le commutateur du
faisceau de fils auxiliaire de
l’outil de diagnostic du sys-
tème d’injection de carburant
sur “ON”.
Aucun code de défaillance ne
s’affiche La réparation est
terminée.
Un code de défaillance s’af-
fiche Passer à l’ordre suiv-
ant.
2 Branchement du coupleur du
boîtier de commande électro-
nique du faisceau de fils.
Contrôler le verrouillage du
coupleur.
Débrancher le coupleur et
contrôler les broches (bornes
pliées ou cassées et verrouil-
lage des broches).Branchement incorrect
Brancher fermement le cou-
pleur ou réparer/remplacer le
faisceau de fils.Placer le commutateur du
faisceau de fils auxiliaire de
l’outil de diagnostic du sys-
tème d’injection de carburant
sur “ON”.
Aucun code de défaillance ne
s’affiche La réparation est
terminée.
Un code de défaillance s’af-
fiche Passer à l’ordre suiv-
ant. Code de défaillance. En attente de connexion
SymptômesAucun signal de communication n’est reçu en provenance du
boîtier de commande électronique.
Page 344 of 388

SYSTEME D’INJECTION DE CARBURANT
8-34
3 Continuité du faisceau de fils. Circuit ouvert ou court-circuit
Remplacer le faisceau de
fils.
vert clair–vert clairPlacer le commutateur du
faisceau de fils auxiliaire de
l’outil de diagnostic du sys-
tème d’injection de carburant
sur “ON”.
Aucun code de défaillance ne
s’affiche La réparation est
terminée.
Un code de défaillance s’af-
fiche Passer à l’ordre suiv-
ant.
4 Défaillance de l’outil de diag-
nostic YamahaRemplacer l’outil de diagnos-
tic Yamaha.Placer le commutateur du
faisceau de fils auxiliaire de
l’outil de diagnostic du sys-
tème d’injection de carburant
sur “ON”.
Aucun code de défaillance ne
s’affiche La réparation est
terminée.
Un code de défaillance s’af-
fiche Passer à l’ordre suiv-
ant.
5 Boîtier de commande électro-
nique défectueux.Remplacer le boîtier de com-
mande électronique.
Code de défaillance. Er-3
SymptômesLes données du boîtier de commande électronique ne peuvent
pas être reçues correctement.
Système de sécurité intégréPeut démarrer le moteur
Peut conduire le véhicule
Nº de code de diagnostic—
Affichage de l’outil de diag-
nostic—
Procédure—
Or-
dreCause probable de la dé-
faillance et contrôleTravail d’entretien Méthode de rétablissement
1 Branchement du coupleur de
l’outil de diagnostic Yamaha.
Contrôler le verrouillage du
coupleur.
Débrancher le coupleur et
contrôler les broches (bornes
pliées ou cassées et verrouil-
lage des broches).Branchement incorrect
Brancher fermement le cou-
pleur ou réparer/remplacer le
faisceau de fils.Placer le commutateur du
faisceau de fils auxiliaire de
l’outil de diagnostic du sys-
tème d’injection de carburant
sur “ON”.
Aucun code de défaillance ne
s’affiche La réparation est
terminée.
Un code de défaillance s’af-
fiche Passer à l’ordre suiv-
ant. Code de défaillance. Er-2
SymptômesImpossibilité de recevoir les signaux du boîtier de commande
électronique dans la période spécifiée.
Page 345 of 388

SYSTEME D’INJECTION DE CARBURANT
8-35
2 Branchement du coupleur du
boîtier de commande électro-
nique du faisceau de fils.
Contrôler le verrouillage du
coupleur.
Débrancher le coupleur et
contrôler les broches (bornes
pliées ou cassées et verrouil-
lage des broches).Branchement incorrect
Brancher fermement le cou-
pleur ou réparer/remplacer le
faisceau de fils.Placer le commutateur du
faisceau de fils auxiliaire de
l’outil de diagnostic du sys-
tème d’injection de carburant
sur “ON”.
Aucun code de défaillance ne
s’affiche La réparation est
terminée.
Un code de défaillance s’af-
fiche Passer à l’ordre suiv-
ant.
3 Continuité du faisceau de fils. Circuit ouvert ou court-circuit
Remplacer le faisceau de
fils.
vert clair–vert clairPlacer le commutateur du
faisceau de fils auxiliaire de
l’outil de diagnostic du sys-
tème d’injection de carburant
sur “ON”.
Aucun code de défaillance ne
s’affiche La réparation est
terminée.
Un code de défaillance s’af-
fiche Passer à l’ordre suiv-
ant.
4 Défaillance de l’outil de diag-
nostic YamahaRemplacer l’outil de diagnos-
tic Yamaha.Placer le commutateur du
faisceau de fils auxiliaire de
l’outil de diagnostic du sys-
tème d’injection de carburant
sur “ON”.
Aucun code de défaillance ne
s’affiche La réparation est
terminée.
Un code de défaillance s’af-
fiche Passer à l’ordre suiv-
ant.
5 Boîtier de commande électro-
nique défectueux.Remplacer le boîtier de com-
mande électronique. Code de défaillance. Er-3
SymptômesLes données du boîtier de commande électronique ne peuvent
pas être reçues correctement.
Page 346 of 388

SYSTEME D’INJECTION DE CARBURANT
8-36
Code de défaillance. Er-4
SymptômesLes données enregistrées ne peuvent être reçues de l’outil de
diagnostic du système d’injection de carburant.
Système de sécurité intégréPeut démarrer le moteur
Peut conduire le véhicule
Nº de code de diagnostic—
Affichage de l’outil de diag-
nostic—
Procédure—
Or-
dreCause probable de la dé-
faillance et contrôleTravail d’entretien Méthode de rétablissement
1 Branchement du coupleur de
l’outil de diagnostic du sys-
tème d’injection de carburant.
Contrôler le verrouillage du
coupleur.
Débrancher le coupleur et
contrôler les broches (bornes
pliées ou cassées et verrouil-
lage des broches).Branchement incorrect
Brancher fermement le cou-
pleur ou réparer/remplacer le
faisceau de fils.Placer le commutateur du
faisceau de fils auxiliaire de
l’outil de diagnostic du sys-
tème d’injection de carburant
sur “ON”.
Aucun code de défaillance ne
s’affiche La réparation est
terminée.
Un code de défaillance s’af-
fiche Passer à l’ordre suiv-
ant.
2 Branchement du coupleur du
boîtier de commande électro-
nique du faisceau de fils.
Contrôler le verrouillage du
coupleur.
Débrancher le coupleur et
contrôler les broches (bornes
pliées ou cassées et verrouil-
lage des broches).Branchement incorrect
Brancher fermement le cou-
pleur ou réparer/remplacer le
faisceau de fils.Placer le commutateur du
faisceau de fils auxiliaire de
l’outil de diagnostic du sys-
tème d’injection de carburant
sur “ON”.
Aucun code de défaillance ne
s’affiche La réparation est
terminée.
Un code de défaillance s’af-
fiche Passer à l’ordre suiv-
ant.
3 Continuité du faisceau de fils. Circuit ouvert ou court-circuit
Remplacer le faisceau de
fils.
vert clair–vert clairPlacer le commutateur du
faisceau de fils auxiliaire de
l’outil de diagnostic du sys-
tème d’injection de carburant
sur “ON”.
Aucun code de défaillance ne
s’affiche La réparation est
terminée.
Un code de défaillance s’af-
fiche Passer à l’ordre suiv-
ant.
Page 347 of 388

SYSTEME D’INJECTION DE CARBURANT
8-37
4 Défaillance de l’outil de diag-
nostic YamahaRemplacer l’outil de diagnos-
tic Yamaha.Placer le commutateur du
faisceau de fils auxiliaire de
l’outil de diagnostic du sys-
tème d’injection de carburant
sur “ON”.
Aucun code de défaillance ne
s’affiche La réparation est
terminée.
Un code de défaillance s’af-
fiche Passer à l’ordre suiv-
ant.
5 Boîtier de commande électro-
nique défectueux.Remplacer le boîtier de com-
mande électronique. Code de défaillance. Er-4
SymptômesLes données enregistrées ne peuvent être reçues de l’outil de
diagnostic du système d’injection de carburant.
Page 348 of 388

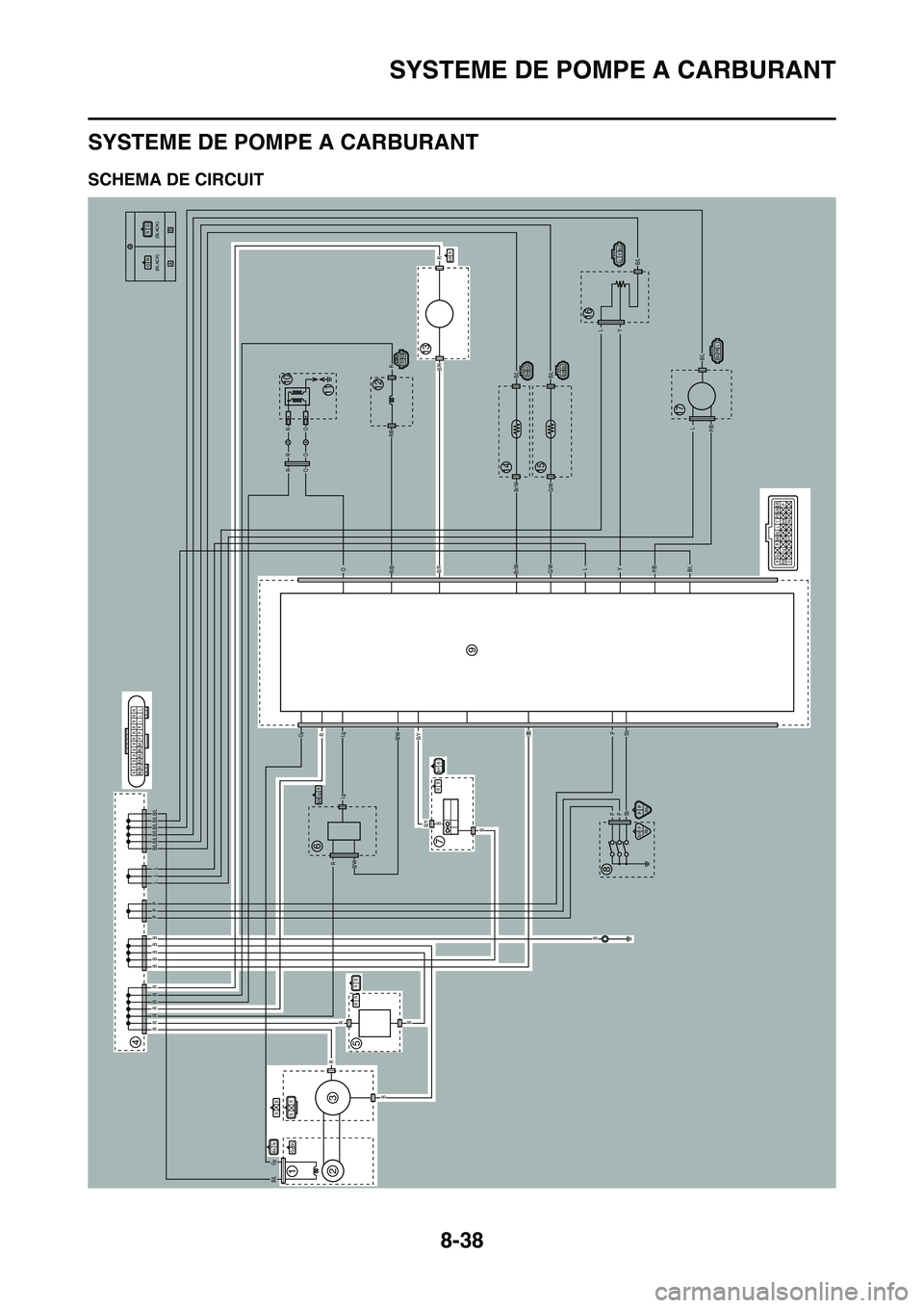
SYSTEME DE POMPE A CARBURANT
8-38
FAS1SL1329
SYSTEME DE POMPE A CARBURANT
FAS1SL1330SCHEMA DE CIRCUIT
B/LGy
BR
A
A
AA
B
RR R R R R R
B
B
B
RR
R
Lg
LgB/WB/Y
B/YB
B
BP
PP
Sb
B/LP/B
P/B
YL
YL
L
G/WBr/W
G/WBr/W
B/LB/L
B/L
B/L
B/R
B/R
R/B
R/B
O
OROR
OR
R
R
SbB
GyR
B/W
P L B/L
B/L Gy B/L B/L B/L B/L B/L
LL
PP
BBBB
PP
Sb
RB
B/RR
RB
B/Y PSb
BB
RR/B
LYB/L
B/W RLg
B/LBr/W
B/L P/B LB/LG/W
BB/Y
BB/L B/L B/L B/L B/L B/LBBBBRR
PPPL L LRR RR R
B
O P
Gy
R
B/Y Sb
P/B
R/B Lg B/RG/WBr/WB/L L Y
RB
B/L
Gy
R
O
O
R(BLACK) (BLACK)
B/W
4
1
3
2
5
67
8
10
9
1211
13
1415
16
17
Page 349 of 388

SYSTEME DE POMPE A CARBURANT
8-39
FAS1SL1331
2. Alternateur avec rotor à aimantation perma-
nente
3. Redresseur/régulateur
4. Connecteur de raccord
5. Condensateur
7. Coupe-circuit du moteur
9. ECU
13.Pompe à carburant
Page 350 of 388

SYSTEME DE POMPE A CARBURANT
8-40
PANNES ET DIAGNOSTICS
La pompe à carburant ne fonctionne pas.
N.B.
Avant de procéder au dépannage, déposer les pièces suivantes:
1. Siège
2. Cache latéral (gauche/droit)
3. Prise d’air (gauche/droite)
4. Reservoir a carburant
5. Couvercle du boîtier de filtre à air
1. Contrôler les connexions du fais-
ceau de fils du circuit de pompe à
carburant.NG
Reconnecter.
OK
2. Contrôler le coupe-circuit du mo-
teur.
Voir “CONTROLE DES CON-
TACTEURS” à la page 8-44.NG
Remplacer le coupe-circuit du moteur.
OK
3. Contrôler la pression du carburant.
Voir “CONTROLE DE LA PRES-
SION DU CARBURANT” à la page
7-5.NG
Remplacer la pompe à carburant.
OK
4. Contrôler le faisceau de fils du cir-
cuit de pompe à carburant.
Voir “SCHEMA DE CIRCUIT” à la
page 8-38.NG
Réparer ou remplacer le faisceau de fils.
OK
Remplacer le boîtier de commande
électronique.