INFINITI M35 2006 Factory Service Manual
Manufacturer: INFINITI, Model Year: 2006, Model line: M35, Model: INFINITI M35 2006Pages: 5621, PDF Size: 65.56 MB
Page 1461 of 5621

DI-28
UNIFIED METER AND A/C AMP
Revision: 2006 January2006 M35/M45
UNIFIED METER AND A/C AMPPFP:27760
System DescriptionNKS003UG
For the unified meter and A/C amp., the signal required for controlling the combination meter are integrated in
the A/C auto amp.
COMBINATION METER CONTROL FUNCTION
Unified meter and A/C amp. inputs necessary information for combination meter from each unit with CAN
communication and so on.
Unified meter and A/C amp. outputs signals with communication line (TX, RX) between unified meter and
A/C amp. and combination meter.
Unified meter and A/C amp. corresponds a CONSULT-II function (self-diagnostic results, CAN diagnostic
support monitor and data monitor).
Input/output Signals
Between unified meter and A/C amp. and combination meter.
Unit Input from combination meter Output to combination meter
Unified meter and A/C amp.
Refuel status signal
Low-fuel warning lamp condition signal
Delivery destination data signal
Combination meter receive error signal
Combination meter specifications signal
Odo date signal
Vehicle speed signal
Turn indicator signal
High beam request signal
Ring illumination request signal
Position light request signal
Front fog lamp request signal
SET indicator lamp signal
CRUISE indicator lamp signal
Engine speed signal
Fuel level sensor signal (resistance value)
Engine coolant temperature signal
CAN communication condition signal of A/T
A/T position indicator signal
Manual mode indicator signal
A/T CHECK warning lamp signal
AWD warning lamp signal
Low tire pressure warning lamp signal
VDC OFF indicator lamp signal
SLIP indicator lamp signal
ABS warning lamp signal
Brake warning lamp signal
Malfunction indicator lamp signal
Oil pressure switch signal
Door switch signal
Buzzer request signal
ICC warning lamp signal
Meter display signal
AFS OFF indicator signal
Page 1462 of 5621

UNIFIED METER AND A/C AMP
DI-29
C
D
E
F
G
H
I
J
L
MA
B
DI
Revision: 2006 January2006 M35/M45
A/C AUTO AMP. FUNCTION
Unified meter and A/C amp. controls each operation for A/C auto amp. Regarding A/C control, refer to AT C -
29, "AIR CONDITIONER CONTROL" in ATC section.
OTHER FUNCTIONS
Drive Computer Function
The signals required for the distance to empty (DTE) display are centralized in the unified meter and A/C
amp., converted into data, and transmit to the AV control unit (without NAVI) or NAVI control unit (with NAVI)
with CAN communication.
Signal Buffer Function
Unified meter and A/C amp. transmits each signal to other units with CAN communication.
Page 1463 of 5621

DI-30
UNIFIED METER AND A/C AMP
Revision: 2006 January2006 M35/M45
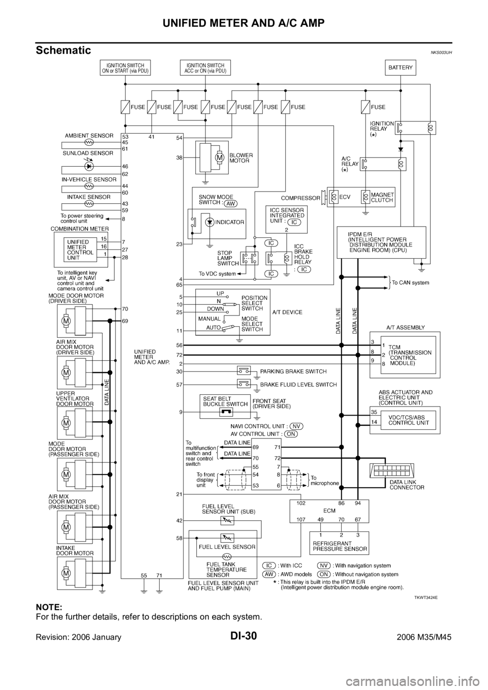
SchematicNKS003UH
NOTE:
For the further details, refer to descriptions on each system.
TKWT3424E
Page 1464 of 5621

UNIFIED METER AND A/C AMP
DI-31
C
D
E
F
G
H
I
J
L
MA
B
DI
Revision: 2006 January2006 M35/M45
CONSULT-II Function (METER A/C AMP)NKS003UI
CONSULT-II can display each diagnostic item using the diagnostic test modes shown following.
CONSULT-II BASIC OPERATION
CAUTION:
If CONSULT-II is used with no connection of CONSULT-II CONVERTER, malfunctions might be
detected in self-diagnosis depending on control unit which carry out CAN communication.
1. With the ignition switch OFF, connect CONSULT-II and CON-
SULT-II CONVERTER to the data link connector, and then turn
ignition switch ON.
2. Touch “START (NISSAN BASED VHCL)”.
3. Touch “METER A/C AMP” on “SELECT SYSTEM” screen. If
“METER A/C AMP” is not indicated, go to GI-40, "
CONSULT-II
Data Link Connector (DLC) Circuit" .
System Diagnosis mode DescriptionReference
page
METER
A/C AMPSELF-DIAG RESULTSUnified meter and A/C amp. checks the conditions and displays memorized
error.DI-32
CAN DIAG SUPPORT MNTRThe results of transmit/receive diagnosis of CAN communication can be
read.LAN-7
DATA MONITOR Displays unified meter and A/C amp. input data in real time.DI-33
SKIB3794E
BCIA0029E
BCIA0030E
Page 1465 of 5621

DI-32
UNIFIED METER AND A/C AMP
Revision: 2006 January2006 M35/M45
4. Select “SELF-DIAG RESULTS”, “CAN DIAG SUPPORT MNTR”
or “DATA MONITOR”.
SELF-DIAG RESULTS
Operation Procedure
1. Touch “SELF-DIAG RESULTS” on “SELECT DIAG MODE” screen.
2. Self-diagnosis results are displayed.
Display Item List
NOTE:
“TIME” means the following.
0: Means detected malfunction at present. (From malfunction detection to turning ignition switch OFF)
1-63: Means detected malfunction in past. (Displays number of ignition switch OFF ON after detecting
malfunction. “Self-diagnosis result” is erased when exceeding “63”.)
BCIA0031E
SKIA4956E
Display item [Code] Malfunction is detected when...Reference
page
CAN COMM CIRC
[U1000]Malfunction is detected in CAN communication.
CAUTION:
Even when there is no malfunction on CAN communication system, malfunction may be
misinterpreted when battery has low voltage (when maintaining 7 - 8 V for about 2 sec-
onds) or 10A fuse [No. 19, located in the fuse block (J/B)] is disconnected.DI-36
METER COMM CIRC
[B2202]Malfunction is detected in communication between combination meter and unified meter and
A/C amp.DI-36
VEHICLE SPEED
CIRC
[B2205]When an erroneous speed signal is input for 1 seconds.
CAUTION:
Even when there is no malfunction on speed signal system, malfunction may be misin-
terpreted when battery has low voltage (when maintaining 7 - 8 V for about 2 seconds). DI-36
Page 1466 of 5621

UNIFIED METER AND A/C AMP
DI-33
C
D
E
F
G
H
I
J
L
MA
B
DI
Revision: 2006 January2006 M35/M45
DATA MONITOR
Operation Procedure
1. Touch “DATA MONITOR” on “SELECT DIAG MODE” screen.
2. Touch either “MAIN SIGNALS” or “SELECTION FROM MENU” on the “DATA MONITOR” screen.
3. When “SELECTION FROM MENU” is selected, touch individual items to be monitored. When “MAIN SIG-
NALS” is selected, main items will be monitored.
4. Touch “START”.
5. Touch “RECORD” while monitoring, then the status of the moni-
tored item can be recorded. To stop recording, touch “STOP”.
Display Item List
X: Applicable MAIN SIGNALS Monitors main signals.
SELECTION FROM MENU Selects and monitors individual signal.
SKIA4957E
Display item [Unit]MAIN
SIGNALSSELECTION
FROM MENUDescription
SPEED METER [km/h] or [mph] X XDisplays the value of vehicle speed signal, which is input from ABS
actuator and electric unit (control unit).
SPEED OUTPUT [km/h] or [mph] X XDisplays the value of vehicle speed signal, which is transmitted to
each unit with CAN communication.
TACHO METER [rpm] X X Displays the value of engine speed signal, which is input from ECM.
W TEMP METER [
C] or [F] X XDisplays the value of engine coolant temperature signal, which is
input from ECM.
FUEL METER [lit.] X XDisplays the value, which processes a resistance signal from fuel
gauge.
DISTANCE [km] or [mile] X XDisplays the value, which is calculated by vehicle speed signal from
ABS actuator and electric unit (control unit), fuel gauge and fuel
consumption from ECM.
FUEL W/L [ON/OFF] X X Displays [ON/OFF] condition of low-fuel warning lamp.
MIL [ON/OFF] X Displays [ON/OFF] condition of malfunction indicator lamp.
AIR PRES W/L [ON/OFF] X Displays [ON/OFF] condition of low tire pressure warning lamp.
SEAT BELT W/L [ON/OFF] X Displays [ON/OFF] condition of seat belt warning lamp.
BUZZER [ON/OFF] X X Displays [ON/OFF] condition of buzzer.
DOOR W/L [ON/OFF] X Displays [ON/OFF] condition of door warning lamp.
HI-BEAM IND [ON/OFF] X Displays [ON/OFF] condition of high beam indicator.
TURN IND [ON/OFF] X Displays [ON/OFF] condition of turn indicator.
FR FOG IND [ON/OFF] X Displays [ON/OFF] condition of front fog indicator.
OIL W/L [ON/OFF] X Displays [ON/OFF] condition of oil pressure warning lamp.
VDC/TCS IND [ON/OFF] X Displays [ON/OFF] condition of VDC/TCS OFF indicator lamp.
ABS W/L [ON/OFF] X Displays [ON/OFF] condition of ABS warning lamp.
SLIP IND [ON/OFF] X Displays [ON/OFF] condition of SLIP indicator lamp.
BRAKE W/L [ON/OFF] X Displays [ON/OFF] condition of brake warning lamp. *
KEY Y/G W/L [ON/OFF] X Displays [ON/OFF] condition of key warning lamp.
Page 1467 of 5621

DI-34
UNIFIED METER AND A/C AMP
Revision: 2006 January2006 M35/M45
NOTE:
Monitored item that does not match the vehicle is deleted from the display automatically.
*: Monitor keeps indicating “OFF” when brake warning lamp is on by the parking brake operation or low brake fluid level. PNP P SW [ON/OFF] X X Displays [ON/OFF] condition of inhibitor switch P range.
M RANGE SW [ON/OFF] X X Displays [ON/OFF] condition of manual mode range switch.
NM RANGE SW [ON/OFF] X XDisplays [ON/OFF] condition of except for manual mode range
switch.
AT SFT UP SW [ON/OFF] X X Displays [ON/OFF] condition of A/T shift-up switch.
AT SFT DWN SW [ON/OFF] X X Displays [ON/OFF] condition of A/T shift-down switch.
AT P MODE SW X Displays [ON/OFF] condition of A/T POWER mode switch.
AT S MODE SW X Displays [ON/OFF] condition of A/T SNOW mode switch.
BRAKE SW [ON/OFF] * X Displays [ON/OFF] condition of brake switch (stop lamp switch).
AT-M IND [ON/OFF] X X Displays [ON/OFF] condition of A/T manual mode indicator.
AT-M GEAR [5-1] X X Displays [5-1] condition of A/T manual mode gear position.
P RANGE IND [ON/OFF] X X Displays [ON/OFF] condition of A/T shift P range indicator.
R RANGE IND [ON/OFF] X X Displays [ON/OFF] condition of A/T shift R range indicator.
N RANGE IND [ON/OFF] X X Displays [ON/OFF] condition of A/T shift N range indicator.
D RANGE IND [ON/OFF] X X Displays [ON/OFF] condition of A/T shift D range indicator.
AT IND [ON/OFF] X Displays [ON/OFF] condition of A/T indicator.
CRUISE IND [ON/OFF] X Displays [ON/OFF] condition of CRUISE indicator.
SET IND [ON/OFF] X Displays [ON/OFF] condition of SET indicator.
CRUISE W/L [ON/OFF] X Displays [ON/OFF] condition of CRUISE warning lamp.
4WD W/L [ON/OFF] X Displays [ON/OFF] condition of AWD warning lamp.
AFS OFF IND [ON/OFF] X Displays [ON/OFF] condition of AFS OFF indicator. Display item [Unit]MAIN
SIGNALSSELECTION
FROM MENUDescription
Page 1468 of 5621

UNIFIED METER AND A/C AMP
DI-35
C
D
E
F
G
H
I
J
L
MA
B
DI
Revision: 2006 January2006 M35/M45
Power Supply and Ground Circuit InspectionNKS003UJ
1. CHECK FUSE
Check for blown fuses.
OK or NG
OK >> GO TO 2.
NG >> Be sure to eliminate cause of malfunction before installing new fuse. Refer to PG-3, "
POWER
SUPPLY ROUTING CIRCUIT" .
2. CHECK POWER SUPPLY CIRCUIT
Check voltage between unified meter and A/C amp. harness con-
nector terminals and ground.
OK or NG
OK >> GO TO 3.
NG >> Check harness between unified meter and A/C amp. and fuse.
3. CHECK GROUND CIRCUIT
1. Turn ignition switch OFF.
2. Disconnect unified meter and A/C amp. connector.
3. Check continuity between unified meter and A/C amp. harness
connector and ground.
OK or NG
OK >> INSPECTION END
NG >> Repair harness or connector.
Power source Fuse No.
Battery 19
Ignition switch ACC or ON 6
Ignition switch ON or START 12
Terminals Ignition switch position
(+)
(–) OFF ACC ON Unified meter
a n d A / C a m p .
connectorTerminal
M6554
GroundBattery
voltageBattery
voltageBattery
voltage
41 0 VBattery
voltageBattery
voltage
53 0 V 0 VBattery
voltage
PKIB7645E
Unified meter and
A/C amp. connectorTerminal
GroundContinuity
M6555
Ye s
71
PKIB7646E
Page 1469 of 5621
![INFINITI M35 2006 Factory Service Manual DI-36
UNIFIED METER AND A/C AMP
Revision: 2006 January2006 M35/M45
DTC [U1000] CAN Communication CircuitNKS003UK
Symptom: Displays “CAN COMM CIRC [U1000]” as a self-diagnosis results of unified me INFINITI M35 2006 Factory Service Manual DI-36
UNIFIED METER AND A/C AMP
Revision: 2006 January2006 M35/M45
DTC [U1000] CAN Communication CircuitNKS003UK
Symptom: Displays “CAN COMM CIRC [U1000]” as a self-diagnosis results of unified me](/img/42/57023/w960_57023-1468.png)
DI-36
UNIFIED METER AND A/C AMP
Revision: 2006 January2006 M35/M45
DTC [U1000] CAN Communication CircuitNKS003UK
Symptom: Displays “CAN COMM CIRC [U1000]” as a self-diagnosis results of unified meter and A/C amp.
1. CHECK CAN COMMUNICATION
1. Select “SELF-DIAG RESULTS” mode for “METER A/C AMP” with CONSULT-II.
2. Print out CONSULT-II screen.
>> Go to “LAN system”. Refer to LAN-7, "
Precautions When Using CONSULT-II" .
DTC [B2202] Meter Communication CircuitNKS003UL
Symptom: Displays “METER COMM CIRC [B2202]” as a self-diagnosis results of unified meter and A/C amp.
1. CHECK CONNECTOR
Check combination meter, unified meter and A/C amp. and terminals (combination meter side, unified meter
and A/C amp. side, and harness side) for looseness or bent.
OK or NG
OK >> GO TO 2.
NG >> Repair terminal or connector.
2. CHECK CONTINUITY COMMUNICATION CIRCUIT (TX: UNIFIED METER AND A/C AMP.)
1. Turn ignition switch OFF.
2. Disconnect combination meter connector and unified meter and A/C amp. connector.
3. Check continuity between combination meter harness connector
(A) and unified meter and A/C amp. harness connector (B).
4. Check continuity between combination meter harness connector
(A) and ground.
OK or NG
OK >> GO TO 3.
NG >> Repair harness or connector.
AB
Continuity
Connector Terminal Connector Terminal
M52 15 M64 7 Yes
A
GroundContinuity
Connector Terminal
M52 15 No
PKIB7647E
Page 1470 of 5621

UNIFIED METER AND A/C AMP
DI-37
C
D
E
F
G
H
I
J
L
MA
B
DI
Revision: 2006 January2006 M35/M45
3. CHECK CONTINUITY COMMUNICATION CIRCUIT (RX: UNIFIED METER AND A/C AMP.)
1. Check continuity between combination meter harness connector
(A) and unified meter and A/C amp. harness connector (B).
2. Check continuity between combination meter harness connector
(A) and ground.
OK or NG
OK >> GO TO 4.
NG >> Repair harness or connector.
4. CHECK COMBINATION METER OUTPUT VOLTAGE (TX: UNIFIED METER AND A/C AMP.)
1. Connect combination meter connector.
2. Turn ignition switch ON.
3. Check voltage between combination meter harness connector
and ground.
OK or NG
OK >> GO TO 5.
NG >> Replace combination meter.
AB
Continuity
Connector Terminal Connector Terminal
M52 16 M64 27 Yes
A
GroundContinuity
Connector Terminal
M52 16 No
PKIB7648E
Terminals
Voltage (Approx.) (+)
(–)
Combination meter
connectorTerminal
M52 15 Ground 5 V
PKIB7649E