INFINITI M35 2006 Factory Service Manual
M35 2006
INFINITI
INFINITI
https://www.carmanualsonline.info/img/42/57023/w960_57023-0.png
INFINITI M35 2006 Factory Service Manual
Trending: coolant reservoir, trip computer, fuse box location, wheel alignment, steering wheel, service interval, ESP
Page 1661 of 5621
EC-118
[VQ35DE]
TROUBLE DIAGNOSIS
Revision: 2006 January2006 M35/M45
PBIB1907E
PBIB2188E
Page 1662 of 5621
TROUBLE DIAGNOSIS
EC-119
[VQ35DE]
C
D
E
F
G
H
I
J
K
L
MA
EC
Revision: 2006 January2006 M35/M45
1. ECM 2. Data link connector 3. Accelerator pedal position sensor
4. Stop lamp switch 5. ICC brake switch
(models with ICC)
ASCD brake switch
(models with ASCD)6. ICC steering switch
(models with ICC)
ASCD steering switch
(models with ASCD)
7. RESUME/ACCELERATE switch 8. SET/COAST switch 9. CANCEL switch
10. DISTANCE switch
(ICC models only)11. MAIN switch
PBIB2680E
Page 1663 of 5621
EC-120
[VQ35DE]
TROUBLE DIAGNOSIS
Revision: 2006 January2006 M35/M45
: Vehicle front
1. Fuel level sensor unit and fuel pump
harness connector2. Fuel level sensor unit and fuel pump 3. Fuel pressure regulator
4. Fuel tank temperature sensor 5. FPCM 6. Dropping resistor
PBIB2681E
Page 1664 of 5621
TROUBLE DIAGNOSIS
EC-121
[VQ35DE]
C
D
E
F
G
H
I
J
K
L
MA
EC
Revision: 2006 January2006 M35/M45
Vacuum Hose DrawingNBS004T3
Refer to EC-30, "System Diagram" for Vacuum Control System.
: Vehicle front : From EVAP canister
1. Intake manifold collector 2. EVAP canister purge volume control
solenoid valve
NOTE:
Do not use soapy water or any type of solvent while installing vacuum hoses or purge hoses.
PBIB2791E
Page 1665 of 5621
EC-122
[VQ35DE]
TROUBLE DIAGNOSIS
Revision: 2006 January2006 M35/M45
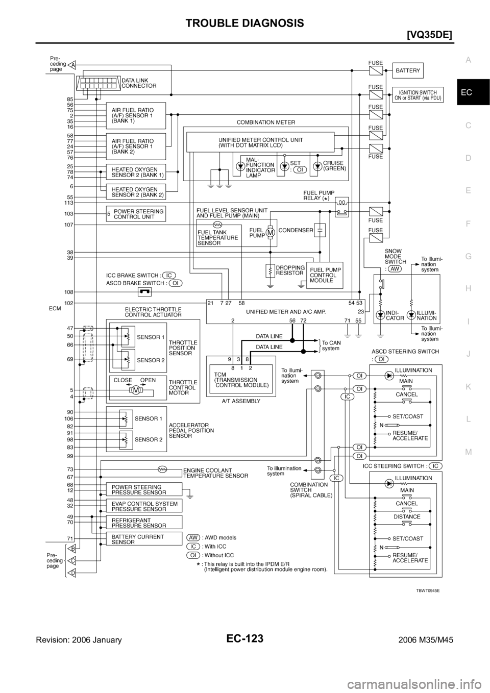
Circuit DiagramNBS004T4
TBWT0944E
Page 1666 of 5621
TROUBLE DIAGNOSIS
EC-123
[VQ35DE]
C
D
E
F
G
H
I
J
K
L
MA
EC
Revision: 2006 January2006 M35/M45
TBWT0945E
Page 1667 of 5621
![INFINITI M35 2006 Factory Service Manual EC-124
[VQ35DE]
TROUBLE DIAGNOSIS
Revision: 2006 January2006 M35/M45
ECM Harness Connector Terminal LayoutNBS004T5
ECM Terminals and Reference ValueNBS004T6
PREPARATION
1. ECM (1) is located behind t INFINITI M35 2006 Factory Service Manual EC-124
[VQ35DE]
TROUBLE DIAGNOSIS
Revision: 2006 January2006 M35/M45
ECM Harness Connector Terminal LayoutNBS004T5
ECM Terminals and Reference ValueNBS004T6
PREPARATION
1. ECM (1) is located behind t](/img/42/57023/w960_57023-1666.png)
EC-124
[VQ35DE]
TROUBLE DIAGNOSIS
Revision: 2006 January2006 M35/M45
ECM Harness Connector Terminal LayoutNBS004T5
ECM Terminals and Reference ValueNBS004T6
PREPARATION
1. ECM (1) is located behind the passenger side instrument lower
panel. For this inspection, remove passenger side instrument
lower panel.
2. Remove ECM harness connector.
3. When disconnecting ECM harness connector, loosen (A) it with
levers (2) as far as they will go as shown in the figure.
ECM (1)
Fasten (B)
4. Connect a break-out box (SST) and Y-cable adapter (SST)
between the ECM and ECM harness connector.
Use extreme care not to touch 2 pins at one time.
Data is for comparison and may not be exact.
ECM INSPECTION TABLE
Specification data are reference values and are measured between each terminal and ground.
Pulse signal is measured by CONSULT-II.
CAUTION:
Do not use ECM ground terminals when measuring input/output voltage. Doing so may result in dam-
age to the ECMs transistor. Use a ground other than ECM terminals, such as the ground.
PBIB1192E
PBIB2703E
PBIB2714E
TER-
MINAL
NO.WIRE
COLORITEM CONDITION DATA (DC Voltage)
1 B ECM ground[Engine is running]
Idle speedBody ground
2SBA/F sensor 1 heater
(bank 1)[Engine is running]
Warm-up condition
Idle speedApproximately 5V
PBIB1584E
Page 1668 of 5621
![INFINITI M35 2006 Factory Service Manual TROUBLE DIAGNOSIS
EC-125
[VQ35DE]
C
D
E
F
G
H
I
J
K
L
MA
EC
Revision: 2006 January2006 M35/M453RThrottle control motor relay
power supply[Ignition switch: ON]BATTERY VOLTAGE
(11 - 14V)
4L/WThrottle c INFINITI M35 2006 Factory Service Manual TROUBLE DIAGNOSIS
EC-125
[VQ35DE]
C
D
E
F
G
H
I
J
K
L
MA
EC
Revision: 2006 January2006 M35/M453RThrottle control motor relay
power supply[Ignition switch: ON]BATTERY VOLTAGE
(11 - 14V)
4L/WThrottle c](/img/42/57023/w960_57023-1667.png)
TROUBLE DIAGNOSIS
EC-125
[VQ35DE]
C
D
E
F
G
H
I
J
K
L
MA
EC
Revision: 2006 January2006 M35/M453RThrottle control motor relay
power supply[Ignition switch: ON]BATTERY VOLTAGE
(11 - 14V)
4L/WThrottle control motor
(Close)[Ignition switch: ON]
Engine stopped
Selector lever: D
Accelerator pedal: Fully released0 - 14V
5L/BThrottle control motor
(Open)[Ignition switch: ON]
Engine stopped
Selector lever: D
Accelerator pedal: Fully depressed0 - 14V
6R/LHeated oxygen sensor 2
heater (bank 2)[Engine is running]
Engine speed: Below 3,600 rpm after the
following conditions are met
–Engine: after warming up
–Keeping the engine speed between 3,500
and 4,000 rpm for 1 minute and at idle for 1
minute under no load0 - 1.0V
[Ignition switch: ON]
Engine stopped
[Engine is running]
Engine speed: Above 3,600 rpmBATTERY VOLTAGE
(11 - 14V)
10 W/GIntake valve timing control
solenoid valve (bank 2)[Engine is running]
Warm-up condition
Idle speedBATTERY VOLTAGE
(11 - 14V)
[Engine is running]
Warm-up condition
Engine speed: 2,000rpm7 - 12V
11 W / RIntake valve timing control
solenoid valve (bank 1)[Engine is running]
Warm-up condition
Idle speedBATTERY VOLTAGE
(11 - 14V)
[Engine is running]
Warm-up condition
Engine speed: 2,000rpm7 - 12V TER-
MINAL
NO.WIRE
COLORITEM CONDITION DATA (DC Voltage)
PBIB1104E
PBIB1105E
PBIB1790E
PBIB1790E
Page 1669 of 5621
EC-126
[VQ35DE]
TROUBLE DIAGNOSIS
Revision: 2006 January2006 M35/M45
12 R/GPower steering pressure
sensor[Engine is running]Steering wheel: Being turned0.5 - 4.5V
[Engine is running]
Steering wheel: Not being turned0.4 - 0.8V
13 WCrankshaft position sensor
(POS)[Engine is running]
Warm-up condition
Idle speed
NOTE:
The pulse cycle changes depending on rpm
at idle1.0 - 2.0V
[Engine is running]
Engine speed: 2,000 rpm1.0 - 2.0V
14 LCamshaft position sensor
(PHASE) (bank 2)[Engine is running]
Warm-up condition
Idle speed
NOTE:
The pulse cycle changes depending on rpm
at idle1.0 - 4.0V
[Engine is running]
Engine speed: 2,000 rpm1.0 - 4.0V
15 W Knock sensor[Engine is running]
Idle speedApproximately 2.5V
16 G/W
A/F sensor 1 (bank 1)[Engine is running]
Warm-up condition
Idle speedApproximately 3.1V
35 BR/WApproximately 2.6V
56 GApproximately 2.3V
75 GRApproximately 2.3V TER-
MINAL
NO.WIRE
COLORITEM CONDITION DATA (DC Voltage)
PBIB1041E
PBIB1042E
PBIB1039E
PBIB1040E
Page 1670 of 5621
![INFINITI M35 2006 Factory Service Manual TROUBLE DIAGNOSIS
EC-127
[VQ35DE]
C
D
E
F
G
H
I
J
K
L
MA
EC
Revision: 2006 January2006 M35/M45
21
22
23
40
41
42W
R/Y
R/B
V/R
P/L
R/WFuel injector No. 5
Fuel injector No. 3
Fuel injector No. 1
Fuel in INFINITI M35 2006 Factory Service Manual TROUBLE DIAGNOSIS
EC-127
[VQ35DE]
C
D
E
F
G
H
I
J
K
L
MA
EC
Revision: 2006 January2006 M35/M45
21
22
23
40
41
42W
R/Y
R/B
V/R
P/L
R/WFuel injector No. 5
Fuel injector No. 3
Fuel injector No. 1
Fuel in](/img/42/57023/w960_57023-1669.png)
TROUBLE DIAGNOSIS
EC-127
[VQ35DE]
C
D
E
F
G
H
I
J
K
L
MA
EC
Revision: 2006 January2006 M35/M45
21
22
23
40
41
42W
R/Y
R/B
V/R
P/L
R/WFuel injector No. 5
Fuel injector No. 3
Fuel injector No. 1
Fuel injector No. 6
Fuel injector No. 4
Fuel injector No. 2[Engine is running]
Warm-up condition
Idle speed
NOTE:
The pulse cycle changes depending on rpm
at idleBATTERY VOLTAGE
(11 - 14V)
[Engine is running]
Warm-up condition
Engine speed: 2,000 rpmBATTERY VOLTAGE
(11 - 14V)
24 OA/F sensor 1 heater
(bank 2)[Engine is running]
Warm-up condition
Idle speedApproximately 5V
25 P/BHeated oxygen sensor 2
heater (bank 1)[Engine is running]
Engine speed: Below 3,600 rpm after the
following conditions are met
–Engine: after warming up
–Keeping the engine speed between 3,500
and 4,000 rpm for 1 minute and at idle for 1
minute under no load0 - 1.0V
[Ignition switch: ON]
Engine stopped
[Engine is running]
Engine speed: Above 3,600 rpmBATTERY VOLTAGE
(11 - 14V)
32 R/GEVAP control system pres-
sure sensor[Ignition switch: ON]Approximately 1.8 - 4.8V TER-
MINAL
NO.WIRE
COLORITEM CONDITION DATA (DC Voltage)
PBIB0042E
PBIB0043E
PBIB1584E
Trending: gas type, fluids, check transmission fluid, fuel system, key fob, climate control, oil viscosity