INFINITI M35 2006 Factory Service Manual
Manufacturer: INFINITI, Model Year: 2006, Model line: M35, Model: INFINITI M35 2006Pages: 5621, PDF Size: 65.56 MB
Page 2531 of 5621
![INFINITI M35 2006 Factory Service Manual EC-988
[VK45DE]
DTC P0132, P0152 A/F SENSOR 1
Revision: 2006 January2006 M35/M45
DTC P0132, P0152 A/F SENSOR 1PFP:22693
Component DescriptionNBS005E4
The air fuel ratio (A/F) sensor 1 is a planar dual INFINITI M35 2006 Factory Service Manual EC-988
[VK45DE]
DTC P0132, P0152 A/F SENSOR 1
Revision: 2006 January2006 M35/M45
DTC P0132, P0152 A/F SENSOR 1PFP:22693
Component DescriptionNBS005E4
The air fuel ratio (A/F) sensor 1 is a planar dual](/img/42/57023/w960_57023-2530.png)
EC-988
[VK45DE]
DTC P0132, P0152 A/F SENSOR 1
Revision: 2006 January2006 M35/M45
DTC P0132, P0152 A/F SENSOR 1PFP:22693
Component DescriptionNBS005E4
The air fuel ratio (A/F) sensor 1 is a planar dual-cell limit current sen-
sor. The sensor element of the A/F sensor 1 is the combination of a
Nernst concentration cell (sensor cell) with an oxygen-pump cell,
which transports ions. It has a heater in the element.
The sensor is capable of precise measurement = 1, but also in the
lean and rich range. Together with its control electronics, the sensor
outputs a clear, continuous signal throughout a wide range (0.7 <
< air).
The exhaust gas components diffuse through the diffusion gap at the
electrode of the oxygen pump and Nernst concentration cell, where
they are brought to thermodynamic balance.
An electronic circuit controls the pump current through the oxygen-
pump cell so that the composition of the exhaust gas in the diffusion
gap remains constant at = 1. Therefore, the A/F sensor 1 is able to
indicate air/fuel ratio by this pumping of current. In addition, a heater
is integrated in the sensor to ensure the required operating tempera-
ture of 700 - 800
C (1,292 - 1,472F).
CONSULT-II Reference Value in Data Monitor ModeNBS005E5
Specification data are reference values.
On Board Diagnosis LogicNBS005E6
To judge the malfunction, the diagnosis checks that the A/F signal computed by ECM from the A/F sensor 1
signal is not inordinately high.
DTC Confirmation ProcedureNBS005E7
NOTE:
If DTC Confirmation Procedure has been previously conducted, always turn ignition switch OFF and wait at
least 10 seconds before conducting the next test.
TESTING CONDITION:
Before performing the following procedure, confirm that battery voltage is more than 10.5V at idle.
WITH CONSULT-II
1. Start engine and warm it up to normal operating temperature.
2. Select “A/F SEN1 (B1)” or “A/F SEN1 (B2)” in “DATA MONITOR” mode with CONSULT-II.
SEF579Z
SEF580Z
MONITOR ITEM CONDITION SPECIFICATION
A/F SEN1 (B1)
A/F SEN1 (B2)
Engine: After warming up Maintaining engine speed at 2,000 rpm Fluctuates around 1.5 V
DTC No. Trouble diagnosis name DTC detecting condition Possible Cause
P0132
0132
(Bank 1)
Air fuel ratio (A/F) sensor 1
circuit high voltage
The A/F signal computed by ECM from the A/F
sensor 1 signal is constantly approx. 5V.
Harness or connectors
(The A/F sensor 1 circuit is open or
shorted.)
A/F sensor 1 P0152
0152
(Bank 2)
Page 2532 of 5621
![INFINITI M35 2006 Factory Service Manual DTC P0132, P0152 A/F SENSOR 1
EC-989
[VK45DE]
C
D
E
F
G
H
I
J
K
L
MA
EC
Revision: 2006 January2006 M35/M45
3. Check “A/F SEN1 (B1)” or “A/F SEN1 (B2)” indication.
If the indication is cons INFINITI M35 2006 Factory Service Manual DTC P0132, P0152 A/F SENSOR 1
EC-989
[VK45DE]
C
D
E
F
G
H
I
J
K
L
MA
EC
Revision: 2006 January2006 M35/M45
3. Check “A/F SEN1 (B1)” or “A/F SEN1 (B2)” indication.
If the indication is cons](/img/42/57023/w960_57023-2531.png)
DTC P0132, P0152 A/F SENSOR 1
EC-989
[VK45DE]
C
D
E
F
G
H
I
J
K
L
MA
EC
Revision: 2006 January2006 M35/M45
3. Check “A/F SEN1 (B1)” or “A/F SEN1 (B2)” indication.
If the indication is constantly approx. 5V, go to EC-993, "
Diag-
nostic Procedure" .
If the indication is not constantly approx. 5V, go to next step.
4. Turn ignition switch OFF, wait at least 10 seconds and then
restart engine.
5. Drive and accelerate vehicle to more than 40 km/h (25 MPH)
within 20 seconds after restarting engine.
6. Maintain the following conditions for about 20 consecutive sec-
onds.
NOTE:
Keep the accelerator pedal as steady as possible during the cruising.
If this procedure is not completed within 1 minute after restarting engine at step 4, return to step
4.
7. If 1st trip DTC is displayed, go to EC-993, "
Diagnostic Procedure" .
WITH GST
Follow the procedure “WITH CONSULT-II” above.
ENG SPEED 1,000 - 3,200 rpm
VHCL SPEED SE More than 40 km/h (25 MPH)
B/FUEL SCHDL 1.5 - 9.0 msec
Gear position Suitable position
SEF581Z
Page 2533 of 5621
![INFINITI M35 2006 Factory Service Manual EC-990
[VK45DE]
DTC P0132, P0152 A/F SENSOR 1
Revision: 2006 January2006 M35/M45
Wiring DiagramNBS005E8
BANK 1
TBWT1046E INFINITI M35 2006 Factory Service Manual EC-990
[VK45DE]
DTC P0132, P0152 A/F SENSOR 1
Revision: 2006 January2006 M35/M45
Wiring DiagramNBS005E8
BANK 1
TBWT1046E](/img/42/57023/w960_57023-2532.png)
EC-990
[VK45DE]
DTC P0132, P0152 A/F SENSOR 1
Revision: 2006 January2006 M35/M45
Wiring DiagramNBS005E8
BANK 1
TBWT1046E
Page 2534 of 5621
![INFINITI M35 2006 Factory Service Manual DTC P0132, P0152 A/F SENSOR 1
EC-991
[VK45DE]
C
D
E
F
G
H
I
J
K
L
MA
EC
Revision: 2006 January2006 M35/M45
Specification data are reference values and are measured between each terminal and ground.
Pu INFINITI M35 2006 Factory Service Manual DTC P0132, P0152 A/F SENSOR 1
EC-991
[VK45DE]
C
D
E
F
G
H
I
J
K
L
MA
EC
Revision: 2006 January2006 M35/M45
Specification data are reference values and are measured between each terminal and ground.
Pu](/img/42/57023/w960_57023-2533.png)
DTC P0132, P0152 A/F SENSOR 1
EC-991
[VK45DE]
C
D
E
F
G
H
I
J
K
L
MA
EC
Revision: 2006 January2006 M35/M45
Specification data are reference values and are measured between each terminal and ground.
Pulse signal is measured by CONSULT-II.
CAUTION:
Do not use ECM ground terminals when measuring input/output voltage. Doing so may result in dam-
age to the ECM's transistor. Use a ground other than ECM terminals, such as the ground.
: Average voltage for pulse signal (Actual pulse signal can be confirmed by oscilloscope.) TER-
MINAL
NO.WIRE
COLORITEM CONDITION DATA (DC Voltage)
2SBA/F sensor 1 heater
(bank 1)[Engine is running]
Warm-up condition
Idle speedApproximately 5V
16 W/L
A/F sensor 1 (bank 1)[Engine is running]
Warm-up condition
Idle speedApproximately 3.1V
35 GR/LApproximately 2.6V
56 LG/BApproximately 2.3V
75 YApproximately 2.3V
PBIB1584E
Page 2535 of 5621
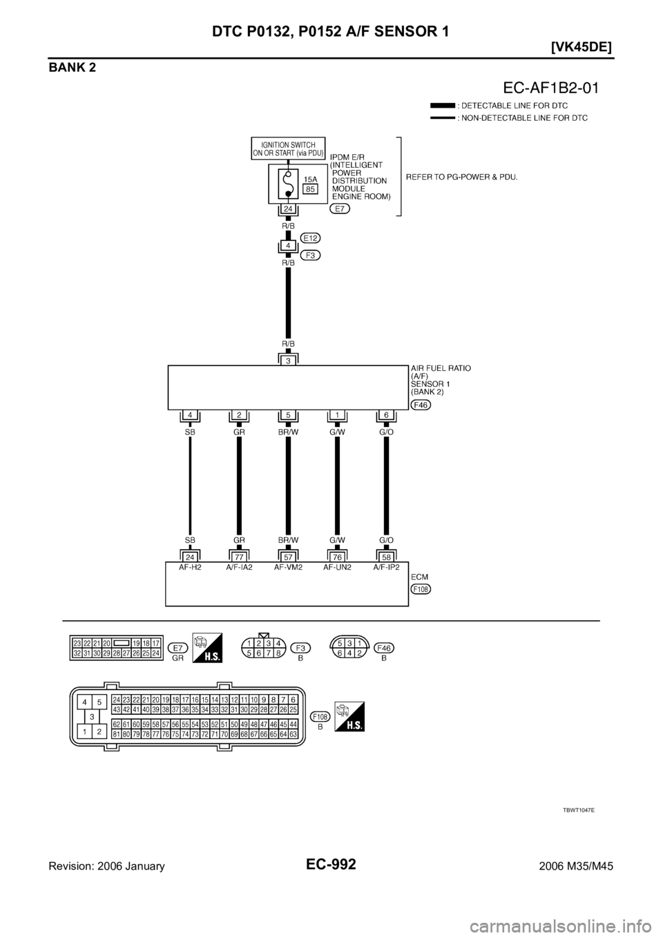
![INFINITI M35 2006 Factory Service Manual EC-992
[VK45DE]
DTC P0132, P0152 A/F SENSOR 1
Revision: 2006 January2006 M35/M45
BANK 2
TBWT1047E INFINITI M35 2006 Factory Service Manual EC-992
[VK45DE]
DTC P0132, P0152 A/F SENSOR 1
Revision: 2006 January2006 M35/M45
BANK 2
TBWT1047E](/img/42/57023/w960_57023-2534.png)
EC-992
[VK45DE]
DTC P0132, P0152 A/F SENSOR 1
Revision: 2006 January2006 M35/M45
BANK 2
TBWT1047E
Page 2536 of 5621
![INFINITI M35 2006 Factory Service Manual DTC P0132, P0152 A/F SENSOR 1
EC-993
[VK45DE]
C
D
E
F
G
H
I
J
K
L
MA
EC
Revision: 2006 January2006 M35/M45
Specification data are reference values and are measured between each terminal and ground.
Pu INFINITI M35 2006 Factory Service Manual DTC P0132, P0152 A/F SENSOR 1
EC-993
[VK45DE]
C
D
E
F
G
H
I
J
K
L
MA
EC
Revision: 2006 January2006 M35/M45
Specification data are reference values and are measured between each terminal and ground.
Pu](/img/42/57023/w960_57023-2535.png)
DTC P0132, P0152 A/F SENSOR 1
EC-993
[VK45DE]
C
D
E
F
G
H
I
J
K
L
MA
EC
Revision: 2006 January2006 M35/M45
Specification data are reference values and are measured between each terminal and ground.
Pulse signal is measured by CONSULT-II.
CAUTION:
Do not use ECM ground terminals when measuring input/output voltage. Doing so may result in dam-
age to the ECM's transistor. Use a ground other than ECM terminals, such as the ground.
: Average voltage for pulse signal (Actual pulse signal can be confirmed by oscilloscope.)
Diagnostic ProcedureNBS005E9
1. CHECK GROUND CONNECTIONS
1. Turn ignition switch OFF.
2. Loosen and retighten two ground screws on the body.
Refer to EC-885, "
Ground Inspection" .
OK or NG
OK >> GO TO 2.
NG >> Repair or replace ground connections.
TER-
MINAL
NO.WIRE
COLORITEM CONDITION DATA (DC Voltage)
24 SBA/F sensor 1 heater
(bank 2)[Engine is running]
Warm-up condition
Idle speedApproximately 5V
57 BR/W
A/F sensor 1 (bank 2)[Engine is running]
Warm-up condition
Idle speedApproximately 2.6V
58 G/OApproximately 2.3V
76 G/WApproximately 3.1V
77 GRApproximately 2.3V
PBIB1584E
1. Body ground M70 2. Body ground M16
PBIB2782E
Page 2537 of 5621
![INFINITI M35 2006 Factory Service Manual EC-994
[VK45DE]
DTC P0132, P0152 A/F SENSOR 1
Revision: 2006 January2006 M35/M45
2. CHECK AIR FUEL RATIO (A/F) SENSOR 1 POWER SUPPLY CIRCUIT
1. Disconnect air fuel ratio (A/F) sensor 1 harness connect INFINITI M35 2006 Factory Service Manual EC-994
[VK45DE]
DTC P0132, P0152 A/F SENSOR 1
Revision: 2006 January2006 M35/M45
2. CHECK AIR FUEL RATIO (A/F) SENSOR 1 POWER SUPPLY CIRCUIT
1. Disconnect air fuel ratio (A/F) sensor 1 harness connect](/img/42/57023/w960_57023-2536.png)
EC-994
[VK45DE]
DTC P0132, P0152 A/F SENSOR 1
Revision: 2006 January2006 M35/M45
2. CHECK AIR FUEL RATIO (A/F) SENSOR 1 POWER SUPPLY CIRCUIT
1. Disconnect air fuel ratio (A/F) sensor 1 harness connector.
2. Turn ignition switch ON.
3. Check voltage between A/F sensor 1 terminal 3 and ground with
CONSULT-II or tester.
OK or NG
OK >> GO TO 4.
NG >> GO TO 3.
3. DETECT MALFUNCTIONING PART
Check the following.
Harness connectors E12, F3
IPDM E/R harness connector E7
15A fuse
Harness for open or short between A/F sensor 1 and fuse
>> Repair or replace harness or connectors.
: Vehicle front 1. A/F sensor 1 (bank 2) harness con-
nector2. A/F sensor 1 (bank 1) harness con-
nector
Voltage: Battery voltage
PBIB2715E
PBIB1683E
Page 2538 of 5621
![INFINITI M35 2006 Factory Service Manual DTC P0132, P0152 A/F SENSOR 1
EC-995
[VK45DE]
C
D
E
F
G
H
I
J
K
L
MA
EC
Revision: 2006 January2006 M35/M45
4. CHECK A/F SENSOR 1 INPUT SIGNAL CIRCUIT FOR OPEN AND SHORT
1. Turn ignition switch OFF.
2. INFINITI M35 2006 Factory Service Manual DTC P0132, P0152 A/F SENSOR 1
EC-995
[VK45DE]
C
D
E
F
G
H
I
J
K
L
MA
EC
Revision: 2006 January2006 M35/M45
4. CHECK A/F SENSOR 1 INPUT SIGNAL CIRCUIT FOR OPEN AND SHORT
1. Turn ignition switch OFF.
2.](/img/42/57023/w960_57023-2537.png)
DTC P0132, P0152 A/F SENSOR 1
EC-995
[VK45DE]
C
D
E
F
G
H
I
J
K
L
MA
EC
Revision: 2006 January2006 M35/M45
4. CHECK A/F SENSOR 1 INPUT SIGNAL CIRCUIT FOR OPEN AND SHORT
1. Turn ignition switch OFF.
2. Disconnect ECM harness connector.
3. Check harness continuity between A/F sensor 1 terminal and ECM terminal as follows.
Refer to Wiring Diagram.
4. Check harness continuity between the following terminals and ground.
Refer to Wiring Diagram.
5. Also check harness for short to power.
OK or NG
OK >> GO TO 5.
NG >> Repair open circuit or short to ground or short to power in harness or connectors.
5. CHECK INTERMITTENT INCIDENT
Perform EC-878, "
TROUBLE DIAGNOSIS FOR INTERMITTENT INCIDENT" .
OK or NG
OK >> GO TO 6.
NG >> Repair or replace.
6. REPLACE AIR FUEL RATIO (A/F) SENSOR 1
Replace air fuel ratio (A/F) sensor 1.
CAUTION:
Discard any A/F sensor which has been dropped from a height of more than 0.5 m (19.7 in) onto a
hard surface such as a concrete floor; use a new one.
Before installing new A/F sensor, clean exhaust system threads using Oxygen Sensor Thread
Cleaner tool J-43897-18 or J-43897-12 and approved anti-seize lubricant.
>>INSPECTION END
A/F sensor 1 terminal ECM terminal
Bank1116
275
535
656
Bank 2176
277
557
658
Continuity should exist.
Bank 1 Bank 2
A/F sensor 1 terminal ECM terminal A/F sensor 1 terminal ECM terminal
116176
275277
535557
656658
Continuity should not exist.
Page 2539 of 5621
![INFINITI M35 2006 Factory Service Manual EC-996
[VK45DE]
DTC P0132, P0152 A/F SENSOR 1
Revision: 2006 January2006 M35/M45
Removal and InstallationNBS005EA
AIR FUEL RATIO (A/F) SENSOR 1
Refer to EM-183, "EXHAUST MANIFOLD AND THREE WAY CAT INFINITI M35 2006 Factory Service Manual EC-996
[VK45DE]
DTC P0132, P0152 A/F SENSOR 1
Revision: 2006 January2006 M35/M45
Removal and InstallationNBS005EA
AIR FUEL RATIO (A/F) SENSOR 1
Refer to EM-183, "EXHAUST MANIFOLD AND THREE WAY CAT](/img/42/57023/w960_57023-2538.png)
EC-996
[VK45DE]
DTC P0132, P0152 A/F SENSOR 1
Revision: 2006 January2006 M35/M45
Removal and InstallationNBS005EA
AIR FUEL RATIO (A/F) SENSOR 1
Refer to EM-183, "EXHAUST MANIFOLD AND THREE WAY CATALYST" .
Page 2540 of 5621
![INFINITI M35 2006 Factory Service Manual DTC P0133, P0153 A/F SENSOR 1
EC-997
[VK45DE]
C
D
E
F
G
H
I
J
K
L
MA
EC
Revision: 2006 January2006 M35/M45
DTC P0133, P0153 A/F SENSOR 1PFP:22693
Component DescriptionNBS005EB
The air fuel ratio (A/F) INFINITI M35 2006 Factory Service Manual DTC P0133, P0153 A/F SENSOR 1
EC-997
[VK45DE]
C
D
E
F
G
H
I
J
K
L
MA
EC
Revision: 2006 January2006 M35/M45
DTC P0133, P0153 A/F SENSOR 1PFP:22693
Component DescriptionNBS005EB
The air fuel ratio (A/F)](/img/42/57023/w960_57023-2539.png)
DTC P0133, P0153 A/F SENSOR 1
EC-997
[VK45DE]
C
D
E
F
G
H
I
J
K
L
MA
EC
Revision: 2006 January2006 M35/M45
DTC P0133, P0153 A/F SENSOR 1PFP:22693
Component DescriptionNBS005EB
The air fuel ratio (A/F) sensor 1 is a planar dual-cell limit current sen-
sor. The sensor element of the A/F sensor 1 is the combination of a
Nernst concentration cell (sensor cell) with an oxygen-pump cell,
which transports ions. It has a heater in the element.
The sensor is capable of precise measurement = 1, but also in the
lean and rich range. Together with its control electronics, the sensor
outputs a clear, continuous signal throughout a wide range (0.7 <
< air).
The exhaust gas components diffuse through the diffusion gap at the
electrode of the oxygen pump and Nernst concentration cell, where
they are brought to thermodynamic balance.
An electronic circuit controls the pump current through the oxygen-
pump cell so that the composition of the exhaust gas in the diffusion
gap remains constant at = 1. Therefore, the A/F sensor 1 is able to
indicate air/fuel ratio by this pumping of current. In addition, a heater
is integrated in the sensor to ensure the required operating tempera-
ture of 700 - 800
C (1,292 - 1,472F).
CONSULT-II Reference Value in Data Monitor ModeNBS005EC
Specification data are reference values.
On Board Diagnosis LogicNBS005ED
To judge the malfunction of A/F sensor 1, this diagnosis measures response time of the A/F signal computed
by ECM from the A/F sensor 1 signal. The time is compensated by engine operating (speed and load), fuel
feedback control constant, and the A/F sensor 1 temperature index. Judgment is based on whether the com-
pensated time (the A/F signal cycling time index) is inordinately long or not.
SEF579Z
SEF580Z
MONITOR ITEM CONDITION SPECIFICATION
A/F SEN1 (B1)
A/F SEN1 (B2)
Engine: After warming up Maintaining engine speed at 2,000 rpm Fluctuates around 1.5 V
DTC No. Trouble diagnosis name DTC detecting condition Possible Cause
P0133
0133
(Bank 1)
Air fuel ratio (A/F) sensor 1
circuit slow response
The response of the A/F signal computed by
ECM from A/F sensor 1 signal takes more than
the specified time.
Harness or connectors
(The A/F sensor 1 circuit is open or
shorted.)
A/F sensor 1
A/F sensor 1 heater
Fuel pressure
Fuel injector
Intake air leaks
Exhaust gas leaks
PCV
Mass air flow sensor P0153
0153
(Bank 2)