INFINITI M35 2006 Factory Service Manual
Manufacturer: INFINITI, Model Year: 2006, Model line: M35, Model: INFINITI M35 2006Pages: 5621, PDF Size: 65.56 MB
Page 2511 of 5621
![INFINITI M35 2006 Factory Service Manual EC-968
[VK45DE]
DTC P0128 THERMOSTAT FUNCTION
Revision: 2006 January2006 M35/M45
Component InspectionNBS005DN
ENGINE COOLANT TEMPERATURE SENSOR
1. Check resistance between engine coolant temperat INFINITI M35 2006 Factory Service Manual EC-968
[VK45DE]
DTC P0128 THERMOSTAT FUNCTION
Revision: 2006 January2006 M35/M45
Component InspectionNBS005DN
ENGINE COOLANT TEMPERATURE SENSOR
1. Check resistance between engine coolant temperat](/img/42/57023/w960_57023-2510.png)
EC-968
[VK45DE]
DTC P0128 THERMOSTAT FUNCTION
Revision: 2006 January2006 M35/M45
Component InspectionNBS005DN
ENGINE COOLANT TEMPERATURE SENSOR
1. Check resistance between engine coolant temperature sensor
terminals 1 and 2 as shown in the figure.
2. If NG, replace engine coolant temperature sensor.
Removal and InstallationNBS005DO
ENGINE COOLANT TEMPERATURE SENSOR
Refer to CO-55, "THERMOSTAT AND WATER CONTROL VALVE" .
PBIB2005E
Temperature C (F) Resistance k
20 (68) 2.1 - 2.9
50 (122) 0.68 - 1.0
90 (194) 0.236 - 0.260
SEF012P
Page 2512 of 5621
![INFINITI M35 2006 Factory Service Manual DTC P0130, P0150 A/F SENSOR 1
EC-969
[VK45DE]
C
D
E
F
G
H
I
J
K
L
MA
EC
Revision: 2006 January2006 M35/M45
DTC P0130, P0150 A/F SENSOR 1PFP:22693
Component DescriptionNBS005DP
The air fuel ratio (A/F) INFINITI M35 2006 Factory Service Manual DTC P0130, P0150 A/F SENSOR 1
EC-969
[VK45DE]
C
D
E
F
G
H
I
J
K
L
MA
EC
Revision: 2006 January2006 M35/M45
DTC P0130, P0150 A/F SENSOR 1PFP:22693
Component DescriptionNBS005DP
The air fuel ratio (A/F)](/img/42/57023/w960_57023-2511.png)
DTC P0130, P0150 A/F SENSOR 1
EC-969
[VK45DE]
C
D
E
F
G
H
I
J
K
L
MA
EC
Revision: 2006 January2006 M35/M45
DTC P0130, P0150 A/F SENSOR 1PFP:22693
Component DescriptionNBS005DP
The air fuel ratio (A/F) sensor 1 is a planar dual-cell limit current sen-
sor. The sensor element of the A/F sensor 1 is the combination of a
Nernst concentration cell (sensor cell) with an oxygen-pump cell,
which transports ions. It has a heater in the element.
The sensor is capable of precise measurement = 1, but also in the
lean and rich range. Together with its control electronics, the sensor
outputs a clear, continuous signal throughout a wide range (0.7 <
< air).
The exhaust gas components diffuse through the diffusion gap at the
electrode of the oxygen pump and Nernst concentration cell, where
they are brought to thermodynamic balance.
An electronic circuit controls the pump current through the oxygen-
pump cell so that the composition of the exhaust gas in the diffusion
gap remains constant at = 1. Therefore, the A/F sensor 1 is able to
indicate air/fuel ratio by this pumping of current. In addition, a heater
is integrated in the sensor to ensure the required operating tempera-
ture of 700 - 800
C (1,292 - 1,472F).
CONSULT-II Reference Value in Data Monitor ModeNBS005DQ
Specification data are reference values.
On Board Diagnosis LogicNBS005DR
To judge the malfunction, the diagnosis checks that the A/F signal computed by ECM from the A/F sensor 1
signal fluctuates according to fuel feedback control.
DTC Confirmation ProcedureNBS005DS
CAUTION:
Always drive vehicle at a safe speed.
NOTE:
If DTC Confirmation Procedure has been previously conducted, always turn ignition switch OFF and wait at
least 10 seconds before conducting the next test.
TESTING CONDITION:
Before performing the following procedure, confirm that battery voltage is more than 11V at idle.
WITH CONSULT-II
1. Start engine and warm it up to normal operating temperature.
2. Select “A/F SEN1 (B1)” or “A/F SEN1 (B2)” in “DATA MONITOR” mode with CONSULT-II.
3. Check “A/F SEN1 (B1)” or “A/F SEN1 (B2)” indication.
SEF579Z
SEF580Z
MONITOR ITEM CONDITION SPECIFICATION
A/F SEN1 (B1)
A/F SEN1 (B2)
Engine: After warming up Maintaining engine speed at 2,000 rpm Fluctuates around 1.5 V
DTC No. Trouble diagnosis name DTC detecting condition Possible Cause
P0130
0130
(Bank 1)
Air fuel ra tio (A/F ) senso r 1
circuit
The A/F signal computed by ECM from the A/F
sensor 1 signal is constantly approx. 1.5V.
Harness or connectors
(The A/F sensor 1 circuit is open or
shorted.)
A/F sensor 1 P0150
0150
(Bank 2)
Page 2513 of 5621
![INFINITI M35 2006 Factory Service Manual EC-970
[VK45DE]
DTC P0130, P0150 A/F SENSOR 1
Revision: 2006 January2006 M35/M45
If the indication is constantly approx. 1.5V and does not fluctuates, go to EC-975, "Diagnostic Procedure" .
If INFINITI M35 2006 Factory Service Manual EC-970
[VK45DE]
DTC P0130, P0150 A/F SENSOR 1
Revision: 2006 January2006 M35/M45
If the indication is constantly approx. 1.5V and does not fluctuates, go to EC-975, "Diagnostic Procedure" .
If](/img/42/57023/w960_57023-2512.png)
EC-970
[VK45DE]
DTC P0130, P0150 A/F SENSOR 1
Revision: 2006 January2006 M35/M45
If the indication is constantly approx. 1.5V and does not fluctuates, go to EC-975, "Diagnostic Procedure" .
If the indication fluctuates around 1.5V, go to next step.
4. Select “A/F SEN1 (B1) P1276” (for DTC P0130) or “A/F SEN1 (B2) P1286” (for DTC P0150) of “A/F
SEN1” in “DTC WORK SUPPORT” mode with CONSULT-II.
5. Touch “START”.
6. When the following conditions are met, “TESTING” will be dis-
played on the CONSULT-II screen.
If “TESTING” is not displayed after 20 seconds, retry from
step 2.
7. Release accelerator pedal fully.
NOTE:
Never apply brake during releasing the accelerator pedal.
8. Make sure that “TESTING” changes to “COMPLETED”.
If “TESTING” changed to “OUT OF CONDITION”, retry from
step 6.
9. Make sure that “OK” is displayed after touching “SELF-DIAG
RESULT”.
If “NG” is displayed, go to EC-975, "
Diagnostic Procedure" .
Overall Function CheckNBS005DT
Use this procedure to check the overall function of the A/F sensor 1 circuit. During this check, a 1st trip DTC
might not be confirmed.
WITH GST
1. Start engine and warm it up to normal operating temperature.
2. Drive the vehicle at a speed of 80 km/h (50 MPH) for a few minutes in the suitable gear position.
3. Set D position, then release the accelerator pedal fully until the vehicle speed decreases to 50 km/h (30
MPH).
NOTE:
Never apply brake during releasing the accelerator pedal.
4. Repeat steps 2 to 3 for five times.
5. Stop the vehicle and turn ignition switch OFF.
6. Wait at least 10 seconds and restart engine.
7. Repeat steps 2 to 3 for five times.
8. Stop the vehicle and connect GST to the vehicle.
ENG SPEED 1,300 - 3,200 rpm
Vehicle speed More than 64 km/h (40 MPH)
B/FUEL SCHDL 1.0 - 8.0 msec
Selector lever D position
SEF576Z
SEF577Z
SEF578Z
Page 2514 of 5621
![INFINITI M35 2006 Factory Service Manual DTC P0130, P0150 A/F SENSOR 1
EC-971
[VK45DE]
C
D
E
F
G
H
I
J
K
L
MA
EC
Revision: 2006 January2006 M35/M45
9. Make sure that no DTC is displayed.
If the DTC is displayed, go to EC-975, "
Diagnosti INFINITI M35 2006 Factory Service Manual DTC P0130, P0150 A/F SENSOR 1
EC-971
[VK45DE]
C
D
E
F
G
H
I
J
K
L
MA
EC
Revision: 2006 January2006 M35/M45
9. Make sure that no DTC is displayed.
If the DTC is displayed, go to EC-975, "
Diagnosti](/img/42/57023/w960_57023-2513.png)
DTC P0130, P0150 A/F SENSOR 1
EC-971
[VK45DE]
C
D
E
F
G
H
I
J
K
L
MA
EC
Revision: 2006 January2006 M35/M45
9. Make sure that no DTC is displayed.
If the DTC is displayed, go to EC-975, "
Diagnostic Procedure" .
Page 2515 of 5621
![INFINITI M35 2006 Factory Service Manual EC-972
[VK45DE]
DTC P0130, P0150 A/F SENSOR 1
Revision: 2006 January2006 M35/M45
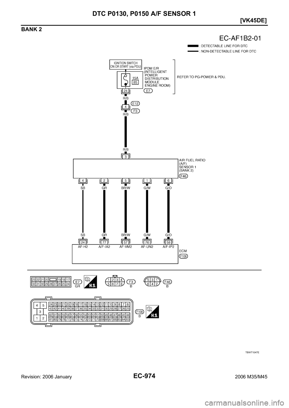
Wiring DiagramNBS005DU
BANK 1
TBWT1046E INFINITI M35 2006 Factory Service Manual EC-972
[VK45DE]
DTC P0130, P0150 A/F SENSOR 1
Revision: 2006 January2006 M35/M45
Wiring DiagramNBS005DU
BANK 1
TBWT1046E](/img/42/57023/w960_57023-2514.png)
EC-972
[VK45DE]
DTC P0130, P0150 A/F SENSOR 1
Revision: 2006 January2006 M35/M45
Wiring DiagramNBS005DU
BANK 1
TBWT1046E
Page 2516 of 5621
![INFINITI M35 2006 Factory Service Manual DTC P0130, P0150 A/F SENSOR 1
EC-973
[VK45DE]
C
D
E
F
G
H
I
J
K
L
MA
EC
Revision: 2006 January2006 M35/M45
Specification data are reference values and are measured between each terminal and ground.
Pu INFINITI M35 2006 Factory Service Manual DTC P0130, P0150 A/F SENSOR 1
EC-973
[VK45DE]
C
D
E
F
G
H
I
J
K
L
MA
EC
Revision: 2006 January2006 M35/M45
Specification data are reference values and are measured between each terminal and ground.
Pu](/img/42/57023/w960_57023-2515.png)
DTC P0130, P0150 A/F SENSOR 1
EC-973
[VK45DE]
C
D
E
F
G
H
I
J
K
L
MA
EC
Revision: 2006 January2006 M35/M45
Specification data are reference values and are measured between each terminal and ground.
Pulse signal is measured by CONSULT-II.
CAUTION:
Do not use ECM ground terminals when measuring input/output voltage. Doing so may result in dam-
age to the ECM's transistor. Use a ground other than ECM terminals, such as the ground.
: Average voltage for pulse signal (Actual pulse signal can be confirmed by oscilloscope.) TER-
MINAL
NO.WIRE
COLORITEM CONDITION DATA (DC Voltage)
2SBA/F sensor 1 heater
(bank 1)[Engine is running]
Warm-up condition
Idle speedApproximately 5V
16 W/L
A/F sensor 1 (bank 1)[Engine is running]
Warm-up condition
Idle speedApproximately 3.1V
35 GR/LApproximately 2.6V
56 LG/BApproximately 2.3V
75 YApproximately 2.3V
PBIB1584E
Page 2517 of 5621
![INFINITI M35 2006 Factory Service Manual EC-974
[VK45DE]
DTC P0130, P0150 A/F SENSOR 1
Revision: 2006 January2006 M35/M45
BANK 2
TBWT1047E INFINITI M35 2006 Factory Service Manual EC-974
[VK45DE]
DTC P0130, P0150 A/F SENSOR 1
Revision: 2006 January2006 M35/M45
BANK 2
TBWT1047E](/img/42/57023/w960_57023-2516.png)
EC-974
[VK45DE]
DTC P0130, P0150 A/F SENSOR 1
Revision: 2006 January2006 M35/M45
BANK 2
TBWT1047E
Page 2518 of 5621
![INFINITI M35 2006 Factory Service Manual DTC P0130, P0150 A/F SENSOR 1
EC-975
[VK45DE]
C
D
E
F
G
H
I
J
K
L
MA
EC
Revision: 2006 January2006 M35/M45
Specification data are reference values and are measured between each terminal and ground.
Pu INFINITI M35 2006 Factory Service Manual DTC P0130, P0150 A/F SENSOR 1
EC-975
[VK45DE]
C
D
E
F
G
H
I
J
K
L
MA
EC
Revision: 2006 January2006 M35/M45
Specification data are reference values and are measured between each terminal and ground.
Pu](/img/42/57023/w960_57023-2517.png)
DTC P0130, P0150 A/F SENSOR 1
EC-975
[VK45DE]
C
D
E
F
G
H
I
J
K
L
MA
EC
Revision: 2006 January2006 M35/M45
Specification data are reference values and are measured between each terminal and ground.
Pulse signal is measured by CONSULT-II.
CAUTION:
Do not use ECM ground terminals when measuring input/output voltage. Doing so may result in dam-
age to the ECM's transistor. Use a ground other than ECM terminals, such as the ground.
: Average voltage for pulse signal (Actual pulse signal can be confirmed by oscilloscope.)
Diagnostic ProcedureNBS005DV
1. CHECK GROUND CONNECTIONS
1. Turn ignition switch OFF.
2. Loosen and retighten two ground screws on the body.
Refer to EC-885, "
Ground Inspection" .
OK or NG
OK >> GO TO 2.
NG >> Repair or replace ground connections.
TER-
MINAL
NO.WIRE
COLORITEM CONDITION DATA (DC Voltage)
24 SBA/F sensor 1 heater
(bank 2)[Engine is running]
Warm-up condition
Idle speedApproximately 5V
57 BR/W
A/F sensor 1 (bank 2)[Engine is running]
Warm-up condition
Idle speedApproximately 2.6V
58 G/OApproximately 2.3V
76 G/WApproximately 3.1V
77 GRApproximately 2.3V
PBIB1584E
1. Body ground M70 2. Body ground M16
PBIB2782E
Page 2519 of 5621
![INFINITI M35 2006 Factory Service Manual EC-976
[VK45DE]
DTC P0130, P0150 A/F SENSOR 1
Revision: 2006 January2006 M35/M45
2. CHECK AIR FUEL RATIO (A/F) SENSOR 1 POWER SUPPLY CIRCUIT
1. Disconnect air fuel ratio (A/F) sensor 1 harness connect INFINITI M35 2006 Factory Service Manual EC-976
[VK45DE]
DTC P0130, P0150 A/F SENSOR 1
Revision: 2006 January2006 M35/M45
2. CHECK AIR FUEL RATIO (A/F) SENSOR 1 POWER SUPPLY CIRCUIT
1. Disconnect air fuel ratio (A/F) sensor 1 harness connect](/img/42/57023/w960_57023-2518.png)
EC-976
[VK45DE]
DTC P0130, P0150 A/F SENSOR 1
Revision: 2006 January2006 M35/M45
2. CHECK AIR FUEL RATIO (A/F) SENSOR 1 POWER SUPPLY CIRCUIT
1. Disconnect air fuel ratio (A/F) sensor 1 harness connector.
2. Turn ignition switch ON.
3. Check voltage between A/F sensor 1 terminal 3 and ground with
CONSULT-II or tester.
OK or NG
OK >> GO TO 4.
NG >> GO TO 3.
3. DETECT MALFUNCTIONING PART
Check the following.
Harness connectors E12, F3
IPDM E/R harness connector E7
15A fuse
Harness for open or short between A/F sensor 1 and fuse
>> Repair or replace harness or connectors.
: Vehicle front 1. A/F sensor 1 (bank 2) harness con-
nector2. A/F sensor 1 (bank 1) harness con-
nector
Voltage: Battery voltage
PBIB2715E
PBIB1683E
Page 2520 of 5621
![INFINITI M35 2006 Factory Service Manual DTC P0130, P0150 A/F SENSOR 1
EC-977
[VK45DE]
C
D
E
F
G
H
I
J
K
L
MA
EC
Revision: 2006 January2006 M35/M45
4. CHECK A/F SENSOR 1 INPUT SIGNAL CIRCUIT FOR OPEN AND SHORT
1. Turn ignition switch OFF.
2. INFINITI M35 2006 Factory Service Manual DTC P0130, P0150 A/F SENSOR 1
EC-977
[VK45DE]
C
D
E
F
G
H
I
J
K
L
MA
EC
Revision: 2006 January2006 M35/M45
4. CHECK A/F SENSOR 1 INPUT SIGNAL CIRCUIT FOR OPEN AND SHORT
1. Turn ignition switch OFF.
2.](/img/42/57023/w960_57023-2519.png)
DTC P0130, P0150 A/F SENSOR 1
EC-977
[VK45DE]
C
D
E
F
G
H
I
J
K
L
MA
EC
Revision: 2006 January2006 M35/M45
4. CHECK A/F SENSOR 1 INPUT SIGNAL CIRCUIT FOR OPEN AND SHORT
1. Turn ignition switch OFF.
2. Disconnect ECM harness connector.
3. Check harness continuity between A/F sensor 1 terminal and ECM terminal as follows.
Refer to Wiring Diagram.
4. Check harness continuity between the following terminals and ground.
Refer to Wiring Diagram.
5. Also check harness for short to power.
OK or NG
OK >> GO TO 5.
NG >> Repair open circuit or short to ground or short to power in harness or connectors.
5. CHECK INTERMITTENT INCIDENT
Perform EC-878, "
TROUBLE DIAGNOSIS FOR INTERMITTENT INCIDENT" .
OK or NG
OK >> GO TO 6.
NG >> Repair or replace.
6. REPLACE AIR FUEL RATIO (A/F) SENSOR 1
Replace air fuel ratio (A/F) sensor 1.
CAUTION:
Discard any A/F sensor which has been dropped from a height of more than 0.5 m (19.7 in) onto a
hard surface such as a concrete floor; use a new one.
Before installing new A/F sensor, clean exhaust system threads using Oxygen Sensor Thread
Cleaner tool J-43897-18 or J-43897-12 and approved anti-seize lubricant.
>>INSPECTION END
A/F sensor 1 terminal ECM terminal
Bank1116
275
535
656
Bank 2176
277
557
658
Continuity should exist.
Bank 1 Bank 2
A/F sensor 1 terminal ECM terminal A/F sensor 1 terminal ECM terminal
116176
275277
535557
656658
Continuity should not exist.