INFINITI M35 2006 Factory Service Manual
Page 3801 of 5621
![INFINITI M35 2006 Factory Service Manual LAN-132
[CAN]
CAN SYSTEM (TYPE 3)
Revision: 2006 January2006 M35/M45
Wiring Diagram — CAN —NKS003Z5
TKWT3256E INFINITI M35 2006 Factory Service Manual LAN-132
[CAN]
CAN SYSTEM (TYPE 3)
Revision: 2006 January2006 M35/M45
Wiring Diagram — CAN —NKS003Z5
TKWT3256E](/img/42/57023/w960_57023-3800.png)
Page 3802 of 5621
![INFINITI M35 2006 Factory Service Manual CAN SYSTEM (TYPE 3)
LAN-133
[CAN]
C
D
E
F
G
H
I
J
L
MA
B
LAN
Revision: 2006 January2006 M35/M45
TKWT3257E INFINITI M35 2006 Factory Service Manual CAN SYSTEM (TYPE 3)
LAN-133
[CAN]
C
D
E
F
G
H
I
J
L
MA
B
LAN
Revision: 2006 January2006 M35/M45
TKWT3257E](/img/42/57023/w960_57023-3801.png)
Page 3803 of 5621
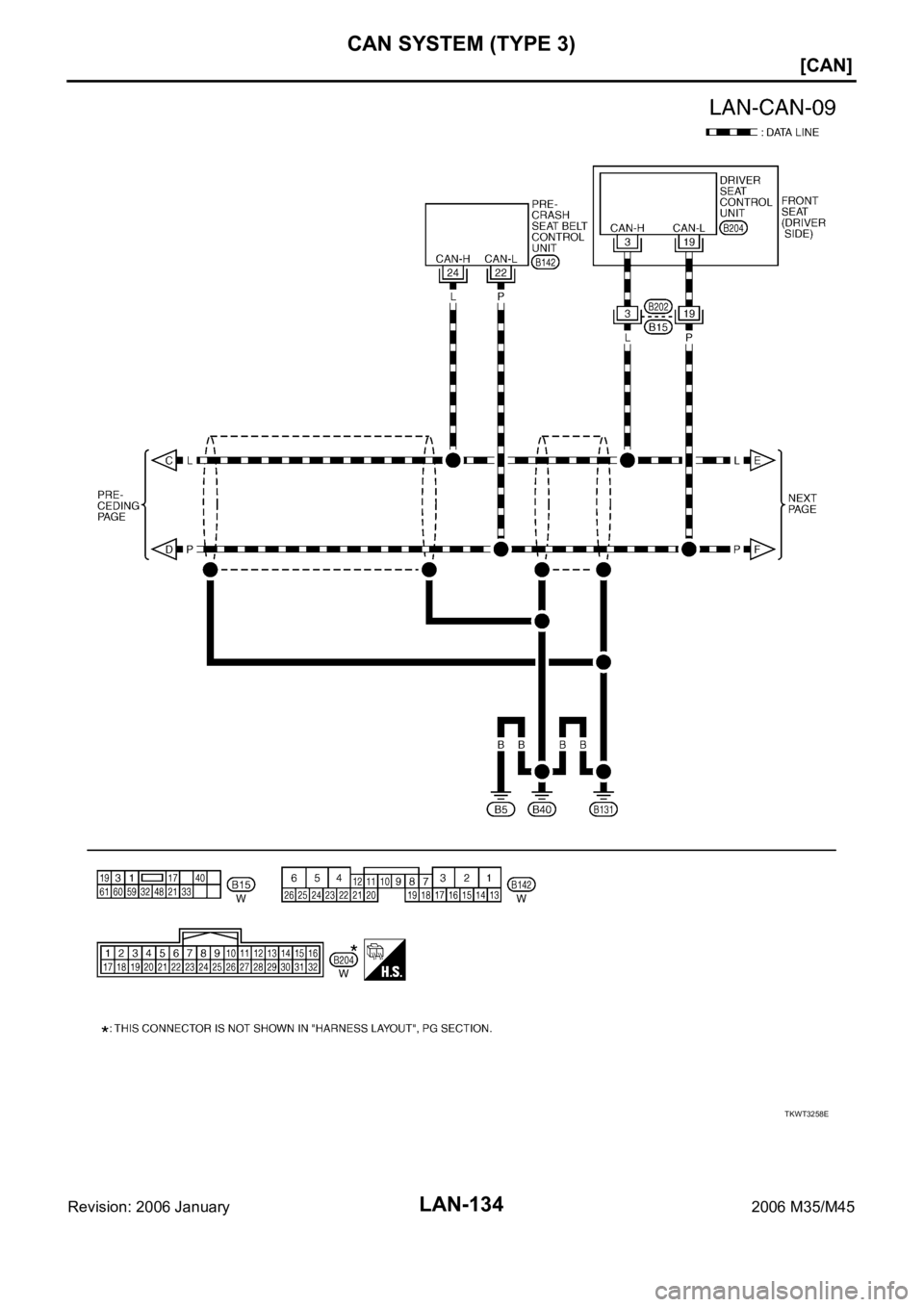
![INFINITI M35 2006 Factory Service Manual LAN-134
[CAN]
CAN SYSTEM (TYPE 3)
Revision: 2006 January2006 M35/M45
TKWT3258E INFINITI M35 2006 Factory Service Manual LAN-134
[CAN]
CAN SYSTEM (TYPE 3)
Revision: 2006 January2006 M35/M45
TKWT3258E](/img/42/57023/w960_57023-3802.png)
Page 3804 of 5621
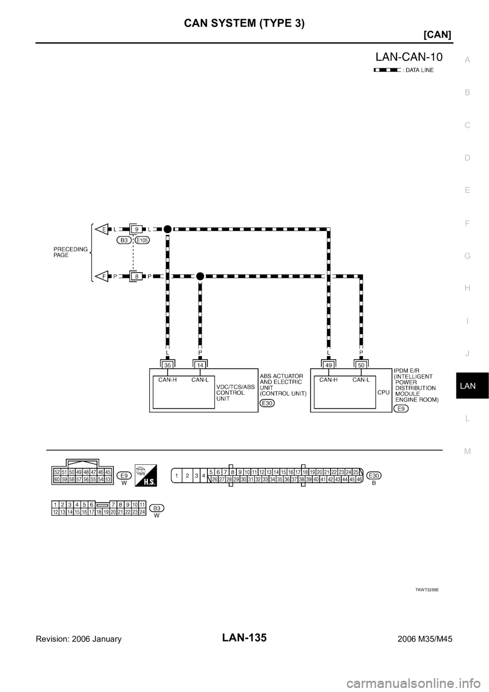
![INFINITI M35 2006 Factory Service Manual CAN SYSTEM (TYPE 3)
LAN-135
[CAN]
C
D
E
F
G
H
I
J
L
MA
B
LAN
Revision: 2006 January2006 M35/M45
TKWT3259E INFINITI M35 2006 Factory Service Manual CAN SYSTEM (TYPE 3)
LAN-135
[CAN]
C
D
E
F
G
H
I
J
L
MA
B
LAN
Revision: 2006 January2006 M35/M45
TKWT3259E](/img/42/57023/w960_57023-3803.png)
Page 3805 of 5621
![INFINITI M35 2006 Factory Service Manual LAN-136
[CAN]
CAN SYSTEM (TYPE 3)
Revision: 2006 January2006 M35/M45
Check SheetNKS003Z6
NOTE:
If a check mark is put on “NG” on “INITIAL DIAG (Initial diagnosis)”, replace the control unit.
P INFINITI M35 2006 Factory Service Manual LAN-136
[CAN]
CAN SYSTEM (TYPE 3)
Revision: 2006 January2006 M35/M45
Check SheetNKS003Z6
NOTE:
If a check mark is put on “NG” on “INITIAL DIAG (Initial diagnosis)”, replace the control unit.
P](/img/42/57023/w960_57023-3804.png)
Page 3806 of 5621
![INFINITI M35 2006 Factory Service Manual CAN SYSTEM (TYPE 3)
LAN-137
[CAN]
C
D
E
F
G
H
I
J
L
MA
B
LAN
Revision: 2006 January2006 M35/M45
PKIB9557E INFINITI M35 2006 Factory Service Manual CAN SYSTEM (TYPE 3)
LAN-137
[CAN]
C
D
E
F
G
H
I
J
L
MA
B
LAN
Revision: 2006 January2006 M35/M45
PKIB9557E](/img/42/57023/w960_57023-3805.png)
Page 3807 of 5621
![INFINITI M35 2006 Factory Service Manual LAN-138
[CAN]
CAN SYSTEM (TYPE 3)
Revision: 2006 January2006 M35/M45
PKIB9558E INFINITI M35 2006 Factory Service Manual LAN-138
[CAN]
CAN SYSTEM (TYPE 3)
Revision: 2006 January2006 M35/M45
PKIB9558E](/img/42/57023/w960_57023-3806.png)
Page 3808 of 5621
![INFINITI M35 2006 Factory Service Manual CAN SYSTEM (TYPE 3)
LAN-139
[CAN]
C
D
E
F
G
H
I
J
L
MA
B
LAN
Revision: 2006 January2006 M35/M45
CHECK SHEET RESULTS (EXAMPLE)
NOTE:
If a check mark is put on “NG” on “INITIAL DIAG (Initial diagn INFINITI M35 2006 Factory Service Manual CAN SYSTEM (TYPE 3)
LAN-139
[CAN]
C
D
E
F
G
H
I
J
L
MA
B
LAN
Revision: 2006 January2006 M35/M45
CHECK SHEET RESULTS (EXAMPLE)
NOTE:
If a check mark is put on “NG” on “INITIAL DIAG (Initial diagn](/img/42/57023/w960_57023-3807.png)
Page 3809 of 5621
![INFINITI M35 2006 Factory Service Manual LAN-140
[CAN]
CAN SYSTEM (TYPE 3)
Revision: 2006 January2006 M35/M45
Case 2
Check harness between data link connector and pre-crash seat belt control unit. Refer to LAN-159, "Inspec-
tion Betwee INFINITI M35 2006 Factory Service Manual LAN-140
[CAN]
CAN SYSTEM (TYPE 3)
Revision: 2006 January2006 M35/M45
Case 2
Check harness between data link connector and pre-crash seat belt control unit. Refer to LAN-159, "Inspec-
tion Betwee](/img/42/57023/w960_57023-3808.png)
Page 3810 of 5621
![INFINITI M35 2006 Factory Service Manual CAN SYSTEM (TYPE 3)
LAN-141
[CAN]
C
D
E
F
G
H
I
J
L
MA
B
LAN
Revision: 2006 January2006 M35/M45
Case 3
Check harness between pre-crash seat belt control unit and driver seat control unit. INFINITI M35 2006 Factory Service Manual CAN SYSTEM (TYPE 3)
LAN-141
[CAN]
C
D
E
F
G
H
I
J
L
MA
B
LAN
Revision: 2006 January2006 M35/M45
Case 3
Check harness between pre-crash seat belt control unit and driver seat control unit.](/img/42/57023/w960_57023-3809.png)
Page:
< prev 1-10 ... 3761-3770 3771-3780 3781-3790 3791-3800 3801-3810 3811-3820 3821-3830 3831-3840 3841-3850 ... 5630 next >
Trending: alternator, mirror controls, check oil, seats, rear view mirror, wheel alignment, fuel type