INFINITI M35 2006 Factory Service Manual
M35 2006
INFINITI
INFINITI
https://www.carmanualsonline.info/img/42/57023/w960_57023-0.png
INFINITI M35 2006 Factory Service Manual
Trending: engine overheat, oil type, ESP inoperative, rear view mirror, jacking points, trip computer, automatic transmission
Page 4671 of 5621
LT-244
STOP LAMP
Revision: 2006 January2006 M35/M45
TKWT3398E
Page 4672 of 5621
STOP LAMP
LT-245
C
D
E
F
G
H
I
J
L
MA
B
LT
Revision: 2006 January2006 M35/M45
High-Mounted Stop Lamp NKS003SC
BULB REPLACEMENT, REMOVAL AND INSTALLATION
1. Remove rear parcel shelf finisher. Refer to EI-42, "REAR PARCEL SHELF FINISHER" .
2. Turned over protection sheet and disconnect connector.
3. Remove screws (A) and remove high-mounted stop lamp (1)
from rear parcel shelf finisher.
Stop LampNKS003SD
BULB REPLACEMENT
Refer to LT-266, "Bulb Replacement" .
BULB REPLACEMENT
Refer to LT-266, "Removal and Installation" . High-mounted stop lamp : LED
SKIB4187E
Page 4673 of 5621
LT-246
BACK-UP LAMP
Revision: 2006 January2006 M35/M45
BACK-UP LAMPPFP:26550
Wiring Diagram — B/LAMP —NKS003SE
TKWT3399E
Page 4674 of 5621
BACK-UP LAMP
LT-247
C
D
E
F
G
H
I
J
L
MA
B
LT
Revision: 2006 January2006 M35/M45
Bulb ReplacementNKS003SF
1. Remove trunk lid finisher inner. Refer to EI-33, "TRUNK LID FINISHER" .
2. Turn bulb socket (1) counterclockwise and unlock it.
3. Remove bulb (2) from its socket.
Back-up lamp : 12V-18W
SKIB4189E
Page 4675 of 5621
LT-248
BACK-UP LAMP
Revision: 2006 January2006 M35/M45
Removal and InstallationNKS003SG
REMOVAL
1. Remove trunk lid finisher inner. Refer to EI-33, "TRUNK LID FINISHER" .
2. Disconnect back up lamp and trunk lid request switch connector.
3. Remove trunk lid finisher outer. Refer to EI-33, "
TRUNK LID FINISHER" .
4. Remove screws (2) and clip, and then remove back up lamp.
5. Remove seal packing from back up lamp.
INSTALLATION
Installation is the reverse order of removal.
Install a new seal packing to the back up lamp.
CAUTION:
Seal packing cannot be reused.
1. Nut 2. Nut 3. Seal packing
4. Clip 5. Back up lamp 6. Two-sided tape
7. Trunk lid finisher outer 8. Screw
: Nꞏm (kg-m, in-lb)
: Always replace after every disassembly.
SKIB4190E
Back up lamp mounting nut : 3.0 Nꞏm (0.31 kg-m, 27 in-lb)
Trunk lid finisher mounting nut : 3.0 Nꞏm (0.31 kg-m, 27 in-lb)
Page 4676 of 5621

PARKING, LICENSE PLATE AND TAIL LAMPS
LT-249
C
D
E
F
G
H
I
J
L
MA
B
LT
Revision: 2006 January2006 M35/M45
PARKING, LICENSE PLATE AND TAIL LAMPSPFP:26550
Component Parts and Harness Connector LocationNKS003SH
System DescriptionNKS003SI
The control of the parking, license plate and tail lamp operation is dependent upon the position of the lighting
switch (combination switch). When the lighting switch is placed in the 1ST position, the BCM (body control
module) receives input signal requesting the parking, license plate and tail lamps to illuminate. This input sig-
nal is communicated to the IPDM E/R (intelligent power distribution module engine room) across the CAN
communication lines. The CPU (central processing unit) located in the IPDM E/R controls the tail lamp relay
coil. This relay, when energized, directs power to parking, license plate and tail lamps, which then illuminate.
OUTLINE
Power is supplied at all times
through 15A fuse (No. 71, located in IPDM E/R)
to CPU located in IPDM E/R, and
to tail lamp relay located in IPDM E/R,
through 15A fuse (No. 78, located in IPDM E/R)
to CPU located in IPDM E/R,
through 50A fusible link (letter F, located in fuse, fusible link and relay block)
to BCM terminal 55,
through 10A fuse [No. 21, located in fuse block (J/B)]
to BCM terminal 42,
through 10A fuse [No. 22, located in fuse block (J/B)]
to key slot terminal 1.
PKIC0622E
Page 4677 of 5621

LT-250
PARKING, LICENSE PLATE AND TAIL LAMPS
Revision: 2006 January2006 M35/M45
With the ignition switch in the ON or START position, power is supplied
to CPU located in IPDM E/R,
through 15A fuse [No. 1, located in fuse block (J/B)]
to BCM terminal 38.
With the ignition switch in the ACC or ON position, power is supplied
through 10A fuse [No. 6, located in fuse block (J/B)]
to BCM terminal 11.
Ground is supplied
to BCM terminal 52
through grounds M16 and M70,
to IPDM E/R terminals 38 and 51
through grounds E22 and E43.
OPERATION BY LIGHTING SWITCH
With the lighting switch in the 1ST or 2ND position (or if the auto light system is activated), the BCM receives
input signal requesting the parking, license plate and tail lamps to illuminate. This input signal is communi-
cated to the IPDM E/R across the CAN communication lines. The CPU located in the IPDM E/R controls the
tail lamp relay coil, which when energized, directs power
through IPDM E/R terminal 21
to front combination lamp LH and RH terminals 5 (parking)
to front combination lamp LH and RH terminals 7 (side marker)
to rear combination lamp LH and RH terminals 1 (tail and side marker)
to license plate lamp LH and RH terminals 1.
Ground is supplied at all times
to front combination lamp LH and RH terminals 1 (parking and side marker)
through grounds E22 and E43,
to rear combination lamp LH and RH terminals 4 (tail and side marker)
to license plate lamp LH and RH terminals 2
through grounds B5, B40 and B131.
With power and ground supplied, the parking, license plate and tail lamps illuminate.
COMBINATION SWITCH READING FUNCTION
Refer toBCS-3, "COMBINATION SWITCH READING FUNCTION" .
EXTERIOR LAMP BATTERY SAVER CONTROL
When the combination switch (lighting switch) is in the 1ST (or 2ND) position, and ignition switch is turned
from ON or ACC to OFF, battery saver control feature is activated.
Under this condition, parking, license plate, side marker and tail lamps remain illuminated for 5 minutes, then
the parking, license plate, side marker and tail lamps are turned off.
Exterior lamp battery saver control mode can be changed by the function setting of CONSULT-II.
CAN Communication System DescriptionNKS003SJ
CAN (Controller Area Network) is a serial communication line for real time application. It is an on-vehicle mul-
tiplex communication line with high data communication speed and excellent error detection ability. Many elec-
tronic control units are equipped onto a vehicle, and each control unit shares information and links with other
control units during operation (not independent). In CAN communication, control units are connected with 2
communication lines (CAN H line, CAN L line) allowing a high rate of information transmission with less wiring.
Each control unit transmits/receives data but selectively reads required data only.
CAN Communication UnitNKS003SK
Refer to LAN-34, "CAN Communication Unit" .
Page 4678 of 5621
PARKING, LICENSE PLATE AND TAIL LAMPS
LT-251
C
D
E
F
G
H
I
J
L
MA
B
LT
Revision: 2006 January2006 M35/M45
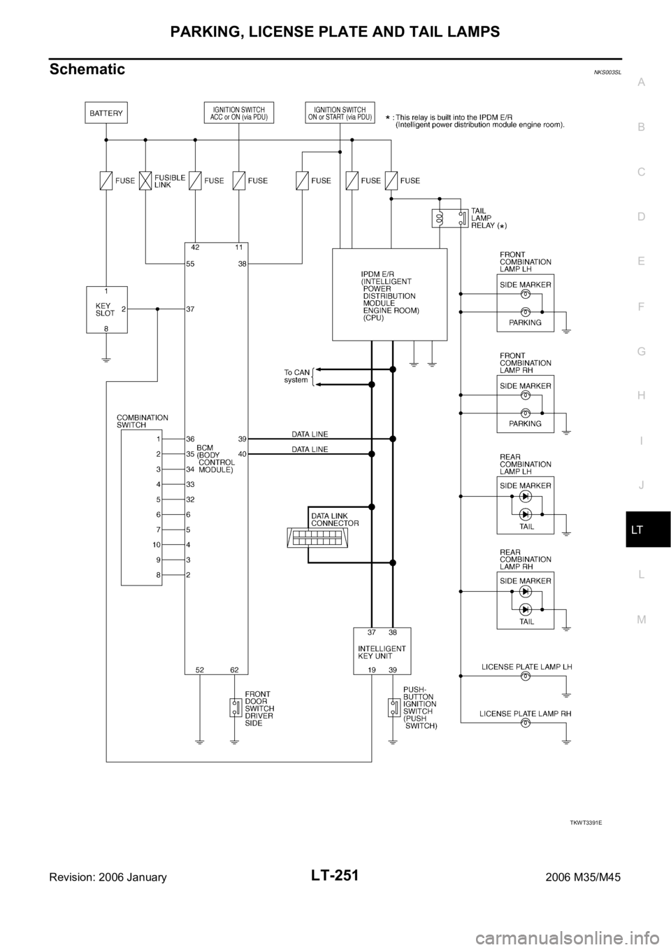
SchematicNKS003SL
TKWT3391E
Page 4679 of 5621
LT-252
PARKING, LICENSE PLATE AND TAIL LAMPS
Revision: 2006 January2006 M35/M45
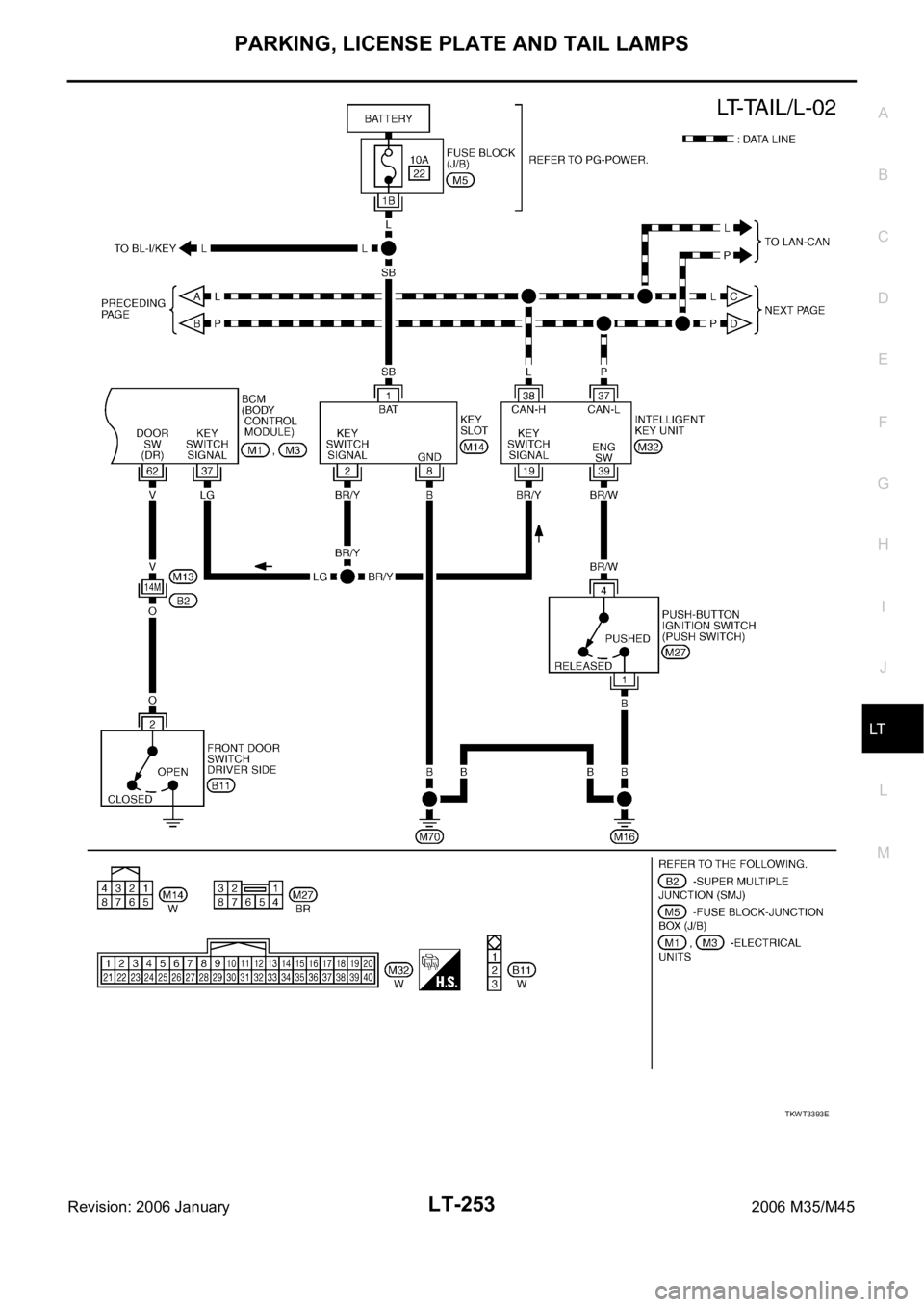
Wiring Diagram — TAIL/L —NKS003SM
TKWT3392E
Page 4680 of 5621
PARKING, LICENSE PLATE AND TAIL LAMPS
LT-253
C
D
E
F
G
H
I
J
L
MA
B
LT
Revision: 2006 January2006 M35/M45
TKWT3393E
Trending: headlamp, fuse diagram, maintenance schedule, wipers, air conditioning, sport mode, torque