INFINITI M35 2006 Factory Service Manual
Manufacturer: INFINITI, Model Year: 2006, Model line: M35, Model: INFINITI M35 2006Pages: 5621, PDF Size: 65.56 MB
Page 4691 of 5621

LT-264
PARKING, LICENSE PLATE AND TAIL LAMPS
Revision: 2006 January2006 M35/M45
6. CHECK PARKING, LICENSE PLATE AND TAIL LAMPS GROUND CIRCUIT
1. Check continuity between front combination lamp harness con-
nector and ground.
2. Check continuity between rear combination lamp harness con-
nector and ground.
3. Check continuity between license plate lamp harness connector
and ground.
OK or NG
OK >> Check bulbs.
NG >> Repair harness or connector.
Parking, License Plate and Tail Lamps Do Not Turn OFF (After Approx. 10 Min-
utes)
NKS003SU
This symptom indicates the malfunction of ignition relay in IPDM E/R. Refer to PG-19, "Function of
Detecting Ignition Relay Malfunction" .
Select “BCM” on CONSULT-II. Select “HEADLAMP” on “SELECT TEST ITEM” screen and select “DATA
MONITOR” on “SELECT DIAG MODE” screen. If “LIGHT SW 1ST” is OFF when lighting switch is OFF,
replace IPDM E/R.
Front combination lamp
(parking and side marker)
connectorTerminal
GroundContinuity
RH E47
1Yes
LH E54
SKIB4839E
Rear combination lamp
(tail and side marker)
connectorTerminal
GroundContinuity
RH B130
4 Yes
LH B135
SKIB4840E
License plate lamp
connectorTerminal
GroundContinuity
RH T105
2 Yes
LH T108
PKIB7990E
Page 4692 of 5621

PARKING, LICENSE PLATE AND TAIL LAMPS
LT-265
C
D
E
F
G
H
I
J
L
MA
B
LT
Revision: 2006 January2006 M35/M45
License Plate LampNKS003SV
BULB REPLACEMENT
1. Remove trunk lid finisher inner. Refer to EI-56, "Removal and Installation for Trunk Room Trim" .
2. Turn bulb socket (1) counterclockwise and unlock it.
3. Remove bulb (2) from its socket.
Removal and InstallationNKS003SW
REMOVAL
1. Remove trunk lid finisher inner. Refer to EI-56, "Removal and Installation for Trunk Room Trim" .
2. From the trunk room inside, push a lamp to outside while push-
ing a resin clip (A).
3. Disconnect connector and remove license plate lamp (1).
INSTALLATION
Installation is the reverse order of removal.
Front Parking (Clearance) LampNKS003SX
BULB REPLACEMENT
Refer to LT- 3 9 , "Bulb Replacement" in “HEAD LAMP - CONVENTIONAL TYPE-”.
Refer to LT- 7 5 , "
Bulb Replacement" in “HEAD LAMP - XENON TYPE-”.
REMOVAL AND INSTALLATION
Refer to LT- 4 1 , "Removal and Installation" . License plate lamp : 12V - 5W
SKIB4191E
SKIB4192E
Page 4693 of 5621

LT-266
REAR COMBINATION LAMP
Revision: 2006 January2006 M35/M45
REAR COMBINATION LAMPPFP:26554
Bulb ReplacementNKS003SY
REAR TURN SIGNAL LAMP BULB, STOP/TAIL LAMP BULB
1. Remove trunk side finisher. Refer to EI-56, "Removal and Installation for Trunk Room Trim" .
2. Turn rear turn signal lamp bulb socket (1) counterclockwise and
unlock it.
3. Remove bulb (2).
Removal and InstallationNKS003SZ
REMOVAL
Rear Fender Side
1. Remove trunk side finisher. Refer to EI-56, "Removal and Installation for Trunk Room Trim" .
2. Disconnect rear combination lamp connector.
3. Remove rear combination lamp mounting nuts (A).
4. Pull the rear combination lamp (2) toward rear of the vehicle and
remove from the vehicle.
5. Remove seal packing (1) from the vehicle.
INSTALLATION
Installation is the reverse order of removal.
CAUTION:
Seal packing cannot be reused.Rear turn signal lamp : 12V - 21W (amber bulb)
Stop tail lamp : LED
SKIB4193E
: Nꞏm (kg-m, in-lb)
: Always replace after every disassembly
SKIB4194E
Page 4694 of 5621

INTERIOR ROOM LAMP
LT-267
C
D
E
F
G
H
I
J
L
MA
B
LT
Revision: 2006 January2006 M35/M45
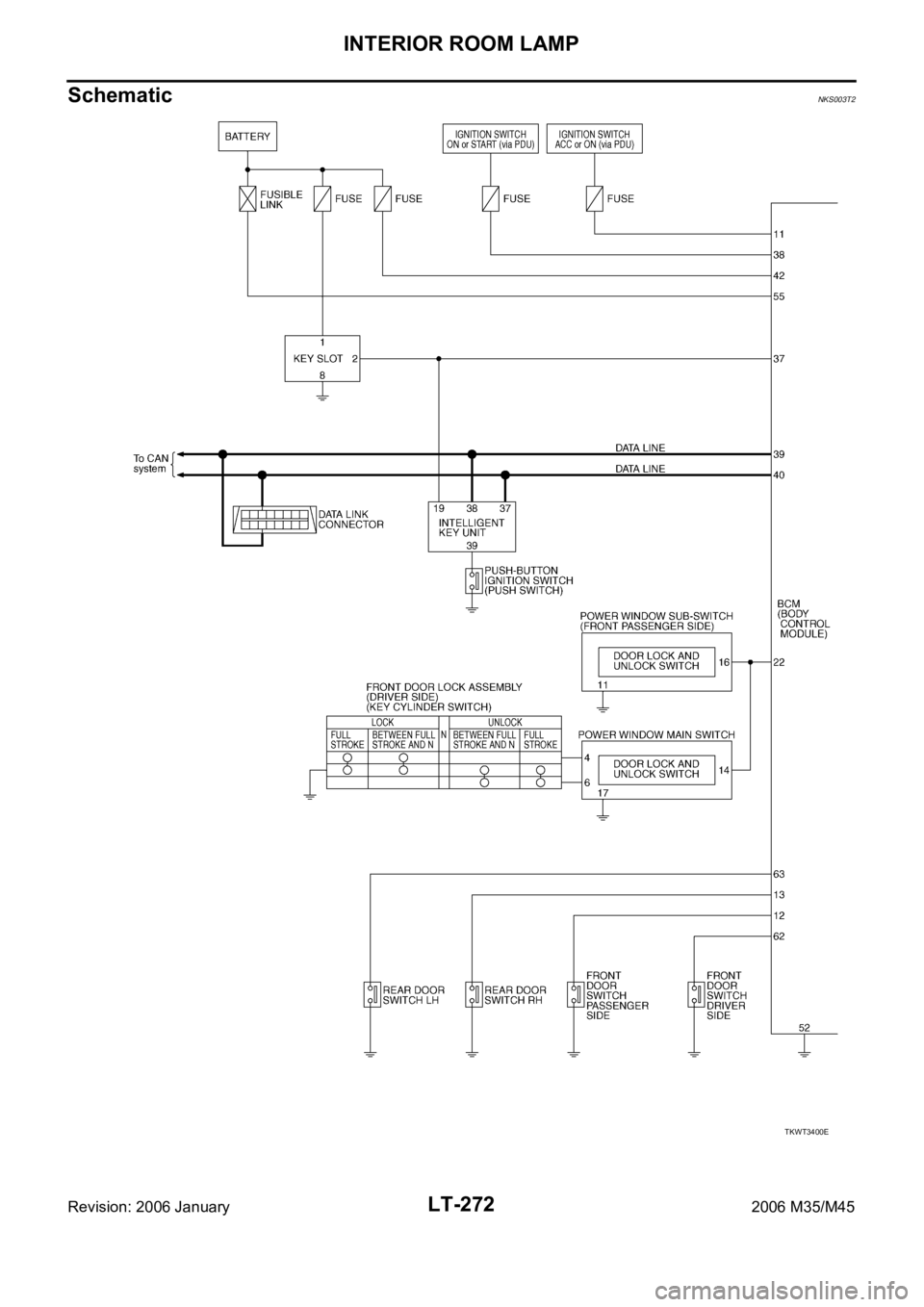
INTERIOR ROOM LAMPPFP:26410
Component Parts and Harness Connector LocationNKS003T0
System DescriptionNKS003T1
BCM (body control module) controls interior lamp, room lamp timer and interior lamp battery saver.
The following signals are input to BCM:
Door lock/unlock trunk open request signal from the Intelligent Key unit via CAN communication
Key cylinder switch status signal from power window main switch via power window serial link
Door switch signal from door switches (driver side, passenger side, rear LH and RH)
IGN power supply (signal) from PDU (power distribution unit)
ACC power supply (signal) from PDU
ROOM LAMP TIMER BASIC OPERATION
Applicable lamps
Room lamp system: map lamp, foot lamp (driver side and passenger side) and personal lamp (rear LH
and rear RH).
1. When getting on the vehicle
Lamps illuminate by timer operation when driver side door or passenger side door is unlocked.*
Lamps illuminate by timer operation after any door is open and then all doors are closed.*
Timer operation stops and lamps are OFF, when driver side door is locked or the push-button ignition
switch (push switch) is turned to ACC or ON from OFF.
*: This setting can be changed by CONSULT-II. Refer to LT- 2 8 5 , "
WORK SUPPORT (INT LAMP)" .
PKIC0623E
Page 4695 of 5621

LT-268
INTERIOR ROOM LAMP
Revision: 2006 January2006 M35/M45
2. When getting off the vehicle
Lamps illuminate by timer operation when the push-button ignition switch (push switch) is turned OFF.*
Lamps illuminate by timer operation after any door is open and then all doors are closed.*
Timer operation stops and lamps are OFF, when driver side door is locked.
*: This setting can be changed by CONSULT-II. Refer to LT- 2 8 5 , "
WORK SUPPORT (INT LAMP)" .
POWER SUPPLY AND GROUND
Power is supplied at all times
through 50A fusible link (letter F, located in fuse and fusible link block)
to BCM terminal 55,
through 10A fuse [No. 21, located in fuse block (J/B)]
to BCM (body control module) terminal 42,
through 10A fuse [No. 22, located in fuse block (J/B)]
to key slot terminal 1.
With the ignition switch in the ON or START position, power is supplied
through 15A fuse [No. 1, located in fuse block (J/B)]
to BCM terminal 38.
With the ignition switch in the ACC or ON position, power is supplied
through 10A fuse [No. 6, located in fuse block (J/B)]
to BCM terminal 11.
Ground is supplied
to BCM terminal 52
through grounds M16 and M70.
When the driver side door is opened, ground is supplied
to BCM terminal 62
through front door switch driver side terminal 2
through case ground of front door switch driver side.
When the passenger side door is opened, ground is supplied
to BCM terminal 12
through front door switch passenger side terminal 2
through case ground of front door switch passenger side.
When the rear door LH is opened, ground is supplied
to BCM terminal 63
through rear door switch LH terminal 2
through case ground of rear door switch LH.
When the rear door RH is opened, ground is supplied
to BCM terminal 13
through rear door switch RH terminal 2
through case ground of rear door switch RH.
When driver side door is unlocked by door lock and unlock switch, BCM receives a ground signal
to BCM terminal 22
through power window main switch (door lock and unlock switch) terminal 14 or power window sub-switch
(front passenger side) (door lock and unlock switch) terminal 16
through power window main switch (door lock and unlock switch) terminal 17 or power window sub-switch
(front passenger side) (door lock and unlock switch) terminal 11
through grounds M16 and M70.
When the driver side door is unlocked by the front door lock assembly (driver side) (key cylinder switch), BCM
receives a ground signal
to BCM terminal 22
through power window main switch (door lock and unlock switch) terminals 14 and 6
Page 4696 of 5621

INTERIOR ROOM LAMP
LT-269
C
D
E
F
G
H
I
J
L
MA
B
LT
Revision: 2006 January2006 M35/M45
through front door lock assembly (driver side) (key cylinder switch) terminals 5 and 4
through grounds M16 and M70.
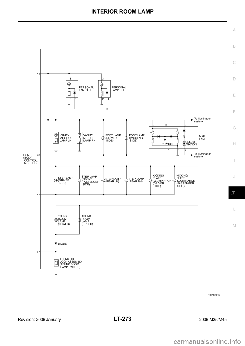
When a signal, or combination of door open signals is received by BCM, ground is supplied
to foot lamp driver side and passenger side terminals 2
to personal lamp LH and RH terminals 1
to map lamp terminal 2 and 5
through BCM terminal 48,
to step lamp (driver side, passenger side, rear LH and RH) terminals 2
to kicking plate illumination (driver side and passenger side) terminals 2
through BCM terminal 47.
With power and ground supplied, the interior lamps illuminate.
SWITCH OPERATION
When any front door switch is ON (door is opened), ground is supplied
to step lamp (driver side, passenger side, rear LH and RH) terminals 2
to kicking plate illumination (driver side and passenger side) terminals 2
through BCM terminal 47.
And power is supplied
through BCM terminal 41
to step lamp (driver side, passenger side, rear LH and RH) terminals 1
to kicking plate illumination (driver side and passenger side) terminals 1.
When any door switch is ON (door is opened) and personal lamp and map lamp is DOOR position, ground is
supplied
to personal lamp LH and RH terminal 1
to map lamp terminals 2 and 5
through BCM terminal 48.
And power is supplied
through BCM terminal 41
to personal lamp LH and RH terminals 3
to map lamp terminal 3.
When map lamp switch is ON, ground is supplied
to map lamp terminal 1
through grounds M16 and M70.
And power is supplied
through BCM terminal 41
to map lamp terminal 3.
When personal lamp LH and RH switch is ON, ground is supplied
to personal lamp LH and RH terminals 2
through grounds M16 and M70.
And power is supplied
through BCM terminal 41
to personal lamp LH and RH terminals 3.
When trunk lid lock assembly (trunk room lamp switch) is ON, ground is supplied
to trunk room lamp (upper and lower) terminals 2
through trunk lid lock assembly (trunk room lamp switch) terminals 1 and 2
through grounds B5, B40 and B131.
And power is supplied
through BCM terminal 41
to trunk room lamp (upper and lower) terminals 1.
When vanity mirror lamp LH and RH switch is ON, ground is supplied
Page 4697 of 5621

LT-270
INTERIOR ROOM LAMP
Revision: 2006 January2006 M35/M45
to vanity mirror lamp LH and RH terminals 2
through grounds M16 and M70.
And power is supplied
through BCM terminal 41
to vanity mirror lamp (LH and RH) terminals 1.
ROOM LAMP TIMER OPERATION
BCM controls applicable lamps to illuminate for 15 seconds (can be set maximum 30 seconds) by timer oper-
ation under following conditions. BCM also controls applicable lamps to brighten for 1 second (can be set max-
imum 5 seconds) when turned ON, or to dim for 3 seconds (can be set maximum 5 seconds) when turned
OFF. (Timer operating time and dimming/brightening time can be changed with CONSULT-II. Refer to LT- 2 8 5 ,
"WORK SUPPORT (INT LAMP)" .) This control operates as follows.
Applicable lamps
Room lamp system: map lamp, foot lamp (driver side and passenger side) and personal lamp (rear LH
and rear RH).
BCM controls room lamp timer operation under following condition.
Condition 1: Door lock state changes.*
BCM judges as the door lock is unlocked under either case below.
–The Intelligent Key unit sends door lock/unlock trunk open request signal (driver side unlock or passenger
side unlock) to BCM through CAN communication line by unlock operation of intelligent key, outside key
antenna and front door request switch (driver side) or outside key antenna and front door request switch
(passenger side).
–Key cylinder switch state (unlock) signal is sent to BCM through power window serial link when front door
lock assembly (driver side) (key cylinder switch) is unlocked (ON) by power window main switch unlock
operation.
And fulfills all the conditions below.
–The engine switch (push switch) is OFF.
–All the doors are closed.
*: This setting can be changed by CONSULT-II. Refer to LT-285, "
WORK SUPPORT (INT LAMP)" .
Condition 2: Any door switch state changes.*
The BCM terminal value of operated door switch is changed when any door is opened and then closed.
From that BCM judges as the door is opened and then closed.
And fulfills all the conditions below.
–The engine switch (push switch) is OFF.
–All the doors are closed.
*: This setting can be changed by CONSULT-II. Refer to LT-285, "
WORK SUPPORT (INT LAMP)" .
Condition 3: Engine switch (push switch) state changes.*
The Intelligent Key unit judges as the engine switch (push switch) is OFF and sends push-button ignition
switch (push switch) signal to PDU (power distribution unit) when push-button ignition switch (push
switch) turned OFF. Then PDU (power distribution unit) turns OFF, IGN power supply and ACC power
supply.
And fulfills the conditions below.
–All the doors are closed.
*:This setting can be changed by CONSULT-II. Refer to LT- 2 8 5 , "
WORK SUPPORT (INT LAMP)" .
NOTE:
When timer operation signal is input during former timer operation, BCM goes for latter timer operation.
Page 4698 of 5621

INTERIOR ROOM LAMP
LT-271
C
D
E
F
G
H
I
J
L
MA
B
LT
Revision: 2006 January2006 M35/M45
ROOM LAMP TIMER OPERATING TIME
CONDITIONS FOR CANCELING TIMER
Timer operation is cancelled in any of the following conditions.
Driver door is locked.
Any door is opened.
Turn ignition switch is ACC or ON.
ROOM LAMP TIMER INAPPLICABLE LAMPS OPERATION
Step lamp system: step lamp (driver side, passenger side, rear LH and rear RH) and kicking plate illumi-
nation (driver side and passenger side).
Step lamp system lamps are ON/OFF linked with any door (driver side, passenger side, rear LH and rear
RH) opened and then closed.
Vanity mirror lamp LH and RH.
Operated side vanity mirror lamp is ON/OFF linked with vanity mirror opened and then closed.
Trunk room lamp (lower) and trunk room lamp (upper).
Trunk room lamps (lower and upper) are ON/OFF linked with trunk opened and then closed.
INTERIOR ROOM LAMP BATTERY SAVER FUNCTION
Applicable lamps
Room lamp system: map lamp, foot lamp (driver side and passenger side) and personal lamp (rear LH
and rear RH).
Step lamp system: step lamp (driver side, passenger side, rear LH and rear RH) and kicking plate illumi-
nation (driver side and passenger side).
Vanity mirror lamp LH and RH.
Trunk room lamp (lower) and trunk room lamp (upper).
If the any applicable lamp is left illuminated, BCM turns OFF the battery saver output power supply 30 or 60
minutes to prevent run down of the battery. (Factory setting time is 30 minutes. And timer setting can be
changed by CONSULT-II. Refer to LT-287, "
WORK SUPPORT (BATTERY SAVER)" .)
When the push-button ignition switch (push switch) is turned from ON to OFF, the timer is activated.
If any of the following door switch signal condition is changed with the push-button ignition switch (push
switch) in OFF position, the timer is activated when the change is occurred.
Door switch signals (driver side, passenger side, rear LH and RH), front door lock assembly (driver side) (key
cylinder switch) signal and Intelligent Key unlock signal.
SKIB4934E
Page 4699 of 5621

LT-272
INTERIOR ROOM LAMP
Revision: 2006 January2006 M35/M45
SchematicNKS003T2
TKWT3400E
Page 4700 of 5621

INTERIOR ROOM LAMP
LT-273
C
D
E
F
G
H
I
J
L
MA
B
LT
Revision: 2006 January2006 M35/M45
TKWT3401E